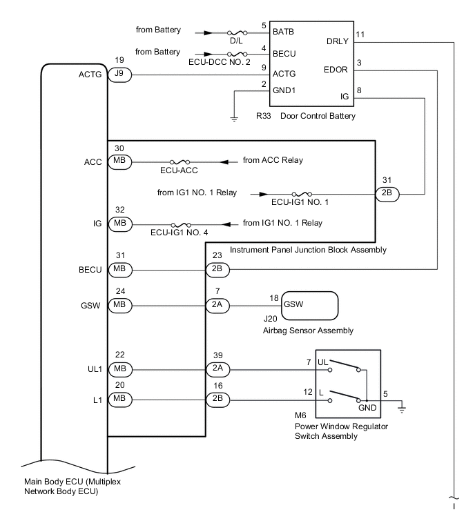
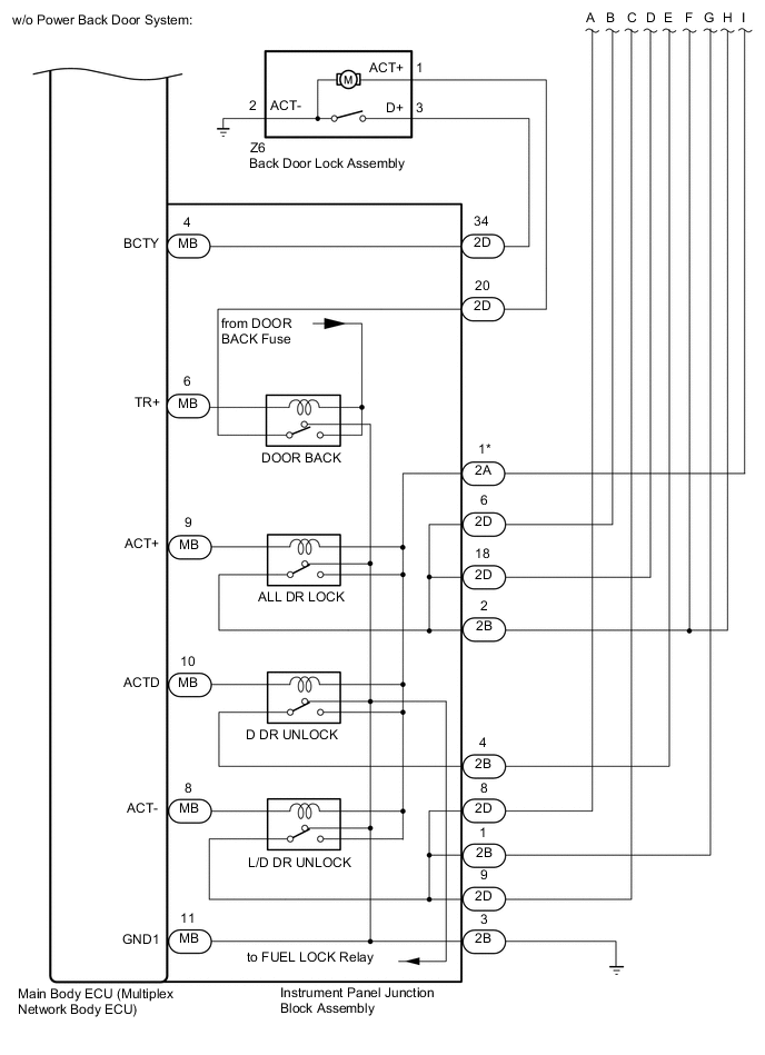
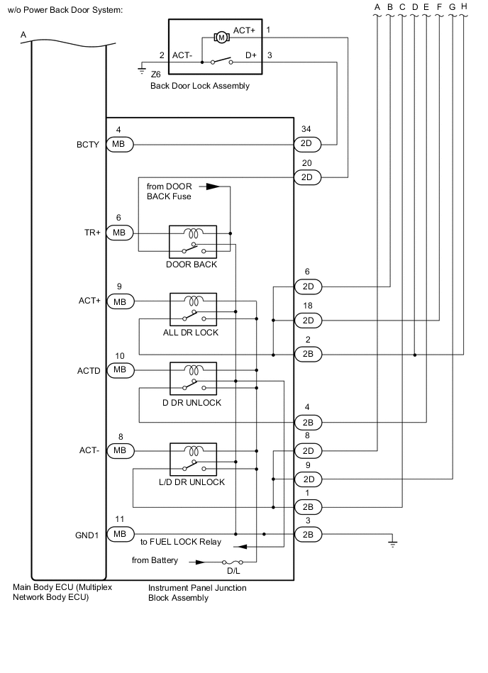
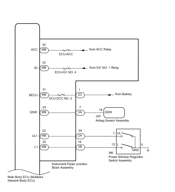
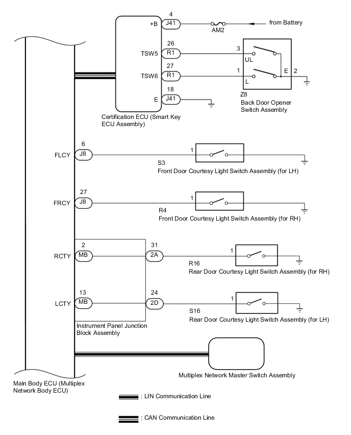
POWER DOOR LOCK CONTROL SYSTEM SYSTEM DIAGRAM


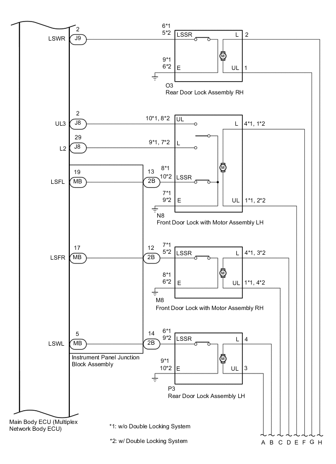
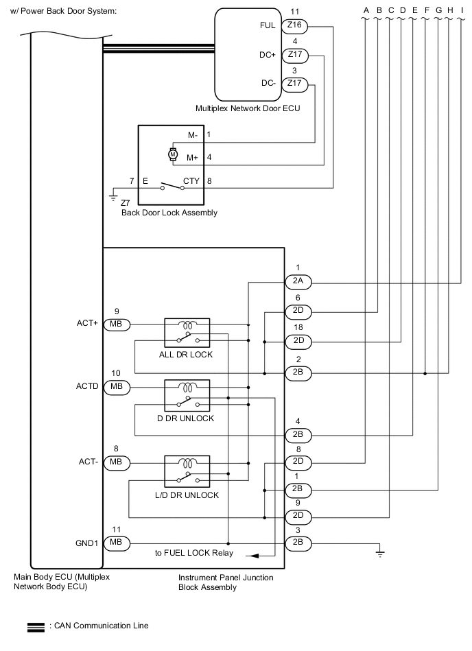
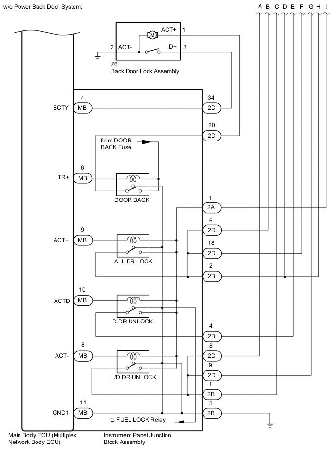
  1. Power Door Lock Control System (for LHD, w/o Canister Pump Module with Door Ajar Warning Buzzer Function)

    A01RF9UE04
    A01RE46E05
    B005OR1E08
    A01RDI9E01
    A01RCZOE01
    Communication Table
    Sender Receiver Signal Line
    Multiplex Network Master Switch Assembly Main Body ECU (Multiplex Network Body ECU) Door control switch signal LIN
    Certification ECU (Smart Key ECU Assembly) Main Body ECU (Multiplex Network Body ECU) Back door opener switch signal CAN
    Multiplex Network Door ECU* Main Body ECU (Multiplex Network Body ECU) Power back door control signal CAN

    • *: w/ Power Back Door System

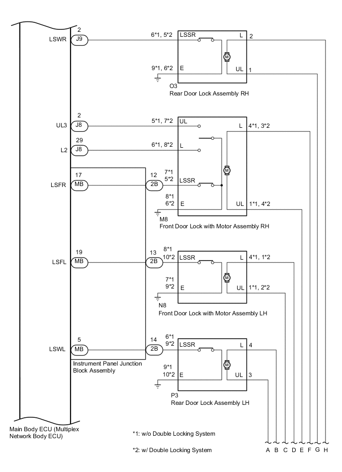
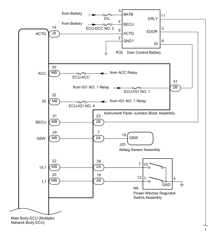
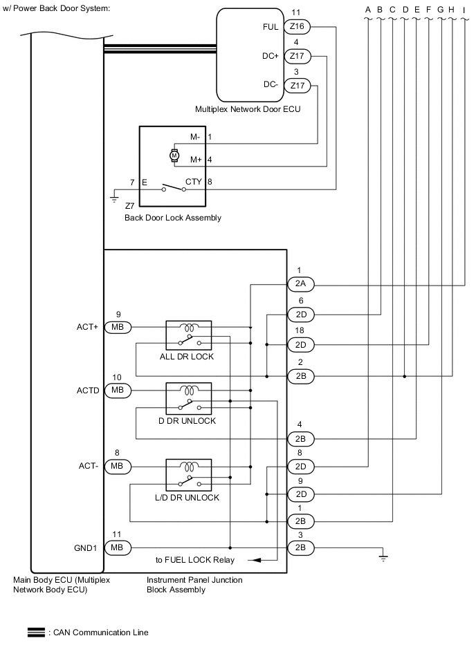
  2. Power Door Lock Control System (for LHD, w/ Canister Pump Module or w/o Door Ajar Warning Buzzer Function)

    A01R8XLE01
    A01RE46E05
    B005OR1E08
    A01RD5RE08
    A01R90JE01
    Communication Table
    Sender Receiver Signal Line
    Multiplex Network Master Switch Assembly Main Body ECU (Multiplex Network Body ECU) Door control switch signal LIN
    Certification ECU (Smart Key ECU Assembly) Main Body ECU (Multiplex Network Body ECU) Back door opener switch signal CAN
    Multiplex Network Door ECU* Main Body ECU (Multiplex Network Body ECU) Power back door control signal CAN

    • *: w/ Power Back Door System

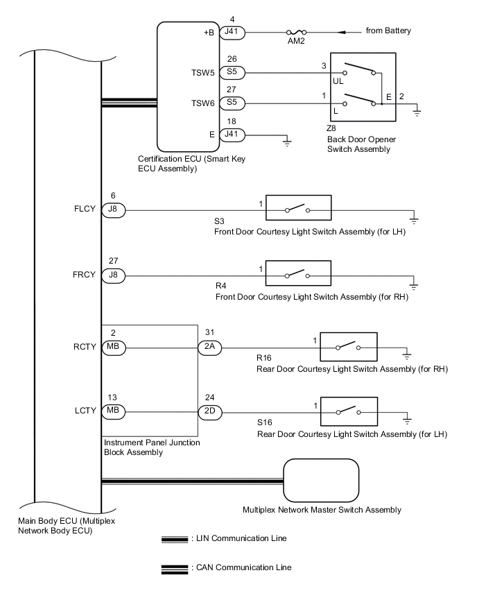
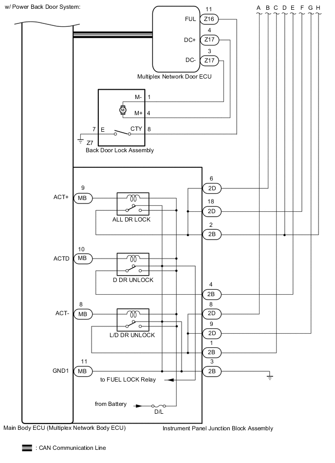
  3. Power Door Lock Control System (for RHD)

    A01RF9UE05
    A01RE46E06
    A01RB3KE09
    A01RBENE05
    A01RA6NE04
    Communication Table
    Sender Receiver Signal Line
    Multiplex Network Master Switch Assembly Main Body ECU (Multiplex Network Body ECU) Door control switch signal LIN
    Certification ECU (Smart Key ECU Assembly) Main Body ECU (Multiplex Network Body ECU) Back door opener switch signal CAN
    Multiplex Network Door ECU* Main Body ECU (Multiplex Network Body ECU) Power back door control signal CAN

    • *: w/ Power Back Door System

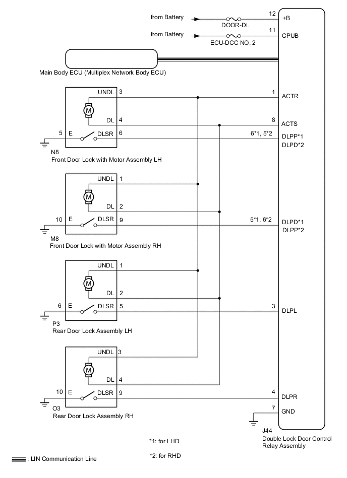
  4. Double Locking System

    A01RDE0E18
    Communication Table
    Sender Receiver Signal Line
    Double Lock Door Control Relay Assembly Main Body ECU (Multiplex Network Body ECU) Double lock position switch signal LIN
    Main Body ECU (Multiplex Network Body ECU) Double Lock Door Control Relay Assembly Double lock set/unset request Signal LIN