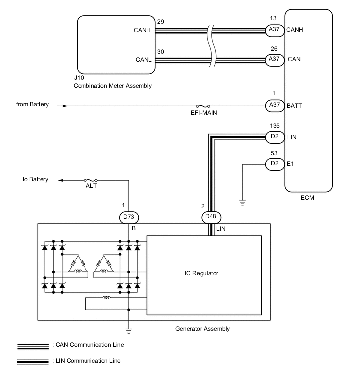
CHARGING SYSTEM SYSTEM DIAGRAM

A01REGWE02