AUDIO AND VISUAL SYSTEM(for 12.3 Inch Display) Illumination Circuit

DESCRIPTION

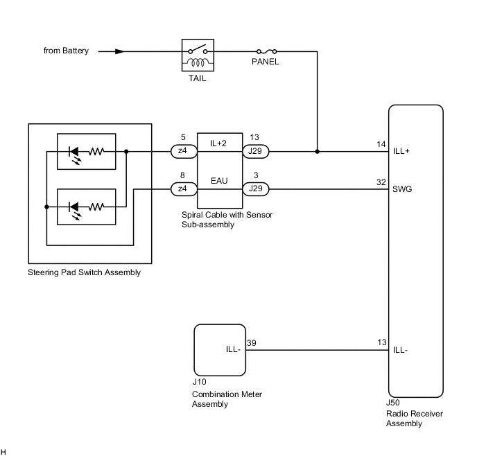
Power is supplied to the radio receiver assembly and steering pad switch assembly illumination when the light control switch is in the tail or head position.

WIRING DIAGRAM

A01RBCZE08

CAUTION / NOTICE / HINT

Note


  • The vehicle is equipped with a Supplemental Restraint System (SRS) which includes components such as airbags. Before servicing (including removal or installation of parts), be sure to read the precaution for Supplemental Restraint System.

    Click here

  • Inspect the fuses for circuits related to this system before performing the following procedure.

PROCEDURE


  1. CHECK ILLUMINATION


    1. Check if the illumination for the radio receiver assembly, steering pad switch assembly, heater control switch or others (hazard switch, transmission control switch, etc.) comes on when the light control switch is turned to the head or tail position.

      Result
      Result Proceed to
      Illumination comes on for all components except steering pad switch assembly. A
      Illumination comes on for all components except radio receiver assembly. B
      Illumination comes on only for steering pad switch assembly. C
      No illumination comes on (radio receiver assembly, hazard switch, heater control switch, etc.). D

    B
    C
    D
    A
  2. CHECK HARNESS AND CONNECTOR (ILLUMINATION SIGNAL)


    1. Disconnect the J29 spiral cable with sensor sub-assembly connector.

    2. Measure the voltage according to the value(s) in the table below.

      Standard Voltage
      Tester Connection Condition Specified Condition
      J29-13 (IL+2) - Body ground Light control switch in tail or head position 11 to 14 V
      Result
      Proceed to
      OK
      NG

    NG
    OK
  3. INSPECT STEERING PAD SWITCH ASSEMBLY


    1. Remove the steering pad switch assembly.

      Click here

    2. Inspect the steering pad switch assembly.

      Click here

      Result
      Proceed to
      OK
      NG

    NG
    OK
  4. INSPECT SPIRAL CABLE WITH SENSOR SUB-ASSEMBLY


    1. Remove the spiral cable with sensor sub-assembly.

      Click here

    2. Inspect the spiral cable with sensor sub-assembly.

      Click here

      Result
      Proceed to
      OK
      NG

    NG
    OK
  5. CHECK HARNESS AND CONNECTOR (SPIRAL CABLE WITH SENSOR SUB-ASSEMBLY - RADIO RECEIVER ASSEMBLY)


    1. Disconnect the J50 radio receiver assembly connector.

    2. Disconnect the J29 spiral cable with sensor sub-assembly connector.

    3. Measure the resistance according to the value(s) in the table below.

      Standard Resistance
      Tester Connection Condition Specified Condition
      J50-32 (SWG) - J29-3 (EAU) Always Below 1 Ω
      Result
      Proceed to
      OK
      NG

    OK
    NG
  6. CHECK HARNESS AND CONNECTOR (ILLUMINATION SIGNAL)


    1. Disconnect the J50 radio receiver assembly connector.

    2. Measure the voltage according to the value(s) in the table below.

      Standard Voltage
      Tester Connection Condition Specified Condition
      J50-14 (ILL+) - Body ground Light control switch in tail or head position 11 to 14 V
      Result
      Proceed to
      OK
      NG

    NG
    OK
  7. CHECK HARNESS AND CONNECTOR (RADIO RECEIVER ASSEMBLY - COMBINATION METER ASSEMBLY)


    1. Disconnect the J50 radio receiver assembly connector.

    2. Disconnect the J10 combination meter assembly connector.

    3. Measure the resistance according to the value(s) in the table below.

      Standard Resistance
      Tester Connection Condition Specified Condition
      J50-13 (ILL-) - J10-39 (ILL-) Always Below 1 Ω
      J50-13 (ILL-) or J10-39 (ILL-) - Body ground Always 10 kΩ or higher
      Result
      Proceed to
      OK
      NG

    OK
    NG