FUEL SYSTEM SYSTEM DIAGRAM


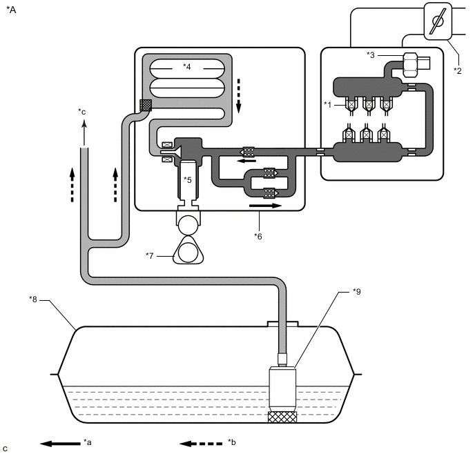
  1. FUEL FLOW DIAGRAM

    A01VX0SC01
    *A for Direct Injection - -
    *1 Fuel Injector Assembly *2 Throttle Body with Motor Assembly
    *3 Fuel Pressure Sensor (for High Pressure) *4 Fuel Pressure Pulsation Damper Assembly
    *5 Plunger *6 Fuel Pump Assembly (for High Pressure)
    *7 Camshaft *8 Fuel Tank Assembly
    *9

    Fuel Suction Tube with Pump and Gauge Assembly

    - Fuel Sender Gauge Assembly

    - Fuel Main Valve Assembly

    - Fuel Pump (for Low Pressure)

    - -
    *a High Pressure Fuel Line *b Low Pressure Fuel Line
    *c To Fuel Injector Assembly (for Port Injection) - -
    A01VXLXC01
    *A for Port Injection - -
    *1 Throttle Body with Motor Assembly *2 Fuel Injector Assembly
    *3 Fuel Tank Assembly *4

    Fuel Suction Tube with Pump and Gauge Assembly

    - Fuel Sender Gauge Assembly

    - Fuel Main Valve Assembly

    - Fuel Pump (Low Pressure)

    *5 Fuel Pressure Sensor (for Low Pressure) - -
    *a Low Pressure Fuel Line *b To Fuel Pump Assembly (for High Pressure)
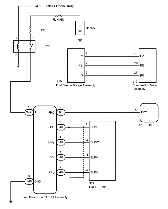
  2. ELECTRICAL CONTROL DIAGRAM

    A01VXTEC01
    *1 Fuel Injector Assembly (for Direct Injection) *2 Fuel Injector Assembly (for Port Injection)
    *3 Fuel Pressure Sensor (for High Pressure) *4 Fuel Pump Assembly (for High Pressure)
    *5 ECM *6 Fuel Tank Assembly
    *7 Fuel Pump (Low Pressure) *8 Fuel Pressure Sensor (for Low Pressure)
    *9 Fuel Pump Control ECU Assembly *10 C/OPN Relay
    *11 Battery *12 Engine Switch
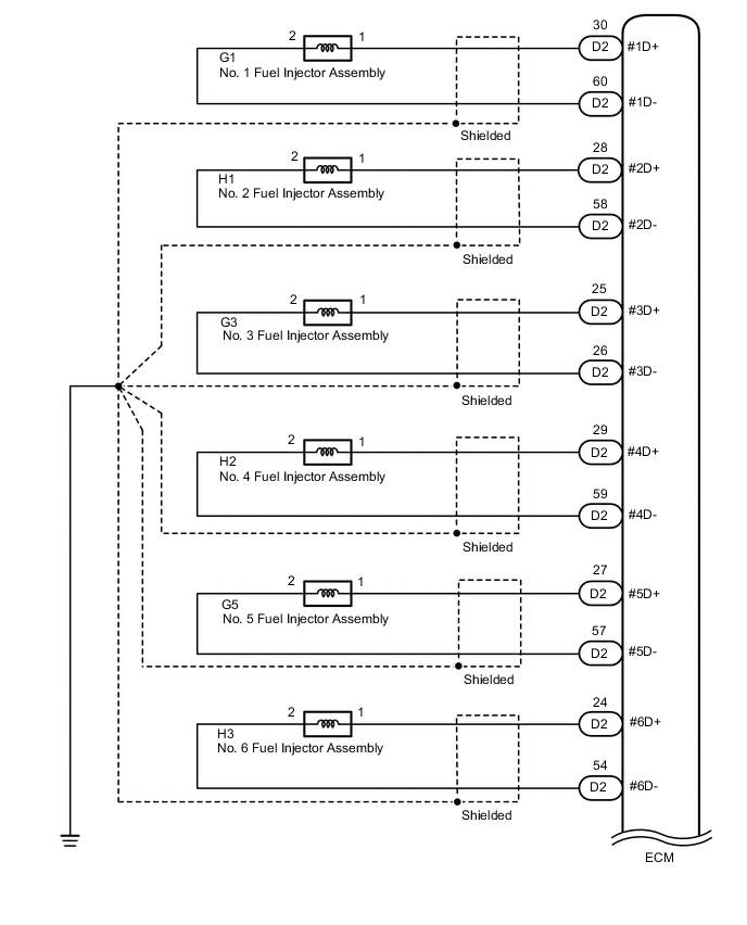
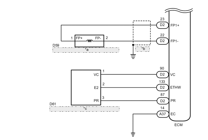
  3. HIGH PRESSURE SIDE FUEL SYSTEM WIRING DIAGRAM

    A01VWTOE02
    A01VV5OE01
    *a Fuel Pump Assembly (for High Pressure)
    *b Shielded
    *c Fuel Pressure Sensor (for High Pressure)
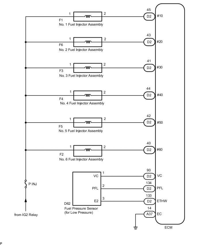
  4. LOW PRESSURE SIDE FUEL SYSTEM WIRING DIAGRAM

    A01VVVKE03
    A01VTN3E01