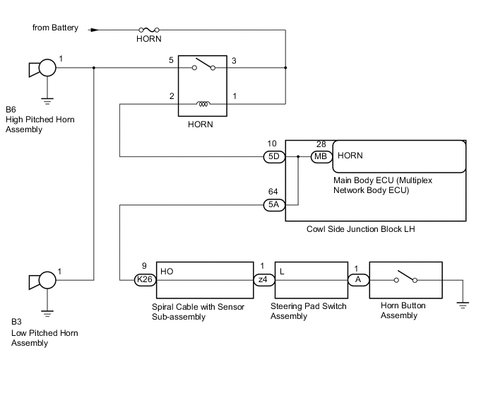
HORN SYSTEM SYSTEM DIAGRAM

B002E0ZE01