DYNAMIC RADAR CRUISE CONTROL SYSTEM, Diagnostic DTC:C1A4B

DTC Code DTC Name
C1A4B Stop Light Relay Circuit

DESCRIPTION

The brake actuator assembly (skid control ECU) sends a stop light operation signal to the No. 2 integration relay. When the brake actuator assembly (skid control ECU) detects a malfunction in the stop light circuit, the driving support ECU assembly stores DTC C1A4B.

DTC No. Detection Item DTC Detection Condition Trouble Area
C1A4B Stop Light Relay Circuit

Either of the following conditions is met:


  • When the vehicle speed is approximately 50 km/h (30 mph) or more, the cruise control switch (ON/OFF button) is on, the IG1 terminal voltage is between 11 and 14 V and the stop light illumination output signal (STOP) is output, the signal is not received at terminal STP2 for 0.4 seconds or more.

  • When the vehicle speed is approximately 50 km/h (30 mph) or more, the cruise control switch (ON/OFF button) is on, the IG1 terminal voltage is between 11 and 14 V and the stop light illumination output signal (STOP) is output, the signals received at terminals STP and STP2 are different for 0.4 seconds or more.


  • Lighting system

  • Vehicle stability control system

  • Harness or connector

  • No. 2 integration relay

  • Driving support ECU assembly

DTC Detection Conditions:
Vehicle Condition
Pattern 1 Pattern 2
Diagnosis Condition When the vehicle speed is approximately 50 km/h (30 mph) or more, the cruise control switch (ON/OFF button) is on
Malfunction Status When the stop light illumination output (STPO) signal is on, a signal has not been input to the STP2 terminal -
When the stop light illumination output (STPO) signal is off, signals input to the STP terminal and STP2 terminal of the brake actuator assembly (skid control ECU) differ -
Detection Time 0.4 seconds 0.4 seconds
Number of Trips 1 trip 1 trip

Tech Tips

DTC will be output when conditions for either of the patterns in the table above are met.

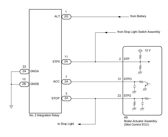
WIRING DIAGRAM

B002E20E02

CAUTION / NOTICE / HINT

Note


  • Inspect the fuses for circuits related to this system before performing the following procedure.

  • When this DTC is output, a malfunction in the lighting system is suspected. Check if the lighting system is functioning normally.

    Click here

  • When replacing the driving support ECU assembly, always replace it with a new one. If a driving support ECU assembly which was installed to another vehicle is used, the information stored in the driving support ECU assembly will not match the information from the vehicle. As a result, a DTC may be stored.

PROCEDURE


  1. CHECK ENGINE START


    1. Depress the brake pedal, push the engine switch and check that the engine starts.

      OK
      The engine starts.
      Result
      Result Proceed to
      OK A
      NG (w/ Canister Pump Module) B
      NG (w/o Canister Pump Module) C

    B
    C
    A
  2. CHECK STOP LIGHT OPERATION


    1. Check that the stop lights come on when the brake pedal is depressed and go off when the brake pedal is released.

      OK
      Condition Illumination Condition
      Brake pedal depressed On
      Brake pedal released Off
      Result
      Proceed to
      OK
      NG

    NG
    OK
  3. INSPECT NO. 2 INTEGRATION RELAY


    1. Turn the engine switch off.

    2. Inspect the No. 2 integration relay.

      Click here

      OK
      The No. 2 integration relay is normal.
      Result
      Proceed to
      OK
      NG

    NG
    OK
  4. CHECK TERMINAL VOLTAGE (POWER SOURCE OF NO. 2 INTEGRATION RELAY)


    1. Turn the engine switch off.

    2. B002EQNC22
      *a

      Front view of wire harness connector

      (to No. 2 Integration Relay)

      Disconnect the 2B No. 2 integration relay connector.

    3. Measure the voltage according to the value(s) in the table below.

      Standard Voltage
      Tester Connection Condition Specified Condition
      2G-1 (ALT) - Body ground Always 11 to 14 V
      Result
      Proceed to
      OK
      NG

    NG
    OK
  5. CHECK HARNESS AND CONNECTOR (NO. 2 INTEGRATION RELAY - BODY GROUND)


    1. Turn the engine switch off.

    2. Disconnect the 2A and 2B No. 2 integration relay connectors.

    3. Measure the resistance according to the value(s) in the table below.

      Standard Resistance
      Tester Connection Condition Specified Condition
      2A-22 (GNDA) - Body ground Always Below 1 Ω
      2B-10 (GNDB) - Body ground Always Below 1 Ω
      Result
      Proceed to
      OK
      NG

    NG
    OK
  6. CHECK TERMINAL VOLTAGE (STP TERMINAL)


    1. Turn the engine switch off.

    2. B002DANC01
      *a

      Front view of wire harness connector

      (to Brake Actuator Assembly (Skid Control ECU))

      Disconnect the brake actuator assembly (skid control ECU) connector.

    3. Measure the voltage according to the value(s) in the table below.

      Standard Voltage
      Tester Connection Condition Specified Condition
      A9-2 (STP) - Body ground Brake pedal depressed 11 to 14 V
      Brake pedal released Below 1.5 V
      Result
      Proceed to
      OK
      NG

    NG
    OK
  7. CHECK TERMINAL VOLTAGE (STP TERMINAL)


    1. Turn the engine switch off.

    2. B002C9AC15
      *a

      Front view of wire harness connector

      (to No. 2 Integration Relay)

      Disconnect the 2A No. 2 integration relay connector.

    3. Measure the voltage according to the value(s) in the table below.

      Standard Voltage
      Tester Connection Condition Specified Condition
      2A-11 (STP0) - Body ground Brake pedal depressed 11 to 14 V
      Brake pedal released Below 1.5 V
      Result
      Proceed to
      OK
      NG

    NG
    OK
  8. PERFORM ACTIVE TEST USING GTS (STOP LIGHT RELAY)


    1. Enter the following menus: Chassis / ABS/VSC/TRC / Active Test.

    2. Perform "Active Test" according to the display on the GTS.


      Chassis > ABS/VSC/TRC > Active Test
      Tester Display Measurement Item Control Range Diagnostic Note
      Stop Light Relay Stop light control relay (STOP LP) ON or OFF Stop lights come on

      Chassis > ABS/VSC/TRC > Active Test
      Tester Display
      Stop Light Relay
    3. Enter the following menus: Chassis / ABS/VSC/TRC / Data List.

    4. Check the stop light switch assembly (stop light control relay) operation using the Data List and stop light operation by performing an Active Test.


      Chassis > ABS/VSC/TRC > Data List
      Tester Display Measurement Item Range Normal Condition Diagnostic Note
      Stop Light Relay Output Stop light control relay (STOP LP) output ON or OFF

      ON: Relay output on (Stop light on)

      OFF: Relay output off (Stop light off)

      -

      Chassis > ABS/VSC/TRC > Data List
      Tester Display
      Stop Light Relay Output
      Result
      Result Proceed to
      Data List item changes between ON and OFF, but stop lights do not turn on A
      Data List item changes between ON and OFF and stop lights turn on and off B

    B
    A
  9. CHECK HARNESS AND CONNECTOR (BRAKE ACTUATOR ASSEMBLY (SKID CONTROL ECU) - NO. 2 INTEGRATION RELAY)


    1. Turn the engine switch off.

    2. Disconnect the A9 brake actuator assembly (skid control ECU) connector.

    3. Disconnect the 2D No. 2 integration relay connector.

    4. Measure the resistance according to the value(s) in the table below.

      Standard Resistance
      Tester Connection Condition Specified Condition
      A9-31 (STPO) - 2A-7 (ACC) Always Below 1 Ω
      A9-31 (STPO) or 2A-7 (ACC) - Body ground Always 10 kΩ or higher
      Result
      Proceed to
      OK
      NG

    NG
    OK
  10. CHECK HARNESS AND CONNECTOR (BRAKE ACTUATOR ASSEMBLY (SKID CONTROL ECU) - NO. 2 INTEGRATION RELAY)


    1. Turn the engine switch off.

    2. Disconnect the A9 brake actuator assembly (skid control ECU) connector.

    3. Disconnect the 2A No. 2 integration relay connector.

    4. Measure the resistance according to the value(s) in the table below.

      Standard Resistance
      Tester Connection Condition Specified Condition
      A9-22 (STP2) - 2A-3 (STOP) Always Below 1 Ω
      Result
      Proceed to
      OK
      NG

    NG
    OK
  11. CHECK TERMINAL VOLTAGE (STP2 TERMINAL)


    1. Turn the engine switch off.

    2. B002DANC02
      *a

      Front view of wire harness connector

      (to Brake Actuator Assembly (Skid Control ECU))

      Disconnect the brake actuator assembly (skid control ECU) connector.

    3. Measure the voltage according to the value(s) in the table below.

      Standard Voltage
      Tester Connection Condition Specified Condition
      A9-22 (STP2) - Body ground Brake pedal depressed 11 to 14 V
      Brake pedal released Below 1.5 V
      Result
      Proceed to
      OK
      NG

    NG
    OK
  12. CHECK FOR DTCs (RADAR CRUISE)


    1. Turn the engine switch off and wait for at least 2 minutes.

    2. Clear the DTCs.

      Click here


      Powertrain > Radar Cruise > Clear DTCs
    3. Make sure that the DTC detection conditions are met.

      Tech Tips

      If the detection conditions are not met, the system cannot detect the malfunction.


      1. Turn the engine switch on (IG).

      2. Turn the dynamic radar cruise control system on using the cruise control main switch (ON/OFF button).

      3. Drive the vehicle at 36 km/h (22 mph) or more for 1 second.

    4. Check for DTCs.

      Click here


      Powertrain > Radar Cruise > Trouble Codes
      Result
      Result Proceed to
      DTC C1A4B is not output A
      DTC C1A4B is output B

    A
    B