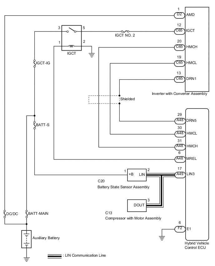
CHARGING SYSTEM SYSTEM DIAGRAM

A001RTBE01