СИСТЕМА ПЕРЕДАЧИ ДАННЫХ CAN (для моделей без ЭБУ центрального сетевого шлюза), Diagnostic DTC:U1002

Код DTC Наименование DTC
U1002 Нарушение связи с блоком сетевого шлюза (главный ЭБУ кузова)

ОПИСАНИЕ


№ DTC Условие обнаружения DTC Неисправный участок
U1002 Главный ЭБУ кузова (бортовой ЭБУ сети мультиплексной связи) не получает сигналы от всех ЭБУ, которые были сохранены в памяти как блоки, подключенные к вспомогательной шине 1.
  • Обрыв или короткое замыкание в главной линии или разъеме вспомогательной шины 1

  • Обрыв или короткое замыкание во вспомогательной линии или разъеме вспомогательной шины 1

  • Главный ЭБУ кузова (бортовой ЭБУ сети мультиплексной связи)

  • Переключатель электропривода левого переднего сиденья*1

  • Переключатель электропривода правого переднего сиденья*1

  • ЭБУ электропривода наружного зеркала в сборе (со стороны водителя)*5

  • ЭБУ электропривода наружного зеркала в сборе (со стороны переднего пассажира)*5

  • Мультиплексный ЭБУ регулировки наклона и телескопического изменения высоты*2

  • Электродвигатель доводчика двери багажного отделения*3

  • Задняя телекамера в сборе*4

  • Обрыв или короткое замыкание в левом2 разъеме распределительного блока шины CAN

  • Обрыв или короткое замыкание в правом2 разъеме распределительного блока шины CAN

  • Обрыв или короткое замыкание в контакте распределительного блока шины CAN № 1


Tech Tips

Эта диагностическая процедура предназначена для случаев, когда главный ЭБУ кузова (бортовой ЭБУ сети мультиплексной связи) выводит код DTC U1002 (информация на экране GTS: Main Body).

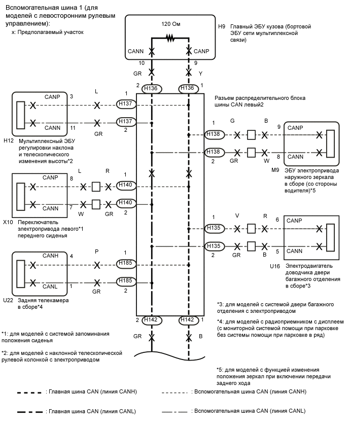
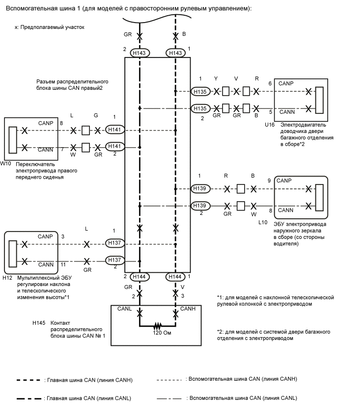
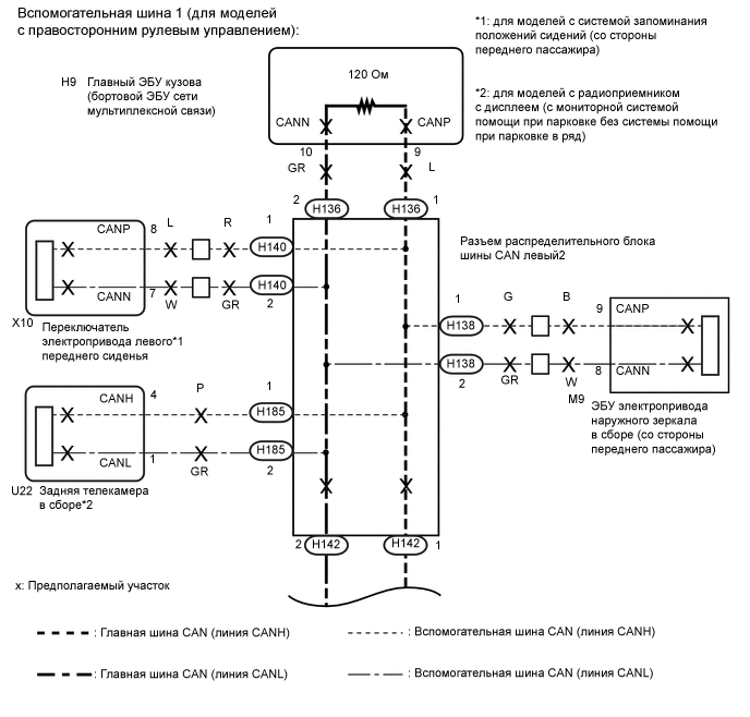
СХЕМА ЭЛЕКТРИЧЕСКИХ СОЕДИНЕНИЙ

A01W207E03
A01W20ME16
A01W0LDE04
A01W2DYE03

ПРЕДОСТЕРЕЖЕНИЕ / ПРИМЕЧАНИЕ / УКАЗАНИЕ

Note


  • Перед измерением сопротивления шины CAN, выключите зажигание и оставьте автомобиль в покое на 1 минуту или более, не приводя в действие ключ, любые другие переключатели и не открывая/закрывая двери. После этого, отсоедините провод от отрицательного (-) вывода аккумуляторной батареи и перед измерением сопротивления оставьте автомобиль в покое на 1 минуту или более.

  • После выключения зажигания следует подождать некоторое время, прежде чем отсоединять провод от отрицательного (-) вывода аккумуляторной батареи. Поэтому, прежде чем приступать к этой работе, обязательно ознакомьтесь с примечаниями относительно отсоединения провода от отрицательного (-) вывода аккумуляторной батареи (см. стр. Click here).

  • По причине того, что порядок диагностики важен для обеспечения правильной диагностики, начните с процедур поиска неисправностей в случае появления кодов DTC, относящихся к системе передачи данных CAN (см. стр. Click here).

  • После ремонта выполните процедуру проверки кодов DTC и убедитесь, что коды DTC не выводятся снова.

  • Процедура проверки кодов DTC: Включите зажигание (IG) и подождите не менее 20 с.

  • После ремонта выполните проверку шины CAN и убедитесь, что отображаются все ЭБУ и датчики, подсоединенные к системе передачи данных CAN (См. стр. Click here).

  • В случае замены главного ЭБУ кузова (бортового ЭБУ сети мультиплексной связи) обратитесь к бюллетеню технического обслуживания.

Tech Tips


  • Управление выключателем зажигания, какими-либо выключателями или дверями приводит к обмену данными между ЭБУ и датчиками по шине CAN. При осуществлении обмена данными сопротивление изменяется.

  • Если DTC регистрируется при непродолжительном движении на автомобиле даже после удаления кодов DTC, неисправность может возникать вследствие вибрации автомобиля. В подобных случаях необходимо пошевелить разъемы ЭБУ или жгутов проводов во время проверки, чтобы установить причину неисправности.

  • Разъемы, подключенные к разъему распределительного блока шины CAN, можно различать по цвету шин CAN. После отсоединения разъемов от разъема распределительного блока шины CAN подсоединение разъемов к ненадлежащим местам разъема распределительного блока шины CAN не влияет на работу системы. Однако желательно подсоединять разъемы к соответствующим местам, чтобы не повредить проводку, например, в результате натяжения жгутов, а также облегчить последующие обслуживание.

ПОРЯДОК ВЫПОЛНЕНИЯ


  1. ПРОВЕРЬТЕ ТИП АВТОМОБИЛЯ


    1. Проверьте тип автомобиля.

      Результат
      Результат Перейти к
      Для моделей с левосторонним рулевым управлением А
      Для моделей с правосторонним рулевым управлением B

    B
    А
  2. ПРОВЕРЬТЕ ВСПОМОГАТЕЛЬНУЮ ШИНУ 1


    1. Отсоедините провод от отрицательного (-) вывода аккумуляторной батареи.

    2. A01W1WSE04
      Обозначения на рисунке
      *1 DLC3
      *a

      Устройство с подсоединенным жгутом проводов

      (Разъем распределительного блока шины CAN левый2)

      Измерьте сопротивление в соответствии со значениями, приведенными в таблице ниже.

      Номинальное сопротивление
      Подключение диагностического прибора Условие Заданные условия Результат
      H136-1 (CANH) - H136-2 (CANL) Провод отсоединен от отрицательного (-) вывода аккумуляторной батареи 54 - 69 Ом

      Менее 54 Ом:

      Короткое замыкание между шинами

      70 Ом или более:

      Обрыв в линиях главной шины

      H136-1 (CANH) - H29-4 (CG) Провод отсоединен от отрицательного (-) вывода аккумуляторной батареи 200 Ом или более

      Менее 200 Ом:

      Короткое замыкание CANH на массу

      H136-2 (CANL) - H29-4 (CG) Провод отсоединен от отрицательного (-) вывода аккумуляторной батареи 200 Ом или более

      Менее 200 Ом:

      Короткое замыкание CANL на массу

      H136-1 (CANH) - H29-16 (BAT) Провод отсоединен от отрицательного (-) вывода аккумуляторной батареи 6 кОм или более

      Менее 6 кОм:

      Короткое замыкание CANH на +B

      H136-2 (CANL) - H29-16 (BAT) Провод отсоединен от отрицательного (-) вывода аккумуляторной батареи 6 кОм или более

      Менее 6 кОм:

      Короткое замыкание CANL на +B

      Результат
      Результат Перейти к
      OK А
      NG (обрыв в линиях главной шины CAN) B
      NG (Короткое замыкание между шинами) C

      • NG (Короткое замыкание на массу)

      • NG (Короткое замыкание на +B)

      D

    B
    C
    D
    А
  3. СНОВА ПРОВЕРЬТЕ ВЫВОДИМЫЕ DTC


    1. Вновь подсоедините провод к отрицательному (-) выводу аккумуляторной батареи.

    2. Подключите GTS к DLC3.

    3. Включите зажигание (IG).

    4. Включите GTS.

    5. Удалите коды DTC.

    6. Выключите зажигание.

    7. Включите зажигание (IG) и проверьте наличие кодов DTC.

      Результат
      Результат Перейти к

      Главный ЭБУ кузова (бортовой ЭБУ сети мультиплексной связи) выводит код DTC U1002

      (дисплей GTS: Main Body)

      А

      Главный ЭБУ кузова (бортовой ЭБУ сети мультиплексной связи) не выводит код DTC U1002

      (дисплей GTS: Main Body)

      B

    А
    B
  4. ПРОВЕРЬТЕ ВСПОМОГАТЕЛЬНУЮ ШИНУ 1 НА ОБРЫВ (ЛЕВЫЙ2 РАЗЪЕМ РАСПРЕДЕЛИТЕЛЬНОГО БЛОКА ШИНЫ CAN - ГЛАВНЫЙ ЭБУ КУЗОВА (БОРТОВОЙ ЭБУ СЕТИ МУЛЬТИПЛЕКСНОЙ СВЯЗИ))


    1. Отсоедините разъем H136 жгута проводов.

    2. A01W4Z7E06
      Обозначения на рисунке
      *a

      Вид сзади разъема со стороны жгута проводов

      (к разъему распределительного блока шины CAN левый2)

      *b К главному ЭБУ кузова (бортовому ЭБУ сети мультиплексной связи)

      Измерьте сопротивление в соответствии со значениями, приведенными в таблице ниже.

      Номинальное сопротивление
      Подключение диагностического прибора Условие Заданные условия
      H136-1 (CANH) - H136-2 (CANL) Провод отсоединен от отрицательного (-) вывода аккумуляторной батареи 108 - 132 Ом

      Note


      • Перед отсоединением разъема сделайте пометку, где он подключен.

      • Подсоедините разъем на место.


    NG
    OK
  5. ПРОВЕРЬТЕ ВСПОМОГАТЕЛЬНУЮ ШИНУ 1 НА ОБРЫВ (ЛЕВЫЙ2 РАЗЪЕМ РАСПРЕДЕЛИТЕЛЬНОГО БЛОКА ШИНЫ CAN)


    1. Подсоедините разъем H136 жгута проводов.

    2. A01W5L5E04
      Обозначения на рисунке
      *a

      Вид сзади разъема со стороны жгута проводов

      (к разъему распределительного блока шины CAN левый2)

      *b к правому2 разъему распределительного блока шины CAN

      Отсоедините разъем H142 жгута проводов.

    3. Измерьте сопротивление в соответствии со значениями, приведенными в таблице ниже.

      Номинальное сопротивление
      Подключение диагностического прибора Условие Заданные условия
      H142-1 (CANH) - H142-2 (CANL) Провод отсоединен от отрицательного (-) вывода аккумуляторной батареи 108 - 132 Ом

      Note


      • Перед отсоединением разъема сделайте пометку, где он подключен.

      • Подсоедините разъем на место.


    OK
    NG
  6. ПРОВЕРЬТЕ ВСПОМОГАТЕЛЬНУЮ ШИНУ 1 НА ОБРЫВ (ЛЕВЫЙ2 РАЗЪЕМ РАСПРЕДЕЛИТЕЛЬНОГО БЛОКА ШИНЫ CAN - ПРАВЫЙ2 РАЗЪЕМ РАСПРЕДЕЛИТЕЛЬНОГО БЛОКА ШИНЫ CAN)


    1. Подсоедините разъем H142 жгута проводов.

    2. A01W1ZJE04
      Обозначения на рисунке
      *a

      Вид сзади разъема со стороны жгута проводов

      (к разъему распределительного блока шины CAN правый2)

      *b к левому2 разъему распределительного блока шины CAN

      Отсоедините разъем H143 жгута проводов.

    3. Измерьте сопротивление в соответствии со значениями, приведенными в таблице ниже.

      Номинальное сопротивление
      Подключение диагностического прибора Условие Заданные условия
      H143-1 (CANH) - H143-2 (CANL) Провод отсоединен от отрицательного (-) вывода аккумуляторной батареи 108 - 132 Ом

      Note


      • Перед отсоединением разъема сделайте пометку, где он подключен.

      • Подсоедините разъем на место.


    NG
    OK
  7. ПРОВЕРЬТЕ ГЛАВНЫЕ ЛИНИИ ВСПОМОГАТЕЛЬНОЙ ШИНЫ 1 НА ОБРЫВ (ПРАВЫЙ2 РАЗЪЕМ РАСПРЕДЕЛИТЕЛЬНОГО БЛОКА ШИНЫ CAN)


    1. Подсоедините разъем H143 жгута проводов.

    2. A01W4QXE04
      Обозначения на рисунке
      *a

      Вид сзади разъема со стороны жгута проводов

      (к разъему распределительного блока шины CAN правый2)

      *b к контакту распределительного блока шины CAN № 1

      Отсоедините разъем H144 жгута проводов.

    3. Измерьте сопротивление в соответствии со значениями, приведенными в таблице ниже.

      Номинальное сопротивление
      Подключение диагностического прибора Условие Заданные условия
      H144-1 (CANH) - H144-2 (CANL) Провод отсоединен от отрицательного (-) вывода аккумуляторной батареи 108 - 132 Ом

      Note


      • Перед отсоединением разъема сделайте пометку, где он подключен.

      • Подсоедините разъем на место.


    OK
    NG
  8. ПРОВЕРЬТЕ ГЛАВНЫЕ ЛИНИИ ВСПОМОГАТЕЛЬНОЙ ШИНЫ 1 НА ОБРЫВ (КОНТАКТ РАСПРЕДЕЛИТЕЛЬНОГО БЛОКА ШИНЫ CAN № 1)


    1. Подсоедините разъем H144 жгута проводов.

    2. A01W54AE04
      Обозначения на рисунке
      *a

      Вид сзади разъема со стороны жгута проводов

      (к контакту распределительного блока шины CAN № 1)

      *b к правому2 разъему распределительного блока шины CAN

      Отсоедините контакт H145 распределительного блока шины CAN № 1.

    3. Измерьте сопротивление в соответствии со значениями, приведенными в таблице ниже.

      Номинальное сопротивление
      Подключение диагностического прибора Условие Заданные условия
      H145-3 (CANH) - H145-2 (CANL) Провод отсоединен от отрицательного (-) вывода аккумуляторной батареи 108 - 132 Ом

    OK
    NG
  9. ПРОВЕРЬТЕ ГЛАВНЫЕ ЛИНИИ ВСПОМОГАТЕЛЬНОЙ ШИНЫ 1 НА ОБРЫВ (ГЛАВНЫЙ ЭБУ КУЗОВА (БОРТОВОЙ ЭБУ СЕТИ МУЛЬТИПЛЕКСНОЙ СВЯЗИ))


    1. Подсоедините разъем H136 жгута проводов.

    2. A01VZOAE01
      Обозначения на рисунке
      *a

      Вид спереди разъема со стороны жгута проводов:

      (к главному ЭБУ кузова (бортовому ЭБУ сети мультиплексной связи))

      Отсоедините разъем H9 главного ЭБУ кузова (бортового ЭБУ сети мультиплексной связи).

    3. Измерьте сопротивление в соответствии со значениями, приведенными в таблице ниже.

      Номинальное сопротивление
      Подключение диагностического прибора Условие Заданные условия
      H9-9 (CANP) - H9-10 (CANN) Провод отсоединен от отрицательного (-) вывода аккумуляторной батареи 108 - 132 Ом

    OK
    NG
  10. ПРОВЕРЬТЕ ВСПОМОГАТЕЛЬНУЮ ШИНУ 1 НА КОРОТКОЕ ЗАМЫКАНИЕ (ЛЕВЫЙ2 РАЗЪЕМ РАСПРЕДЕЛИТЕЛЬНОГО БЛОКА ШИНЫ CAN - ГЛАВНЫЙ ЭБУ КУЗОВА (БОРТОВОЙ ЭБУ СЕТИ МУЛЬТИПЛЕКСНОЙ СВЯЗИ))


    1. Отсоедините разъем H136 жгута проводов.

    2. A01W4Z7E06
      Обозначения на рисунке
      *a

      Вид сзади разъема со стороны жгута проводов

      (к разъему распределительного блока шины CAN левый2)

      *b К главному ЭБУ кузова (бортовому ЭБУ сети мультиплексной связи)

      Измерьте сопротивление в соответствии со значениями, приведенными в таблице ниже.

      Номинальное сопротивление
      Подключение диагностического прибора Условие Заданные условия
      H136-1 (CANH) - H136-2 (CANL) Провод отсоединен от отрицательного (-) вывода аккумуляторной батареи 108 - 132 Ом

      Note


      • Перед отсоединением разъема сделайте пометку, где он подключен.

      • Подсоедините разъем на место.


    NG
    OK
  11. ПРОВЕРЬТЕ ГЛАВНЫЕ ЛИНИИ ВСПОМОГАТЕЛЬНОЙ ШИНЫ 1 НА КОРОТКОЕ ЗАМЫКАНИЕ (ВСПОМОГАТЕЛЬНАЯ ШИНА)


    1. Подсоедините разъем H136 жгута проводов.

    2. A01VZP0E05
      Обозначения на рисунке
      *a

      Устройство с подсоединенным жгутом проводов

      (Разъем распределительного блока шины CAN левый2)

      Подсоедините щупы электрического тестера к контактам 1 (CANH) и 2 (CANL) разъема жгута проводов главной шины главного ЭБУ кузова (бортового ЭБУ сети мультиплексной связи).

    3. Измеряя сопротивление с помощью электрического тестера, поочередно отсоединяйте разъемы H135, H137, H138, H139, H140, H141 и H185) от левого разъема распределительного блока 2 шины CAN или правого разъема распределительного блока 2 шины CAN, пока сопротивление не окажется в пределах нормы (54 - 69 Ом).

      A01VZD5E06
      Обозначения на рисунке
      *A для моделей с радиоприемником с дисплеем (с мониторной системой помощи при парковке без системы помощи при парковке в ряд) *B Для моделей с системой двери багажного отделения с электроприводом
      *C для моделей с наклонной телескопической рулевой колонкой с электроприводом *D для моделей с системой запоминания положения сиденья
      *E для моделей с функцией изменения положения зеркал при включении передачи заднего хода - -
      *1 Задняя телекамера в сборе *2 Электродвигатель доводчика двери багажного отделения в сборе
      *3 Главный ЭБУ кузова (бортовой ЭБУ сети мультиплексной связи) *4 Мультиплексный ЭБУ регулировки наклона и телескопического изменения высоты
      *5 ЭБУ электропривода наружного зеркала в сборе (со стороны водителя) *6 Переключатель электропривода левого переднего сиденья
      *7 Разъем распределительного блока шины CAN левый2 *8 ЭБУ электропривода наружного зеркала в сборе (со стороны переднего пассажира)
      *9 Переключатель электропривода правого переднего сиденья *10 Контакт распределительного блока шины CAN № 1
      *11 Разъем распределительного блока шины CAN правый2 - -
      A01VZCWE10
      Обозначения на рисунке
      *a

      Устройство с неподсоединенным жгутом проводов

      (Разъем распределительного блока шины CAN левый2)

      - -
      Цвет провода
      Со стороны левого разъема распределительного блока 2 шины CAN Код Цвет (со стороны CANH) Цвет (со стороны CANL)
      Задняя телекамера в сборе*1 H185 P GR
      Электродвигатель доводчика двери багажного отделения*2 H135 V GR
      Главный ЭБУ кузова (бортовой ЭБУ сети мультиплексной связи) H136 Y GR
      Мультиплексный ЭБУ регулировки наклона и телескопического изменения высоты*3 H137 L GR
      ЭБУ электропривода наружного зеркала в сборе (со стороны водителя)*5 H138 G GR
      Переключатель электропривода левого переднего сиденья*4 H140 R GR
      Главная шина CAN (шина, соединяющая левый2 разъем распределительного блока шины CAN и правый2 разъем распределительного блока шины CAN) H142 B GR

      • *1: для моделей с радиоприемником с дисплеем (с мониторной системой помощи при парковке без системы помощи при парковке в ряд)

      • *2: для моделей с системой двери багажного отделения с электроприводом

      • *3: для моделей с наклонной телескопической рулевой колонкой с электроприводом

      • *4: для моделей с системой запоминания положения сиденья

      • *5: для моделей с функцией изменения положения зеркал при включении передачи заднего хода

      A01W5KCE01
      Обозначения на рисунке
      *a

      Устройство с неподсоединенным жгутом проводов

      (Разъем распределительного блока шины CAN правый2)

      - -
      Цвет провода
      Со стороны правого разъема распределительного блока 2 шины CAN Код Цвет (со стороны CANH) Цвет (со стороны CANL)
      Главная шина CAN (шина, соединяющая правый2 разъем распределительного блока шины CAN и левый2 разъем распределительного блока шины CAN) H143 B GR
      ЭБУ электропривода наружного зеркала в сборе (со стороны переднего пассажира)*2 H139 R GR
      Переключатель электропривода правого переднего сиденья*1 H141 G GR
      Главная шина CAN (шина, соединяющая правый2 разъем распределительного блока шины CAN и вывод распределительного блока шины CAN № 1) H144 L GR

      • *1: для моделей с системой запоминания положения сиденья

      • *2: для моделей с функцией изменения положения зеркал при включении передачи заднего хода

      Note

      Не подсоединяйте и не отсоединяйте разъемы до тех пор, пока данная проверка не будет завершена, так как это может привести к короткому замыканию 2 или более вспомогательных шин.

      Результат
      Признак Перейти к
      Когда все указанные разъемы отсоединены, сопротивление по-прежнему составляет менее 54 Ом. (Короткие замыкания в паре вспомогательных шин отсутствуют.) А
      Когда разъем отсоединен, сопротивление становится нормальным (54–69 Ом). (Короткое замыкание в одной или нескольких парах вспомогательных шин.) B
    4. При коротком замыкании в одной или нескольких вспомогательных шинах:


      1. Подсоедините все разъемы к разъемам распределительного блока шины CAN, за исключением того разъема, который был отсоединен последним (шина с коротким замыканием). Убедитесь, что сопротивление, отображенное на портативном диагностическом приборе, соответствует норме (между 54 и 69 Ом), чтобы подтвердить наличие короткого замыкания только в одной вспомогательной шине.

        Tech Tips


        • Разъемы, подключенные к разъему распределительного блока шины CAN, можно различать по цвету шин CAN.

        • Подсоединение разъемов к ненадлежащим местам распределительного блока шины CAN не влияет на работу системы. Однако желательно подсоединять разъемы к соответствующим местам, чтобы не повредить проводку, например, в результате натяжения жгутов, а также облегчить последующие обслуживание.


    B
    А
  12. ПРОВЕРЬТЕ ВСПОМОГАТЕЛЬНУЮ ШИНУ 1 НА КОРОТКОЕ ЗАМЫКАНИЕ (ЛЕВЫЙ2 РАЗЪЕМ РАСПРЕДЕЛИТЕЛЬНОГО БЛОКА ШИНЫ CAN)


    1. Отсоедините разъем H142 жгута проводов.

    2. A01W2NYE01
      Обозначения на рисунке
      *a

      Устройство с подсоединенным жгутом проводов

      (Разъем распределительного блока шины CAN левый2)

      Измерьте сопротивление в соответствии со значениями, приведенными в таблице ниже.

      Номинальное сопротивление
      Подключение диагностического прибора Условие Заданные условия
      H136-1 (CANH) - H136-2 (CANL) Провод отсоединен от отрицательного (-) вывода аккумуляторной батареи 108 - 132 Ом

      Note


      • Перед отсоединением разъема сделайте пометку, где он подключен.

      • Подсоедините разъем на место.


    NG
    OK
  13. ПРОВЕРЬТЕ ВСПОМОГАТЕЛЬНУЮ ШИНУ 1 НА КОРОТКОЕ ЗАМЫКАНИЕ (ЛЕВЫЙ2 РАЗЪЕМ РАСПРЕДЕЛИТЕЛЬНОГО БЛОКА ШИНЫ CAN - ПРАВЫЙ2 РАЗЪЕМ РАСПРЕДЕЛИТЕЛЬНОГО БЛОКА ШИНЫ CAN)


    1. Подсоедините разъем H142 жгута проводов.

    2. Отсоедините разъем H143 жгута проводов.

    3. A01VZP0E05
      Обозначения на рисунке
      *a

      Устройство с подсоединенным жгутом проводов

      (Разъем распределительного блока шины CAN левый2)

      Измерьте сопротивление в соответствии со значениями, приведенными в таблице ниже.

      Номинальное сопротивление
      Подключение диагностического прибора Условие Заданные условия
      H136-1 (CANH) - H136-2 (CANL) Провод отсоединен от отрицательного (-) вывода аккумуляторной батареи 108 - 132 Ом

      Note


      • Перед отсоединением разъема сделайте пометку, где он подключен.

      • Подсоедините разъем на место.


    NG
    OK
  14. ПРОВЕРЬТЕ ВСПОМОГАТЕЛЬНУЮ ШИНУ 1 НА КОРОТКОЕ ЗАМЫКАНИЕ (ПРАВЫЙ2 РАЗЪЕМ РАСПРЕДЕЛИТЕЛЬНОГО БЛОКА ШИНЫ CAN)


    1. Подсоедините разъем H143 жгута проводов.

    2. Отсоедините разъем H144 жгута проводов.

    3. A01VZP0E05
      Обозначения на рисунке
      *a

      Устройство с подсоединенным жгутом проводов

      (Разъем распределительного блока шины CAN левый2)

      Измерьте сопротивление в соответствии со значениями, приведенными в таблице ниже.

      Номинальное сопротивление
      Подключение диагностического прибора Условие Заданные условия
      H136-1 (CANH) - H136-2 (CANL) Провод отсоединен от отрицательного (-) вывода аккумуляторной батареи 108 - 132 Ом

      Note


      • Перед отсоединением разъема сделайте пометку, где он подключен.

      • Подсоедините разъем на место.


    NG
    OK
  15. ПРОВЕРЬТЕ ЛИНИИ ВСПОМОГАТЕЛЬНОЙ ШИНЫ 1 НА КОРОТКОЕ ЗАМЫКАНИЕ (КОНТАКТ РАСПРЕДЕЛИТЕЛЬНОГО БЛОКА ШИНЫ CAN № 1)


    1. Подсоедините разъем H144 жгута проводов.

    2. Отсоедините контакт H145 распределительного блока шины CAN № 1.

    3. A01VZP0E05
      Обозначения на рисунке
      *a

      Устройство с подсоединенным жгутом проводов

      (Разъем распределительного блока шины CAN левый2)

      Измерьте сопротивление в соответствии со значениями, приведенными в таблице ниже.

      Номинальное сопротивление
      Подключение диагностического прибора Условие Заданные условия
      H136-1 (CANH) - H136-2 (CANL) Провод отсоединен от отрицательного (-) вывода аккумуляторной батареи 108 - 132 Ом

    OK
    NG
  16. ПРОВЕРЬТЕ ЛИНИИ ВСПОМОГАТЕЛЬНОЙ ШИНЫ 1 CAN НА КОРОТКОЕ ЗАМЫКАНИЕ (ЭБУ, ДАТЧИК)


    1. Подсоедините разъем замкнутой накоротко вспомогательной шины к распределительному блоку шины CAN (разъем, при отсоединении которого сопротивление шины стало нормальным (54 – 69 Ом)).

    2. Отсоедините разъем, содержащий контакты CANH и CANL, от ЭБУ, к которому подсоединена замкнутая накоротко вспомогательная шина (см. стр. Click here).

    3. A01VZP0E05
      Обозначения на рисунке
      *a

      Устройство с подсоединенным жгутом проводов

      (Разъем распределительного блока шины CAN левый2)

      Измерьте сопротивление в соответствии со значениями, приведенными в таблице ниже.

      Номинальное сопротивление
      Подключение диагностического прибора Условие Заданные условия
      H136-1 (CANH) - H136-2 (CANL) Провод отсоединен от отрицательного (-) вывода аккумуляторной батареи 54 - 69 Ом

      Tech Tips

      Если при отсоединении разъема от ЭБУ сопротивление стало нормальным (54-69 Ом), возможно короткое замыкание в ЭБУ.


    OK
    NG
  17. ПРОВЕРЬТЕ ЛИНИИ ВСПОМОГАТЕЛЬНОЙ ШИНЫ 1 НА КОРОТКОЕ ЗАМЫКАНИЕ (ГЛАВНЫЙ ЭБУ КУЗОВА (БОРТОВОЙ ЭБУ СЕТИ МУЛЬТИПЛЕКСНОЙ СВЯЗИ))


    1. Подсоедините разъем H136 жгута проводов.

    2. A01VZOAE01
      Обозначения на рисунке
      *a

      Вид спереди разъема со стороны жгута проводов:

      (к главному ЭБУ кузова (бортовому ЭБУ сети мультиплексной связи))

      Отсоедините разъем H9 главного ЭБУ кузова (бортового ЭБУ сети мультиплексной связи).

    3. Измерьте сопротивление в соответствии со значениями, приведенными в таблице ниже.

      Номинальное сопротивление
      Подключение диагностического прибора Условие Заданные условия
      H9-9 (CANP) - H9-10 (CANN) Провод отсоединен от отрицательного (-) вывода аккумуляторной батареи 108 - 132 Ом

    OK
    NG
  18. ПРОВЕРЬТЕ ВСПОМОГАТЕЛЬНУЮ ШИНУ 1 НА КОРОТКОЕ ЗАМЫКАНИЕ (ЛЕВЫЙ2 РАЗЪЕМ РАСПРЕДЕЛИТЕЛЬНОГО БЛОКА ШИНЫ CAN - ГЛАВНЫЙ ЭБУ КУЗОВА (БОРТОВОЙ ЭБУ СЕТИ МУЛЬТИПЛЕКСНОЙ СВЯЗИ))


    1. Отсоедините разъем H136 жгута проводов.

    2. A01W1W7E04
      Обозначения на рисунке
      *1 DLC3
      *a

      Вид сзади разъема со стороны жгута проводов

      (к разъему распределительного блока шины CAN левый2)

      *b К главному ЭБУ кузова (бортовому ЭБУ сети мультиплексной связи)

      Измерьте сопротивление в соответствии со значениями, приведенными в таблице ниже.

      Номинальное сопротивление
      Контакты для подключения диагностического прибора Условие Заданные условия Результат
      H136-1 (CANH) - H29-4 (CG) Провод отсоединен от отрицательного (-) вывода аккумуляторной батареи 200 Ом или более

      Менее 200 Ом:

      Короткое замыкание CANH на массу

      H136-2 (CANL) - H29-4 (CG) Провод отсоединен от отрицательного (-) вывода аккумуляторной батареи 200 Ом или более

      Менее 200 Ом:

      Короткое замыкание CANL на массу

      H136-1 (CANH) - H29-16 (BAT) Провод отсоединен от отрицательного (-) вывода аккумуляторной батареи 6 кОм или более

      Менее 6 кОм:

      Короткое замыкание CANH на +B

      H136-2 (CANL) - H29-16 (BAT) Провод отсоединен от отрицательного (-) вывода аккумуляторной батареи 6 кОм или более

      Менее 6 кОм:

      Короткое замыкание CANL на +B

      Note


      • Перед отсоединением разъема сделайте пометку, где он подключен.

      • Подсоедините разъем на место.

      Tech Tips


      • Для достижения результата (короткое замыкание), полученного при проверке вспомогательной шины 1, необходимо лишь выполнить проверку, указанную в приведенной выше таблице.

      • Найдите в столбце "Результат" необходимую проверку, которая соответствует результату в столбце "Заданные условия" для проверки вспомогательной шины 1.


    NG
    OK
  19. ПРОВЕРЬТЕ ВСПОМОГАТЕЛЬНУЮ ШИНУ 1 НА КОРОТКОЕ ЗАМЫКАНИЕ (ВСПОМОГАТЕЛЬНАЯ ШИНА)


    1. Подсоедините разъем H136 жгута проводов.

    2. A01W4ERE03
      Обозначения на рисунке
      *1 DLC3
      *a

      Устройство с подсоединенным жгутом проводов

      (Разъем распределительного блока шины CAN левый2)

      Подсоедините щупы электрического тестера к контактам 1 (CANH) и 2 (CANL) разъема жгута проводов (H136) и к контакту CG или BAT разъема DLC3.

      Tech Tips

      Для достижения результата (короткое замыкание), полученного при проверке вспомогательной шины 1, необходимо лишь выполнить проверку.

    3. Измеряя сопротивление с помощью электрического тестера, отсоединяйте разъемы вспомогательной шины (H135, H137, H138, H139, H140, H141 и H185) от левого разъема распределительного блока 2 шины CAN или правого разъема распределительного блока 2 шины CAN, пока сопротивление не окажется в пределах нормы (не менее 6 кОм для короткого замыкания на +B или не менее 200 Ом для короткого замыкания на массу).

      A01VZD5E06
      Обозначения на рисунке
      *A для моделей с радиоприемником с дисплеем (с мониторной системой помощи при парковке без системы помощи при парковке в ряд) *B Для моделей с системой двери багажного отделения с электроприводом
      *C для моделей с наклонной телескопической рулевой колонкой с электроприводом *D для моделей с системой запоминания положения сиденья
      *E для моделей с функцией изменения положения зеркал при включении передачи заднего хода - -
      *1 Задняя телекамера в сборе *2 Электродвигатель доводчика двери багажного отделения в сборе
      *3 Главный ЭБУ кузова (бортовой ЭБУ сети мультиплексной связи) *4 Мультиплексный ЭБУ регулировки наклона и телескопического изменения высоты
      *5 ЭБУ электропривода наружного зеркала в сборе (со стороны водителя) *6 Переключатель электропривода левого переднего сиденья
      *7 Разъем распределительного блока шины CAN левый2 *8 ЭБУ электропривода наружного зеркала в сборе (со стороны переднего пассажира)
      *9 Переключатель электропривода правого переднего сиденья *10 Контакт распределительного блока шины CAN № 1
      *11 Разъем распределительного блока шины CAN правый2 - -
      A01VZCWE10
      Обозначения на рисунке
      *a

      Устройство с неподсоединенным жгутом проводов

      (Разъем распределительного блока шины CAN левый2)

      - -
      Цвет провода
      Со стороны левого разъема распределительного блока 2 шины CAN Код Цвет (со стороны CANH) Цвет (со стороны CANL)
      Задняя телекамера в сборе*1 H185 P GR
      Электродвигатель доводчика двери багажного отделения*2 H135 V GR
      Главный ЭБУ кузова (бортовой ЭБУ сети мультиплексной связи) H136 Y GR
      Мультиплексный ЭБУ регулировки наклона и телескопического изменения высоты*3 H137 L GR
      ЭБУ электропривода наружного зеркала в сборе (со стороны водителя)*5 H138 G GR
      Переключатель электропривода левого переднего сиденья*4 H140 R GR
      Главная шина CAN (шина, соединяющая левый2 разъем распределительного блока шины CAN и правый2 вывод распределительного блока шины CAN) H142 B GR

      • *1: для моделей с радиоприемником с дисплеем (с мониторной системой помощи при парковке без системы помощи при парковке в ряд)

      • *2: для моделей с системой двери багажного отделения с электроприводом

      • *3: для моделей с наклонной телескопической рулевой колонкой с электроприводом

      • *4: для моделей с системой запоминания положения сиденья

      • *5: для моделей с функцией изменения положения зеркал при включении передачи заднего хода

      A01W5KCE01
      Обозначения на рисунке
      *a

      Устройство с неподсоединенным жгутом проводов

      (Разъем распределительного блока шины CAN правый2)

      - -
      Цвет провода
      Со стороны правого разъема распределительного блока 2 шины CAN Код Цвет (со стороны CANH) Цвет (со стороны CANL)
      Главная шина CAN (шина, соединяющая правый2 разъем распределительного блока шины CAN и левый2 разъем распределительного блока шины CAN) H143 B GR
      ЭБУ электропривода наружного зеркала в сборе (со стороны переднего пассажира)*2 H139 R GR
      Переключатель электропривода правого переднего сиденья*1 H141 G GR
      Главная шина CAN (шина, соединяющая правый2 разъем распределительного блока шины CAN и вывод распределительного блока шины CAN № 1) H144 L GR

      • *1: для моделей с системой запоминания положения сиденья

      • *2: для моделей с функцией изменения положения зеркал при включении передачи заднего хода

      Результат
      Результат Перейти к

      Сопротивление между контактами CANP и BAT или между контактами CANN и BAT продолжает оставаться ниже 6 кОм в случае, когда все указанные разъемы отсоединены от распределительного блока шины CAN.

      (Короткие замыкания на +B во вспомогательных шинах отсутствуют.)

      А

      Сопротивление между контактами CANP и GND или между контактами CANN и GND продолжает оставаться ниже 200 Ом в случае, когда все указанные разъемы отсоединены от распределительного блока шины CAN.

      (Короткие замыкания на GND во вспомогательных шинах отсутствуют.)

      Сопротивление между контактами CANP и BAT или между контактами CANN и BAT приходит в норму (не менее 6 кОм) в случае, когда разъем отключается от распределительного блока шины CAN.

      (Есть короткое замыкание на +B в одном из устройств, связанных с одной или несколькими тсоединенными вспомогательными шинами.)

      B

      Сопротивление между контактами CANP и GND или между контактами CANN и GND приходит в норму (не менее 200 Ом) в случае, когда разъем отключается от распределительного блока шины CAN.

      Есть короткое замыкание на GND в одном из устройств, связанных с одной или несколькими отсоединенными вспомогательными шинами.


    B
    А
  20. ПРОВЕРЬТЕ ВСПОМОГАТЕЛЬНУЮ ШИНУ 1 НА КОРОТКОЕ ЗАМЫКАНИЕ (ЛЕВЫЙ2 РАЗЪЕМ РАСПРЕДЕЛИТЕЛЬНОГО БЛОКА ШИНЫ CAN)


    1. Отсоедините разъем H142 жгута проводов.

    2. A01W5PWE01
      Обозначения на рисунке
      *1 DLC3
      *a

      Устройство с подсоединенным жгутом проводов

      (Разъем распределительного блока шины CAN левый2)

      Измерьте сопротивление в соответствии со значениями, приведенными в таблице ниже.

      Номинальное сопротивление
      Подключение диагностического прибора Условие Заданные условия Результат
      H136-1 (CANH) - H29-4 (CG) Провод отсоединен от отрицательного (-) вывода аккумуляторной батареи 200 Ом или более

      Менее 200 Ом:

      Короткое замыкание CANH на массу

      H136-2 (CANL) - H29-4 (CG) Провод отсоединен от отрицательного (-) вывода аккумуляторной батареи 200 Ом или более

      Менее 200 Ом:

      Короткое замыкание CANL на массу

      H136-1 (CANH) - H29-16 (BAT) Провод отсоединен от отрицательного (-) вывода аккумуляторной батареи 6 кОм или более

      Менее 6 кОм:

      Короткое замыкание CANH на +B

      H136-2 (CANL) - H29-16 (BAT) Провод отсоединен от отрицательного (-) вывода аккумуляторной батареи 6 кОм или более

      Менее 6 кОм:

      Короткое замыкание CANL на +B

      Note


      • Перед отсоединением разъема сделайте пометку, где он подключен.

      • Подсоедините разъем на место.

      Tech Tips


      • Для достижения результата (короткое замыкание), полученного при проверке вспомогательной шины 1, необходимо лишь выполнить проверку, указанную в приведенной выше таблице.

      • Найдите в столбце "Результат" необходимую проверку, которая соответствует результату в столбце "Заданные условия" для проверки вспомогательной шины 1.


    NG
    OK
  21. ПРОВЕРЬТЕ ВСПОМОГАТЕЛЬНУЮ ШИНУ 1 НА КОРОТКОЕ ЗАМЫКАНИЕ (ЛЕВЫЙ2 РАЗЪЕМ РАСПРЕДЕЛИТЕЛЬНОГО БЛОКА ШИНЫ CAN - ПРАВЫЙ2 РАЗЪЕМ РАСПРЕДЕЛИТЕЛЬНОГО БЛОКА ШИНЫ CAN)


    1. Подсоедините разъем H142 жгута проводов.

    2. Отсоедините разъем H143 жгута проводов.

    3. A01W4ERE03
      Обозначения на рисунке
      *1 DLC3
      *a

      Устройство с подсоединенным жгутом проводов

      (Разъем распределительного блока шины CAN левый2)

      Измерьте сопротивление в соответствии со значениями, приведенными в таблице ниже.

      Номинальное сопротивление
      Подключение диагностического прибора Условие Заданные условия Результат
      H136-1 (CANH) - H29-4 (CG) Провод отсоединен от отрицательного (-) вывода аккумуляторной батареи 200 Ом или более

      Менее 200 Ом:

      Короткое замыкание CANH на массу

      H136-2 (CANL) - H29-4 (CG) Провод отсоединен от отрицательного (-) вывода аккумуляторной батареи 200 Ом или более

      Менее 200 Ом:

      Короткое замыкание CANL на массу

      H136-1 (CANH) - H29-16 (BAT) Провод отсоединен от отрицательного (-) вывода аккумуляторной батареи 6 кОм или более

      Менее 6 кОм:

      Короткое замыкание CANH на +B

      H136-2 (CANL) - H29-16 (BAT) Провод отсоединен от отрицательного (-) вывода аккумуляторной батареи 6 кОм или более

      Менее 6 кОм:

      Короткое замыкание CANL на +B

      Note


      • Перед отсоединением разъема сделайте пометку, где он подключен.

      • Подсоедините разъем на место.

      Tech Tips


      • Для достижения результата (короткое замыкание), полученного при проверке вспомогательной шины 1, необходимо лишь выполнить проверку, указанную в приведенной выше таблице.

      • Найдите в столбце "Результат" необходимую проверку, которая соответствует результату в столбце "Заданные условия" для проверки вспомогательной шины 1.


    NG
    OK
  22. ПРОВЕРЬТЕ ВСПОМОГАТЕЛЬНУЮ ШИНУ 1 НА КОРОТКОЕ ЗАМЫКАНИЕ (ПРАВЫЙ2 РАЗЪЕМ РАСПРЕДЕЛИТЕЛЬНОГО БЛОКА ШИНЫ CAN)


    1. Подсоедините разъем H143 жгута проводов.

    2. Отсоедините разъем H144 жгута проводов.

    3. A01W4ERE03
      Обозначения на рисунке
      *1 DLC3
      *a

      Устройство с подсоединенным жгутом проводов

      (Разъем распределительного блока шины CAN левый2)

      Измерьте сопротивление в соответствии со значениями, приведенными в таблице ниже.

      Номинальное сопротивление
      Подключение диагностического прибора Условие Заданные условия Результат
      H136-1 (CANH) - H29-4 (CG) Провод отсоединен от отрицательного (-) вывода аккумуляторной батареи 200 Ом или более

      Менее 200 Ом:

      Короткое замыкание CANH на массу

      H136-2 (CANL) - H29-4 (CG) Провод отсоединен от отрицательного (-) вывода аккумуляторной батареи 200 Ом или более

      Менее 200 Ом:

      Короткое замыкание CANL на массу

      H136-1 (CANH) - H29-16 (BAT) Провод отсоединен от отрицательного (-) вывода аккумуляторной батареи 6 кОм или более

      Менее 6 кОм:

      Короткое замыкание CANH на +B

      H136-2 (CANL) - H29-16 (BAT) Провод отсоединен от отрицательного (-) вывода аккумуляторной батареи 6 кОм или более

      Менее 6 кОм:

      Короткое замыкание CANL на +B

      Note


      • Перед отсоединением разъема сделайте пометку, где он подключен.

      • Подсоедините разъем на место.

      Tech Tips


      • Для достижения результата (короткое замыкание), полученного при проверке вспомогательной шины 1, необходимо лишь выполнить проверку, указанную в приведенной выше таблице.

      • Найдите в столбце "Результат" необходимую проверку, которая соответствует результату в столбце "Заданные условия" для проверки вспомогательной шины 1.


    NG
    OK
  23. ПРОВЕРЬТЕ ЛИНИИ ВСПОМОГАТЕЛЬНОЙ ШИНЫ 1 НА КОРОТКОЕ ЗАМЫКАНИЕ (КОНТАКТ РАСПРЕДЕЛИТЕЛЬНОГО БЛОКА ШИНЫ CAN № 1)


    1. Подсоедините разъем H144 жгута проводов.

    2. Отсоедините контакт H145 распределительного блока шины CAN № 1.

    3. A01W4ERE03
      Обозначения на рисунке
      *1 DLC3
      *a

      Устройство с подсоединенным жгутом проводов

      (Разъем распределительного блока шины CAN левый2)

      Измерьте сопротивление в соответствии со значениями, приведенными в таблице ниже.

      Номинальное сопротивление
      Подключение диагностического прибора Условие Заданные условия Результат
      H136-1 (CANH) - H29-4 (CG) Провод отсоединен от отрицательного (-) вывода аккумуляторной батареи 200 Ом или более

      Менее 200 Ом:

      Короткое замыкание CANH на массу

      H136-2 (CANL) - H29-4 (CG) Провод отсоединен от отрицательного (-) вывода аккумуляторной батареи 200 Ом или более

      Менее 200 Ом:

      Короткое замыкание CANL на массу

      H136-1 (CANH) - H29-16 (BAT) Провод отсоединен от отрицательного (-) вывода аккумуляторной батареи 6 кОм или более

      Менее 6 кОм:

      Короткое замыкание CANH на +B

      H136-2 (CANL) - H29-16 (BAT) Провод отсоединен от отрицательного (-) вывода аккумуляторной батареи 6 кОм или более

      Менее 6 кОм:

      Короткое замыкание CANL на +B

      Tech Tips


      • Для достижения результата (короткое замыкание), полученного при проверке вспомогательной шины 1, необходимо лишь выполнить проверку, указанную в приведенной выше таблице.

      • Найдите в столбце "Результат" необходимую проверку, которая соответствует результату в столбце "Заданные условия" для проверки вспомогательной шины 1.


    OK
    NG
  24. ПРОВЕРЬТЕ ВСПОМОГАТЕЛЬНУЮ ШИНУ 1 НА КОРОТКОЕ ЗАМЫКАНИЕ (ЭБУ, ДАТЧИК)


    1. Подсоедините разъем шины, замкнутой на +B или GND, к распределительному блоку шины CAN (разъем, при отсоединении которого сопротивление шины составляет не менее 6 кОм для замыкания на +B или не менее 200 Ом для замыкания на GND).

    2. Отсоедините разъем, содержащий контакты CANH и CANL, от ЭБУ, к которому подсоединена шина, замкнутая на +B или GND (см. стр. Click here).

    3. A01W4ERE03
      Обозначения на рисунке
      *1 DLC3
      *a

      Устройство с подсоединенным жгутом проводов

      (Разъем распределительного блока шины CAN левый2)

      Измерьте сопротивление в соответствии со значениями, приведенными в таблице ниже.

      Номинальное сопротивление
      Подключение диагностического прибора Условие Заданные условия Результат
      H136-1 (CANH) - H29-4 (CG) Провод отсоединен от отрицательного (-) вывода аккумуляторной батареи 200 Ом или более

      Менее 200 Ом:

      Короткое замыкание CANH на массу

      H136-2 (CANL) - H29-4 (CG) Провод отсоединен от отрицательного (-) вывода аккумуляторной батареи 200 Ом или более

      Менее 200 Ом:

      Короткое замыкание CANL на массу

      H136-1 (CANH) - H29-16 (BAT) Провод отсоединен от отрицательного (-) вывода аккумуляторной батареи 6 кОм или более

      Менее 6 кОм:

      Короткое замыкание CANH на +B

      H136-2 (CANL) - H29-16 (BAT) Провод отсоединен от отрицательного (-) вывода аккумуляторной батареи 6 кОм или более

      Менее 6 кОм:

      Короткое замыкание CANL на +B

      Tech Tips


      • Для достижения результата (короткое замыкание), полученного при проверке вспомогательной шины 1, необходимо лишь выполнить проверку, указанную в приведенной выше таблице.

      • Если при отсоединении разъема от ЭБУ сопротивление стало нормальным, возможно короткое замыкание в ЭБУ.


    OK
    NG
  25. ПРОВЕРЬТЕ ЛИНИЮ ВСПОМОГАТЕЛЬНОЙ ШИНЫ 1 НА КОРОТКОЕ ЗАМЫКАНИЕ (ГЛАВНЫЙ ЭБУ КУЗОВА (БОРТОВОЙ ЭБУ СЕТИ МУЛЬТИПЛЕКСНОЙ СВЯЗИ))


    1. Отсоедините разъем H9 главного ЭБУ кузова (бортового ЭБУ сети мультиплексной связи).

    2. A01W4ERE03
      Обозначения на рисунке
      *1 DLC3
      *a

      Устройство с подсоединенным жгутом проводов

      (к разъему распределительного блока шины CAN левый2)

      Измерьте сопротивление в соответствии со значениями, приведенными в таблице ниже.

      Номинальное сопротивление
      Подключение диагностического прибора Условие Заданные условия Результат
      H136-1 (CANH) - H29-4 (CG) Провод отсоединен от отрицательного (-) вывода аккумуляторной батареи 200 Ом или более

      Менее 200 Ом:

      Короткое замыкание CANH на массу

      H136-2 (CANL) - H29-4 (CG) Провод отсоединен от отрицательного (-) вывода аккумуляторной батареи 200 Ом или более

      Менее 200 Ом:

      Короткое замыкание CANL на массу

      H136-1 (CANH) - H29-16 (BAT) Провод отсоединен от отрицательного (-) вывода аккумуляторной батареи 6 кОм или более

      Менее 6 кОм:

      Короткое замыкание CANH на +B

      H136-2 (CANL) - H29-16 (BAT) Провод отсоединен от отрицательного (-) вывода аккумуляторной батареи 6 кОм или более

      Менее 6 кОм:

      Короткое замыкание CANL на +B

      Tech Tips


      • Для достижения результата (короткое замыкание), полученного при проверке вспомогательной шины 1, необходимо лишь выполнить проверку, указанную в приведенной выше таблице.

      • Найдите в столбце "Результат" необходимую проверку, которая соответствует результату в столбце "Заданные условия" для проверки вспомогательной шины 1.


    OK
    NG
  26. ПРОВЕРЬТЕ ВСПОМОГАТЕЛЬНУЮ ШИНУ 1


    1. A01W2QQE01
      Обозначения на рисунке
      *1 DLC3
      *a

      Устройство с подсоединенным жгутом проводов

      (Разъем распределительного блока шины CAN левый2)

      Отсоедините провод от отрицательного (-) вывода аккумуляторной батареи.

    2. Измерьте сопротивление в соответствии со значениями, приведенными в таблице ниже.

      Номинальное сопротивление
      Подключение диагностического прибора Условие Заданные условия Результат
      H136-1 (CANH) - H136-2 (CANL) Провод отсоединен от отрицательного (-) вывода аккумуляторной батареи 54 - 69 Ом

      Менее 54 Ом:

      Короткое замыкание между шинами

      70 Ом или более:

      Обрыв в линиях главной шины

      H136-1 (CANH) - H29-4 (CG) Провод отсоединен от отрицательного (-) вывода аккумуляторной батареи 200 Ом или более

      Менее 200 Ом:

      Короткое замыкание CANH на массу

      H136-2 (CANL) - H29-4 (CG) Провод отсоединен от отрицательного (-) вывода аккумуляторной батареи 200 Ом или более

      Менее 200 Ом:

      Короткое замыкание CANL на массу

      H136-1 (CANH) - H29-16 (BAT) Провод отсоединен от отрицательного (-) вывода аккумуляторной батареи 6 кОм или более

      Менее 6 кОм:

      Короткое замыкание CANH на +B

      H136-2 (CANL) - H29-16 (BAT) Провод отсоединен от отрицательного (-) вывода аккумуляторной батареи 6 кОм или более

      Менее 6 кОм:

      Короткое замыкание CANL на +B

      Результат
      Результат Перейти к
      OK А
      NG (обрыв в линиях главной шины CAN) B
      NG (Короткое замыкание между шинами) C

      • NG (Короткое замыкание на массу)

      • NG (Короткое замыкание на +B)

      D

    B
    C
    D
    A
  27. СНОВА ПРОВЕРЬТЕ ВЫВОДИМЫЕ DTC


    1. Вновь подсоедините провод к отрицательному (-) выводу аккумуляторной батареи.

    2. Подключите GTS к DLC3.

    3. Включите зажигание (IG).

    4. Включите GTS.

    5. Удалите коды DTC.

    6. Выключите зажигание.

    7. Включите зажигание (IG) и проверьте наличие кодов DTC.

      Результат
      Результат Перейти к

      Главный ЭБУ кузова (бортовой ЭБУ сети мультиплексной связи) выводит код DTC U1002

      (дисплей GTS: Main Body)

      А

      Главный ЭБУ кузова (бортовой ЭБУ сети мультиплексной связи) не выводит код DTC U1002

      (дисплей GTS: Main Body)

      B

    А
    B
  28. ПРОВЕРЬТЕ ВСПОМОГАТЕЛЬНУЮ ШИНУ 1 НА ОБРЫВ (ЛЕВЫЙ2 РАЗЪЕМ РАСПРЕДЕЛИТЕЛЬНОГО БЛОКА ШИНЫ CAN - ГЛАВНЫЙ ЭБУ КУЗОВА (БОРТОВОЙ ЭБУ СЕТИ МУЛЬТИПЛЕКСНОЙ СВЯЗИ))


    1. Отсоедините разъем H136 жгута проводов.

    2. A01W5DAE02
      Обозначения на рисунке
      *a

      Вид сзади разъема со стороны жгута проводов

      (к разъему распределительного блока шины CAN левый2)

      *b К главному ЭБУ кузова (бортовому ЭБУ сети мультиплексной связи)

      Измерьте сопротивление в соответствии со значениями, приведенными в таблице ниже.

      Номинальное сопротивление
      Подключение диагностического прибора Условие Заданные условия
      H136-1 (CANH) - H136-2 (CANL) Провод отсоединен от отрицательного (-) вывода аккумуляторной батареи 108 - 132 Ом

      Note


      • Перед отсоединением разъема сделайте пометку, где он подключен.

      • Подсоедините разъем на место.


    NG
    OK
  29. ПРОВЕРЬТЕ ВСПОМОГАТЕЛЬНУЮ ШИНУ 1 НА ОБРЫВ (ЛЕВЫЙ2 РАЗЪЕМ РАСПРЕДЕЛИТЕЛЬНОГО БЛОКА ШИНЫ CAN)


    1. Подсоедините разъем H136 жгута проводов.

    2. A01W1JTE02
      Обозначения на рисунке
      *a

      Вид сзади разъема со стороны жгута проводов

      (к разъему распределительного блока шины CAN левый2)

      *b к правому2 разъему распределительного блока шины CAN

      Отсоедините разъем H142 жгута проводов.

    3. Измерьте сопротивление в соответствии со значениями, приведенными в таблице ниже.

      Номинальное сопротивление
      Подключение диагностического прибора Условие Заданные условия
      H142-1 (CANH) - H142-2 (CANL) Провод отсоединен от отрицательного (-) вывода аккумуляторной батареи 108 - 132 Ом

      Note


      • Перед отсоединением разъема сделайте пометку, где он подключен.

      • Подсоедините разъем на место.


    OK
    NG
  30. ПРОВЕРЬТЕ ВСПОМОГАТЕЛЬНУЮ ШИНУ 1 НА ОБРЫВ (ЛЕВЫЙ2 РАЗЪЕМ РАСПРЕДЕЛИТЕЛЬНОГО БЛОКА ШИНЫ CAN - ПРАВЫЙ2 РАЗЪЕМ РАСПРЕДЕЛИТЕЛЬНОГО БЛОКА ШИНЫ CAN)


    1. Подсоедините разъем H142 жгута проводов.

    2. A01W2VVE02
      Обозначения на рисунке
      *a

      Вид сзади разъема со стороны жгута проводов

      (к разъему распределительного блока шины CAN правый2)

      *b к левому2 разъему распределительного блока шины CAN

      Отсоедините разъем H143 жгута проводов.

    3. Измерьте сопротивление в соответствии со значениями, приведенными в таблице ниже.

      Номинальное сопротивление
      Подключение диагностического прибора Условие Заданные условия
      H143-1 (CANH) - H143-2 (CANL) Провод отсоединен от отрицательного (-) вывода аккумуляторной батареи 108 - 132 Ом

      Note


      • Перед отсоединением разъема сделайте пометку, где он подключен.

      • Подсоедините разъем на место.


    NG
    OK
  31. ПРОВЕРЬТЕ ГЛАВНЫЕ ЛИНИИ ВСПОМОГАТЕЛЬНОЙ ШИНЫ 1 НА ОБРЫВ (ПРАВЫЙ2 РАЗЪЕМ РАСПРЕДЕЛИТЕЛЬНОГО БЛОКА ШИНЫ CAN)


    1. Подсоедините разъем H143 жгута проводов.

    2. A01W1WHE02
      Обозначения на рисунке
      *a

      Вид сзади разъема со стороны жгута проводов

      (к разъему распределительного блока шины CAN правый2)

      *b к контакту распределительного блока шины CAN № 1

      Отсоедините разъем H144 жгута проводов.

    3. Измерьте сопротивление в соответствии со значениями, приведенными в таблице ниже.

      Номинальное сопротивление
      Подключение диагностического прибора Условие Заданные условия
      H144-1 (CANH) - H144-2 (CANL) Провод отсоединен от отрицательного (-) вывода аккумуляторной батареи 108 - 132 Ом

      Note


      • Перед отсоединением разъема сделайте пометку, где он подключен.

      • Подсоедините разъем на место.


    OK
    NG
  32. ПРОВЕРЬТЕ ГЛАВНЫЕ ЛИНИИ ВСПОМОГАТЕЛЬНОЙ ШИНЫ 1 НА ОБРЫВ (КОНТАКТ РАСПРЕДЕЛИТЕЛЬНОГО БЛОКА ШИНЫ CAN № 1)


    1. Подсоедините разъем H144 жгута проводов.

    2. A01W54AE04
      Обозначения на рисунке
      *a

      Вид сзади разъема со стороны жгута проводов

      (к контакту распределительного блока шины CAN № 1)

      *b к правому2 разъему распределительного блока шины CAN

      Отсоедините контакт H145 распределительного блока шины CAN № 1.

    3. Измерьте сопротивление в соответствии со значениями, приведенными в таблице ниже.

      Номинальное сопротивление
      Подключение диагностического прибора Условие Заданные условия
      H145-3 (CANH) - H145-2 (CANL) Провод отсоединен от отрицательного (-) вывода аккумуляторной батареи 108 - 132 Ом

    OK
    NG
  33. ПРОВЕРЬТЕ ГЛАВНЫЕ ЛИНИИ ВСПОМОГАТЕЛЬНОЙ ШИНЫ 1 НА ОБРЫВ (ГЛАВНЫЙ ЭБУ КУЗОВА (БОРТОВОЙ ЭБУ СЕТИ МУЛЬТИПЛЕКСНОЙ СВЯЗИ))


    1. Подсоедините разъем H136 жгута проводов.

    2. A01VZOAE01
      Обозначения на рисунке
      *a

      Вид спереди разъема со стороны жгута проводов:

      (к главному ЭБУ кузова (бортовому ЭБУ сети мультиплексной связи))

      Отсоедините разъем H9 главного ЭБУ кузова (бортового ЭБУ сети мультиплексной связи).

    3. Измерьте сопротивление в соответствии со значениями, приведенными в таблице ниже.

      Номинальное сопротивление
      Подключение диагностического прибора Условие Заданные условия
      H9-9 (CANP) - H9-10 (CANN) Провод отсоединен от отрицательного (-) вывода аккумуляторной батареи 108 - 132 Ом

    OK
    NG
  34. ПРОВЕРЬТЕ ВСПОМОГАТЕЛЬНУЮ ШИНУ 1 НА КОРОТКОЕ ЗАМЫКАНИЕ (ЛЕВЫЙ2 РАЗЪЕМ РАСПРЕДЕЛИТЕЛЬНОГО БЛОКА ШИНЫ CAN - ГЛАВНЫЙ ЭБУ КУЗОВА (БОРТОВОЙ ЭБУ СЕТИ МУЛЬТИПЛЕКСНОЙ СВЯЗИ))


    1. Отсоедините разъем H136 жгута проводов.

    2. A01W2WLE02
      Обозначения на рисунке
      *a

      Вид сзади разъема со стороны жгута проводов

      (к разъему распределительного блока шины CAN левый2)

      *b К главному ЭБУ кузова (бортовому ЭБУ сети мультиплексной связи)

      Измерьте сопротивление в соответствии со значениями, приведенными в таблице ниже.

      Номинальное сопротивление
      Подключение диагностического прибора Условие Заданные условия
      H136-1 (CANH) - H136-2 (CANL) Провод отсоединен от отрицательного (-) вывода аккумуляторной батареи 108 - 132 Ом

      Note


      • Перед отсоединением разъема сделайте пометку, где он подключен.

      • Подсоедините разъем на место.


    NG
    OK
  35. ПРОВЕРЬТЕ ГЛАВНЫЕ ЛИНИИ ВСПОМОГАТЕЛЬНОЙ ШИНЫ 1 НА КОРОТКОЕ ЗАМЫКАНИЕ (ВСПОМОГАТЕЛЬНАЯ ШИНА)


    1. Подсоедините разъем H136 жгута проводов.

    2. A01W0MYE01
      Обозначения на рисунке
      *a

      Устройство с подсоединенным жгутом проводов

      (Разъем распределительного блока шины CAN левый2)

      Подсоедините щупы электрического тестера к контактам 1 (CANH) и 2 (CANL) разъема жгута проводов главной шины главного ЭБУ кузова (бортового ЭБУ сети мультиплексной связи).

    3. Измеряя сопротивление с помощью электрического тестера, поочередно отсоединяйте разъемы H135, H137, H138, H139, H140, H141 и H185) от левого разъема распределительного блока 2 шины CAN или правого разъема распределительного блока 2 шины CAN, пока сопротивление не окажется в пределах нормы (54 - 69 Ом).

      A01W16TE03
      Обозначения на рисунке
      *A для моделей с системой запоминания положений сидений (со стороны переднего пассажира) *B для моделей с наклонной телескопической рулевой колонкой с электроприводом
      *C Для моделей с системой двери багажного отделения с электроприводом *D для моделей с радиоприемником с дисплеем (с мониторной системой помощи при парковке без системы помощи при парковке в ряд)
      *1 Контакт распределительного блока шины CAN № 1 *2 Переключатель электропривода правого переднего сиденья
      *3 ЭБУ электропривода наружного зеркала в сборе (со стороны водителя) *4 Мультиплексный ЭБУ регулировки наклона и телескопического изменения высоты
      *5 Электродвигатель доводчика двери багажного отделения в сборе *6 Разъем распределительного блока шины CAN правый2
      *7 Переключатель электропривода левого переднего сиденья *8 ЭБУ электропривода наружного зеркала в сборе (со стороны переднего пассажира)
      *9 Главный ЭБУ кузова (бортовой ЭБУ сети мультиплексной связи) *10 Задняя телекамера в сборе
      *11 Разъем распределительного блока шины CAN левый2 - -
      A01W21SE01
      Обозначения на рисунке
      *a

      Устройство с неподсоединенным жгутом проводов

      (Разъем распределительного блока шины CAN левый2)

      - -
      Цвет провода
      Со стороны левого разъема распределительного блока 2 шины CAN Код Цвет (со стороны CANH) Цвет (со стороны CANL)
      Задняя телекамера в сборе*1 H185 P GR
      Главный ЭБУ кузова (бортовой ЭБУ сети мультиплексной связи) H136 L GR
      ЭБУ электропривода наружного зеркала в сборе (со стороны переднего пассажира) H138 G GR
      Переключатель электропривода левого переднего сиденья*2 H140 R GR
      Главная шина CAN (шина, соединяющая правый2 разъем распределительного блока шины CAN и левый2 разъем распределительного блока шины CAN) H142 B GR

      • *1: для моделей с радиоприемником с дисплеем (с мониторной системой помощи при парковке без системы помощи при парковке в ряд)

      • *2: для моделей с системой запоминания положений сидений (со стороны переднего пассажира)

      A01W4Q6E02
      Обозначения на рисунке
      *a

      Устройство с неподсоединенным жгутом проводов

      (Разъем распределительного блока шины CAN правый2)

      - -
      Цвет провода
      Со стороны правого разъема распределительного блока 2 шины CAN Код Цвет (со стороны CANH) Цвет (со стороны CANL)
      Главная шина CAN (шина, соединяющая левый2 разъем распределительного блока шины CAN и правый2 разъем распределительного блока шины CAN) H143 B GR
      ЭБУ электропривода наружного зеркала в сборе (со стороны водителя) H139 R GR
      Переключатель электропривода правого переднего сиденья H141 G GR
      Мультиплексный ЭБУ регулировки наклона и телескопического изменения высоты*1 H137 L GR
      Электродвигатель доводчика двери багажного отделения*2 H135 Y GR
      Главная шина CAN (шина, соединяющая правый2 разъем распределительного блока шины CAN и вывод распределительного блока шины CAN № 1) H144 V GR

      • *1: для моделей с наклонной телескопической рулевой колонкой с электроприводом

      • *2: для моделей с системой двери багажного отделения с электроприводом

      Note

      Не подсоединяйте и не отсоединяйте разъемы до тех пор, пока данная проверка не будет завершена, так как это может привести к короткому замыканию 2 или более вспомогательных шин.

      Результат
      Признак Следующий шаг
      Когда все указанные разъемы отсоединены, сопротивление по-прежнему составляет менее 54 Ом. (Короткие замыкания в паре вспомогательных шин отсутствуют.) А
      Когда разъем отсоединен, сопротивление становится нормальным (54–69 Ом). (Короткое замыкание в одной или нескольких парах вспомогательных шин.) B
    4. При коротком замыкании в одной или нескольких вспомогательных шинах:


      1. Подсоедините все разъемы к разъемам распределительного блока шины CAN, за исключением того разъема, который был отсоединен последним (шина с коротким замыканием). Убедитесь, что сопротивление, отображенное на портативном диагностическом приборе, соответствует норме (между 54 и 69 Ом), чтобы подтвердить наличие короткого замыкания только в одной вспомогательной шине.

        Tech Tips


        • Разъемы, подключенные к разъему распределительного блока шины CAN, можно различать по цвету шин CAN.

        • Подсоединение разъемов к ненадлежащим местам распределительного блока шины CAN не влияет на работу системы. Однако желательно подсоединять разъемы к соответствующим местам, чтобы не повредить проводку, например, в результате натяжения жгутов, а также облегчить последующие обслуживание.


    B
    А
  36. ПРОВЕРЬТЕ ВСПОМОГАТЕЛЬНУЮ ШИНУ 1 НА КОРОТКОЕ ЗАМЫКАНИЕ (ЛЕВЫЙ2 РАЗЪЕМ РАСПРЕДЕЛИТЕЛЬНОГО БЛОКА ШИНЫ CAN)


    1. Отсоедините разъем H142 жгута проводов.

    2. A01VZKBE01
      Обозначения на рисунке
      *a

      Устройство с подсоединенным жгутом проводов

      (Разъем распределительного блока шины CAN левый2)

      Измерьте сопротивление в соответствии со значениями, приведенными в таблице ниже.

      Номинальное сопротивление
      Подключение диагностического прибора Условие Заданные условия
      H136-1 (CANH) - H136-2 (CANL) Провод отсоединен от отрицательного (-) вывода аккумуляторной батареи 108 - 132 Ом

      Note


      • Перед отсоединением разъема сделайте пометку, где он подключен.

      • Подсоедините разъем на место.


    NG
    OK
  37. ПРОВЕРЬТЕ ВСПОМОГАТЕЛЬНУЮ ШИНУ 1 НА КОРОТКОЕ ЗАМЫКАНИЕ (ЛЕВЫЙ2 РАЗЪЕМ РАСПРЕДЕЛИТЕЛЬНОГО БЛОКА ШИНЫ CAN - ПРАВЫЙ2 РАЗЪЕМ РАСПРЕДЕЛИТЕЛЬНОГО БЛОКА ШИНЫ CAN)


    1. Подсоедините разъем H142 жгута проводов.

    2. Отсоедините разъем H143 жгута проводов.

    3. A01W0MYE01
      Обозначения на рисунке
      *a

      Устройство с подсоединенным жгутом проводов

      (Разъем распределительного блока шины CAN левый2)

      Измерьте сопротивление в соответствии со значениями, приведенными в таблице ниже.

      Номинальное сопротивление
      Подключение диагностического прибора Условие Заданные условия
      H136-1 (CANH) - H136-2 (CANL) Провод отсоединен от отрицательного (-) вывода аккумуляторной батареи 108 - 132 Ом

      Note


      • Перед отсоединением разъема сделайте пометку, где он подключен.

      • Подсоедините разъем на место.


    NG
    OK
  38. ПРОВЕРЬТЕ ВСПОМОГАТЕЛЬНУЮ ШИНУ 1 НА КОРОТКОЕ ЗАМЫКАНИЕ (ПРАВЫЙ2 РАЗЪЕМ РАСПРЕДЕЛИТЕЛЬНОГО БЛОКА ШИНЫ CAN)


    1. Подсоедините разъем H143 жгута проводов.

    2. Отсоедините разъем H144 жгута проводов.

    3. A01W0MYE01
      Обозначения на рисунке
      *a

      Устройство с подсоединенным жгутом проводов

      (Разъем распределительного блока шины CAN левый2)

      Измерьте сопротивление в соответствии со значениями, приведенными в таблице ниже.

      Номинальное сопротивление
      Подключение диагностического прибора Условие Заданные условия
      H136-1 (CANH) - H136-2 (CANL) Провод отсоединен от отрицательного (-) вывода аккумуляторной батареи 108 - 132 Ом

      Note


      • Перед отсоединением разъема сделайте пометку, где он подключен.

      • Подсоедините разъем на место.


    NG
    OK
  39. ПРОВЕРЬТЕ ЛИНИИ ВСПОМОГАТЕЛЬНОЙ ШИНЫ 1 НА КОРОТКОЕ ЗАМЫКАНИЕ (КОНТАКТ РАСПРЕДЕЛИТЕЛЬНОГО БЛОКА ШИНЫ CAN № 1)


    1. Подсоедините разъем H144 жгута проводов.

    2. Отсоедините контакт H145 распределительного блока шины CAN № 1.

    3. A01W0MYE01
      Обозначения на рисунке
      *a

      Устройство с подсоединенным жгутом проводов

      (Разъем распределительного блока шины CAN левый2)

      Измерьте сопротивление в соответствии со значениями, приведенными в таблице ниже.

      Номинальное сопротивление
      Подключение диагностического прибора Условие Заданные условия
      H136-1 (CANH) - H136-2 (CANL) Провод отсоединен от отрицательного (-) вывода аккумуляторной батареи 108 - 132 Ом

    OK
    NG
  40. ПРОВЕРЬТЕ ЛИНИИ ВСПОМОГАТЕЛЬНОЙ ШИНЫ 1 CAN НА КОРОТКОЕ ЗАМЫКАНИЕ (ЭБУ, ДАТЧИК)


    1. Подсоедините разъем замкнутой накоротко вспомогательной шины к распределительному блоку шины CAN (разъем, при отсоединении которого сопротивление шины стало нормальным (54 – 69 Ом)).

    2. Отсоедините разъем, содержащий контакты CANH и CANL, от ЭБУ, к которому подсоединена замкнутая накоротко вспомогательная шина (см. стр. Click here).

    3. A01W0MYE01
      Обозначения на рисунке
      *a

      Устройство с подсоединенным жгутом проводов

      (Разъем распределительного блока шины CAN левый2)

      Измерьте сопротивление в соответствии со значениями, приведенными в таблице ниже.

      Номинальное сопротивление
      Подключение диагностического прибора Условие Заданные условия
      H136-1 (CANH) - H136-2 (CANL) Провод отсоединен от отрицательного (-) вывода аккумуляторной батареи 54 - 69 Ом

      Tech Tips

      Если при отсоединении разъема от ЭБУ сопротивление стало нормальным (54-69 Ом), возможно короткое замыкание в ЭБУ.


    OK
    NG
  41. ПРОВЕРЬТЕ ЛИНИИ ВСПОМОГАТЕЛЬНОЙ ШИНЫ 1 НА КОРОТКОЕ ЗАМЫКАНИЕ (ГЛАВНЫЙ ЭБУ КУЗОВА (БОРТОВОЙ ЭБУ СЕТИ МУЛЬТИПЛЕКСНОЙ СВЯЗИ))


    1. Подсоедините разъем H136 жгута проводов.

    2. A01VZOAE01
      Обозначения на рисунке
      *a

      Вид спереди разъема со стороны жгута проводов:

      (к главному ЭБУ кузова (бортовому ЭБУ сети мультиплексной связи))

      Отсоедините разъем H9 главного ЭБУ кузова (бортового ЭБУ сети мультиплексной связи).

    3. Измерьте сопротивление в соответствии со значениями, приведенными в таблице ниже.

      Номинальное сопротивление
      Подключение диагностического прибора Условие Заданные условия
      H9-9 (CANP) - H9-10 (CANN) Провод отсоединен от отрицательного (-) вывода аккумуляторной батареи 108 - 132 Ом

    OK
    NG
  42. ПРОВЕРЬТЕ ВСПОМОГАТЕЛЬНУЮ ШИНУ 1 НА КОРОТКОЕ ЗАМЫКАНИЕ (ЛЕВЫЙ2 РАЗЪЕМ РАСПРЕДЕЛИТЕЛЬНОГО БЛОКА ШИНЫ CAN - ГЛАВНЫЙ ЭБУ КУЗОВА (БОРТОВОЙ ЭБУ СЕТИ МУЛЬТИПЛЕКСНОЙ СВЯЗИ))


    1. Отсоедините разъем H136 жгута проводов.

    2. A01W0IKE01
      Обозначения на рисунке
      *1 DLC3
      *a

      Вид сзади разъема со стороны жгута проводов

      (к разъему распределительного блока шины CAN левый2)

      *b К главному ЭБУ кузова (бортовому ЭБУ сети мультиплексной связи)

      Измерьте сопротивление в соответствии со значениями, приведенными в таблице ниже.

      Номинальное сопротивление
      Подключение диагностического прибора Условие Заданные условия Результат
      H136-1 (CANH) - H29-4 (CG) Провод отсоединен от отрицательного (-) вывода аккумуляторной батареи 200 Ом или более

      Менее 200 Ом:

      Короткое замыкание CANH на массу

      H136-2 (CANL) - H29-4 (CG) Провод отсоединен от отрицательного (-) вывода аккумуляторной батареи 200 Ом или более

      Менее 200 Ом:

      Короткое замыкание CANL на массу

      H136-1 (CANH) - H29-16 (BAT) Провод отсоединен от отрицательного (-) вывода аккумуляторной батареи 6 кОм или более

      Менее 6 кОм:

      Короткое замыкание CANH на +B

      H136-2 (CANL) - H29-16 (BAT) Провод отсоединен от отрицательного (-) вывода аккумуляторной батареи 6 кОм или более

      Менее 6 кОм:

      Короткое замыкание CANL на +B

      Note


      • Перед отсоединением разъема сделайте пометку, где он подключен.

      • Подсоедините разъем на место.

      Tech Tips


      • Для достижения результата (короткое замыкание), полученного при проверке вспомогательной шины 1, необходимо лишь выполнить проверку, указанную в приведенной выше таблице.

      • Найдите в столбце "Результат" необходимую проверку, которая соответствует результату в столбце "Заданные условия" для проверки вспомогательной шины 1.


    NG
    OK
  43. ПРОВЕРЬТЕ ВСПОМОГАТЕЛЬНУЮ ШИНУ 1 НА КОРОТКОЕ ЗАМЫКАНИЕ (ВСПОМОГАТЕЛЬНАЯ ШИНА)


    1. Подсоедините разъем H136 жгута проводов.

    2. A01W2QQE01
      Обозначения на рисунке
      *1 DLC3
      *a

      Устройство с подсоединенным жгутом проводов

      (Разъем распределительного блока шины CAN левый2)

      Подсоедините щупы электрического тестера к контактам 1 (CANH) и 2 (CANL) разъема жгута проводов (H136) и к контакту CG или BAT разъема DLC3.

      Tech Tips

      Для достижения результата (короткое замыкание), полученного при проверке вспомогательной шины 1, необходимо лишь выполнить проверку.

    3. Измеряя сопротивление с помощью электрического тестера, отсоединяйте разъемы вспомогательной шины (H135, H137, H138, H139, H140, H141 и H185) от левого разъема распределительного блока 2 шины CAN или правого разъема распределительного блока 2 шины CAN, пока сопротивление не окажется в пределах нормы (не менее 6 кОм для короткого замыкания на +B или не менее 200 Ом для короткого замыкания на массу).

      A01W16TE03
      Обозначения на рисунке
      *A для моделей с системой запоминания положений сидений (со стороны переднего пассажира) *B для моделей с наклонной телескопической рулевой колонкой с электроприводом
      *C Для моделей с системой двери багажного отделения с электроприводом *D для моделей с радиоприемником с дисплеем (с мониторной системой помощи при парковке без системы помощи при парковке в ряд)
      *1 Контакт распределительного блока шины CAN № 1 *2 Переключатель электропривода правого переднего сиденья
      *3 ЭБУ электропривода наружного зеркала в сборе (со стороны водителя) *4 Мультиплексный ЭБУ регулировки наклона и телескопического изменения высоты
      *5 Электродвигатель доводчика двери багажного отделения в сборе *6 Разъем распределительного блока шины CAN правый2
      *7 Переключатель электропривода левого переднего сиденья *8 ЭБУ электропривода наружного зеркала в сборе (со стороны переднего пассажира)
      *9 Главный ЭБУ кузова (бортовой ЭБУ сети мультиплексной связи) *10 Задняя телекамера в сборе
      *11 Разъем распределительного блока шины CAN левый2 - -
      A01W21SE01
      Обозначения на рисунке
      *a

      Устройство с неподсоединенным жгутом проводов

      (Разъем распределительного блока шины CAN левый2)

      - -
      Цвет провода
      Со стороны левого разъема распределительного блока 2 шины CAN Код Цвет (со стороны CANH) Цвет (со стороны CANL)
      Задняя телекамера в сборе*1 H185 P GR
      Главный ЭБУ кузова (бортовой ЭБУ сети мультиплексной связи) H136 L GR
      ЭБУ электропривода наружного зеркала в сборе (со стороны переднего пассажира) H138 G GR
      Переключатель электропривода левого переднего сиденья*2 H140 R GR
      Главная шина CAN (шина, соединяющая правый2 разъем распределительного блока шины CAN и левый2 разъем распределительного блока шины CAN) H142 B GR

      • *1: для моделей с радиоприемником с дисплеем (с мониторной системой помощи при парковке без системы помощи при парковке в ряд)

      • *2: для моделей с системой запоминания положений сидений (со стороны переднего пассажира)

      A01W4Q6E02
      Обозначения на рисунке
      *a

      Устройство с неподсоединенным жгутом проводов

      (Разъем распределительного блока шины CAN правый2)

      - -
      Цвет провода
      Со стороны правого разъема распределительного блока 2 шины CAN Код Цвет (со стороны CANH) Цвет (со стороны CANL)
      Главная шина CAN (шина, соединяющая левый2 разъем распределительного блока шины CAN и правый2 разъем распределительного блока шины CAN) H143 B GR
      ЭБУ электропривода наружного зеркала в сборе (со стороны водителя) H139 R GR
      Переключатель электропривода правого переднего сиденья H141 G GR
      Мультиплексный ЭБУ регулировки наклона и телескопического изменения высоты*1 H137 L GR
      Электродвигатель доводчика двери багажного отделения*2 H135 Y GR
      Главная шина CAN (шина, соединяющая правый2 разъем распределительного блока шины CAN и вывод распределительного блока шины CAN № 1) H144 V GR

      • *1: для моделей с наклонной телескопической рулевой колонкой с электроприводом

      • *2: для моделей с системой двери багажного отделения с электроприводом

      Результат
      Результат Следующий шаг

      Сопротивление между контактами CANP и BAT или между контактами CANN и BAT продолжает оставаться ниже 6 кОм в случае, когда все указанные разъемы отсоединены от распределительного блока шины CAN.

      (Короткие замыкания на +B во вспомогательных шинах отсутствуют.)

      А

      Сопротивление между контактами CANP и GND или между контактами CANN и GND продолжает оставаться ниже 200 Ом в случае, когда все указанные разъемы отсоединены от распределительного блока шины CAN.

      (Короткие замыкания на GND во вспомогательных шинах отсутствуют.)

      Сопротивление между контактами CANP и BAT или между контактами CANN и BAT приходит в норму (не менее 6 кОм) в случае, когда разъем отключается от распределительного блока шины CAN.

      (Есть короткое замыкание на +B в одном из устройств, связанных с одной или несколькими тсоединенными вспомогательными шинами.)

      B

      Сопротивление между контактами CANP и GND или между контактами CANN и GND приходит в норму (не менее 200 Ом) в случае, когда разъем отключается от распределительного блока шины CAN.

      Есть короткое замыкание на GND в одном из устройств, связанных с одной или несколькими отсоединенными вспомогательными шинами.


    B
    А
  44. ПРОВЕРЬТЕ ВСПОМОГАТЕЛЬНУЮ ШИНУ 1 НА КОРОТКОЕ ЗАМЫКАНИЕ (ЛЕВЫЙ2 РАЗЪЕМ РАСПРЕДЕЛИТЕЛЬНОГО БЛОКА ШИНЫ CAN)


    1. Отсоедините разъем H142 жгута проводов.

    2. A01W1I7E01
      Обозначения на рисунке
      *1 DLC3
      *a

      Устройство с подсоединенным жгутом проводов

      (Разъем распределительного блока шины CAN левый2)

      Измерьте сопротивление в соответствии со значениями, приведенными в таблице ниже.

      Номинальное сопротивление
      Подключение диагностического прибора Условие Заданные условия Результат
      H136-1 (CANH) - H29-4 (CG) Провод отсоединен от отрицательного (-) вывода аккумуляторной батареи 200 Ом или более

      Менее 200 Ом:

      Короткое замыкание CANH на массу

      H136-2 (CANL) - H29-4 (CG) Провод отсоединен от отрицательного (-) вывода аккумуляторной батареи 200 Ом или более

      Менее 200 Ом:

      Короткое замыкание CANL на массу

      H136-1 (CANH) - H29-16 (BAT) Провод отсоединен от отрицательного (-) вывода аккумуляторной батареи 6 кОм или более

      Менее 6 кОм:

      Короткое замыкание CANH на +B

      H136-2 (CANL) - H29-16 (BAT) Провод отсоединен от отрицательного (-) вывода аккумуляторной батареи 6 кОм или более

      Менее 6 кОм:

      Короткое замыкание CANL на +B

      Note


      • Перед отсоединением разъема сделайте пометку, где он подключен.

      • Подсоедините разъем на место.

      Tech Tips


      • Для достижения результата (короткое замыкание), полученного при проверке вспомогательной шины 1, необходимо лишь выполнить проверку, указанную в приведенной выше таблице.

      • Найдите в столбце "Результат" необходимую проверку, которая соответствует результату в столбце "Заданные условия" для проверки вспомогательной шины 1.


    NG
    OK
  45. ПРОВЕРЬТЕ ВСПОМОГАТЕЛЬНУЮ ШИНУ 1 НА КОРОТКОЕ ЗАМЫКАНИЕ (ЛЕВЫЙ2 РАЗЪЕМ РАСПРЕДЕЛИТЕЛЬНОГО БЛОКА ШИНЫ CAN - ПРАВЫЙ2 РАЗЪЕМ РАСПРЕДЕЛИТЕЛЬНОГО БЛОКА ШИНЫ CAN)


    1. Подсоедините разъем H142 жгута проводов.

    2. Отсоедините разъем H143 жгута проводов.

    3. A01W2QQE01
      Обозначения на рисунке
      *1 DLC3
      *a

      Устройство с подсоединенным жгутом проводов

      (Разъем распределительного блока шины CAN левый2)

      Измерьте сопротивление в соответствии со значениями, приведенными в таблице ниже.

      Номинальное сопротивление
      Подключение диагностического прибора Условие Заданные условия Результат
      H136-1 (CANH) - H29-4 (CG) Провод отсоединен от отрицательного (-) вывода аккумуляторной батареи 200 Ом или более

      Менее 200 Ом:

      Короткое замыкание CANH на массу

      H136-2 (CANL) - H29-4 (CG) Провод отсоединен от отрицательного (-) вывода аккумуляторной батареи 200 Ом или более

      Менее 200 Ом:

      Короткое замыкание CANL на массу

      H136-1 (CANH) - H29-16 (BAT) Провод отсоединен от отрицательного (-) вывода аккумуляторной батареи 6 кОм или более

      Менее 6 кОм:

      Короткое замыкание CANH на +B

      H136-2 (CANL) - H29-16 (BAT) Провод отсоединен от отрицательного (-) вывода аккумуляторной батареи 6 кОм или более

      Менее 6 кОм:

      Короткое замыкание CANL на +B

      Note


      • Перед отсоединением разъема сделайте пометку, где он подключен.

      • Подсоедините разъем на место.

      Tech Tips


      • Для достижения результата (короткое замыкание), полученного при проверке вспомогательной шины 1, необходимо лишь выполнить проверку, указанную в приведенной выше таблице.

      • Найдите в столбце "Результат" необходимую проверку, которая соответствует результату в столбце "Заданные условия" для проверки вспомогательной шины 1.


    NG
    OK
  46. ПРОВЕРЬТЕ ВСПОМОГАТЕЛЬНУЮ ШИНУ 1 НА КОРОТКОЕ ЗАМЫКАНИЕ (ПРАВЫЙ2 РАЗЪЕМ РАСПРЕДЕЛИТЕЛЬНОГО БЛОКА ШИНЫ CAN)


    1. Подсоедините разъем H143 жгута проводов.

    2. Отсоедините разъем H144 жгута проводов.

    3. A01W2QQE01
      Обозначения на рисунке
      *1 DLC3
      *a

      Устройство с подсоединенным жгутом проводов

      (Разъем распределительного блока шины CAN левый2)

      Измерьте сопротивление в соответствии со значениями, приведенными в таблице ниже.

      Номинальное сопротивление
      Подключение диагностического прибора Условие Заданные условия Результат
      H136-1 (CANH) - H29-4 (CG) Провод отсоединен от отрицательного (-) вывода аккумуляторной батареи 200 Ом или более

      Менее 200 Ом:

      Короткое замыкание CANH на массу

      H136-2 (CANL) - H29-4 (CG) Провод отсоединен от отрицательного (-) вывода аккумуляторной батареи 200 Ом или более

      Менее 200 Ом:

      Короткое замыкание CANL на массу

      H136-1 (CANH) - H29-16 (BAT) Провод отсоединен от отрицательного (-) вывода аккумуляторной батареи 6 кОм или более

      Менее 6 кОм:

      Короткое замыкание CANH на +B

      H136-2 (CANL) - H29-16 (BAT) Провод отсоединен от отрицательного (-) вывода аккумуляторной батареи 6 кОм или более

      Менее 6 кОм:

      Короткое замыкание CANL на +B

      Note


      • Перед отсоединением разъема сделайте пометку, где он подключен.

      • Подсоедините разъем на место.

      Tech Tips


      • Для достижения результата (короткое замыкание), полученного при проверке вспомогательной шины 1, необходимо лишь выполнить проверку, указанную в приведенной выше таблице.

      • Найдите в столбце "Результат" необходимую проверку, которая соответствует результату в столбце "Заданные условия" для проверки вспомогательной шины 1.


    NG
    OK
  47. ПРОВЕРЬТЕ ЛИНИИ ВСПОМОГАТЕЛЬНОЙ ШИНЫ 1 НА КОРОТКОЕ ЗАМЫКАНИЕ (КОНТАКТ РАСПРЕДЕЛИТЕЛЬНОГО БЛОКА ШИНЫ CAN № 1)


    1. Подсоедините разъем H144 жгута проводов.

    2. Отсоедините контакт H145 распределительного блока шины CAN № 1.

    3. A01W2QQE01
      Обозначения на рисунке
      *1 DLC3
      *a

      Устройство с подсоединенным жгутом проводов

      (Разъем распределительного блока шины CAN левый2)

      Измерьте сопротивление в соответствии со значениями, приведенными в таблице ниже.

      Номинальное сопротивление
      Подключение диагностического прибора Условие Заданные условия Результат
      H136-1 (CANH) - H29-4 (CG) Провод отсоединен от отрицательного (-) вывода аккумуляторной батареи 200 Ом или более

      Менее 200 Ом:

      Короткое замыкание CANH на массу

      H136-2 (CANL) - H29-4 (CG) Провод отсоединен от отрицательного (-) вывода аккумуляторной батареи 200 Ом или более

      Менее 200 Ом:

      Короткое замыкание CANL на массу

      H136-1 (CANH) - H29-16 (BAT) Провод отсоединен от отрицательного (-) вывода аккумуляторной батареи 6 кОм или более

      Менее 6 кОм:

      Короткое замыкание CANH на +B

      H136-2 (CANL) - H29-16 (BAT) Провод отсоединен от отрицательного (-) вывода аккумуляторной батареи 6 кОм или более

      Менее 6 кОм:

      Короткое замыкание CANL на +B

      Tech Tips


      • Для достижения результата (короткое замыкание), полученного при проверке вспомогательной шины 1, необходимо лишь выполнить проверку, указанную в приведенной выше таблице.

      • Найдите в столбце "Результат" необходимую проверку, которая соответствует результату в столбце "Заданные условия" для проверки вспомогательной шины 1.


    OK
    NG
  48. ПРОВЕРЬТЕ ВСПОМОГАТЕЛЬНУЮ ШИНУ 1 НА КОРОТКОЕ ЗАМЫКАНИЕ (ЭБУ, ДАТЧИК)


    1. Подсоедините разъем шины, замкнутой на +B или GND, к распределительному блоку шины CAN (разъем, при отсоединении которого сопротивление шины составляет не менее 6 кОм для замыкания на +B или не менее 200 Ом для замыкания на GND).

    2. Отсоедините разъем, содержащий контакты CANH и CANL, от ЭБУ, к которому подсоединена шина, замкнутая на +B или GND (см. стр. Click here).

    3. A01W2QQE01
      Обозначения на рисунке
      *1 DLC3
      *a

      Устройство с подсоединенным жгутом проводов

      (Разъем распределительного блока шины CAN левый2)

      Измерьте сопротивление в соответствии со значениями, приведенными в таблице ниже.

      Номинальное сопротивление
      Подключение диагностического прибора Условие Заданные условия Результат
      H136-1 (CANH) - H29-4 (CG) Провод отсоединен от отрицательного (-) вывода аккумуляторной батареи 200 Ом или более

      Менее 200 Ом:

      Короткое замыкание CANH на массу

      H136-2 (CANL) - H29-4 (CG) Провод отсоединен от отрицательного (-) вывода аккумуляторной батареи 200 Ом или более

      Менее 200 Ом:

      Короткое замыкание CANL на массу

      H136-1 (CANH) - H29-16 (BAT) Провод отсоединен от отрицательного (-) вывода аккумуляторной батареи 6 кОм или более

      Менее 6 кОм:

      Короткое замыкание CANH на +B

      H136-2 (CANL) - H29-16 (BAT) Провод отсоединен от отрицательного (-) вывода аккумуляторной батареи 6 кОм или более

      Менее 6 кОм:

      Короткое замыкание CANL на +B

      Tech Tips


      • Для достижения результата (короткое замыкание), полученного при проверке вспомогательной шины 1, необходимо лишь выполнить проверку, указанную в приведенной выше таблице.

      • Если при отсоединении разъема от ЭБУ сопротивление стало нормальным, возможно короткое замыкание в ЭБУ.


    OK
    NG
  49. ПРОВЕРЬТЕ ЛИНИЮ ВСПОМОГАТЕЛЬНОЙ ШИНЫ 1 НА КОРОТКОЕ ЗАМЫКАНИЕ (ГЛАВНЫЙ ЭБУ КУЗОВА (БОРТОВОЙ ЭБУ СЕТИ МУЛЬТИПЛЕКСНОЙ СВЯЗИ))


    1. Отсоедините разъем H9 главного ЭБУ кузова (бортового ЭБУ сети мультиплексной связи).

    2. A01W2QQE01
      Обозначения на рисунке
      *1 DLC3
      *a

      Устройство с подсоединенным жгутом проводов

      (к разъему распределительного блока шины CAN левый2)

      Измерьте сопротивление в соответствии со значениями, приведенными в таблице ниже.

      Номинальное сопротивление
      Подключение диагностического прибора Условие Заданные условия Результат
      H136-1 (CANH) - H29-4 (CG) Провод отсоединен от отрицательного (-) вывода аккумуляторной батареи 200 Ом или более

      Менее 200 Ом:

      Короткое замыкание CANH на массу

      H136-2 (CANL) - H29-4 (CG) Провод отсоединен от отрицательного (-) вывода аккумуляторной батареи 200 Ом или более

      Менее 200 Ом:

      Короткое замыкание CANL на массу

      H136-1 (CANH) - H29-16 (BAT) Провод отсоединен от отрицательного (-) вывода аккумуляторной батареи 6 кОм или более

      Менее 6 кОм:

      Короткое замыкание CANH на +B

      H136-2 (CANL) - H29-16 (BAT) Провод отсоединен от отрицательного (-) вывода аккумуляторной батареи 6 кОм или более

      Менее 6 кОм:

      Короткое замыкание CANL на +B

      Tech Tips


      • Для достижения результата (короткое замыкание), полученного при проверке вспомогательной шины 1, необходимо лишь выполнить проверку, указанную в приведенной выше таблице.

      • Найдите в столбце "Результат" необходимую проверку, которая соответствует результату в столбце "Заданные условия" для проверки вспомогательной шины 1.


    OK
    NG