СИСТЕМА ПЕРЕДАЧИ ДАННЫХ CAN (для моделей без ЭБУ центрального сетевого шлюза) Прекращение обмена данными с центральным блоком управления системы SRS

ОПИСАНИЕ

Неисправность Признак Неисправный участок
Прекращение обмена данными с центральным блоком управления системы SRS

Выполняется любое из следующих условий:


  • На экране "CAN Bus Check" (проверка шины CAN) GTS не отображается "Airbag" (см. стр. Click here)

  • Выводимые коды DTC системы передачи данных (начинающиеся на U) соответствуют "Режиму прекращения обмена данными с центральным блоком управления системы SRS" в "Таблице комбинаций кодов DTC" (см. стр. Click here)


  • Вспомогательная шина или разъем центрального блока управления системы SRS

  • Цепь питания центрального блока управления системы SRS

  • Цепь массы блока управления системы SRS

  • Блок управления системы SRS

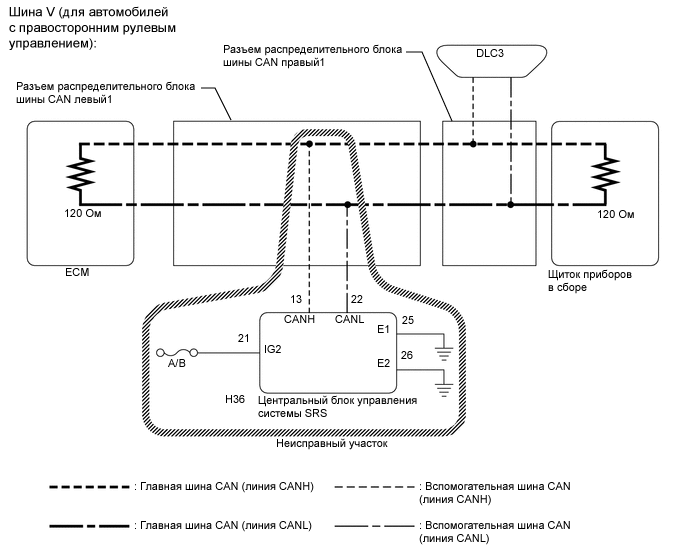
СХЕМА ЭЛЕКТРИЧЕСКИХ СОЕДИНЕНИЙ

A01VZ50E06
A01W15KE04

ПРЕДОСТЕРЕЖЕНИЕ / ПРИМЕЧАНИЕ / УКАЗАНИЕ

Note


  • Перед измерением сопротивления шины CAN, выключите зажигание и оставьте автомобиль в покое на 1 минуту или более, не приводя в действие ключ, любые другие переключатели и не открывая/закрывая двери. После этого, отсоедините провод от отрицательного (-) вывода аккумуляторной батареи и перед измерением сопротивления оставьте автомобиль в покое на 1 минуту или более.

  • После выключения зажигания следует подождать некоторое время, прежде чем отсоединять провод от отрицательного (-) вывода аккумуляторной батареи. Поэтому, прежде чем приступать к этой работе, обязательно ознакомьтесь с примечаниями относительно отсоединения провода от отрицательного (-) вывода аккумуляторной батареи (см. стр. Click here).

  • По причине того, что порядок диагностики важен для обеспечения правильной диагностики, начните с процедур поиска неисправностей в случае появления кодов DTC, относящихся к системе передачи данных CAN (см. стр. Click here).

  • После ремонта выполните процедуру проверки кодов DTC и убедитесь, что коды DTC не выводятся снова.

  • Процедура проверки кодов DTC: Включите зажигание (IG) и подождите не менее 60 с.

  • После ремонта выполните проверку шины CAN и убедитесь, что отображаются все ЭБУ и датчики, подсоединенные к системе передачи данных CAN (См. стр. Click here).

  • Перед выполнением последующей процедуры проверки проверьте плавкие предохранители цепей, относящихся к данной системе.

Tech Tips


  • Управление выключателем зажигания, какими-либо выключателями или дверями приводит к обмену данными между ЭБУ и датчиками по шине CAN. При осуществлении обмена данными сопротивление изменяется.

  • Если DTC регистрируется при непродолжительном движении на автомобиле даже после удаления кодов DTC, неисправность может возникать вследствие вибрации автомобиля. В подобных случаях необходимо пошевелить разъемы ЭБУ или жгутов проводов во время проверки, чтобы установить причину неисправности.

ПОРЯДОК ВЫПОЛНЕНИЯ


  1. ПРОВЕРЬТЕ ЛИНИИ ШИНЫ CAN НА ОБРЫВ (ВСПОМОГАТЕЛЬНАЯ ШИНА БЛОКА УПРАВЛЕНИЯ СИСТЕМЫ SRS)


    1. Отсоедините провод от отрицательного (-) вывода аккумуляторной батареи.

    2. A01VZE0E01
      Обозначения на рисунке
      *a

      Вид спереди разъема со стороны жгута проводов:

      (блок управления системы SRS)

      Отсоедините разъем H36 блока управления системы SRS.

    3. Измерьте сопротивление в соответствии со значениями, приведенными в таблице ниже.

      Номинальное сопротивление
      Подключение диагностического прибора Условие Заданные условия
      H36-13 (CANH) - H36-22 (CANL) Провод отсоединен от отрицательного (-) вывода аккумуляторной батареи 54 - 69 Ом

    NG
    OK
  2. ПРОВЕРЬТЕ ЖГУТ ПРОВОДОВ И РАЗЪЕМ (ЦЕПЬ ПИТАНИЯ)


    1. A01W15LE01
      Обозначения на рисунке
      *a

      Вид спереди разъема со стороны жгута проводов:

      (блок управления системы SRS)

      Измерьте сопротивление в соответствии со значениями, приведенными в таблице ниже.

      Номинальное сопротивление
      Подключение диагностического прибора Условие Заданные условия
      H36-25 (E1) - масса Провод отсоединен от отрицательного (-) вывода аккумуляторной батареи Менее 1 Ом
      H36-26 (E2) - масса Провод отсоединен от отрицательного (-) вывода аккумуляторной батареи Менее 1 Ом
    2. Вновь подсоедините провод к отрицательному (-) выводу аккумуляторной батареи.

    3. Измерьте напряжение в соответствии со значениями, приведенными в таблице.

      Номинальное напряжение
      Подключение диагностического прибора Условие Заданные условия
      H36-21 (IG2) - масса Зажигание включено (IG) 11-14 В

    OK
    NG