СИСТЕМА ПЕРЕДАЧИ ДАННЫХ CAN (для моделей без ЭБУ центрального сетевого шлюза) Прекращение обмена данными с ЭБУ щитка приборов

ОПИСАНИЕ

Неисправность Признак Неисправный участок
Прекращение обмена данными с ЭБУ щитка приборов

Выполняется любое из следующих условий:


  • На экране "CAN Bus Check" (проверка шины CAN) GTS не отображается "Combination Meter" (см. стр. Click here)

  • Выводимые коды DTC системы передачи данных (начинающиеся на U) соответствуют "Режиму прекращения обмена данными с ЭБУ щитка приборов" в "Таблице комбинаций кодов DTC" (см. стр. Click here)


  • Главная шина или разъем щитка приборов

  • Цепь питания щитка приборов

  • Цепь массы щитка приборов

  • Щиток приборов в сборе

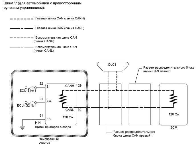
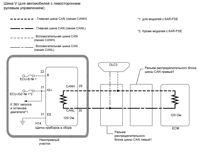
СХЕМА ЭЛЕКТРИЧЕСКИХ СОЕДИНЕНИЙ

A01W57LE02
A01W258E03

ПРЕДОСТЕРЕЖЕНИЕ / ПРИМЕЧАНИЕ / УКАЗАНИЕ

Note


  • Перед измерением сопротивления шины CAN, выключите зажигание и оставьте автомобиль в покое на 1 минуту или более, не приводя в действие ключ, любые другие переключатели и не открывая/закрывая двери. После этого, отсоедините провод от отрицательного (-) вывода аккумуляторной батареи и перед измерением сопротивления оставьте автомобиль в покое на 1 минуту или более.

  • После выключения зажигания следует подождать некоторое время, прежде чем отсоединять провод от отрицательного (-) вывода аккумуляторной батареи. Поэтому, прежде чем приступать к этой работе, обязательно ознакомьтесь с примечаниями относительно отсоединения провода от отрицательного (-) вывода аккумуляторной батареи (см. стр. Click here).

  • По причине того, что порядок диагностики важен для обеспечения правильной диагностики, начните с процедур поиска неисправностей в случае появления кодов DTC, относящихся к системе передачи данных CAN (см. стр. Click here).

  • После ремонта выполните процедуру проверки кодов DTC и убедитесь, что коды DTC не выводятся снова.

  • Процедура проверки кодов DTC: Включите зажигание (IG) и подождите не менее 31 с.

  • После ремонта выполните проверку шины CAN и убедитесь, что отображаются все ЭБУ и датчики, подсоединенные к системе передачи данных CAN (См. стр. Click here).

  • Перед выполнением последующей процедуры проверки проверьте плавкие предохранители цепей, относящихся к данной системе.

Tech Tips


  • Управление выключателем зажигания, какими-либо выключателями или дверями приводит к обмену данными между ЭБУ и датчиками по шине CAN. При осуществлении обмена данными сопротивление изменяется.

  • Если DTC регистрируется при непродолжительном движении на автомобиле даже после удаления кодов DTC, неисправность может возникать вследствие вибрации автомобиля. В подобных случаях необходимо пошевелить разъемы ЭБУ или жгутов проводов во время проверки, чтобы установить причину неисправности.

ПОРЯДОК ВЫПОЛНЕНИЯ


  1. ПРОВЕРЬТЕ ЛИНИИ ШИНЫ CAN НА ОБРЫВ (ГЛАВНАЯ ШИНА ЩИТКА ПРИБОРОВ)


    1. Отсоедините провод от отрицательного (-) вывода аккумуляторной батареи.

    2. A01W3J3E02
      Обозначения на рисунке
      *a

      Вид спереди разъема со стороны жгута проводов:

      (к щитку приборов в сборе)

      Отсоедините разъем H14 щитка приборов.

    3. Измерьте сопротивление в соответствии со значениями, приведенными в таблице ниже.

      Номинальное сопротивление
      Подключение диагностического прибора Условие Заданные условия
      H14-29 (CANH) - H14-30 (CANL) Провод отсоединен от отрицательного (-) вывода аккумуляторной батареи 108 - 132 Ом

    NG
    OK
  2. ПРОВЕРЬТЕ ЖГУТ ПРОВОДОВ И РАЗЪЕМ (ЦЕПЬ ПИТАНИЯ)


    1. A01W27PE02
      Обозначения на рисунке
      *a

      Вид спереди разъема со стороны жгута проводов:

      (к щитку приборов в сборе)

      Измерьте сопротивление в соответствии со значениями, приведенными в таблице ниже.

      Номинальное сопротивление
      Подключение диагностического прибора Условие Заданные условия
      H14-31 (ES) - масса Провод отсоединен от отрицательного (-) вывода аккумуляторной батареи Менее 1 Ом
    2. Вновь подсоедините провод к отрицательному (-) выводу аккумуляторной батареи.

    3. Измерьте напряжение в соответствии со значениями, приведенными в таблице.

      Номинальное напряжение
      Подключение диагностического прибора Условие Заданные условия
      H14-22 (B) - масса Всегда 11-14 В
      H14-21 (IG+) - масса Зажигание включено (IG) 11-14 В
      Результат
      Результат Перейти к
      OK А

      • NG (кроме цепи сигнала IG+)

      • NG (для цепи сигнала IG+ (кроме моделей с 6AR-FSE))

      B
      NG (для цепи сигнала IG+ (для моделей с 6AR-FSE)) C

    А
    B
    C