ТОПЛИВНАЯ СИСТЕМА


  1. НАЗНАЧЕНИЕ ОСНОВНЫХ УСТРОЙСТВ


    1. Система D-4S имеет следующие узлы и функции:

      Устройство Функция
      Топливный насос в сборе (низкого давления) Подает топливо из топливного бака в топливный насос (высокого давления) и топливные форсунки (для впрыска во впускные каналы) под давлением 420 кПа.
      Топливный насос в сборе (высокого давления) Увеличивает давление топлива, подаваемого топливным насосом (низкого давления), до уровня 4,0-20 МПа и подает топливо в топливную рампу в сборе (для непосредственного впрыска).
      Клапан управления сливом (встроенный в топливный насос высокого давления в сборе) Закрывает и открывает канал подачи топлива в топливную систему высокого давления в соответствии с сигналами от ECM.
      Демпфер пульсаций давления в топливной системе в сборе (встроенный в топливный насос высокого давления в сборе) Уменьшает пульсации давления топлива и шум.
      Топливная рампа в сборе (для впрыска во впускной канал) Подает топливо под низким давлением в топливную форсунку (для впрыска во впускные каналы).
      Топливная рампа в сборе (для непосредственного впрыска) Подает топливо под низким давлением в топливную форсунку (для непосредственного впрыска).
      Датчик давления топлива Измеряет давление в топливной системе и передает соответствующий сигнал в ECM.
      Топливная форсунка в сборе (для впрыска во впускной канал) Производит впрыск вычисленного ECM объема топлива под давлением 420 кПа (низкое давление) во впускной канал.
      Топливная форсунка в сборе (для непосредственного впрыска) Производит впрыск вычисленного ECM объема топлива непосредственно в камеру сгорания под высоким давлением 4,0-20 МПа.
      ECM В зависимости от состояния автомобиля и сигналов различных датчиков ECM рассчитывает оптимальные моменты и объем впрыска, а также управляет топливными форсунками (для непосредственного впрыска) и топливным насосом (высокого давления).
  2. ФУНКЦИИ


    1. Система D-4S


      1. Система D-4S (модификация "Superior" для 4-тактного бензинового двигателя с непосредственным впрыском) обеспечивает как непосредственный впрыск топлива в камеру сгорания под высоким давлением, так и впрыск топлива во впускные каналы. Система оптимальным образом управляет топливными форсунками обоих типов в зависимости от нагрузки двигателя.

      2. В диапазонах низкой и средней нагрузки двигателя одновременно используется как непосредственный впрыск топлива, так и впрыск топлива во впускные каналы, либо один из этих методов применяется для создания однородной воздушной смеси, повышая тем самым стабильность сгорания. Таким образом система обеспечивает экономию топлива и снижение выброса токсичных продуктов. Кроме того, в диапазоне высокой нагрузки двигателя используется только непосредственный впрыск топлива, чтобы охладить впускаемый воздух за счет охлаждающего действия паров в топливе, которое впрыскивается в цилиндр; тем самым повышается эффективность зарядки, и улучшаются детонационные характеристики.

      3. Непосредственно после запуска двигателя в холодном состоянии выбирается топливная форсунка со стороны впускного канала с целью обеспечить однородную смесь в камере сгорания. Затем топливная форсунка со стороны впрыска в цилиндр вводит топливо в процессе сжатия, чтобы обеспечить расслоение смеси вблизи свечи зажигания. Такое формирование не только позволяет значительно задержать зажигание, но и повышает температуру отработавших газов, что ускоряет прогрев каталитического нейтрализатора после холодного запуска.

      4. В качестве топливной форсунки (для непосредственного впрыска) используется форсунка высокого давления с однощелевым соплом. Распыляемое этой форсункой топливо вводится в камеру сгорания через щель, распространяется в форме веера и смешивается с большим количеством воздуха. Впускаемый воздух завихряется в вертикальном направлении, что способствует смешиванию с топливом и обеспечивает лучшие рабочие характеристики и большую мощность.

        A01VYJ2E01
        Обозначения на рисунке
        *1 Топливная форсунка в сборе (для впрыска во впускной канал) *2 Топливная форсунка в сборе (для непосредственного впрыска)
    2. Топливная система без сливного трубопровода


      1. Для снижения объема топливных испарений в топливной системе отсутствует сливной трубопровод. Как показано ниже, совмещение топливного фильтра и регулятора давления с топливным насосом (низкого давления) позволило отказаться от слива топлива из двигателя и предотвратить повышение температуры внутри топливного бака. Кроме того, это привело к уменьшению образования паров топлива в топливном баке.

        A01VYIJE02
        Обозначения на рисунке
        *1 Топливная рампа в сборе (для непосредственного впрыска) *2 Топливная форсунка в сборе (для непосредственного впрыска)
        *3 Топливная форсунка в сборе (для впрыска во впускной канал) *4 Топливная рампа в сборе (для впрыска во впускной канал)
        *5 Топливный насос в сборе (высокого давления) *6 Топливный бак в сборе
        *7 Регулятор давления топлива в сборе *8 Топливный фильтр в сборе
        *9 Топливный насос в сборе (низкого давления) *10 Топливный фильтр
  3. КОНСТРУКЦИЯ


    1. Топливный бак в сборе


      1. Топливный бак изготавливается из листовой стали.

      2. Низкая проницаемость для паров топлива достигается за счет использования листовой стали.

    2. Топливный насос в сборе (низкого давления)


      1. Используется компактный топливный насос (низкого давления). К его основным узлам относятся собственно топливный насос, топливный фильтр, угольный адсорбер, регулятор давления топлива и датчик уровня топлива.

      2. Топливный насос в сборе (низкого давления) помещен в топливный бак в сборе. Данный топливный насос подает топливо из топливного бака в сборе в топливный насос высокого давления и топливную систему низкого давления.

        A01VY9GE01
        Обозначения на рисунке
        *1 Угольный адсорбер *2 Датчик уровня топлива
        *3 Топливный насос *4 Топливный фильтр
        *5 Регулятор давления топлива в сборе - -
        *a Поперечное сечение - -
    3. Топливный насос в сборе (высокого давления)


      1. В конструкцию топливного насоса высокого давления входит электромагнитный клапан управления сливом, который регулирует объем сброса топлива под высоким давлением, плунжер, который нагнетает давление топлива, двигаясь под воздействием распредвала впускных клапанов, обратный клапан, который механически открывает и закрывает канал к топливной рампе (для непосредственного впрыска), и топливный перепускной клапан, который сбрасывает топливо при обнаружении неисправности в топливной системе высокого давления. Кроме того, на впуске топлива под низким давлением из топливного бака установлен демпфер пульсаций давления в топливной системе, уменьшающий пульсации топлива.

      2. Для работы с высокой мощностью и подачи топлива под высоким давлением устанавливается роликовый толкатель (толкатель топливного насоса в сборе).

      3. Плунжер перемещается вверх и вниз посредством кулачка, который установлен на заднем конце распредвала впускных клапанов двигателя. Этот кулачок производит 4 хода поршня насоса на каждый оборот распредвала (4 выступа расположены на одном "кулачке" распредвала через 90 градусов).

      4. Высокое давление топлива регулируется в диапазоне 4,0-20 МПа в соответствии с условиями движения автомобиля, обеспечивая сокращение потерь на трение.

      5. Клапан управления сливом регулирует давление на выходе насоса и Клапан управления сливом установлен во впускном канале топливного насоса в сборе (высокого давления). Клапан имеет электронное управление и открывается/закрывается по командам от ECM.

      6. На выходе топливного насоса в сборе (высокого давления) установлен обратный клапан. Когда давление на выходе насоса становится достаточно высоким для того, чтобы вытолкнуть обратный клапан из седла, топливо начинает поступать в топливную рампу в сборе (для непосредственного впрыска) (минимальное давление открывания обратного клапана составляет 60 кПа).

        A01VYJTE02
        Обозначения на рисунке
        *1 Клапан управления сливом *2 Роликовый толкатель (толкатель топливного насоса в сборе)
        *3 Топливная форсунка в сборе (для непосредственного впрыска) *4 Топливная рампа в сборе (для непосредственного впрыска)
        *5 Датчик давления топлива *6 Топливный бак в сборе
        *7 Регулятор давления топлива в сборе *8 Топливный фильтр в сборе
        *9 Топливный насос в сборе (низкого давления) *10 Топливный фильтр
        *11 Демпфер пульсаций давления в топливной системе в сборе *12 Плунжер
        *13 Обратный клапан (60 кПа) *14 Топливный перепускной клапан (23,6 МПа)
        *15 Топливный насос в сборе (высокого давления) *16 Кулачок для привода топливного насоса (распредвал впускных клапанов)
        *a Топливо низкого давления (от топливного насоса в сборе (низкого давления)) *b Топливо высокого давления (к топливной рампе в сборе (для непосредственного впрыска))
        *c К топливной рампе в сборе (для впрыска во впускной канал) *d Топливопровод высокого давления
    4. Топливная рампа в сборе (для впрыска во впускной канал)


      1. Топливная рампа (для впрыска во впускной канал) изготавливается из штампованной стали.

      2. Используется прессованная топливная рампа (для впрыска во впускные каналы), стенки которой создают эффект демпфирования при колебаниях (пульсациях) давления топлива, возникающих при впрыске топлива через топливные форсунки (для впрыска во впускные каналы). В результате удалось отказаться от демпфера пульсаций давления в топливной системе, уменьшив число деталей и обеспечив снижение массы и размеров.

        A01VYF8E01
        Обозначения на рисунке
        *1 Топливная рампа в сборе (для впрыска во впускной канал) - -
    5. Топливная рампа в сборе (для непосредственного впрыска)


      1. Топливная рампа в сборе (для непосредственного впрыска) изготавливается из чугуна.

      2. Датчик давления в топливной системе установлен на топливной рампе (для непосредственного впрыска).

      3. В каждом месте установки топливной форсунки предусмотрен фиксатор корпуса форсунки. Создаваемая данным фиксаторам постоянная упругая сила надежно закрепляет форсунку, что предотвращает ее сдвиг, когда во время запуска двигателя, пока давление топлива мало, на форсунку действует давление сгорания. Как следствие, повышается герметичность форсунок, и ослабляются вибрации и шум.

      4. В местах соединения датчиков давления топлива и топливопроводов высокого давления используются уплотнения контакта между металлическими поверхностями.

        A01VYGRE01
        Обозначения на рисунке
        *1 Топливопровод высокого давления *2 Топливная рампа в сборе (для непосредственного впрыска)
        *3 Датчик давления топлива *4 Фиксатор корпуса форсунки
        *5 Топливная форсунка в сборе (для непосредственного впрыска) - -
    6. Топливная форсунка для впрыска во впускной канал в сборе


      1. Используются 12-струйные топливные форсунки с удлиненными соплами, обеспечивающие высокий уровень распыления. За счет применения форсунок с удлиненными соплами оптимизируется воздушный поток во впускном канале, и уменьшается налипание топлива, что снижает расход топлива и уровень выбросов.

      2. Движущиеся части магнитопроводов оптимизированы для расширения динамического диапазона объема впрыска топлива и обеспечения отличных высокотемпературных характеристик, что способствует снижению расхода топлива и уменьшению выбросов.

        A01VYAEE01
        Обозначения на рисунке
        *a Топливная форсунка в сборе (для впрыска во впускной канал), сечение *b Распылитель форсунки
    7. Топливная форсунка для непосредственного впрыска в сборе


      1. В системе непосредственного впрыска 4-тактного бензинового двигателя модификации "Superior" (D-4S) применяются топливные форсунки высокого давления с одиночным щелевым соплом.

      2. Использование данных топливных форсунок (для непосредственного впрыска) обеспечивает мелкое распыление топлива и его распространение в виде широкой веерной струи. В то же время топливо смешивается с большим количеством воздуха и впрыскивается в камеру сгорания. В результате улучшаются характеристики рассеяния топлива при впрыске для обеспечения однородной топливовоздушной смести, хороших рабочих характеристик и большой мощности двигателя.

      3. В качестве герметика для внутренней герметизации цилиндра используется тефлоновый герметик, и контактная область головки блока цилиндров снабжена прокладкой, чтобы уменьшить вибрацию и шум и улучшить характеристики герметизации.

      4. На топливной форсунке (для непосредственного впрыска) установлены кольцевое уплотнение и опорное кольцо*. В результате уменьшена передача шума работы топливных форсунок (для непосредственного впрыска), а также повышена герметичность крепления.

        Note

        *: Опорные кольца обеспечивают надежное крепление резиновых кольцевых уплотнений, которые подвергаются действию высокого давления. Обязательно устанавливайте опорные кольца с соблюдением правильной ориентации и в правильные положения.

        A01VYWNE05
        Обозначения на рисунке
        *a Кольцевое уплотнение *b Опорное кольцо
        *c Изолятор *d Тефлоновый герметик
        *e Топливная форсунка в сборе (для непосредственного впрыска), сечение *f Отверстие для впрыска
  4. ПРИНЦИП РАБОТЫ


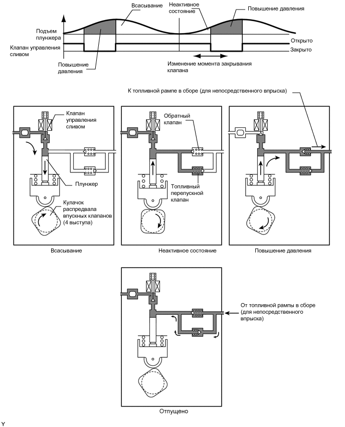
    1. Топливный насос в сборе (высокого давления)


      1. На стадии впуска рабочего цикла насоса клапан управления сливом открывается, и плунжер насоса (поршень) под действием упругой силы смещается вниз. В результате топливо втягивается в цилиндр насоса. Если клапан управления сливом еще не закрыт, а кулачковый вал заставляет плунжер смещаться вверх, топливо в цилиндре насоса (неиспользованное топливо) выталкивается на впуск насоса (в сторону топливного бака).

      2. Чтобы закрыть клапан управления сливом при перемещении поршня вверх, ECM передает сигнал закрывания клапана. После закрывания клапана управления сливом давление в цилиндре насоса начинает повышаться по мере смещения плунжера вверх. Когда давление достигает 60 кПа (либо давления топливной рампы, если оно выше), топливо поступает в топливную рампу в сборе (для непосредственного впрыска). ECM вычисляет требуемое давление топлива, исходя из условий езды, и ECM регулирует давление, приводя в действие клапан управления сливом. Требуемое давление насоса устанавливается за счет изменения моментов закрывания клапана управления сливом и продолжительности его нахождения в закрытом состоянии.

      3. В случае ненормально высокого давления в топливопроводах высокого давления через перепускной клапан сбрасывается некоторое количество топлива, чтобы ограничить давление.

        A01VYEEE08