DESCRIPTION
The main body ECU (multiplex network body ECU) controls the rear fog light.
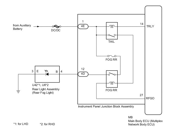
WIRING DIAGRAM
CAUTION / NOTICE / HINT
Note
Inspect the fuses and light for circuits related to this system before performing the following procedure.
Before replacing the main body ECU (multiplex network body ECU), refer to Service Bulletin.
PROCEDURE
CHECK OPERATION (TAILLIGHTS)
Check the operation of the taillights.
| OK |
|---|
| Taillights operate normally. |
| Result | |||
|---|---|---|---|
|
| NG |
|
GO TO PROBLEM SYMPTOMS TABLE Click here |
| OK |
|
PERFORM ACTIVE TEST USING GTS
Connect the GTS to the DLC3.
Turn the power switch on (IG).
Turn the GTS on.
Enter the following menus: Body Electrical / Main Body / Active Test.
Perform the Active Test according to the display on the GTS.
| Tester Display | Measurement Item | Control Range | Diagnostic Note |
|---|---|---|---|
| Rear Fog Light Relay | Rear fog light relay | ON/OFF | Light control switch in tail position |
| Tester Display |
|---|
| Rear Fog Light Relay |
| OK |
|---|
| Rear fog light relay operates. (Rear fog light comes on.) |
| Result | |||
|---|---|---|---|
|
| OK |
|
PROCEED TO NEXT SUSPECTED AREA SHOWN IN PROBLEM SYMPTOMS TABLE Click here |
| NG |
|
CHECK HARNESS AND CONNECTOR (REAR LIGHT ASSEMBLY - INSTRUMENT PANEL JUNCTION BLOCK ASSEMBLY AND BODY GROUND)
for LHD:
Disconnect the U42 rear light assembly LH connector.
Disconnect the 4D instrument panel junction block assembly connector.
Measure the resistance according to the value(s) in the table below.
| Standard Resistance | ||||||||||||
|---|---|---|---|---|---|---|---|---|---|---|---|---|
|
for RHD:
Disconnect the U6 rear light assembly RH connector.
Disconnect the 4D instrument panel junction block assembly connector.
Measure the resistance according to the value(s) in the table below.
| Standard Resistance | ||||||||||||
|---|---|---|---|---|---|---|---|---|---|---|---|---|
|
| Result | |||
|---|---|---|---|
|
| NG |
|
REPAIR OR REPLACE HARNESS OR CONNECTOR |
| OK |
|
INSPECT INSTRUMENT PANEL JUNCTION BLOCK ASSEMBLY
Remove the instrument panel junction block assembly.
Remove the main body ECU (multiplex network body ECU) from the instrument panel junction block assembly.
Connect a positive (+) lead from the auxiliary battery to terminal 4E-1.
Connect a negative (-) lead from the auxiliary battery to terminal MB-14 (TRLY) and MB-27 (RFGO).
Measure the voltage according to the value(s) in the table below.
| *a | Component without harness connected (Instrument Panel Junction Block Assembly) |
- | - |
| Standard Voltage | ||||||
|---|---|---|---|---|---|---|
|
| Result | |||
|---|---|---|---|
|
| OK |
|
REPLACE MAIN BODY ECU (MULTIPLEX NETWORK BODY ECU) Click here |
| NG |
|
REPLACE INSTRUMENT PANEL JUNCTION BLOCK ASSEMBLY Click here |