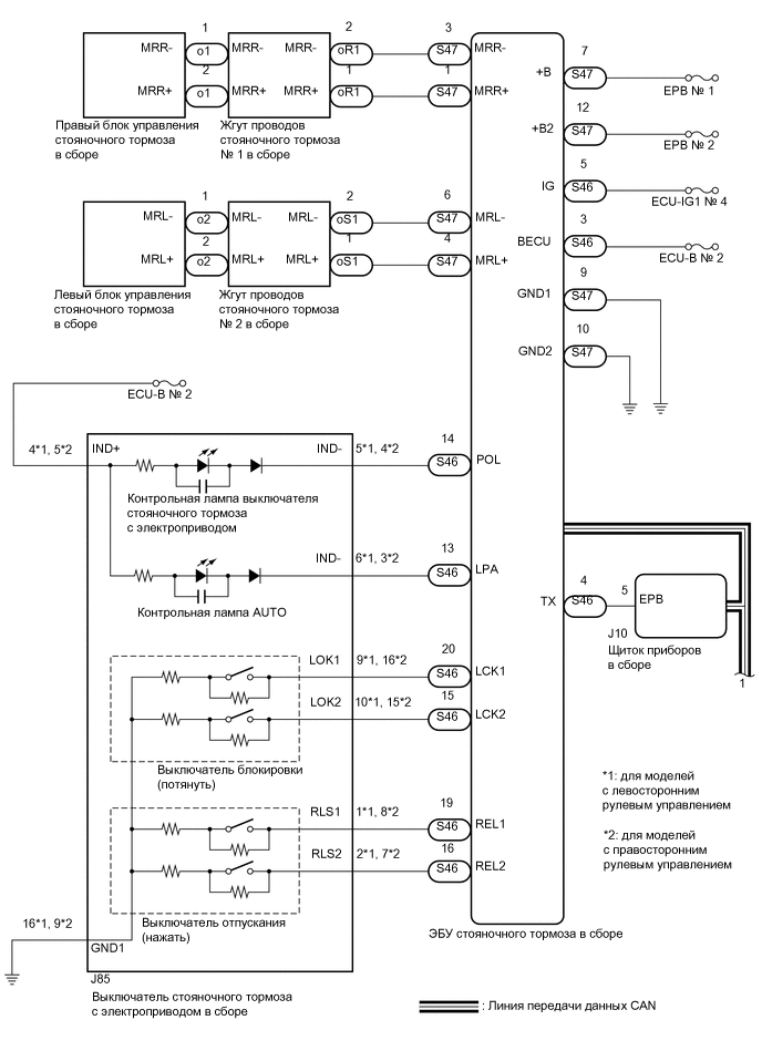
СИСТЕМА СТОЯНОЧНОГО ТОРМОЗА С ЭЛЕКТРОПРИВОДОМ СХЕМА СИСТЕМЫ

C351827E01
C345528E06