СИСТЕМА ИЗМЕРИТЕЛЬНЫХ ПРИБОРОВ И ИНДИКАТОРОВ Реостат регулировки освещения не регулирует яркость освещения

Код DTC Наименование DTC
Реостат регулировки освещения не регулирует яркость освещения

ОПИСАНИЕ

Щиток приборов принимает сигналы из этой цепи для регулировки яркости подсветки щитка приборов. При этом щиток приборов устанавливает яркость подсветки, исходя из положения реостата регулировки освещения в переключателе TRIP, заданного пользователем.

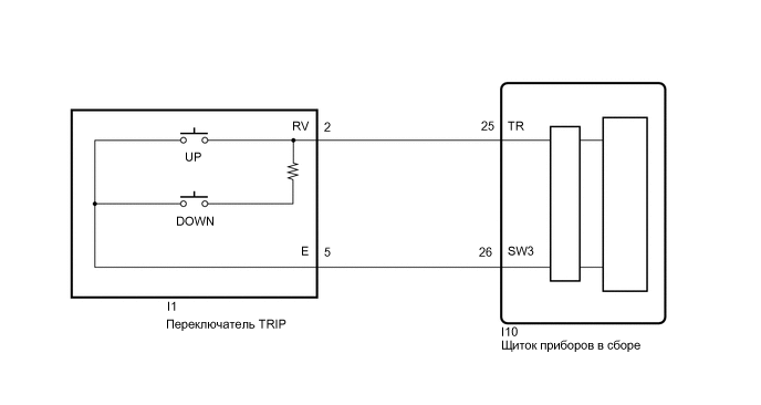
СХЕМА ЭЛЕКТРИЧЕСКИХ СОЕДИНЕНИЙ

E295972E02

ПРЕДОСТЕРЕЖЕНИЕ / ПРИМЕЧАНИЕ / УКАЗАНИЕ

Note:

Заменяйте щиток приборов в сборе только новым узлом.

Tip:
  • Яркость подсветки щитка приборов можно регулировать с помощью нажатия переключателя реостата регулировки освещения.

  • При включении задних фонарей подсветка щитка приборов тускнеет.

  • Настройка подсветки приборов на максимальный уровень отменяет рассмотренный выше режим ослабления их подсветки.

ПОРЯДОК ВЫПОЛНЕНИЯ

  1. СНИМИТЕ ПОКАЗАНИЯ GTS (УВЕЛИЧИВАЯ ИЛИ УМЕНЬШАЯ ОСВЕЩЕННОСТЬ С ПОМОЩЬЮ ПЕРЕКЛЮЧАТЕЛЯ ОСВЕЩЕНИЯ)

    1. При помощи GTS считайте данные в режиме "Data List" .

      Нажмите здесьЩелкните по следующей ссылкеЩелкните по следующей ссылке

      Body Electrical > Combination Meter > Data List

      Информация на дисплее прибора

      Измеряемая величина

      Диапазон

      Нормальное состояние

      Замечание по диагностике

      Light Control Up Switch

      Переключатель реостата регулировки освещения "вверх"

      OFF (ВЫКЛ) или ON (ВКЛ)

      OFF (ВЫКЛ): Переключатель реостата регулировки освещения "вверх" отпущен

      ON (ВКЛ): Переключатель-реостат увеличения освещенности нажат

      -

      Light Control Down Switch

      Переключатель реостата регулировки освещения "вниз"

      OFF (ВЫКЛ) или ON (ВКЛ)

      OFF (ВЫКЛ): Переключатель реостата регулировки освещения "вниз" отпущен

      ON (ВКЛ): Переключатель-реостат уменьшения освещенности нажат

      -

      Body Electrical > Combination Meter > Data List

      Информация на дисплее прибора

      Light Control Up Switch

      Light Control Down Switch

      OK

      Состояние переключателя увеличения или уменьшения освещенности реостата регулировки освещения, отображаемое на экране GTS, изменяется в соответствии с фактическим положением переключателя.

    Result

    Перейти к

    OK

    НЕ СООТВ.

    OK

    ЗАМЕНИТЕ ЩИТОК ПРИБОРОВ В СБОРЕ

    NG
  2. ПРОВЕРЬТЕ ПЕРЕКЛЮЧАТЕЛЬ TRIP

    1. Снимите переключатель TRIP.

      Нажмите здесьЩелкните по следующей ссылке

    2. Проверьте переключатель ODO/TRIP

      Нажмите здесьЩелкните по следующей ссылке

    Результат

    Перейти к

    OK

    НЕ СООТВ.

    НЕ СООТВ.

    ЗАМЕНИТЕ ПЕРЕКЛЮЧАТЕЛЬ TRIP

    СООТВ
  3. ПРОВЕРЬТЕ ЖГУТ ПРОВОДОВ И РАЗЪЕМ (ЩИТОК ПРИБОРОВ В СБОРЕ – ПЕРЕКЛЮЧАТЕЛЬ СЧЕТЧИКА ПУТИ)

    1. Отсоедините разъем I10 щитка приборов в сборе.

    2. Отсоедините разъем I1 переключателя счетчика пути.

    3. Измерьте сопротивление в соответствии со значениями, приведенными в таблице.

      Номинальное сопротивление

      Подключение диагностического прибора

      Условие

      Номинальное значение

      I10-25 (TR) - I1-2 (RV)

      Всегда

      Менее 1 Ом

      I10-26 (SW3) - I1-5 (E)

      Всегда

      Менее 1 Ом

      I10-25 (TR) или I1-2 (RV) - масса

      Всегда

      10 кОм или более

      I10-26 (SW3) или I1-5 (E) - масса

      Всегда

      10 кОм или более

    Результат

    Перейти к

    OK

    НЕ СООТВ.

    OK

    ЗАМЕНИТЕ ЩИТОК ПРИБОРОВ В СБОРЕ

    NG

    ОТРЕМОНТИРУЙТЕ ИЛИ ЗАМЕНИТЕ ЖГУТ ПРОВОДОВ ИЛИ РАЗЪЕМ