ILLUSTRATION
| *1 | EGR VALVE WITH COOLER ASSEMBLY | *2 | EXHAUST MANIFOLD CONVERTER SUB-ASSEMBLY (TWC: Front Catalyst) |
| *3 | INTAKE MANIFOLD | *4 | MANIFOLD STAY |
| *5 | EGR PIPE CONNECTOR | *6 | NO. 1 EXHAUST MANIFOLD HEAT INSULATOR |
| *7 | NO. 2 EGR PIPE | *8 | NO. 2 MANIFOLD STAY |
| *9 | THROTTLE BODY GASKET | *10 | THROTTLE BODY WITH MOTOR ASSEMBLY |
| *11 | EXHAUST MANIFOLD GASKET | *12 | EGR COOLER GASKET |
| *13 | NO. 2 WATER BY-PASS HOSE | *14 | NO. 3 WATER BY-PASS HOSE |
| *15 | EGR INLET GASKET | *16 | NO. 4 WATER BY-PASS HOSE |
| *17 | NO. 5 ENGINE WIRE | *18 | MANIFOLD GASKET |
| *19 | NO. 2 EGR PIPE GASKET | - | - |
|
N*m (kgf*cm, ft.*lbf): Specified torque | ● | Non-reusable part |
ILLUSTRATION
| *1 | FUEL DELIVERY PIPE | *2 | FUEL DELIVERY PIPE WITH SENSOR ASSEMBLY |
| *3 | PORT FUEL INJECTOR ASSEMBLY | *4 | FUEL INJECTOR SEAL |
| *5 | DIRECT FUEL INJECTOR ASSEMBLY | *6 | FUEL TUBE SUB-ASSEMBLY (for Port Injection) |
| *7 | INJECTOR VIBRATION INSULATOR | *8 | FUEL DELIVERY SPACER |
| *9 | O-RING | *10 | NO. 3 FUEL INJECTOR BACK-UP RING |
| *11 | NO. 1 FUEL INJECTOR BACK-UP RING | *12 | NOZZLE HOLDER CLAMP |
| *13 | C-RING | - | - |
|
Tightening torque for "Major areas involving basic vehicle performance such as moving/turning/stopping": N*m (kgf*cm, ft.*lbf) | ● | Non-reusable part |
ILLUSTRATION
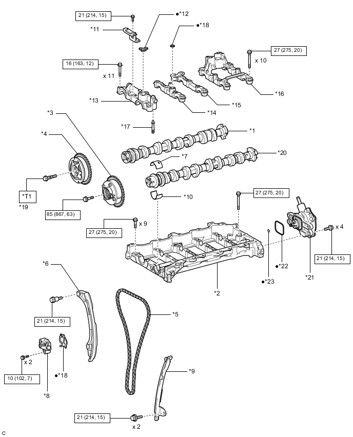
| *1 | CAMSHAFT | *2 | CAMSHAFT HOUSING SUB-ASSEMBLY |
| *3 | CAMSHAFT TIMING EXHAUST GEAR ASSEMBLY | *4 | CAMSHAFT TIMING GEAR ASSEMBLY |
| *5 | CHAIN SUB-ASSEMBLY | *6 | CHAIN TENSIONER SLIPPER |
| *7 | NO. 1 CAMSHAFT BEARING | *8 | NO. 1 CHAIN TENSIONER ASSEMBLY |
| *9 | NO. 1 CHAIN VIBRATION DAMPER | *10 | NO. 2 CAMSHAFT BEARING |
| *11 | TIMING CHAIN GUIDE | *12 | CAMSHAFT BEARING CAP OIL HOLE GASKET |
| *13 | NO. 1 CAMSHAFT BEARING CAP | *14 | NO. 2 CAMSHAFT BEARING CAP |
| *15 | NO. 3 CAMSHAFT BEARING CAP | *16 | NO. 4 CAMSHAFT BEARING CAP |
| *17 | OIL CONTROL VALVE FILTER | *18 | GASKET |
| *19 | CAMSHAFT TIMING GEAR BOLT | *20 | NO. 2 CAMSHAFT |
| *21 | VACUUM PUMP ASSEMBLY | *22 | NO. 2 O-RING |
| *23 | NO. 3 O-RING | - | - |
|
N*m (kgf*cm, ft.*lbf): Specified torque | ● | Non-reusable part |
| *T1 | Type A: 120 N*m (1224 kgf*cm, 89 ft.*lbf) Type B: 95 N*m (969 kgf*cm, 70 ft.*lbf) |
- | - |
ILLUSTRATION
| *1 | CYLINDER HEAD GASKET | *2 | CYLINDER HEAD SUB-ASSEMBLY |
| *3 | NO. 1 VALVE ROCKER ARM SUB-ASSEMBLY | *4 | VALVE LASH ADJUSTER ASSEMBLY |
| *5 | VALVE STEM CAP | *6 | CYLINDER HEAD SET BOLT |
| *7 | PLATE WASHER | - | - |
|
N*m (kgf*cm, ft.*lbf): Specified torque | ● | Non-reusable part |
| *T1 | 1st: 36 (367, 27) 2nd: 36 (367, 27) 3rd: Turn 90° 4th: Turn 90° |
- | - |