RELAY ON-VEHICLE INSPECTION

PROCEDURE

  1. INSPECT COOLING FAN RELAY (FAN NO. 1)

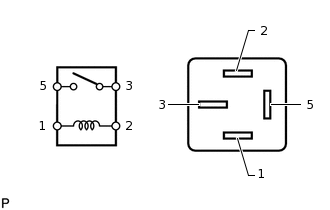
    1. A169584N02

      Measure the resistance according to the value(s) in the table below.

      Standard Resistance

      Tester Connection

      Condition

      Specified Condition

      3 - 5

      Battery voltage not applied to terminals 1 and 2

      10 kΩ or higher

      Battery voltage applied to terminals 1 and 2

      Below 1 Ω

      If the result is not as specified, replace the cooling fan relay.