AIRBAG SYSTEM, Diagnostic DTC:B1660/43

DTC Code DTC Name
B1660/43 Passenger Airbag ON/OFF Indicator Circuit Malfunction

DESCRIPTION

The passenger airbag ON/OFF indicator circuit consists of the airbag ECU assembly and air conditioning control assembly (passenger airbag ON/OFF indicator).

The passenger airbag ON/OFF indicator indicates the operation condition of the front passenger airbag.

DTC B1660/43 is stored when a malfunction is detected in the passenger airbag ON/OFF indicator circuit.

DTC No. DTC Detection Condition Trouble Area
B1660/43
  • The airbag ECU assembly receives a line short circuit signal, an open circuit signal, a short circuit to ground signal or a short circuit to B+ signal in the passenger airbag ON/OFF indicator circuit.

  • Air conditioning control assembly malfunction

  • Airbag ECU assembly malfunction


  • Instrument panel wire

  • Air conditioning control assembly (Passenger airbag ON/OFF indicator)

  • Airbag ECU assembly

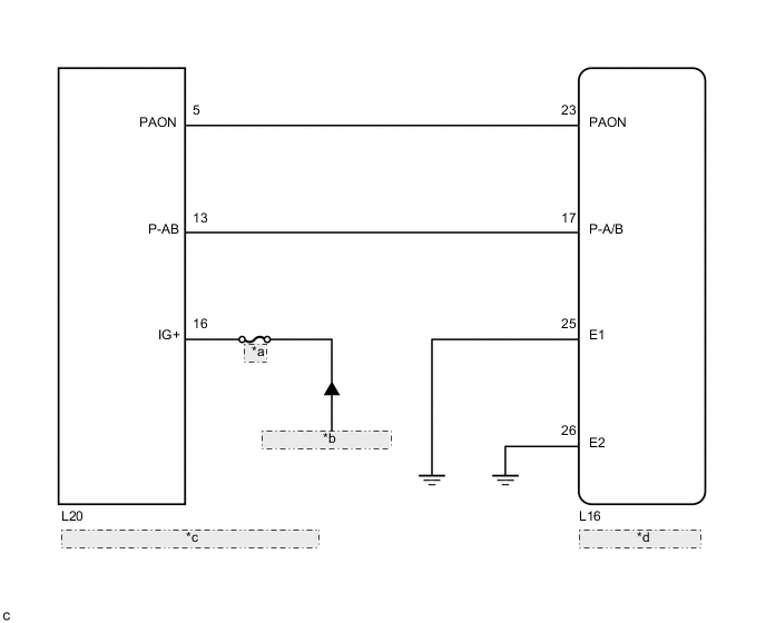
WIRING DIAGRAM

A005DP6E01
*a A/C
*b from IG1 NO. 1 Relay
*c Air Conditioning Control Assembly (Passenger Airbag ON/OFF Indicator)
*d Airbag ECU Assembly

CAUTION / NOTICE / HINT

Note


  • After turning the power switch off, waiting time may be required before disconnecting the cable from the negative (-) auxiliary battery terminal. Therefore, make sure to read the disconnecting the cable from the negative (-) auxiliary battery terminal notices before proceeding with work Click here.

  • Inspect the fuses for circuits related to this system before performing the following inspection procedure.

Tech Tips


  • Perform the simulation method by selecting check mode (Signal Check) using the GTS Click here.

  • After selecting check mode (Signal Check), perform the simulation method by wiggling each connector of the airbag system or driving the vehicle on a city road or rough road Click here.

PROCEDURE


  1. CHECK PASSENGER AIRBAG ON/OFF INDICATOR CONDITION


    1. Turn the power switch on (IG).

    2. Check the passenger airbag ON/OFF indicator operation.

      Result
      ON/OFF Indicator Illumination Proceed to
      Always ON A
      OFF B

      Tech Tips

      Refer to the normal condition of the passenger airbag ON/OFF indicator Click here.


    B
    A
  2. CHECK CONNECTORS


    1. Turn the power switch off.

    2. Disconnect the cable from the negative (-) auxiliary battery terminal.

      CAUTION:

      Wait at least 90 seconds after disconnecting the cable from the negative (-) auxiliary battery terminal to disable the SRS system.

    3. Check that the connectors are properly connected to the airbag ECU assembly and air conditioning control assembly.

      OK
      The connectors are properly connected.

      Tech Tips

      If the connectors are not connected securely, reconnect the connectors and proceed to the next inspection.

    4. Disconnect the connectors from the airbag ECU assembly and air conditioning control assembly.

    5. Check that the terminals of the connectors are not damaged.

      OK
      The terminals are not deformed or damaged.

    NG
    OK
  3. CHECK PASSENGER AIRBAG ON/OFF INDICATOR


    1. Connect the connector to the air conditioning control assembly.

    2. Connect the cable to the negative (-) auxiliary battery terminal.

    3. Turn the power switch on (IG).

    4. Check the passenger airbag ON/OFF indicator operation.

      OK
      The passenger airbag ON/OFF indicator does not come on.

    NG
    OK
  4. CHECK DTC


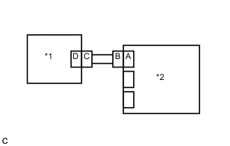
    1. A005CMPE01
      Text in Illustration
      *1 Air Conditioning Control Assembly
      *2 Airbag ECU Assembly

      Turn the power switch off.

    2. Disconnect the cable from the negative (-) auxiliary battery terminal.

      CAUTION:

      Wait at least 90 seconds after disconnecting the cable from the negative (-) auxiliary battery terminal to disable the SRS system.

    3. Connect the connector to the airbag ECU assembly.

    4. Connect the cable to the negative (-) auxiliary battery terminal.

    5. Clear the DTCs stored in memory Click here.

    6. Turn the power switch off.

    7. Turn the power switch on (IG), and wait for at least 60 seconds.

    8. Check for DTCs Click here.

      OK
      DTC B1660/43 is not output.

      Tech Tips

      Codes other than DTC B1660/43 may be output at this time, but they are not related to this check.


    OK
    NG
  5. CHECK INSTRUMENT PANEL WIRE (OPEN)


    1. A005DH6E02
      Text in Illustration
      *1 Air Conditioning Control Assembly
      *2 Airbag ECU Assembly
      *3 Instrument Panel Wire
      *4 Service Wire
      *a

      Front view of wire harness connector

      (to Airbag ECU Assembly)

      *b

      Front view of wire harness connector

      (to Air Conditioning Control Assembly)

      Turn the power switch off.

    2. Disconnect the cable from the negative (-) auxiliary battery terminal.

      CAUTION:

      Wait at least 90 seconds after disconnecting the cable from the negative (-) auxiliary battery terminal to disable the SRS system.

    3. Disconnect the connector from the air conditioning control assembly.

    4. Using a service wire, connect terminals 23 (PAON) and 17 (P-A/B) of connector B.

      Note

      Do not forcibly insert the service wire into the terminals of the connector when connecting the wire.

    5. Measure the resistance according to the value(s) in the table below.

      Standard Resistance
      Tester Connection Condition Specified Condition
      L20-5 (PAON) - L20-13 (P-AB) Always Below 1 Ω
    6. Disconnect the service wire from connector B.


    NG
    OK
  6. CHECK INSTRUMENT PANEL WIRE (SHORT)

    A0059NUE01
    Text in Illustration
    *1 Air Conditioning Control Assembly
    *2 Airbag ECU Assembly
    *3 Instrument Panel Wire
    *a

    Front view of wire harness connector

    (to Air Conditioning Control Assembly)


    1. Measure the resistance according to the value(s) in the table below.

      Standard Resistance
      Tester Connection Condition Specified Condition
      L20-5 (PAON) - L20-13 (P-AB) Always 1 MΩ or higher

    NG
    OK
  7. CHECK INSTRUMENT PANEL WIRE (SHORT TO B+)


    1. A0059NUE01
      Text in Illustration
      *1 Air Conditioning Control Assembly
      *2 Airbag ECU Assembly
      *3 Instrument Panel Wire
      *a

      Front view of wire harness connector

      (to Air Conditioning Control Assembly)

      Connect the cable to the negative (-) auxiliary battery terminal.

    2. Turn the power switch on (IG).

    3. Measure the voltage according to the value(s) in the table below.

      Standard Voltage
      Tester Connection Condition Specified Condition
      L20-5 (PAON) - Body ground Power switch on (IG) Below 1 V
      L20-13 (P-AB) - Body ground Power switch on (IG) Below 1 V
    4. Turn the power switch off.

    5. Disconnect the cable from the negative (-) auxiliary battery terminal.

      CAUTION:

      Wait at least 90 seconds after disconnecting the cable from the negative (-) auxiliary battery terminal to disable the SRS system.


    NG
    OK
  8. CHECK INSTRUMENT PANEL WIRE (SHORT TO GROUND)


    1. A0059NUE01
      Text in Illustration
      *1 Air Conditioning Control Assembly
      *2 Airbag ECU Assembly
      *3 Instrument Panel Wire
      *a

      Front view of wire harness connector

      (to Air Conditioning Control Assembly)

      Measure the resistance according to the value(s) in the table below.

      Standard Resistance
      Tester Connection Condition Specified Condition
      L20-5 (PAON) - Body ground Always 1 MΩ or higher
      L20-13 (P-AB) - Body ground Always 1 MΩ or higher

    OK
    NG
  9. CHECK CONNECTORS


    1. Turn the power switch off.

    2. Disconnect the cable from the negative (-) auxiliary battery terminal.

      CAUTION:

      Wait at least 90 seconds after disconnecting the cable from the negative (-) auxiliary battery terminal to disable the SRS system.

    3. Check that the connectors are properly connected to the airbag ECU assembly and air conditioning control assembly.

      OK
      The connectors are properly connected.

      Tech Tips

      If the connectors are not connected securely, reconnect the connectors and proceed to the next inspection.

    4. Disconnect the connectors from the airbag ECU assembly and air conditioning control assembly.

    5. Check that the terminals of the connectors are not damaged.

      OK
      The terminals are not deformed or damaged.

    NG
    OK
  10. CHECK INSTRUMENT PANEL WIRE (OPEN)


    1. A005DH6E02
      Text in Illustration
      *1 Air Conditioning Control Assembly
      *2 Airbag ECU Assembly
      *3 Instrument Panel Wire
      *4 Service Wire
      *a

      Front view of wire harness connector

      (to Airbag ECU Assembly)

      *b

      Front view of wire harness connector

      (to Air Conditioning Control Assembly)

      Using a service wire, connect terminals 23 (PAON) and 17 (P-A/B) of connector B.

      Note

      Do not forcibly insert the service wire into the terminals of the connector when connecting the wire.

    2. Measure the resistance according to the value(s) in the table below.

      Standard Resistance
      Tester Connection Condition Specified Condition
      L20-5 (PAON) - L20-13 (P-AB) Always Below 1 Ω
    3. Disconnect the service wire from connector B.


    NG
    OK
  11. CHECK INSTRUMENT PANEL WIRE (SHORT)


    1. A0059NUE01
      Text in Illustration
      *1 Air Conditioning Control Assembly
      *2 Airbag ECU Assembly
      *3 Instrument Panel Wire
      *a

      Front view of wire harness connector

      (to Air Conditioning Control Assembly)

      Measure the resistance according to the value(s) in the table below.

      Standard Resistance
      Tester Connection Condition Specified Condition
      L20-5 (PAON) - L20-13 (P-AB) Always 1 MΩ or higher

    NG
    OK
  12. CHECK INSTRUMENT PANEL WIRE (SHORT TO B+)


    1. A0059NUE01
      Text in Illustration
      *1 Air Conditioning Control Assembly
      *2 Airbag ECU Assembly
      *3 Instrument Panel Wire
      *a

      Front view of wire harness connector

      (to Air Conditioning Control Assembly)

      Connect the cable to the negative (-) auxiliary battery terminal.

    2. Turn the power switch on (IG).

    3. Measure the voltage according to the value(s) in the table below.

      Standard Voltage
      Tester Connection Condition Specified Condition
      L20-5 (PAON) - Body ground Power switch on (IG) Below 1 V
      L20-13 (P-AB) - Body ground Power switch on (IG) Below 1 V
    4. Turn the power switch off.

    5. Disconnect the cable from the negative (-) auxiliary battery terminal.

      CAUTION:

      Wait at least 90 seconds after disconnecting the cable from the negative (-) auxiliary battery terminal to disable the SRS system.


    NG
    OK
  13. CHECK INSTRUMENT PANEL WIRE (SHORT TO GROUND)


    1. A0059NUE01
      Text in Illustration
      *1 Air Conditioning Control Assembly
      *2 Airbag ECU Assembly
      *3 Instrument Panel Wire
      *a

      Front view of wire harness connector

      (to Air Conditioning Control Assembly)

      Measure the resistance according to the value(s) in the table below.

      Standard Resistance
      Tester Connection Condition Specified Condition
      L20-5 (PAON) - Body ground Always 1 MΩ or higher
      L20-13 (P-AB) - Body ground Always 1 MΩ or higher

    NG
    OK
  14. CHECK AIR CONDITIONING CONTROL ASSEMBLY (SOURCE VOLTAGE)


    1. A005A50E01
      Text in Illustration
      *1 Air Conditioning Control Assembly
      *2 Airbag ECU Assembly
      *3 Instrument Panel Wire
      *a

      Front view of wire harness connector

      (to Air Conditioning Control Assembly)

      Connect the cable to the negative (-) auxiliary battery terminal.

    2. Turn the power switch on (IG).

    3. Measure the voltage according to the value(s) in the table below.

      Standard Voltage
      Tester Connection Condition Specified Condition
      L20-16 (IG+) - Body ground Power switch on (IG) 11 to 14 V
    4. Turn the power switch off.

    5. Disconnect the cable from the negative (-) auxiliary battery terminal.

      CAUTION:

      Wait at least 90 seconds after disconnecting the cable from the negative (-) auxiliary battery terminal to disable the SRS system.


    NG
    OK
  15. CHECK PASSENGER AIRBAG ON/OFF INDICATOR


    1. A0059Q2E01
      Text in Illustration
      *1 Air Conditioning Control Assembly
      *2 Airbag ECU Assembly
      *3 Instrument Panel Wire
      *a

      Front view of wire harness connector

      (to Airbag ECU Assembly)

      Connect the connector to the air conditioning control assembly.

    2. Connect the cable to the negative (-) auxiliary battery terminal.

    3. Turn the power switch on (IG).

    4. Check the indicator according to the conditions in the table below.

      OK
      Terminal Connection Condition Specified Condition
      L16-23 (PAON) - Body ground Power switch on (IG) "ON" comes on
      L16-17 (P-A/B) - Body ground Power switch on (IG) "OFF" comes on
    5. Turn the power switch off.

    6. Disconnect the cable from the negative (-) auxiliary battery terminal.

      CAUTION:

      Wait at least 90 seconds after disconnecting the cable from the negative (-) auxiliary battery terminal to disable the SRS system.


    NG
    OK
  16. CHECK DTC


    1. A005CMPE01
      Text in Illustration
      *1 Air Conditioning Control Assembly
      *2 Airbag ECU Assembly

      Connect the connector to the airbag ECU assembly.

    2. Connect the cable to the negative (-) auxiliary battery terminal.

    3. Clear the DTCs stored in memory Click here.

    4. Turn the power switch off.

    5. Turn the power switch on (IG), and wait for at least 60 seconds.

    6. Check for DTCs Click here.

      OK
      DTC B1660/43 is not output.

      Tech Tips

      Codes other than DTC B1660/43 may be output at this time, but they are not related to this check.


    OK
    NG