CONTINUOUSLY VARIABLE TRANSAXLE SYSTEM(for 8NR-FTS), Diagnostic DTC:P070513 and P070562

DTC Code DTC Name
P070513 Transmission Range Sensor "A" Circuit Open
P070562 Transmission Range Sensor "A" Signal Compare Failure

DESCRIPTION

The park/neutral position switch assembly and shift lock control unit assembly (transmission control switch) detect the shift lever position and send signals to the ECM.

DTC No.

Detection Item

DTC Detection Condition

Trouble Area

MIL

Memory

Note

P070513

Transmission Range Sensor "A" Circuit Open

1. Diagnosis Condition 2. Malfunction Status 3. Malfunction Time 4. Other

  1. The ignition switch is ON and battery voltage is 10.5 V or more.

  2. All signals are OFF simultaneously.

    • NSW input signal

    • P input signal

    • R input signal

    • N input signal

    • D input signal

  3. 60 seconds

  4. 2-trip detection logic

  • Wire harness or connector

  • Park/neutral position switch assembly

  • Shift lock control unit assembly (Transmission control switch)

  • ECM

Comes on

DTC stored

SAE Code:

P0705

P070562

Transmission Range Sensor "A" Signal Compare Failure

1. Diagnosis Condition 2. Malfunction Status 3. Malfunction Time 4. Other

  1. The ignition switch is ON and battery voltage is 10.5 V or more.

  2. 2 or more of the following signals are ON simultaneously.

    • (NSW, P, N) input signal

    • R input signal

    • D input signal

  3. 2 seconds

  4. 2-trip detection logic

  • Wire harness or connector

  • Park/neutral position switch assembly

  • Shift lock control unit assembly (Transmission control switch)

  • ECM

Comes on

DTC stored

SAE Code:

P0705

MONITOR DESCRIPTION

This DTC indicates a problem with the park/neutral position switch or the wire harness of the park/neutral position switch circuit.

The park/neutral position switch detects the shift lever position and sends a signal to the ECM. For safety, the park/neutral position switch detects the shift lever position so that the engine can be started only when the shift lever is in P or N.

The park/neutral position switch sends a signal to the ECM according to the shift lever position (P, R, N or D).

The ECM determines that there is a problem with the switch or related parts if it receives more than 1 position signal simultaneously. The ECM will then illuminate the MIL and store a DTC.

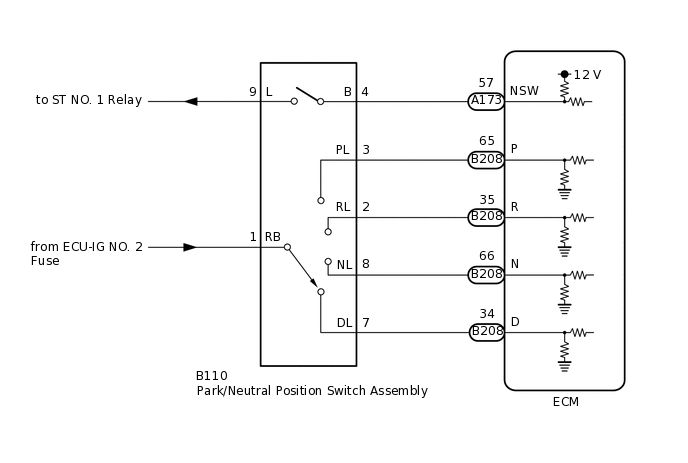
WIRING DIAGRAM

C323654E17

CAUTION / NOTICE / HINT

Note:

Inspect the fuses for circuits related to this system before performing the following inspection procedure.

Tip:

After performing repair, clear the DTCs and perform the following procedure to check that DTCs are not output.

  1. Turn the ignition switch to ON.

  2. Wait with the shift lever in each position (P, R, N and D) for 60 seconds or more each.

  3. Turn the ignition switch off.

  4. Perform steps (1) through (2) again.

  5. Check for DTCs again.

    Click here

PROCEDURE

  1. READ VALUE USING GTS (NEUTRAL POSITION SW AND SHIFT SW STATUS)

    1. Connect the GTS to the DLC3.

    2. Turn the ignition switch to ON.

    3. Turn the GTS on.

    4. Enter the following menus: Powertrain / Transmission / Data List.

    5. According to the display on the GTS, read the Data List.

      Powertrain > Transmission > Data List

      Tester Display

      Measurement Item

      Range

      Normal Condition

      Diagnostic Note

      Neutral Position SW

      Park/neutral position switch status

      OFF or ON

      • OFF: Shift lever not in P or N

      • ON: Shift lever in P or N

      When the shift lever position displayed on the GTS differs from the actual position, the adjustment of the park/neutral position switch assembly or shift cable may be incorrect.

      Shift SW Status (P Range)

      Park/neutral position switch status

      OFF or ON

      • OFF: Shift lever not in P

      • ON: Shift lever in P

      When the shift lever position displayed on the GTS differs from the actual position, the adjustment of the park/neutral position switch assembly or shift cable may be incorrect.

      Shift SW Status (R Range)

      Park/neutral position switch status

      OFF or ON

      • OFF: Shift lever not in R

      • ON: Shift lever in R

      When the shift lever position displayed on the GTS differs from the actual position, the adjustment of the park/neutral position switch assembly or shift cable may be incorrect.

      Shift SW Status (N Range)

      Park/neutral position switch status

      OFF or ON

      • OFF: Shift lever not in N

      • ON: Shift lever in N

      When the shift lever position displayed on the GTS differs from the actual position, the adjustment of the park/neutral position switch assembly or shift cable may be incorrect.

      Shift SW Status (D Range)

      Park/neutral position switch status

      OFF or ON

      • OFF: Shift lever not in D

      • ON: Shift lever in D

      When the shift lever position displayed on the GTS differs from the actual position, the adjustment of the park/neutral position switch assembly or shift cable may be incorrect.

      Powertrain > Transmission > Data List

      Tester Display

      Neutral Position SW

      Shift SW Status (P Range)

      Shift SW Status (R Range)

      Shift SW Status (N Range)

      Shift SW Status (D Range)

    Result

    Result

    Proceed to

    Data List value is normal

    A

    Data List value is not normal

    B

    A

    CHECK FOR INTERMITTENT PROBLEMS

    B
  2. CHECK HARNESS AND CONNECTOR (BATTERY - PARK/NEUTRAL POSITION SWITCH ASSEMBLY)

    1. Disconnect the B110 park/neutral position switch assembly connector.

    2. Measure the voltage according to the value(s) in the table below.

      Standard Voltage

      Tester Connection

      Condition

      Specified Condition

      B110-1 (RB) - Body ground

      Ignition switch ON

      11 to 14 V

      B110-1 (RB) - Body ground

      Ignition switch off

      Below 1 V

    3. Connect the B110 park/neutral position switch assembly connector.

    Result

    Proceed to

    OK

    NG

    NG

    REPAIR OR REPLACE HARNESS OR CONNECTOR (BATTERY - PARK/NEUTRAL POSITION SWITCH ASSEMBLY)

    OK
  3. INSPECT PARK/NEUTRAL POSITION SWITCH ASSEMBLY

    1. C193931C34

      *a

      Component without harness connected

      (Park/Neutral Position Switch Assembly)

      Disconnect the B110 park/neutral position switch assembly connector.

    2. Measure the resistance according to the value(s) in the table below.

      Standard Resistance

      Tester Connection

      Condition

      Specified Condition

      4 (B) - 9 (L)

      Shift lever in P or N

      Below 1 Ω

      Shift lever not in P or N

      10 kΩ or higher

      1 (RB) - 3 (PL)

      Shift lever in P

      Below 1 Ω

      Shift lever not in P

      10 kΩ or higher

      1 (RB) - 2 (RL)

      Shift lever in R

      Below 1 Ω

      Shift lever not in R

      10 kΩ or higher

      1 (RB) - 8 (NL)

      Shift lever in N

      Below 1 Ω

      Shift lever not in N

      10 kΩ or higher

      1 (RB) - 7 (DL)

      Shift lever in D

      Below 1 Ω

      Shift lever not in D

      10 kΩ or higher

    3. Connect the B110 park/neutral position switch assembly connector.

    Result

    Proceed to

    OK

    NG

    NG

    REPLACE PARK/NEUTRAL POSITION SWITCH ASSEMBLY

    OK
  4. CHECK HARNESS AND CONNECTOR (PARK/NEUTRAL POSITION SWITCH ASSEMBLY - ECM)

    1. Disconnect the B110 park/neutral position switch assembly connector.

    2. Disconnect the A173 and B208 ECM connectors.

    3. Measure the resistance according to the value(s) in the table below.

      Standard Resistance

      Tester Connection

      Condition

      Specified Condition

      B110-3 (PL) - B208-65 (P)

      Always

      Below 1 Ω

      B110-2 (RL) - B208-35 (R)

      Always

      Below 1 Ω

      B110-8 (NL) - B208-66 (N)

      Always

      Below 1 Ω

      B110-7 (DL) - B208-34 (D)

      Always

      Below 1 Ω

      B110-4 (B) - A173-57 (NSW)

      Always

      Below 1 Ω

      B110-3 (PL) or B208-65 (P) - Body ground and other terminals

      Always

      10 kΩ or higher

      B110-2 (RL) or B208-35 (R) - Body ground and other terminals

      Always

      10 kΩ or higher

      B110-8 (NL) or B208-66 (N) - Body ground and other terminals

      Always

      10 kΩ or higher

      B110-7 (DL) or B208-34 (D) - Body ground and other terminals

      Always

      10 kΩ or higher

      B110-4 (B) or A173-57 (NSW) - Body ground and other terminals

      Always

      10 kΩ or higher

    4. Connect the A173 and B208 ECM connectors.

    5. Connect the B110 park/neutral position switch assembly connector.

    Result

    Proceed to

    OK

    NG

    NG

    REPAIR OR REPLACE HARNESS OR CONNECTOR (PARK/NEUTRAL POSITION SWITCH ASSEMBLY - ECM)

    OK
  5. REPLACE ECM

    1. Replace the ECM.

      Click here

    Result

    Proceed to

    NEXT

    NEXT

    PERFORM INITIALIZATION