СИСТЕМА АДАПТИВНОГО ВКЛЮЧЕНИЯ ДАЛЬНЕГО СВЕТА, диагностический DTC: B2490 и B2491

Код DTC Наименование DTC
B2490 Цепь вентилятора левого светодиода
B2491 Цепь вентилятора правого светодиода

ОПИСАНИЕ

ЭБУ управления светодиодным освещением получает сигналы управления системы адаптивного включения дальнего света от ЭБУ фары по шине передачи данных LIN и управляет дополнительным вентилятором, обеспечивая охлаждения дополнительных светодиодов, чтобы предотвратить их перегрев.

Когда фара ближнего света включена, он непрерывно управляет дополнительным вентилятором.

ЭБУ управления светодиодным освещением использует импульсные сигналы с контакта FANP для контроля вращения дополнительного вентилятора и при обнаружении неисправности передает сигнал в ЭБУ фары по шине передачи данных LIN.

№ DTC

Неисправность

Условие обнаружения DTC

Неисправный участок

B2490

Цепь вентилятора левого светодиода

  • Условие обнаружения:

  • Зажигание включено (IG), фары ближнего света горят

  • Состояние неисправности:

  • От левого ЭБУ управления светодиодным освещением поступают сигналы неисправности дополнительного вентилятора

  • Блок левой фары в сборе

  • Блок левой фары (вентилятор левого светодиодного блока)

  • Левый ЭБУ управления светодиодным освещением

B2491

Цепь вентилятора правого светодиода

  • Условие обнаружения:

  • Зажигание включено (IG), фары ближнего света горят

  • Состояние неисправности:

  • От правого ЭБУ управления светодиодным освещением поступают сигналы неисправности дополнительного вентилятора

  • Блок правой фары в сборе

  • Блок правой фары (вентилятор правого светодиодного блока)

  • Правый ЭБУ управления светодиодным освещением

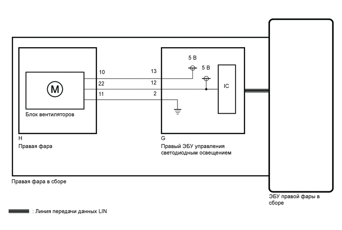
СХЕМА ЭЛЕКТРИЧЕСКИХ СОЕДИНЕНИЙ

Figure 1. Для левой стороны:
E377928E01
Figure 2. Для правой стороны:
E377928E02

ПОРЯДОК ВЫПОЛНЕНИЯ

  1. ПРОВЕРЬТЕ DTC

    1. Удалите коды DTC.

      Нажмите здесьЩелкните по следующей ссылке

      Body Electrical > AFS > Clear DTCs

    2. Включите зажигание (IG).

    3. С помощью переключателя освещения включите ближний свет фар.

    4. Проверьте наличие кодов DTC.

      Нажмите здесьЩелкните по следующей ссылке

      Body Electrical > AFS > Trouble Codes

      СООТВ

      DTC B2490 или B2491 не выводятся.

    Результат

    Result

    Перейти к

    OK

    A

    NG (код DTC B2490 не выводится)

    B

    NG (код DTC B2491 не выводится)

    C

    A

    ВЫПОЛНИТЕ ПРОВЕРКУ С ИМИТАЦИЕЙ УСЛОВИЙ ВОЗНИКНОВЕНИЯ НЕИСПРАВНОСТИ

    C

    ПРОВЕРЬТЕ БЛОК ПРАВОЙ ФАРЫ В СБОРЕЩелкните по следующей ссылке

    B
  2. ПРОВЕРЬТЕ БЛОК ЛЕВОЙ ФАРЫ В СБОРЕ

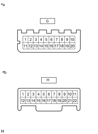
    1. E378476C01

      *a

      Устройство с неподсоединенным жгутом проводов

      (левый ЭБУ управления светодиодным освещением)

      *b

      Устройство с неподсоединенным жгутом проводов

      (левая фара)

      Снимите левый блок фары.

      Нажмите здесьЩелкните по следующей ссылке

    2. Измерьте сопротивление в соответствии со значениями, приведенными в таблице ниже.

      Номинальное сопротивление

      Подключение диагностического прибора

      Условие

      Заданные условия

      G-13 - H-2

      Всегда

      Менее 1 Ом

      G-12 - H-12

      Всегда

      Менее 1 Ом

      G-2 - H-1

      Всегда

      Менее 1 Ом

    Результат

    Перейти к

    OK

    НЕ СООТВ.

    НЕ СООТВ.

    ЗАМЕНИТЕ БЛОК ЛЕВОЙ ФАРЫ В СБОРЕ

    СООТВ
  3. ПРОВЕРЬТЕ ЛЕВЫЙ ЭБУ УПРАВЛЕНИЯ СВЕТОДИОДНЫМ ОСВЕЩЕНИЕМ

    1. E378477C01

      *a

      Устройство с неподсоединенным жгутом проводов

      (левая фара)

      Снимите левый блок фары.

      Нажмите здесьЩелкните по следующей ссылке

    2. Подсоедините разъемы ЭБУ левой фары в сборе.

    3. Подсоедините разъемы левого ЭБУ управления светодиодным освещением.

    4. Измерьте напряжение в соответствии со значениями, приведенными в таблице.

      Номинальное напряжение

      Подключение диагностического прибора

      Условие

      Заданные условия

      H-2 - H-1

      Фары ближнего света горят

      4,75-5,25 В

      H-12 - H-1

    Результат

    Перейти к

    OK

    НЕ СООТВ.

    СООТВ

    ЗАМЕНИТЕ ЛЕВУЮ ФАРУ В СБОРЕ

    НЕ СООТВ.

    ЗАМЕНИТЕ ЛЕВЫЙ ЭБУ УПРАВЛЕНИЯ СВЕТОДИОДНЫМ ОСВЕЩЕНИЕМ

  4. ПРОВЕРЬТЕ БЛОК ПРАВОЙ ФАРЫ В СБОРЕ

    1. E378476C01

      *a

      Устройство с неподсоединенным жгутом проводов

      (правый ЭБУ управления светодиодным освещением)

      *b

      Устройство с неподсоединенным жгутом проводов

      (правая фара)

      Снимите правый блок фары.

      Нажмите здесьЩелкните по следующей ссылке

    2. Измерьте сопротивление в соответствии со значениями, приведенными в таблице ниже.

      Номинальное сопротивление

      Подключение диагностического прибора

      Условие

      Заданные условия

      G-13 - H-10

      Всегда

      Менее 1 Ом

      G-12 - H-22

      Всегда

      Менее 1 Ом

      G-2 - H-11

      Всегда

      Менее 1 Ом

    Результат

    Перейти к

    OK

    НЕ СООТВ.

    НЕ СООТВ.

    ЗАМЕНИТЕ БЛОК ПРАВОЙ ФАРЫ В СБОРЕ

    СООТВ
  5. ПРОВЕРЬТЕ ПРАВЫЙ ЭБУ УПРАВЛЕНИЯ СВЕТОДИОДНЫМ ОСВЕЩЕНИЕМ

    1. E378477C01

      *a

      Устройство с неподсоединенным жгутом проводов

      (правая фара)

      Снимите правый блок фары.

      Нажмите здесьЩелкните по следующей ссылке

    2. Подсоедините разъемы ЭБУ правой фары в сборе.

    3. Подсоедините разъемы правого ЭБУ управления светодиодным освещением.

    4. Измерьте напряжение в соответствии со значениями, приведенными в таблице.

      Номинальное напряжение

      Подключение диагностического прибора

      Условие

      Заданные условия

      H-10 - H-11

      Фары ближнего света горят

      4,75-5,25 В

      H-22 - H-11

    Результат

    Перейти к

    OK

    НЕ СООТВ.

    СООТВ

    ЗАМЕНИТЕ ПРАВУЮ ФАРУ В СБОРЕ

    НЕ СООТВ.

    ЗАМЕНИТЕ ЛЕВЫЙ ЭБУ УПРАВЛЕНИЯ СВЕТОДИОДНЫМ ОСВЕЩЕНИЕМ