HYBRID CONTROL SYSTEM ECU Power Source Circuit

DTC Code DTC Name
ECU Power Source Circuit

DESCRIPTION

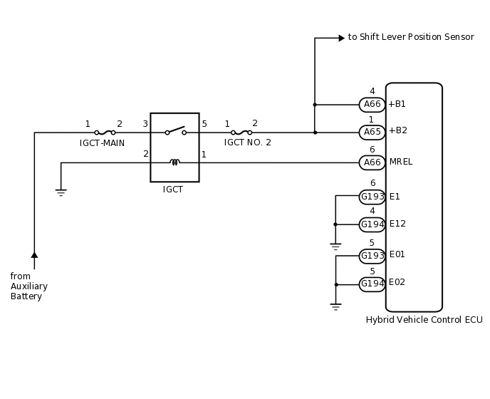
If the power switch is on (IG), the hybrid vehicle control ECU applies current to the MREL terminal to turn the IGCT relay on. This supplies power to the +B1 and +B2 terminals.

WIRING DIAGRAM

Refer to the wiring diagram for DTC P0A08-264.

Click here

C344148E02

PROCEDURE

  1. CHECK HYBRID VEHICLE CONTROL ECU (+B1, +B2 VOLTAGE)

    1. Turn the power switch on (IG).

    2. A374929C14

      *a

      Component with harness connected

      (Hybrid Vehicle Control ECU)

      Measure the voltage according to the value(s) in the table below.

      Standard Voltage

      Tester Connection

      Condition

      Specified Condition

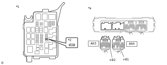
      A66-4 (+B1) - Body ground

      Power switch on (IG)

      11 to 14 V

      A65-1 (+B2) - Body ground

      Power switch on (IG)

      11 to 14 V

    3. Turn the power switch off.

    Result

    Proceed to

    OK

    NG

    NG

    CHECK HYBRID VEHICLE CONTROL ECU (MREL VOLTAGE)Click here

    OK
  2. CHECK HARNESS AND CONNECTOR (HYBRID VEHICLE CONTROL ECU - BODY GROUND)

    1. Disconnect the G193 and G194 hybrid vehicle control ECU connectors.

    2. A253458C75

      *a

      Rear view of wire harness connector

      (to Hybrid Vehicle Control ECU)

      Measure the resistance according to the value(s) in the table below.

      Standard Resistance

      Tester Connection

      Condition

      Specified Condition

      G193-5 (E01) - Body ground

      Always

      Below 1 Ω

      G193-6 (E1) - Body ground

      Always

      Below 1 Ω

      G194-4 (E12) - Body ground

      Always

      Below 1 Ω

      G194-5 (E02) - Body ground

      Always

      Below 1 Ω

    3. Reconnect the G193 and G194 hybrid vehicle control ECU connectors.

    Result

    Proceed to

    OK

    NG

    OK

    GO TO PROBLEM SYMPTOMS TABLE

    NG

    REPAIR OR REPLACE HARNESS OR CONNECTOR

  3. CHECK HYBRID VEHICLE CONTROL ECU (MREL VOLTAGE)

    1. Turn the power switch on (IG).

    2. A374929C17

      *a

      Component with harness connected

      (Hybrid Vehicle Control ECU)

      Measure the voltage according to the value(s) in the table below.

      Standard Voltage

      Tester Connection

      Condition

      Specified Condition

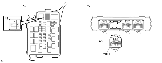
      A66-6 (MREL) - Body ground

      Power switch on (IG)

      11 to 14 V

    3. Turn the power switch off.

    Result

    Proceed to

    OK

    NG

    NG

    REPLACE HYBRID VEHICLE CONTROL ECU

    OK
  4. CHECK FUSE (IGCT NO. 2)

    1. C298829C01

      *1

      No. 2 Engine Room Relay Block and Junction Block Assembly

      *2

      IGCT NO. 2 Fuse

      Remove the IGCT NO. 2 fuse from the No. 2 engine room relay block and junction block assembly.

    2. Measure the resistance according to the value(s) in the table below.

      Standard Resistance

      Tester Connection

      Condition

      Specified Condition

      IGCT NO. 2 fuse terminals

      Always

      Below 1 Ω

    3. Install the IGCT NO. 2 fuse.

    Result

    Proceed to

    OK

    NG

    NG

    CHECK HARNESS AND CONNECTOR (NO. 2 ENGINE ROOM RELAY BLOCK AND JUNCTION BLOCK ASSEMBLY - HYBRID VEHICLE CONTROL ECU)Click here

    OK
  5. CHECK FUSE (IGCT-MAIN)

    1. C299067C01

      *1

      Engine Room Relay Block and Junction Block Assembly

      *2

      IGCT-MAIN Fuse

      Remove the IGCT-MAIN fuse from the engine room relay block and junction block assembly.

    2. Measure the resistance according to the value(s) in the table below.

      Standard Resistance

      Tester Connection

      Condition

      Specified Condition

      IGCT-MAIN fuse terminals

      Always

      Below 1 Ω

    3. Install the IGCT-MAIN fuse.

    Result

    Proceed to

    OK

    NG

    NG

    CHECK HARNESS AND CONNECTOR (ENGINE ROOM RELAY BLOCK AND JUNCTION BLOCK ASSEMBLY)Click here

    OK
  6. INSPECT RELAY (IGCT)

    1. C344123C01

      *1

      No. 2 Engine Room Relay Block and Junction Block Assembly

      *2

      IGCT Relay

      Remove the IGCT relay from the No. 2 engine room relay block and junction block assembly.

    2. A253297C01

      *1

      IGCT Relay

      Measure the resistance according to the value(s) in the table below.

      Standard Resistance

      Tester Connection

      Condition

      Specified Condition

      3 - 5

      Auxiliary battery voltage not applied between terminals 1 and 2

      10 kΩ or higher

      Auxiliary battery voltage applied between terminals 1 and 2

      Below 1 Ω

    3. Install the IGCT relay.

    Result

    Proceed to

    OK

    NG

    NG

    REPLACE RELAY (IGCT)

    OK
  7. CHECK HARNESS AND CONNECTOR (NO. 2 ENGINE ROOM RELAY BLOCK AND JUNCTION BLOCK ASSEMBLY - HYBRID VEHICLE CONTROL ECU)

    1. C298829C01

      *1

      No. 2 Engine Room Relay Block and Junction Block Assembly

      *2

      IGCT NO. 2 Fuse

      Remove the IGCT NO. 2 fuse from the No. 2 engine room relay block and junction block assembly.

    2. Disconnect the A65 and A66 hybrid vehicle control ECU connectors.

    3. Measure the resistance according to the value(s) in the table below.

      C344151C02

      *1

      No. 2 Engine Room Relay Block and Junction Block Assembly

      *2

      IGCT NO. 2 Fuse

      *a

      Rear view of wire harness connector

      (to Hybrid Vehicle Control ECU)

      -

      -

      Standard Resistance

      Tester Connection

      Condition

      Specified Condition

      A66-4 (+B1) - 2 (IGCT NO. 2 fuse)

      Always

      Below 1 Ω

      A65-1 (+B2) - 2 (IGCT NO. 2 fuse)

      Always

      Below 1 Ω

    4. Reconnect the A65 and A66 hybrid vehicle control ECU connectors.

    5. Install the IGCT NO. 2 fuse.

    Result

    Proceed to

    OK

    NG

    NG

    REPAIR OR REPLACE HARNESS OR CONNECTOR

    OK
  8. CHECK HARNESS AND CONNECTOR (ENGINE ROOM RELAY BLOCK AND JUNCTION BLOCK ASSEMBLY)

    1. C299067C01

      *1

      Engine Room Relay Block and Junction Block Assembly

      *2

      IGCT-MAIN Fuse

      Remove the IGCT-MAIN fuse from the engine room relay block and junction block assembly.

    2. C299068C01

      *1

      No. 2 Engine Room Relay Block and Junction Block Assembly

      *3

      IGCT NO. 2 Fuse

      *4

      IGCT Relay

      Remove the IGCT NO. 2 fuse and IGCT relay from the No. 2 engine room relay block and junction block assembly.

    3. Measure the resistance according to the value(s) in the table below.

      C344152C02

      *1

      Engine Room Relay Block and Junction Block Assembly

      *2

      No. 2 Engine Room Relay Block and Junction Block Assembly

      *3

      IGCT-MAIN Fuse

      *4

      IGCT NO. 2 Fuse

      *5

      IGCT Relay

      -

      -

      Standard Resistance

      Tester Connection

      Condition

      Specified Condition

      3 (IGCT relay) - 2 (IGCT-MAIN fuse)

      Always

      Below 1 Ω

      5 (IGCT relay) - 1 (IGCT NO. 2 fuse)

      Always

      Below 1 Ω

    4. Install the IGCT-MAIN fuse, IGCT NO. 2 fuse and IGCT relay.

    Result

    Proceed to

    OK

    NG

    NG

    REPAIR OR REPLACE HARNESS OR CONNECTOR

    OK
  9. CHECK HARNESS AND CONNECTOR (HYBRID VEHICLE CONTROL ECU - NO. 2 ENGINE ROOM RELAY BLOCK AND JUNCTION BLOCK ASSEMBLY)

    1. Disconnect the A66 hybrid vehicle control ECU connector.

    2. Remove the IGCT relay from the No. 2 engine room relay block and junction block assembly.

    3. Measure the resistance according to the value(s) in the table below.

      C344153C02

      *1

      No. 2 Engine Room Relay Block and Junction Block Assembly

      *2

      IGCT Relay

      *a

      Rear view of wire harness connector

      (to Hybrid Vehicle Control ECU)

      -

      -

      Standard Resistance

      Tester Connection

      Condition

      Specified Condition

      A66-6 (MREL) - 1 (IGCT relay)

      Always

      Below 1 Ω

      A66-6 (MREL) or 1 (IGCT relay) - Body ground and other terminals

      Always

      10 kΩ or higher

    4. Install the IGCT relay.

    5. Reconnect the A66 hybrid vehicle control ECU connector.

    Result

    Proceed to

    OK

    NG

    NG

    REPAIR OR REPLACE HARNESS OR CONNECTOR

    OK
  10. CHECK HARNESS AND CONNECTOR (NO. 2 ENGINE ROOM RELAY BLOCK AND JUNCTION BLOCK ASSEMBLY - BODY GROUND)

    1. C344123C01

      *1

      No. 2 Engine Room Relay Block and Junction Block Assembly

      *2

      IGCT Relay

      Remove the IGCT relay from the No. 2 engine room relay block and junction block assembly.

    2. C299072C01

      *1

      No. 2 Engine Room Relay Block and Junction Block Assembly

      *2

      IGCT Relay

      Measure the resistance according to the value(s) in the table below.

      Standard Resistance

      Tester Connection

      Condition

      Specified Condition

      2 (IGCT relay) - Body ground

      Always

      Below 1 Ω

    3. Install the IGCT relay.

    Result

    Proceed to

    OK

    NG

    NG

    REPAIR OR REPLACE HARNESS OR CONNECTOR

    OK
  11. CHECK HARNESS AND CONNECTOR (ENGINE ROOM RELAY BLOCK AND JUNCTION BLOCK ASSEMBLY)

    1. C299073C01

      *1

      Engine Room Relay Block and Junction Block Assembly

      *2

      AMD Terminal

      *3

      IGCT-MAIN Fuse

      Remove the IGCT-MAIN fuse from the engine room relay block and junction block assembly.

    2. Disconnect the inverter wire sub-assembly from the AMD terminal (engine room relay block and junction block assembly side).

    3. C299074C07

      *1

      Engine Room Relay Block and Junction Block Assembly

      *2

      IGCT-MAIN Fuse

      Measure the resistance according to the value(s) in the table below.

      Standard Resistance

      Tester Connection

      Condition

      Specified Condition

      1C-1 (AMD) - 1 (IGCT-MAIN fuse)

      Always

      Below 1 Ω

    4. Install the IGCT-MAIN fuse.

    5. Reconnect the inverter wire sub-assembly.

    Result

    Proceed to

    OK

    NG

    OK

    CHECK FOR INTERMITTENT PROBLEMS

    NG

    CHECK FUSE (DC/DC)Click here

  12. CHECK HARNESS AND CONNECTOR (NO. 2 ENGINE ROOM RELAY BLOCK AND JUNCTION BLOCK ASSEMBLY - HYBRID VEHICLE CONTROL ECU)

    1. C298829C01

      *1

      No. 2 Engine Room Relay Block and Junction Block Assembly

      *2

      IGCT NO. 2 Fuse

      Remove the IGCT NO. 2 fuse from the No. 2 engine room relay block and junction block assembly.

    2. Disconnect the A65 and A66 hybrid vehicle control ECU connectors.

    3. Measure the resistance according to the value(s) in the table below.

      C344151C02

      *1

      No. 2 Engine Room Relay Block and Junction Block Assembly

      *2

      IGCT NO. 2 Fuse

      *a

      Rear view of wire harness connector

      (to Hybrid Vehicle Control ECU)

      -

      -

      Standard Resistance

      Tester Connection

      Condition

      Specified Condition

      A66-4 (+B1) or 2 (IGCT NO. 2 fuse) - Body ground and other terminals

      Always

      10 kΩ or higher

      A65-1 (+B2) or 2 (IGCT NO. 2 fuse) - Body ground and other terminals

      Always

      10 kΩ or higher

    4. Reconnect the A65 and A66 hybrid vehicle control ECU connectors.

    5. Install the IGCT NO. 2 fuse.

    Result

    Proceed to

    OK

    NG

    OK

    REPLACE FUSE (IGCT NO. 2)

    NG

    REPAIR OR REPLACE HARNESS OR CONNECTORClick here

  13. CHECK HARNESS AND CONNECTOR (ENGINE ROOM RELAY BLOCK AND JUNCTION BLOCK ASSEMBLY)

    1. C299067C01

      *1

      Engine Room Relay Block and Junction Block Assembly

      *2

      IGCT-MAIN Fuse

      Disconnect the IGCT-MAIN fuse from the engine room relay block and junction block assembly.

    2. C299068C01

      *1

      No. 2 Engine Room Relay Block and Junction Block Assembly

      *2

      IGCT NO. 2 Fuse

      *3

      IGCT Relay

      Disconnect the IGCT NO. 2 fuse and IGCT relay from the No. 2 engine room relay block and junction block assembly.

    3. Measure the resistance according to the value(s) in the table below.

      C344152C02

      *1

      Engine Room Relay Block and Junction Block Assembly

      *2

      No. 2 Engine Room Relay Block and Junction Block Assembly

      *3

      IGCT-MAIN Fuse

      *4

      IGCT NO. 2 Fuse

      *5

      IGCT Relay

      -

      -

      Table 1. Standard Resistance:

      Tester Connection

      Condition

      Specified Condition

      3 (IGCT relay) or 2 (IGCT-MAIN fuse) - Body ground and other terminals

      Always

      10 kΩ or higher

      5 (IGCT relay) or 1 (IGCT NO. 2 fuse) - Body ground and other terminals

      Always

      10 kΩ or higher

    4. Install the IGCT-MAIN fuse, IGCT NO. 2 fuse and IGCT relay.

    Result

    Proceed to

    OK

    NG

    OK

    REPLACE RELAY (IGCT-MAIN)

    NG

    REPAIR OR REPLACE HARNESS OR CONNECTORClick here

  14. CHECK FUSE (DC/DC)

    Click here

    Result

    Proceed to

    OK

    NG

    OK

    REPAIR OR REPLACE HARNESS OR CONNECTOR

    NG

    REPLACE FUSE (DC/DC)

  15. REPAIR OR REPLACE HARNESS OR CONNECTOR

    Result

    Proceed to

    NEXT

    NEXT

    REPLACE FUSE (IGCT NO. 2)

  16. REPAIR OR REPLACE HARNESS OR CONNECTOR

    Result

    Proceed to

    NEXT

    NEXT

    REPLACE FUSE (IGCT-MAIN)