DESCRIPTION
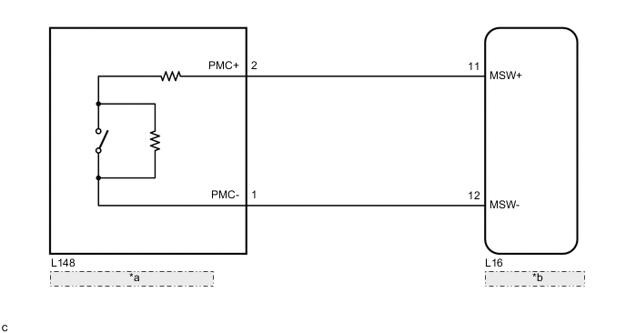
The airbag cut off switch circuit consists of the airbag ECU assembly and airbag cut off switch cylinder sub-assembly.
The front passenger airbag can be optionally deactivated via this circuit by turning the airbag cut off switch cylinder sub-assembly to the OFF position.
If the front passenger airbag are deactivated, the passenger airbag ON/OFF indicator ("OFF") comes on to inform the passengers.
DTC B1651/33 is stored when a malfunction is detected in the airbag cut off switch circuit.
| DTC No. | DTC Detecting Condition | Trouble Area |
|---|---|---|
| B1651/33 |
|
|
WIRING DIAGRAM
| *a | Airbag Cut Off Switch Cylinder Sub-assembly |
| *b | Airbag ECU Assembly |
CAUTION / NOTICE / HINT
Note
After turning the power switch off, waiting time may be required before disconnecting the cable from the negative (-) auxiliary battery terminal. Therefore, make sure to read the disconnecting the cable from the negative (-) auxiliary battery terminal notices before proceeding with work Click here.
Tech Tips
Terminals L16-11 (MSW+) and L16-12 (MSW-) of the airbag ECU assembly in this circuit have an activation prevention mechanism.
This mechanism can be used to check for an open circuit in the wire harness. In case of other checks (check for short, short to ground or short to B+), this mechanism should be released.
PROCEDURE
CHECK CONNECTORS
Turn the power switch off.
Disconnect the cable from the negative (-) auxiliary battery terminal.
CAUTION:
Wait at least 90 seconds after disconnecting the cable from the negative (-) auxiliary battery terminal to disable the SRS system.
Check that the connectors are properly connected to the airbag ECU assembly and airbag cut off switch cylinder sub-assembly.
| OK |
|---|
| The connectors are properly connected. |
Tech Tips
If the connectors are not connected securely, reconnect the connector and proceed to the next inspection.
Disconnect the connectors from the airbag ECU assembly and airbag cut off switch cylinder sub-assembly.
Check that the terminals of the connectors are not damaged.
| OK |
|---|
| The terminals are not deformed or damaged. |
Check that the short spring for the instrument panel wire connector with the activation prevention mechanism is not deformed or damaged.
| OK |
|---|
| The short spring is not deformed or damaged. |
| NG |
|
REPLACE INSTRUMENT PANEL WIRE |
| OK |
|
CHECK INSTRUMENT PANEL WIRE (OPEN)
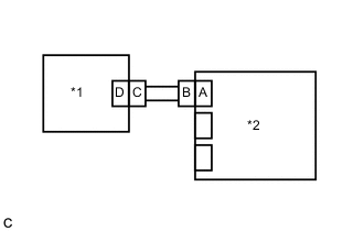
| *1 | Airbag Cut Off Switch Cylinder Sub-assembly |
| *2 | Airbag ECU Assembly |
| *3 | Instrument Panel Wire |
| *a | Front view of wire harness connector (to Airbag Cut Off Switch Cylinder Sub-assembly) |
Measure the resistance according to the value(s) in the table below.
| Standard Resistance | ||||||
|---|---|---|---|---|---|---|
|
| NG |
|
REPLACE INSTRUMENT PANEL WIRE |
| OK |
|
CHECK INSTRUMENT PANEL WIRE (SHORT)
| *1 | Airbag Cut Off Switch Cylinder Sub-assembly |
| *2 | Airbag ECU Assembly |
| *3 | Instrument Panel Wire |
| *a | Front view of wire harness connector (to Airbag Cut Off Switch Cylinder Sub-assembly) |
Release the activation prevention mechanism built into connector B Click here.
Measure the resistance according to the value(s) in the table below.
| Standard Resistance | ||||||
|---|---|---|---|---|---|---|
|
Restore the released activation prevention mechanism of connector B to the original condition.
| NG |
|
REPLACE INSTRUMENT PANEL WIRE |
| OK |
|
CHECK INSTRUMENT PANEL WIRE (SHORT TO B+)
| *1 | Airbag Cut Off Switch Cylinder Sub-assembly |
| *2 | Airbag ECU Assembly |
| *3 | Instrument Panel Wire |
| *a | Front view of wire harness connector (to Airbag Cut Off Switch Cylinder Sub-assembly) |
Connect the cable to the negative (-) auxiliary battery terminal.
Turn the power switch on (IG).
Measure the voltage according to the value(s) in the table below.
| Standard Voltage | |||||||||
|---|---|---|---|---|---|---|---|---|---|
|
| NG |
|
REPLACE INSTRUMENT PANEL WIRE |
| OK |
|
CHECK INSTRUMENT PANEL WIRE (SHORT TO GROUND)
| *1 | Airbag Cut Off Switch Cylinder Sub-assembly |
| *2 | Airbag ECU Assembly |
| *3 | Instrument Panel Wire |
| *a | Front view of wire harness connector (to Airbag Cut Off Switch Cylinder Sub-assembly) |
Turn the power switch off.
Disconnect the cable from the negative (-) auxiliary battery terminal.
CAUTION:
Wait at least 90 seconds after disconnecting the cable from the negative (-) auxiliary battery terminal to disable the SRS system.
Measure the resistance according to the value(s) in the table below.
| Standard Resistance | |||||||||
|---|---|---|---|---|---|---|---|---|---|
|
| NG |
|
REPLACE INSTRUMENT PANEL WIRE |
| OK |
|
CHECK AIRBAG CUT OFF SWITCH CYLINDER SUB-ASSEMBLY
| *a | Component without harness connected (Airbag Cut Off Switch Cylinder Sub-assembly) |
Measure the resistance according to the value(s) in the table below.
| Standard Resistance | |||||||||
|---|---|---|---|---|---|---|---|---|---|
|
| NG |
|
REPLACE AIRBAG CUT OFF SWITCH CYLINDER SUB-ASSEMBLY Click here |
| OK |
|
CHECK AIRBAG ECU ASSEMBLY
| *1 | Airbag Cut Off Switch Cylinder Sub-assembly |
| *2 | Airbag ECU Assembly |
Connect the connectors to the airbag ECU assembly and airbag cut off switch cylinder sub-assembly.
Connect the cable to the negative (-) auxiliary battery terminal.
Clear the DTCs stored in memory Click here.
Turn the power switch off.
Turn the power switch on (IG), and wait for at least 60 seconds.
Check for DTCs Click here.
| OK |
|---|
| DTC B1651/33 is not output. |
Tech Tips
Codes other than DTC B1651/33 may be output at this time, but they are not related to this check.
| OK |
|
USE SIMULATION METHOD TO CHECK Click here |
| NG |
|
REPLACE AIRBAG ECU ASSEMBLY Click here |