CONTINUOUSLY VARIABLE TRANSAXLE SYSTEM(for 8NR-FTS), Diagnostic DTC:P072012,P072014 and P072031

DTC Code DTC Name
P072012 Output Speed Sensor Circuit Short to Battery
P072014 Output Speed Sensor Circuit Short to Ground or Open
P072031 Output Speed Sensor No Signal

DESCRIPTION

The ECM receives a signal from the transmission revolution sensor (NOUT) installed to the continuously variable transaxle and determines the output shaft (secondary pulley) speed in order to control the gear ratio.

The transmission revolution sensor (NOUT) detects the continuously variable transaxle output shaft (secondary pulley) speed and sends a signal to the ECM.

DTC No.

Detection Item

DTC Detection Condition

Trouble Area

MIL

Memory

Note

P072012

Output Speed Sensor Circuit Short to Battery

1. Diagnosis Condition 2. Malfunction Status 3. Malfunction Time 4. Other

  1. A transmission revolution sensor (NOUT) signal malfunction is not detected.

  2. The transmission revolution sensor (NOUT) output voltage is higher than 1.9 V.

  3. 2 seconds

  4. 1-trip detection logic

  • Wire harness or connector

  • Transmission revolution sensor (NOUT)

  • ECM

Comes on

DTC stored

SAE Code:

P077D

P072014

Output Speed Sensor Circuit Short to Ground or Open

1. Diagnosis Condition 2. Malfunction Status 3. Malfunction Time 4. Other

  1. A transmission revolution sensor (NOUT) signal malfunction is not detected.

  2. The transmission revolution sensor (NOUT) output voltage is less than 0.1 V.

  3. 2 seconds

  4. 1-trip detection logic

  • Wire harness or connector

  • Transmission revolution sensor (NOUT)

  • ECM

Comes on

DTC stored

SAE Code:

P077C

P072031

Output Speed Sensor No Signal

1. Diagnosis Condition 2. Malfunction Status 3. Malfunction Time 4. Other

  1. The vehicle is driven with the shift lever in D, the output shaft speed is 300 rpm or more and no malfunctions of the park/neutral position switch assembly are detected.

  2. The output shaft speed indicated by the transmission revolution sensor (NOUT) is less than 300 rpm.

  3. 2 seconds

  4. 1-trip detection logic

  • Wire harness or connector

  • Transmission revolution sensor (NOUT)

  • ECM

Comes on

DTC stored

SAE Code:

P0722

MONITOR DESCRIPTION

The ECM receives a signal from the transmission revolution sensor (NOUT) installed to the continuously variable transaxle and determines the output shaft (secondary pulley) speed in order to control the gear ratio.

If the ECM detects no signal from the transmission revolution sensor (NOUT) even while the vehicle is moving, it will determine that in the transmission revolution sensor (NOUT) is malfunctioning, illuminate the MIL and store a DTC.

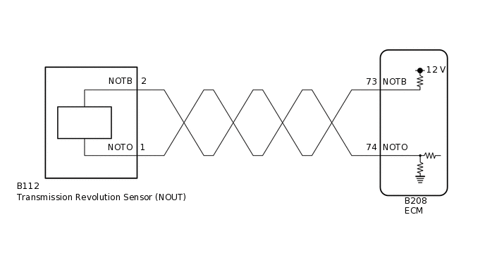
WIRING DIAGRAM

C318994E11

CAUTION / NOTICE / HINT

Tip:

After performing repair, clear the DTCs and perform the following procedure to check that DTCs are not output.

  1. Drive the vehicle for 2 seconds or more at 7 km/h (4 mph) or more with the shift lever in D.

  2. Check for DTCs again.

    Click here

PROCEDURE

  1. READ VALUE USING GTS (NOUT SENSOR SPEED AND NOUT SENSOR VOLTAGE)

    1. Connect the GTS to the DLC3.

    2. Turn the ignition switch to ON.

    3. Turn the GTS on.

    4. Enter the following menus: Powertrain / Transmission / Data List.

    5. According to the display on the GTS, read the Data List.

      Powertrain > Transmission > Data List

      Tester Display

      Measurement Item

      Range

      Normal Condition

      Diagnostic Note

      NOUT Sensor Speed

      Secondary pulley speed (NOUT)

      Min.: 0 rpm

      Max.: 12750 rpm

      • 0 rpm: Vehicle stopped

      • Approximately 2500 rpm: Vehicle being driven at approximately 60 km/h (37 mph)

      Data is displayed in increments of 50 rpm.

      NOUT Sensor Voltage

      Transmission revolution sensor (NOUT) output voltage

      Min.: 0.000 V

      Max.: 4.999 V

      0.1 to 1.9 V: Engine idling (Vehicle stopped with shift lever in P or N)

      -

      Powertrain > Transmission > Data List

      Tester Display

      NOUT Sensor Speed

      NOUT Sensor Voltage

    Result

    Result

    Proceed to

    Data List value is not normal

    A

    Data List value is normal

    B

    B

    REPLACE ECMClick here

    A
  2. INSPECT TRANSMISSION REVOLUTION SENSOR (NOUT)

    1. Remove the transmission revolution sensor (NOUT).

      Click hereClick here

    2. Connect the battery to the transmission revolution sensor (NOUT) as shown in the illustration.

      C154686C44

      *1

      Battery

      *2

      Ammeter

      *a

      Component without harness connected

      (Transmission Revolution Sensor (NOUT))

      *b

      Magnet

      *c

      5 mm or less

      -

      -

    3. Wave a magnetic object left and right 5 mm (0.197 in.) or less from the tip of the transmission revolution sensor (NOUT) to output a high/low signal while measuring the current.

      Note:

      Make sure to wave the magnetic object during the inspection. The current will not change unless the magnetic object is moved as shown in the illustration.

    4. Measure the current according to the value(s) in the table below.

      Standard Current

      Tester Connection

      Condition

      Specified Condition

      1 (NOTO) - 2 (NOTB)

      Low signal

      4 to 8 mA

      1 (NOTO) - 2 (NOTB)

      High signal

      12 to 16 mA

    Result

    Proceed to

    OK

    NG

    NG

    REPLACE TRANSMISSION REVOLUTION SENSOR (NOUT)

    OK
  3. CHECK HARNESS AND CONNECTOR (TRANSMISSION REVOLUTION SENSOR (NOUT) - ECM)

    1. Disconnect the B112 transmission revolution sensor (NOUT) connector.

    2. Disconnect the B208 ECM connector.

    3. Measure the resistance according to the value(s) in the table below.

      Standard Resistance

      Tester Connection

      Condition

      Specified Condition

      B112-1 (NOTO) - B208-74 (NOTO)

      Always

      Below 1 Ω

      B112-2 (NOTB) - B208-73 (NOTB)

      Always

      Below 1 Ω

      B112-1 (NOTO) or B208-74 (NOTO) - Body ground and other terminals

      Always

      10 kΩ or higher

      B112-2 (NOTB) or B208-73 (NOTB) - Body ground and other terminals

      Always

      10 kΩ or higher

    4. Connect the B208 ECM connector.

    5. Connect the B112 transmission revolution sensor (NOUT) connector.

    Result

    Proceed to

    OK

    NG

    NG

    REPAIR OR REPLACE HARNESS OR CONNECTOR (TRANSMISSION REVOLUTION SENSOR (NOUT) - ECM)

    OK
  4. REPLACE ECM

    1. Replace the ECM.

      Click here

    Result

    Proceed to

    NEXT

    NEXT

    PERFORM INITIALIZATION

  5. REPLACE ECM

    1. Replace the ECM.

      Click here

    Result

    Proceed to

    NEXT

    NEXT

    PERFORM INITIALIZATION