СИСТЕМА ПРЕДУПРЕЖДЕНИЯ О НЕПРИСТЕГНУТОМ РЕМНЕ БЕЗОПАСНОСТИ (для моделей без системы классификации пассажиров) СХЕМА СИСТЕМЫ

  1. ПРЕДУПРЕЖДЕНИЕ О НЕПРИСТЕГНУТОМ РЕМНЕ БЕЗОПАСНОСТИ ПЕРЕДНЕГО СИДЕНЬЯ

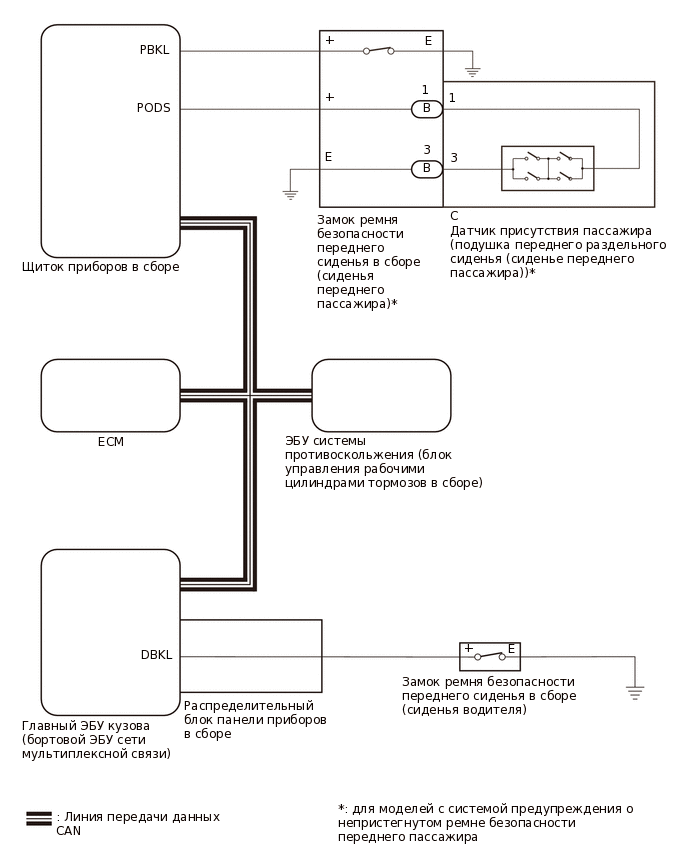
    B453649E09
    Table 1. Таблица обмена данными

    уровня

    Приемник

    Сигнал

    Метод передачи данных

    ЭБУ системы противоскольжения (блок управления рабочими цилиндрами тормозов в сборе)

    Щиток приборов в сборе

    Показания скорости движения

    CAN

    ECM

    Щиток приборов в сборе

    Положение рычага переключения передач

    Главный ЭБУ кузова (ЭБУ сети мультиплексной связи кузова)

    Щиток приборов в сборе

    • Выключатель пряжки замка ремня безопасности левого переднего сиденья в сборе

    • Выключатель стояночного тормоза в состоянии

  2. ПРЕДУПРЕЖДЕНИЕ О НЕПРИСТЕГНУТЫХ РЕМНЯХ БЕЗОПАСНОСТИ ЗАДНИХ СИДЕНИЙ (для моделей с функцией предупреждения о непристегнутых ремнях безопасности задних сидений)

    B472020E03
    Table 2. Таблица обмена данными

    уровня

    Приемник

    Сигнал

    Метод передачи данных

    Главный ЭБУ кузова (ЭБУ сети мультиплексной связи кузова)

    Щиток приборов в сборе

    • Выключатель освещения проема задней двери (левой, правой)

    • Выключатель стояночного тормоза в состоянии

    CAN