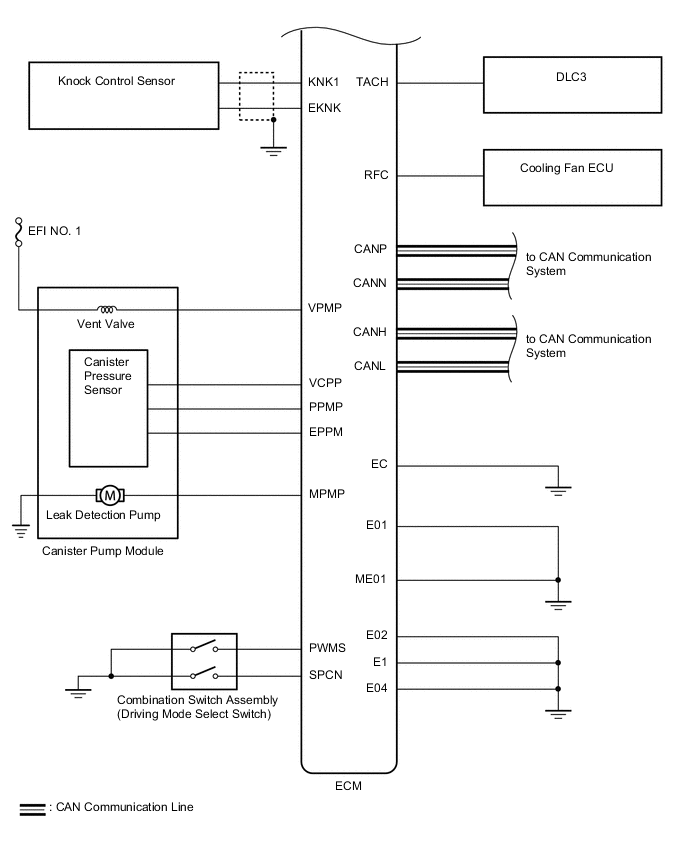
СИСТЕМА SFI (для моделей с модулем насоса адсорбера) СХЕМА СИСТЕМЫ

A330664E02
A330665E02
A330676E01