СИСТЕМА СТОЯНОЧНОГО ТОРМОЗА С ЭЛЕКТРОПРИВОДОМ, диагностический DTC: C13A6/42

Код DTC Наименование DTC
C13A6/42 Обрыв или короткое замыкание в цепи электродвигателя

ОПИСАНИЕ

№ DTC

Неисправность

Условие обнаружения DTC

Неисправный участок

Память

Примечание

C13A6/42

Обрыв или короткое замыкание в цепи электродвигателя

При выполнении обоих следующих условий:

  1. Питание включено (IG) или выключатель стояночного тормоза с электроприводом оттянут в положение блокировки при выключенном питании.

  2. Напряжение питания и напряжение +B в норме, однако цепь электродвигателя стояночного тормоза не работает в течение приблизительно 1-2 с.

  • Блок управления стояночного тормоза в сборе

  • Жгут проводов или разъем

  • ЭБУ стояночного тормоза в сборе

Код DTC сохраняется

На мультиинформационном дисплее отображается сообщение о неисправности в системе стояночного тормоза с электроприводом.

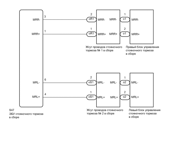
СХЕМА СОЕДИНЕНИЙ

C320708E09

ПРЕДОСТЕРЕЖЕНИЕ / ПРИМЕЧАНИЕ / УКАЗАНИЕ

Note:
  • Перед тем как отсоединять разъемы или предохранители, выключите питание и подождите не менее 20 с.

  • В случае замены ЭБУ стояночного тормоза в сборе приведите в действие выключатель стояночного тормоза с электроприводом, когда контрольная лампа стояночного тормоза (красная) начнет мигать при первом включении питания (IG).

ПОРЯДОК ВЫПОЛНЕНИЯ

  1. СНИМИТЕ ПОКАЗАНИЯ GTS (PERMISSION OF RH INTERLOCKING PKB LOCK/PERMISSION OF LH INTERLOCKING PKB LOCK)

    1. Выключите питание.

    2. Подключите GTS к DLC3.

    3. Включите зажигание (IG).

    4. Включите GTS.

    5. Войдите в следующие меню: Chassis / Electric Parking Brake / Data List.

    6. Снимите показания с дисплея GTS в режиме DATA LIST.

      Chassis > Electric Parking Brake > Data List

      Информация на дисплее прибора

      Измеряемая величина

      Диапазон

      Нормальное состояние

      Permission of RH Interlocking PKB Lock

      Состояние разрешения управления блокировкой стояночного тормоза для правого блока управления блокировкой стояночного тормоза в сборе

      OK или NG

      OK

      Permission of LH Interlocking PKB Lock

      Состояние разрешения управления блокировкой стояночного тормоза для левого блока управления блокировкой стояночного тормоза в сборе

      OK или NG

      OK

      Chassis > Electric Parking Brake > Data List

      Информация на дисплее прибора

      Permission of RH Interlocking PKB Lock

      Permission of LH Interlocking PKB Lock

      Результат

      Перейти к

      СЛЕДУЮЩЕЕ -

    СЛЕДУЮЩЕЕ -
  2. ПРОВЕРЬТЕ ЖГУТ ПРОВОДОВ СТОЯНОЧНОГО ТОРМОЗА В СБОРЕ

    C339684C04

    *A

    Правая сторона

    *B

    Левая сторона

    *a

    Вид спереди жгута проводов стояночного тормоза в сборе

    *b

    (к разъему жгута проводов)

    *c

    (к приводу стояночного тормоза в сборе)

    -

    -

    1. Снимите трос привода стояночного тормоза в сборе.

      Нажмите здесьClick here

    2. Проверьте жгут проводов стояночного тормоза в сборе на наличие повреждений.

      OK

      Отсутствие повреждений.

      Tip:

      Если он поврежден, возможно, имеет место короткое замыкание в жгуте проводов или короткое замыкание на массу.

    3. Проверьте трос привода стояночного тормоза в сборе.

      Номинальное сопротивление

      Table 1. Правая сторона

      Подключение диагностического прибора

      Условие

      Заданные условия

      oR1-2 (MRR-) - o1-1 (MRR-)

      Всегда

      Менее 1 Ом

      oR1-2 (MRR-) - o1-2 (MRR+)

      Всегда

      10 кОм или более

      oR1-2 (MRR-) или o1-1 (MRR-) - масса

      Всегда

      10 кОм или более

      oR1-1 (MRR+) - o1-2 (MRR+)

      Всегда

      Менее 1 Ом

      oR1-1 (MRR+) - o1-1 (MRR-)

      Всегда

      10 кОм или более

      oR1-1 (MRR+) или o1-2 (MRR+) - масса

      Всегда

      10 кОм или более

      Table 2. Левая сторона

      Подключение диагностического прибора

      Условие

      Заданные условия

      oS1-2 (MRL-) - o2-1 (MRL-)

      Всегда

      Менее 1 Ом

      oS1-2 (MRL-) - o2-2 (MRL+)

      Всегда

      10 кОм или более

      oS1-2 (MRL-) или o2-1 (MRL-) - масса

      Всегда

      10 кОм или более

      oS1-1 (MRL+) - o2-2 (MRL+)

      Всегда

      Менее 1 Ом

      oS1-1 (MRL+) - o2-1 (MRL-)

      Всегда

      10 кОм или более

      oS1-1 (MRL+) или o2-2 (MRL+) - масса

      Всегда

      10 кОм или более

    Результат

    Перейти к

    OK

    НЕ СООТВ.

    НЕ СООТВ.

    ЗАМЕНИТЕ ЖГУТ ПРОВОДОВ СТОЯНОЧНОГО ТОРМОЗА В СБОРЕ

    Нажмите здесьClick here

    СООТВ
  3. ПРОВЕРЬТЕ ЖГУТ ПРОВОДОВ И РАЗЪЕМ (ЭБУ СТОЯНОЧНОГО ТОРМОЗА В СБОРЕ - БЛОК УПРАВЛЕНИЯ СТОЯНОЧНОГО ТОРМОЗА)

    1. Выключите зажигание.

    2. Убедитесь, что жгут проводов стояночного тормоза в сборе закреплен надежно.

    3. Отсоедините разъем S47 ЭБУ стояночного тормоза.

    4. Отсоедините разъем o1 или o2 блока управления рабочими цилиндрами тормозов.

    5. Измерьте сопротивление в соответствии со значениями, приведенными в таблице ниже.

      Номинальное сопротивление

      Table 3. Правая сторона

      Подключение диагностического прибора

      Условие

      Заданные условия

      S47-1 (MRR+) - o1-2 (MRR+)

      Всегда

      Менее 1 Ом

      S47-3 (MRR-) - o1-1 (MRR-)

      Всегда

      Менее 1 Ом

      S47-1 (MRR+) или o1-2 (MRR+) - масса

      Всегда

      10 кОм или более

      S47-3 (MRR-) или o1-1 (MRR-) - масса

      Всегда

      10 кОм или более

      Table 4. Левая сторона

      Подключение диагностического прибора

      Условие

      Заданные условия

      S47-4 (MRL+) - o2-2 (MRL+)

      Всегда

      Менее 1 Ом

      S47-6 (MRL-) - o2-1 (MRL-)

      Всегда

      Менее 1 Ом

      S47-4 (MRL+) или o2-2 (MRL+) - масса

      Всегда

      10 кОм или более

      S47-6 (MRL-) или o2-1 (MRL-) - масса

      Всегда

      10 кОм или более

    Результат

    Перейти к

    OK

    НЕ СООТВ.

    НЕ СООТВ.

    ОТРЕМОНТИРУЙТЕ ИЛИ ЗАМЕНИТЕ ЖГУТ ПРОВОДОВ ИЛИ РАЗЪЕМ

    СООТВ
  4. ПРОВЕРЬТЕ ПРИВОД СТОЯНОЧНОГО ТОРМОЗА В СБОРЕ

    1. Проверьте привод стояночного тормоза в сборе.

      Нажмите здесьClick here

    Результат

    Перейти к

    OK

    НЕ СООТВ.

    OK

    ЗАМЕНИТЕ ЭБУ СТОЯНОЧНОГО ТОРМОЗА В СБОРЕ

    Для моделей с задним сиденьем № 2: Нажмите здесьClick here

    Для моделей без заднего сиденья № 2: Нажмите здесьClick here

    НЕ СООТВ.

    ЗАМЕНИТЕ ПРИВОД СТОЯНОЧНОГО ТОРМОЗА В СБОРЕ

    Нажмите здесьClick here