СИСТЕМА ПОДУШЕК БЕЗОПАСНОСТИ SRS, диагностические DTC: B1617/84 и B1618/84

Код DTC Наименование DTC
B1617/84 Нарушение связи с левым передним датчиком системы SRS
B1618/84 Не завершена инициализация левого переднего датчика системы SRS

ОПИСАНИЕ

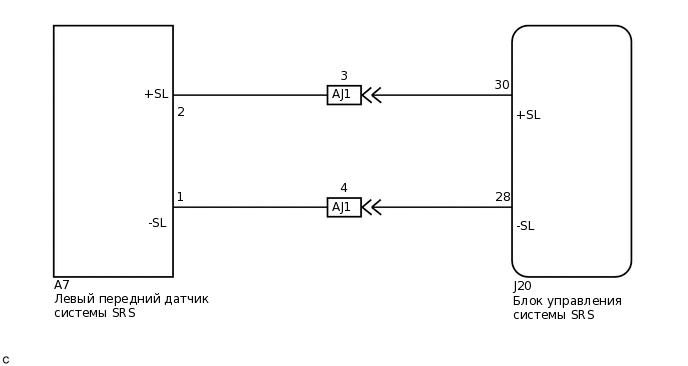
Цепь левого переднего датчика системы SRS включает в себя центральный блок управления системы SRS и левый передний датчик системы SRS.

Левый передний датчик системы SRS обнаруживает удар автомобиля при столкновении и посылает сигналы в блок управления системы SRS, который определяет необходимость активации подушек безопасности, преднатяжителей и регулируемого ограничителя усилия*.

Эти коды DTC регистрируются при обнаружении неисправности в цепи левого переднего датчика системы SRS.

№ DTC

Неисправность

Условие обнаружения DTC

Неисправный участок

Режим диагностики / режим проверки

B1617/84

Нарушение связи с левым передним датчиком системы SRS

  • Датчик системы SRS обнаруживает сигнал короткого замыкания в линии, короткого замыкания на массу или B+, или обрыва в цепи левого переднего датчика системы SRS.

  • Неисправность левого переднего датчика системы SRS

  • Неисправность блока управления системы SRS

  • Жгут проводов панели приборов

  • Основной жгут проводов моторного отсека

  • Левый передний датчик системы SRS

  • Центральный блок управления системы SRS

Не относится к режиму диагностики/проверки

B1618/84

Не завершена инициализация левого переднего датчика системы SRS

  • Датчик системы SRS обнаруживает сигнал короткого замыкания в линии, короткого замыкания на массу или B+, или обрыва в цепи левого переднего датчика системы SRS.

  • Неисправность левого переднего датчика системы SRS

  • Неисправность блока управления системы SRS

  • Жгут проводов панели приборов

  • Основной жгут проводов моторного отсека

  • Левый передний датчик системы SRS

  • Центральный блок управления системы SRS

Не относится к режиму диагностики/проверки

  • *: Для моделей с системой классификации пассажиров

СХЕМА ЭЛЕКТРИЧЕСКИХ СОЕДИНЕНИЙ

C238364E72

ПРЕДОСТЕРЕЖЕНИЕ / ПРИМЕЧАНИЕ / УКАЗАНИЕ

Note:

После выключения зажигания следует подождать некоторое время, прежде чем отсоединять провод от отрицательного (-) вывода аккумуляторной батареи. Поэтому, прежде чем приступать к этой работе, обязательно ознакомьтесь с примечанием относительно отсоединения провода от отрицательного (-) вывода аккумуляторной батареи.

Нажмите здесьClick hereClick hereClick here

ПОРЯДОК ВЫПОЛНЕНИЯ

  1. ПРОВЕРЬТЕ РАЗЪЕМЫ

    1. Выключите зажигание.

    2. Отсоедините провод от отрицательного (-) вывода аккумуляторной батареи.

      CAUTION:

      После отсоединения провода от отрицательного (-) вывода аккумуляторной батареи подождите не менее 90 с, чтобы предотвратить срабатывание системы SRS.

    3. Проверьте правильность подключения разъемов к центральному блоку управления системы SRS и левому переднему датчику системы SRS. Также убедитесь в надежности подключения разъемов, соединяющих главный кабель моторного отсека и жгут проводов панели приборов.

      OK

      Разъемы подсоединены должным образом.

      Tip:

      Если разъемы подсоединены ненадежно, подсоедините их и перейдите к следующей проверке.

    4. Отсоедините разъемы от центрального блока управления системы SRS и левого переднего датчика системы SRS. Также разъедините разъемы, соединяющие главный кабель моторного отсека и жгут проводов панели приборов.

    5. Убедитесь, что контакты разъемов не деформированы и не повреждены.

      OK

      Контакты не деформированы и не повреждены.

    Результат

    Перейти к

    OK

    НЕ СООТВ.

    НЕ СООТВ.

    ЗАМЕНИТЕ ЖГУТ ПРОВОДОВ

    СООТВ
  2. ПРОВЕРЬТЕ ЦЕПЬ ЛЕВОГО ПЕРЕДНЕГО ДАТЧИКА СИСТЕМЫ SRS (ОБРЫВ)

    1. C238389C06

      *1

      Левый передний датчик системы SRS

      *2

      Центральный блок управления системы SRS

      *3

      Технологический провод

      *a

      Вид спереди разъема со стороны жгута проводов:

      (блок управления системы SRS)

      *b

      Вид спереди разъема со стороны жгута проводов:

      (к левому переднему датчику системы SRS)

      Соедините разъемы, соединяющие главный кабель моторного отсека и жгут проводов панели приборов.

    2. С помощью технологического провода соедините контакты 30 (+SL) и 28 (-SL) разъема "В".

      Note:

      Технологический провод следует вставлять в контакты разъема без усилия.

    3. Измерьте сопротивление в соответствии со значениями, приведенными в таблице ниже.

      Номинальное сопротивление

      Подключение диагностического прибора

      Условие

      Номинальное значение

      A7-2 (+SL) - A7-1 (-SL)

      Всегда

      Менее 1 Ом

    Результат

    Перейти к

    OK

    НЕ СООТВ.

    НЕ СООТВ.

    ПРОВЕРЬТЕ ЖГУТ ПРОВОДОВ ПАНЕЛИ ПРИБОРОВ (ОБРЫВ)Click here

    СООТВ
  3. ПРОВЕРЬТЕ ЦЕПЬ ЛЕВОГО ПЕРЕДНЕГО ДАТЧИКА СИСТЕМЫ SRS (КОРОТКОЕ ЗАМЫКАНИЕ)

    1. C238385C17

      *1

      Левый передний датчик системы SRS

      *2

      Блок управления системы SRS

      *a

      Вид спереди разъема со стороны жгута проводов:

      (к левому переднему датчику системы SRS)

      Отсоедините технологический провод от разъема В.

    2. Измерьте сопротивление в соответствии со значениями, приведенными в таблице ниже.

      Номинальное сопротивление

      Подключение диагностического прибора

      Условие

      Номинальное значение

      A7-2 (+SL) - A7-1 (-SL)

      Всегда

      1 МОм или более

    Результат

    Перейти к

    OK

    НЕ СООТВ.

    НЕ СООТВ.

    ПРОВЕРЬТЕ ЖГУТ ПРОВОДОВ ПАНЕЛИ ПРИБОРОВ (КОРОТКОЕ ЗАМЫКАНИЕ)Click here

    СООТВ
  4. ПРОВЕРЬТЕ ЦЕПЬ ЛЕВОГО ПЕРЕДНЕГО ДАТЧИКА СИСТЕМЫ SRS (КОРОТКОЕ ЗАМЫКАНИЕ НА B+)

    1. C238385C17

      *1

      Левый передний датчик системы SRS

      *2

      Блок управления системы SRS

      *a

      Вид спереди разъема со стороны жгута проводов:

      (к левому переднему датчику системы SRS)

      Подсоедините провод к отрицательному (-) выводу аккумуляторной батареи.

    2. Включите зажигание (IG).

    3. Измерьте напряжение в соответствии со значениями, приведенными в таблице.

      Номинальное напряжение

      Подключение диагностического прибора

      Условие

      Заданные условия

      A7-2 (+SL) - масса

      Выключатель зажигания в состоянии ON (ВКЛ) (IG)

      Менее 1 В

      A7-1 (-SL) - масса

      Выключатель зажигания в состоянии ON (ВКЛ) (IG)

      менее 1 В

    4. Выключите зажигание.

    5. Отсоедините провод от отрицательного (-) вывода аккумуляторной батареи.

      CAUTION:

      После отсоединения провода от отрицательного (-) вывода аккумуляторной батареи подождите не менее 90 с, чтобы предотвратить срабатывание системы SRS.

    Результат

    Перейти к

    OK

    НЕ СООТВ.

    НЕ СООТВ.

    ПРОВЕРЬТЕ ЖГУТ ПРОВОДОВ ПАНЕЛИ ПРИБОРОВ (КОРОТКОЕ ЗАМЫКАНИЕ НА B+)Click here

    СООТВ
  5. ПРОВЕРЬТЕ ЦЕПЬ ЛЕВОГО ПЕРЕДНЕГО ДАТЧИКА СИСТЕМЫ SRS (КОРОТКОЕ ЗАМЫКАНИЕ НА МАССУ)

    1. C238385C17

      *1

      Левый передний датчик системы SRS

      *2

      Блок управления системы SRS

      *a

      Вид спереди разъема со стороны жгута проводов:

      (к левому переднему датчику системы SRS)

      Измерьте сопротивление в соответствии со значениями, приведенными в таблице ниже.

      Номинальное сопротивление

      Подключение диагностического прибора

      Условие

      Заданные условия

      A7-2 (+SL) - масса

      Всегда

      1 МОм или более

      A7-1 (-SL) - масса

      Всегда

      1 МОм или более

    Результат

    Перейти к

    OK

    НЕ СООТВ.

    НЕ СООТВ.

    ПРОВЕРЬТЕ ЖГУТ ПРОВОДОВ ПАНЕЛИ ПРИБОРОВ (КОРОТКОЕ ЗАМЫКАНИЕ НА МАССУ)Click here

    СООТВ
  6. ПРОВЕРЬТЕ ЛЕВЫЙ ПЕРЕДНИЙ ДАТЧИК СИСТЕМЫ SRS

    1. C238386C02

      *1

      Правый передний датчик системы SRS

      *2

      Центральный блок управления системы SRS

      Подсоедините разъем к блоку управления системы SRS.

    2. Поменяйте местами правый и левый передние датчики системы SRS и подсоедините к ним разъемы.

    3. Подсоедините провод к отрицательному выводу (-) аккумуляторной батареи.

    4. Удалите коды DTC, сохраненные в памяти.

      Нажмите здесьClick here

      Body Electrical > SRS Airbag > Clear DTCs

    5. Выключите зажигание.

    6. Включите зажигание (IG) и подождите не менее 60 с.

    7. Проверьте наличие кодов DTC.

      Нажмите здесьClick here

      Body Electrical > SRS Airbag > Trouble Codes

      Tip:

      На этом этапе могут выводиться коды, отличные от кодов DTC B1612/83, B1613/83, B1617/84 и B1618/84, однако они не связаны с данной проверкой.

    8. Выключите зажигание.

    9. Отсоедините провод от отрицательного (-) вывода аккумуляторной батареи.

      CAUTION:

      После отсоединения провода от отрицательного (-) вывода аккумуляторной батареи подождите не менее 90 с, чтобы предотвратить срабатывание системы SRS.

    10. Установите на место левый и правый передние датчики системы SRS и подсоедините к ним разъемы.

    Результат

    Result

    Перейдите к

    Коды DTC B1612/83, B1613/83, B1617/84 и B1618/84 не выводятся.

    А

    Выводится код DTC B1617/84 или B1618/84.

    B

    Выводится код DTC B1612/83 или B1613/83.

    C

    A

    ВЫПОЛНИТЕ ПРОВЕРКУ С ИМИТАЦИЕЙ УСЛОВИЙ ВОЗНИКНОВЕНИЯ НЕИСПРАВНОСТИ

    Нажмите здесьClick hereClick hereClick hereClick here

    B

    ЗАМЕНИТЕ ЦЕНТРАЛЬНЫЙ БЛОК УПРАВЛЕНИЯ СИСТЕМЫ SRS

    Нажмите здесьClick hereClick here

    C

    ЗАМЕНИТЬ ЛЕВЫЙ ПЕРЕДНИЙ ДАТЧИК СИСТЕМЫ SRS

    Нажмите здесьClick hereClick here

  7. ПРОВЕРЬТЕ ЖГУТ ПРОВОДОВ ПАНЕЛИ ПРИБОРОВ (НА КОРОТКОЕ ЗАМЫКАНИЕ НА МАССУ)

    1. C316549C11

      *1

      Левый передний датчик системы SRS

      *2

      Центральный блок управления системы SRS

      *3

      Главный жгут проводов моторного отсека

      *4

      Жгут проводов панели приборов

      *a

      Вид спереди разъема со стороны жгута проводов:

      (к главному кабелю моторного отсека)

      Отсоедините разъем основного жгута проводов моторного отсека от жгута проводов панели приборов.

    2. Измерьте сопротивление в соответствии со значениями, приведенными в таблице ниже.

      Номинальное сопротивление

      Подключение диагностического прибора

      Условие

      Заданные условия

      AJ1-3 (+SL) - масса

      Всегда

      1 МОм или более

      AJ1-4 (-SL) - масса

      Всегда

      1 МОм или более

    Результат

    Перейти к

    OK

    НЕ СООТВ.

    OK

    ЗАМЕНИТЕ ГЛАВНЫЙ КАБЕЛЬ МОТОРНОГО ОТСЕКА

    NG

    ЗАМЕНИТЕ ЖГУТ ПРОВОДОВ ПАНЕЛИ ПРИБОРОВ

  8. ПРОВЕРЬТЕ ЖГУТ ПРОВОДОВ ПАНЕЛИ ПРИБОРОВ (НА КОРОТКОЕ ЗАМЫКАНИЕ НА В+)

    1. C316549C11

      *1

      Левый передний датчик системы SRS

      *2

      Центральный блок управления системы SRS

      *3

      Главный жгут проводов моторного отсека

      *4

      Жгут проводов панели приборов

      *a

      Вид спереди разъема со стороны жгута проводов:

      (к главному кабелю моторного отсека)

      Отсоедините разъем основного жгута проводов моторного отсека от жгута проводов панели приборов.

    2. Подсоедините провод к отрицательному (-) выводу аккумуляторной батареи.

    3. Включите зажигание (IG).

    4. Измерьте напряжение в соответствии со значениями, приведенными в таблице.

      Номинальное напряжение

      Подключение диагностического прибора

      Условие

      Заданные условия

      AJ1-3 (+SL) - масса

      Зажигание включено (IG)

      Менее 1 В

      AJ1-4 (-SL) - масса

      Зажигание включено (IG)

      Менее 1 В

    Результат

    Перейти к

    OK

    НЕ СООТВ.

    OK

    ЗАМЕНИТЕ ГЛАВНЫЙ КАБЕЛЬ МОТОРНОГО ОТСЕКА

    NG

    ЗАМЕНИТЕ ЖГУТ ПРОВОДОВ ПАНЕЛИ ПРИБОРОВ

  9. ПРОВЕРЬТЕ ЖГУТ ПРОВОДОВ ПАНЕЛИ ПРИБОРОВ (НА КОРОТКОЕ ЗАМЫКАНИЕ)

    1. C316549C11

      *1

      Левый передний датчик системы SRS

      *2

      Центральный блок управления системы SRS

      *3

      Главный жгут проводов моторного отсека

      *4

      Жгут проводов панели приборов

      *a

      Вид спереди разъема со стороны жгута проводов:

      (к главному кабелю моторного отсека)

      Отсоедините разъем основного жгута проводов моторного отсека от жгута проводов панели приборов.

    2. Измерьте сопротивление в соответствии со значениями, приведенными в таблице ниже.

      Номинальное сопротивление

      Подключение диагностического прибора

      Условие

      Заданные условия

      AJ1-3 (+SL) - AJ1-4 (-SL)

      Всегда

      1 МОм или более

    Результат

    Перейти к

    OK

    НЕ СООТВ.

    OK

    ЗАМЕНИТЕ ГЛАВНЫЙ КАБЕЛЬ МОТОРНОГО ОТСЕКА

    NG

    ЗАМЕНИТЕ ЖГУТ ПРОВОДОВ ПАНЕЛИ ПРИБОРОВ

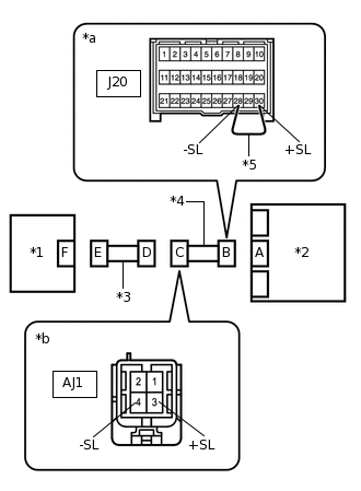
  10. ПРОВЕРЬТЕ ЖГУТ ПРОВОДОВ ПАНЕЛИ ПРИБОРОВ (ОБРЫВ)

    1. C316550C04

      *1

      Левый передний датчик системы SRS

      *2

      Центральный блок управления системы SRS

      *3

      Главный жгут проводов моторного отсека

      *4

      Жгут проводов панели приборов

      *5

      Технологический провод

      *a

      Вид спереди разъема со стороны жгута проводов:

      (блок управления системы SRS)

      *b

      Вид спереди разъема со стороны жгута проводов:

      (к главному кабелю моторного отсека)

      Отсоедините разъем основного жгута проводов моторного отсека от жгута проводов панели приборов.

      Tip:

      Технологический провод уже вставлен в разъем "B".

    2. Измерьте сопротивление в соответствии со значениями, приведенными в таблице ниже.

      Номинальное сопротивление

      Подключение диагностического прибора

      Условие

      Заданные условия

      AJ1-3 (+SL) - AJ1-4 (-SL)

      Всегда

      Менее 1 Ом

    3. Отсоедините технологический провод от разъема В.

    Результат

    Перейти к

    OK

    НЕ СООТВ.

    OK

    ЗАМЕНИТЕ ГЛАВНЫЙ КАБЕЛЬ МОТОРНОГО ОТСЕКА

    NG

    ЗАМЕНИТЕ ЖГУТ ПРОВОДОВ ПАНЕЛИ ПРИБОРОВ