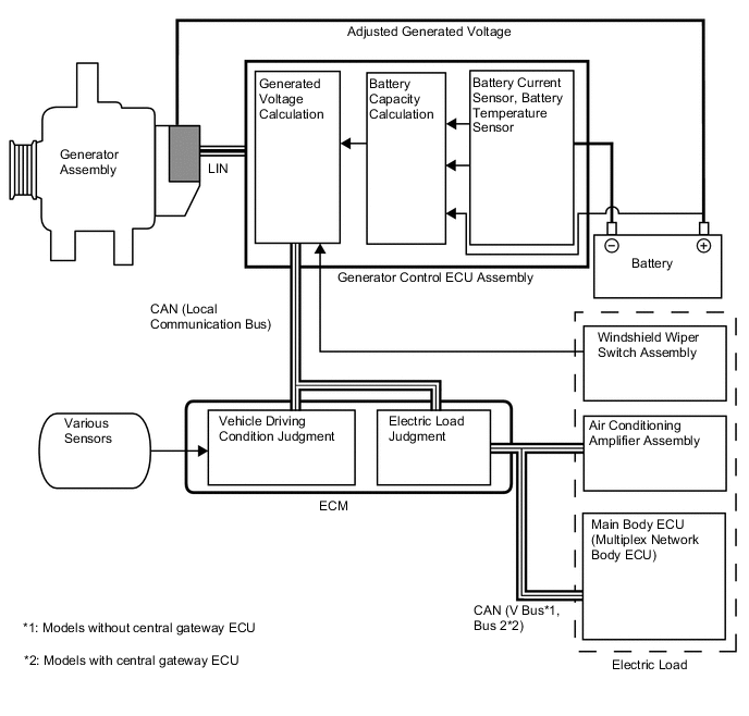
CHARGING SYSTEM

A01QFGEE03