CAN COMMUNICATION SYSTEM(for RHD) Open in Bus 3 Main Bus Line

DTC Code DTC Name
Open in Bus 3 Main Bus Line

DESCRIPTION

There may be an open circuit in one of the bus 3 CAN main wires when the resistance between terminals 6 (CA3H) and 21 (CA3L) of the central gateway ECU is 70 Ω or higher.

Symptom

Trouble Area

Resistance between terminals 6 (CA3H) and 21 (CA3L) of central gateway ECU is 70 Ω or higher.

  • CAN main wire or connector

  • Central gateway ECU

  • No. 8 CAN junction connector

This malfunction is not related to the lines of a bus 3 branch or to ECUs or sensors connected to a bus 3 branch.

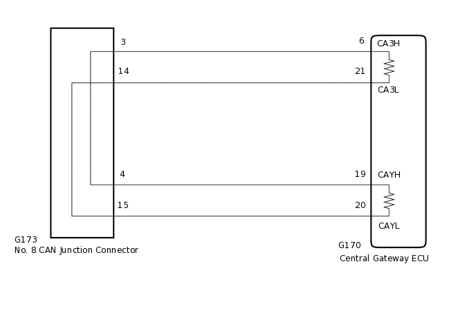
WIRING DIAGRAM

C334602E04

CAUTION / NOTICE / HINT

Note:
  • Because the order of diagnosis is important to allow correct diagnosis, make sure to begin troubleshooting using How to Proceed with Troubleshooting when CAN communication system related DTCs are output.

    Click here

  • Before measuring the resistance of the CAN bus, turn the power switch off and leave the vehicle for 1 minute or more without operating the key, switches or opening or closing the doors. After that, disconnect the cable from the negative (-) auxiliary battery terminal and leave the vehicle for 1 minute or more before measuring the resistance.

  • After turning the power switch off, waiting time may be required before disconnecting the cable from the auxiliary battery terminal. Therefore, make sure to read the disconnecting the cable from the auxiliary battery terminal notice before proceeding with work.

    Click hereClick hereClick hereClick here

  • After the repair, perform CAN Bus Check and check that all the ECUs and sensors connected to the CAN communication system are displayed.

    Click hereClick hereClick here

Tip:
  • Operating the power switch, any switches or any doors triggers related ECU and sensor communication with the CAN, which causes resistance variation.

  • Even after DTCs are cleared, if a DTC is stored again after driving the vehicle for a while, the malfunction may be occurring due to vibration of the vehicle. In such a case, wiggling the ECUs or wire harness while performing the inspection below may help determine the cause of the malfunction.

PROCEDURE

  1. CHECK FOR OPEN IN CAN BUS WIRE (NO. 8 CAN JUNCTION CONNECTOR - CENTRAL GATEWAY ECU)

    1. Disconnect the cable from the negative (-) auxiliary battery terminal.

      C311975C68

      *a

      Front view of wire harness connector

      (to No. 8 CAN Junction Connector)

      -

      -

    2. Disconnect the No. 8 CAN junction connector.

    3. Measure the resistance according to the value(s) in the table below.

      Standard Resistance

      Tester Connection

      Condition

      Specified Condition

      G173-3 (CANH) - G173-14 (CANL)

      Cable disconnected from negative (-) auxiliary battery terminal

      108 to 132 Ω

      G173-4 (CANH) - G173-15 (CANL)

      Cable disconnected from negative (-) auxiliary battery terminal

      108 to 132 Ω

    Result

    Proceed to

    OK

    NG

    OK

    REPLACE NO. 8 CAN JUNCTION CONNECTOR

    NG
  2. CONNECT CONNECTOR

    1. Reconnect the G173 No. 8 CAN junction connector.

    Result

    Proceed to

    NEXT

    NEXT
  3. CHECK FOR OPEN IN CAN BUS WIRE (CENTRAL GATEWAY ECU)

    1. C326490C27

      *a

      Front view of wire harness connector

      (to Central Gateway ECU)

      Disconnect the central gateway ECU connector.

    2. Measure the resistance according to the value(s) in the table below.

      Standard Resistance

      Tester Connection

      Condition

      Specified Condition

      G170-6 (CA3H) - G170-21 (CA3L)

      Cable disconnected from negative (-) auxiliary battery terminal

      200 Ω or higher

      G170-19 (CAYH) - G170-20 (CAYL)

      Cable disconnected from negative (-) auxiliary battery terminal

      200 Ω or higher

    Result

    Proceed to

    OK

    NG

    OK

    REPLACE CENTRAL GATEWAY ECU

    NG

    REPAIR OR REPLACE CAN MAIN WIRE OR CONNECTOR (CENTRAL GATEWAY ECU - NO. 8 CAN JUNCTION CONNECTOR)