AIRBAG SYSTEM(w/ Occupant Classification System), Diagnostic DTC:B1656/38

DTC Code DTC Name
B1656/38 Seat Belt Buckle Switch LH Circuit Malfunction

DESCRIPTION

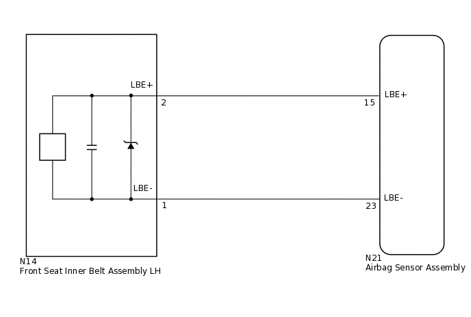
The seat belt buckle switch LH circuit consists of the airbag sensor assembly and front seat inner belt assembly LH.

DTC B1656/38 is stored when a malfunction is detected in the seat belt buckle switch LH circuit.

DTC No.

Detection Item

DTC Detection Condition

Trouble Area

B1656/38

Seat Belt Buckle Switch LH Circuit Malfunction

  • One of the following conditions is met:

  • The airbag sensor assembly detects a line short circuit signal, open circuit signal, short circuit to ground signal or short circuit to B+ signal in the seat belt buckle switch LH circuit for 2 seconds.

  • A front seat inner belt assembly LH malfunction.

  • An airbag sensor assembly malfunction.

  • No. 2 floor wire

  • Front seat inner belt assembly LH

  • Airbag sensor assembly

WIRING DIAGRAM

C253566E20

CAUTION / NOTICE / HINT

Note:
  • After turning the power switch off, waiting time may be required before disconnecting the cable from the negative (-) auxiliary battery terminal. Therefore, make sure to read the disconnecting the cable from the negative (-) auxiliary battery terminal notices before proceeding with work.

    Click hereClick hereClick hereClick here

  • When disconnecting the cable from the negative (-) auxiliary battery terminal while performing repairs, some systems need to be initialized after the cable is reconnected.

    Click hereClick hereClick here

  • After replacing the airbag sensor assembly, refer to initialization.

    Click hereClick hereClick here

PROCEDURE

  1. CHECK CONNECTION OF CONNECTORS

    1. Turn the power switch off.

    2. Disconnect the cable from the negative (-) auxiliary battery terminal, and wait for at least 90 seconds.

    3. Check that the connectors are properly connected to the airbag sensor assembly and front seat inner belt assembly LH.

    Result

    Proceed to

    Connectors are properly connected

    Connectors are not properly connected

    Connectors are not properly connected

    CONNECT CONNECTORS PROPERLY

    Connectors are properly connected
  2. CHECK CONNECTORS

    1. C208245C08

      *1

      Front Seat Inner Belt Assembly LH

      *2

      Airbag Sensor Assembly

      *3

      No. 2 Floor Wire

      Disconnect the connectors from the airbag sensor assembly and front seat inner belt assembly LH.

    2. Check that the connectors (on the airbag sensor assembly side and front seat inner belt assembly LH side) are not damaged.

    Result

    Proceed to

    Connectors are not deformed or damaged

    Connectors are deformed or damaged

    Connectors are deformed or damaged

    REPLACE NO. 2 FLOOR WIRE

    Connectors are not deformed or damaged
  3. CHECK NO. 2 FLOOR WIRE

    1. Connect the cable to the negative (-) auxiliary battery terminal, and wait for at least 2 seconds.

      C253298C03

      *1

      Front Seat Inner Belt Assembly LH

      *2

      Airbag Sensor Assembly

      *3

      No. 2 Floor Wire

      *4

      Connector C

      *5

      Connector B

      *6

      Service Wire

      *a

      Front view of wire harness connector

      (to Front Seat Inner Belt Assembly LH)

      *b

      Rear view of wire harness connector

      (to Airbag Sensor Assembly)

    2. Turn the power switch to on (IG).

    3. Measure the voltage according to the value(s) in the table below.

      Standard Voltage

      Tester Connection

      Switch Condition

      Specified Condition

      N14-2 (LBE+) - Body ground

      Power switch on (IG)

      Below 1 V

      N14-1 (LBE-) - Body ground

      Power switch on (IG)

      Below 1 V

    4. Turn the power switch off.

    5. Disconnect the cable from the negative (-) auxiliary battery terminal, and wait for at least 90 seconds.

    6. Using a service wire, connect terminals 15 (LBE+) and 23 (LBE-) of connector B. NOTICE:

      Note:

      Do not forcibly insert the service wire into the terminals of the connector when connecting a service wire.

    7. Measure the resistance according to the value(s) in the table below.

      Standard Resistance

      Tester Connection

      Condition

      Specified Condition

      N14-2 (LBE+) - N14-1 (LBE-)

      Always

      Below 1 Ω

    8. Disconnect the service wire from connector B.

    9. Measure the resistance according to the value(s) in the table below.

      Standard Resistance

      Tester Connection

      Condition

      Specified Condition

      N14-2 (LBE+) - N14-1 (LBE-)

      Always

      1 MΩ or higher

      N14-2 (LBE+) - Body ground

      Always

      1 MΩ or higher

      N14-1 (LBE-) - Body ground

      Always

      1 MΩ or higher

    Result

    Proceed to

    OK

    NG

    NG

    REPLACE NO. 2 FLOOR WIRE

    OK
  4. CHECK FRONT SEAT INNER BELT ASSEMBLY LH

    1. C171812C09

      *1

      Front Seat Inner Belt Assembly LH

      *2

      Airbag Sensor Assembly

      Connect the connector to the airbag sensor assembly and front seat inner belt assembly LH.

    2. Connect the cable to the negative (-) auxiliary battery terminal, and wait for at least 2 seconds.

    3. Turn the power switch to on (IG), and wait for at least 60 seconds.

    4. Clear the DTCs.

      Click here

      Body Electrical > SRS Airbag > Clear DTCs

      Result

      Proceed to

      DTC B1656/38 is not output

      DTC B1656/38 is output

    5. Turn the power switch off.

    6. Turn the power switch to on (IG), and wait for at least 60 seconds.

    7. Check for DTCs.

      Click here

      Body Electrical > SRS Airbag > Trouble Codes

      Tip:

      Codes other than DTC B1656/38 may be output at this time, but they are not related to this check.

    DTC B1656/38 is not output

    USE SIMULATION METHOD TO CHECK

    DTC B1656/38 is output
  5. REPLACE FRONT SEAT INNER BELT ASSEMBLY LH

    1. Turn the power switch off.

    2. Disconnect the cable from the negative (-) auxiliary battery terminal, and wait for at least 90 seconds.

    3. Replace the front seat inner belt assembly LH.

      Click here

      Tip:

      Perform the inspection using parts from a normal vehicle if possible.

    Result

    Proceed to

    NEXT

    NEXT
  6. CHECK AIRBAG SENSOR ASSEMBLY

    1. C171812C09

      *1

      Front Seat Inner Belt Assembly LH

      *2

      Airbag Sensor Assembly

      Connect the cable to the negative (-) auxiliary battery terminal, and wait for at least 2 seconds.

    2. Turn the power switch to on (IG), and wait for at least 60 seconds.

    3. Clear the DTCs.

      Click here

      Body Electrical > SRS Airbag > Clear DTCs

    4. Turn the power switch off.

    5. Turn the power switch to on (IG), and wait for at least 60 seconds.

    6. Check for DTCs.

      Click here

      Body Electrical > SRS Airbag > Trouble Codes

      Result

      Proceed to

      DTC B1656/38 is not output

      DTC B1656/38 is output

      Tip:

      Codes other than DTC B1656/38 may be output at this time, but they are not related to this check.

    DTC B1656/38 is not output

    END (FRONT SEAT INNER BELT ASSEMBLY LH WAS DEFECTIVE)

    DTC B1656/38 is output

    REPLACE AIRBAG SENSOR ASSEMBLY