CAN COMMUNICATION SYSTEM(for LHD) SYSTEM DIAGRAM

  1. SYSTEM DIAGRAM

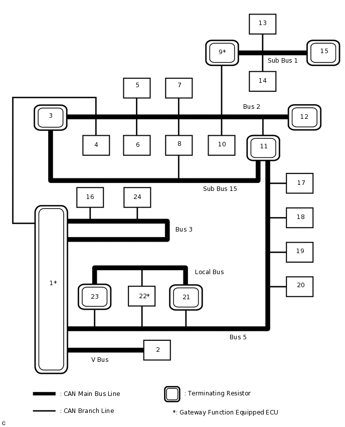
    1. Overall CAN Bus Diagram

      1. Control system CAN is composed of 7 buses.

        C348182E01

        No.

        ECU/Sensor Name

        1

        Central gateway ECU

        2

        DLC3

        3

        ECM

        4

        Power steering ECU assembly

        5

        Air conditioning amplifier assembly

        6

        Airbag sensor assembly

        7

        Spiral with sensor cable sub-assembly (steering angle sensor)

        8

        Brake booster with master cylinder assembly (skid control ECU)

        9

        Main body ECU (multiplex network body ECU)

        10

        Certification ECU (smart key ECU assembly)

        11

        Hybrid vehicle control ECU

        12

        Combination meter assembly

        13

        Multiplex network door ECU*1

        14

        Position control ECU and switch assembly*2

        15

        No. 1 CAN junction terminal*1

        16

        Radio and display receiver assembly*3

        17

        Parking assist ECU*4

        18

        Clearance warning ECU assembly*5

        19

        Blind spot monitor sensor LH*6

        20

        Television camera assembly*7

        21

        Millimeter wave radar sensor assembly*8

        22

        Driving support ECU assembly*8

        23

        Forward recognition camera*8

        24

        Telematics transceiver*9

        *1: w/ Power Back Door System

        *2: w/ Seat Memory

        *3: w/ Audio and Visual System (for Radio and Display Type)

        *4: w/ Panoramic View Monitor System

        *5: w/ TOYOTA Parking Assist-sensor System

        *6: w/ Blind Spot Monitor System

        *7: w/ Parking Assist Monitor System (for Camera built-in ECU)

        *8: w/ Pre-crash Safety System

        *9: w/ Telematics Transceiver

        Tip:
        • The main body ECU (multiplex network body ECU) functions as a gateway between the bus 2 and sub bus 1.

        • The driving support ECU assembly functions as a gateway between the bus 5 and local bus.

        • Refer to the following bus wiring diagrams for details.

    2. V Bus

      C334528E02
    3. Bus 2

      C346311E02
      C346312E02
    4. Bus 3 (w/ Audio and Visual System [for Radio and Display Type])

      C348134E02
    5. Bus 5

      C346313E04
      C346314E03
    6. Sub Bus 1 (w/ Power Back Door System)

      C280389E10
      Tip:

      The CAN communication system connects to other networks via ECUs that function as a gateway.

    7. Local Bus (w/ Pre-crash Safety System)

      C343170E05
    8. Sub Bus 15

      C346315E02