HYBRID CONTROL SYSTEM Inverter Low-voltage Circuit

DTC Code DTC Name
Inverter Low-voltage Circuit

DESCRIPTION

The cause of the malfunction may be the low-voltage circuit.

Check whether there is an open circuit in the inverter +B low-voltage power source system or a problem in the communication between the hybrid vehicle control ECU and inverter.

Table 1. Related Parts Check

Area

Inspection

Step

Inverter +B low-voltage power source system check

Check for inverter overcurrent malfunction.

1, 2

Communication malfunction between hybrid vehicle control ECU and MG-ECU inside inverter with converter assembly

Check for inverter overcurrent malfunction due to communication malfunction.

3, 4

Check for short to ground in inverter +B low-voltage power source system

-

5, 6, 7

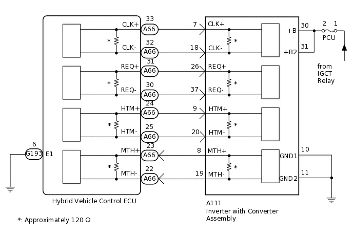
WIRING DIAGRAM

A318985E12

CAUTION / NOTICE / HINT

This step is referenced from the procedures for each DTC.

If the inspection results below are normal, perform the next procedure for the referenced DTC.

CAUTION:
  • Before inspecting the high-voltage system or disconnecting the low voltage connector of the inverter with converter assembly, take safety precautions such as wearing insulated gloves and removing the service plug grip to prevent electrical shocks. After removing the service plug grip, put it in your pocket to prevent other technicians from accidentally reconnecting it while you are working on the high-voltage system.

  • After removing the service plug grip, wait for at least 10 minutes before touching any of the high-voltage connectors or terminals. After waiting for 10 minutes, check the voltage at the terminals in the inspection point in the inverter with converter assembly. The voltage should be 0 V before beginning work.

    Click here

    Tip:

    Waiting for at least 10 minutes is required to discharge the high-voltage capacitor inside the inverter with converter assembly.

Note:

After turning the power switch off, waiting time may be required before disconnecting the cable from the negative (-) auxiliary battery terminal. Therefore, make sure to read the disconnecting the cable from the negative (-) auxiliary battery terminal notices before proceeding with work.

Click hereClick hereClick hereClick here

PROCEDURE

  1. CHECK FUSE (PCU)

    1. C298821C01

      *1

      No. 2 Engine Room Relay Block and Junction Block Assembly

      *2

      PCU Fuse

      Remove the PCU fuse from the No. 2 engine room relay block and junction block assembly.

    2. Measure the resistance according to the value(s) in the table below.

      Standard Resistance

      Tester Connection

      Condition

      Specified Condition

      PCU fuse terminal

      Always

      Below 1 Ω

    3. Install the PCU fuse.

    Result

    Proceed to

    OK

    NG

    NG

    CHECK HARNESS AND CONNECTOR (INVERTER WITH CONVERTER ASSEMBLY - PCU FUSE)Click here

    OK
  2. CHECK HARNESS AND CONNECTOR (INVERTER WITH CONVERTER ASSEMBLY POWER SOURCE CIRCUIT)

    CAUTION:

    Be sure to wear insulated gloves.

    1. Check that the service plug grip is not installed.

      Note:

      After removing the service plug grip, do not turn the power switch on (READY), unless instructed by the repair manual because this may cause a malfunction.

    2. Disconnect the A111 inverter with converter assembly connector.

      Click here

    3. A350653C23

      *a

      Front view of wire harness connector

      (to Inverter with Converter Assembly)

      Measure the resistance according to the value(s) in the table below.

      Standard Resistance

      Tester Connection

      Condition

      Specified Condition

      A111-10 (GND1) - Body ground

      Power switch off

      Below 1 Ω

      A111-11 (GND2) - Body ground

      Power switch off

      Below 1 Ω

    4. Connect the cable to the negative (-) auxiliary battery terminal.

    5. Turn the power switch on (IG).

    6. Measure the voltage according to the value(s) in the table below.

      Standard Voltage

      Tester Connection

      Condition

      Specified Condition

      A111-30 (+B) - Body ground

      Power switch on (IG)

      Same as auxiliary battery voltage

      A111-31 (+B2) - Body ground

      Power switch on (IG)

      Same as auxiliary battery voltage

      Note:

      Turning the power switch on (IG) with the inverter with converter assembly connector disconnected causes other DTCs to be stored. Clear the DTCs after performing this inspection.

    7. Turn the power switch off.

    8. Disconnect the cable from the negative (-) auxiliary battery terminal.

    9. Reconnect the A111 inverter with converter assembly connector.

    Result

    Proceed to

    OK

    NG

    NG

    REPAIR OR REPLACE POWER SOURCE CIRCUIT

    OK
  3. CHECK HARNESS AND CONNECTOR (HYBRID VEHICLE CONTROL ECU - INVERTER WITH CONVERTER ASSEMBLY)

    CAUTION:

    Be sure to wear insulated gloves.

    1. Check that the service plug grip is not installed.

      Note:

      After removing the service plug grip, do not turn the power switch on (READY), unless instructed by the repair manual because this may cause a malfunction.

    2. Disconnect the A111 inverter with converter assembly connector.

    3. Disconnect the A66 hybrid vehicle control ECU connector.

    4. C304438C07

      *a

      Front view of wire harness connector

      (to Inverter with Converter Assembly)

      *b

      Rear view of wire harness connector

      (to Hybrid Vehicle Control ECU)

      Measure the resistance according to the value(s) in the table below.

      Standard Resistance (Check for Open)

      Tester Connection

      Condition

      Specified Condition

      A111-9 (HTM+) - A66-24 (HTM+)

      Power switch off

      Below 1 Ω

      A111-20 (HTM-) - A66-25 (HTM-)

      Power switch off

      Below 1 Ω

      A111-8 (MTH+) - A66-23 (MTH+)

      Power switch off

      Below 1 Ω

      A111-19 (MTH-) - A66-22 (MTH-)

      Power switch off

      Below 1 Ω

      A111-26 (REQ+) - A66-31 (REQ+)

      Power switch off

      Below 1 Ω

      A111-37 (REQ-) - A66-30 (REQ-)

      Power switch off

      Below 1 Ω

      A111-7 (CLK+) - A66-33 (CLK+)

      Power switch off

      Below 1 Ω

      A111-18 (CLK-) - A66-32 (CLK-)

      Power switch off

      Below 1 Ω

      Standard Resistance (Check for Short)

      Tester Connection

      Condition

      Specified Condition

      A111-9 (HTM+) or A66-24 (HTM+) - Body ground and other terminals

      Power switch off

      10 kΩ or higher

      A111-20 (HTM-) or A66-25 (HTM-) - Body ground and other terminals

      Power switch off

      10 kΩ or higher

      A111-8 (MTH+) or A66-23 (MTH+) - Body ground and other terminals

      Power switch off

      10 kΩ or higher

      A111-19 (MTH-) or A66-22 (MTH-) - Body ground and other terminals

      Power switch off

      10 kΩ or higher

      A111-26 (REQ+) or A66-31 (REQ+) - Body ground and other terminals

      Power switch off

      10 kΩ or higher

      A111-37 (REQ-) or A66-30 (REQ-) - Body ground and other terminals

      Power switch off

      10 kΩ or higher

      A111-7 (CLK+) or A66-33 (CLK+) - Body ground and other terminals

      Power switch off

      10 kΩ or higher

      A111-18 (CLK-) or A66-32 (CLK-) - Body ground and other terminals

      Power switch off

      10 kΩ or higher

    5. Connect the cable to the negative (-) auxiliary battery terminal.

    6. Turn the power switch on (IG).

    7. Measure the voltage according to the value(s) in the table below.

      Standard Voltage

      Tester Connection

      Condition

      Specified Condition

      A111-9 (HTM+) or A66-24 (HTM+) - Body ground

      Power switch on (IG)

      Below 1 V

      A111-20 (HTM-) or A66-25 (HTM-) - Body ground

      Power switch on (IG)

      Below 1 V

      A111-8 (MTH+) or A66-23 (MTH+) - Body ground

      Power switch on (IG)

      Below 1 V

      A111-19 (MTH-) or A66-22 (MTH-) - Body ground

      Power switch on (IG)

      Below 1 V

      A111-26 (REQ+) or A66-31(REQ+) - Body ground

      Power switch on (IG)

      Below 1 V

      A111-37 (REQ-) or A66-30 (REQ-) - Body ground

      Power switch on (IG)

      Below 1 V

      A111-7 (CLK+) or A66-33 (CLK+) - Body ground

      Power switch on (IG)

      Below 1 V

      A111-18 (CLK-) or A66-32 (CLK-) - Body ground

      Power switch on (IG)

      Below 1 V

      Note:

      Turning the power switch on (IG) with the hybrid vehicle control ECU and inverter with converter assembly connectors disconnected causes other DTCs to be stored. Clear the DTCs after performing this inspection.

    8. Turn the power switch off.

    9. Disconnect the cable from the negative (-) auxiliary battery terminal.

    10. Reconnect the A66 hybrid vehicle control ECU connector.

    11. Reconnect the A111 inverter with converter assembly connector.

    Result

    Proceed to

    OK

    NG

    NG

    REPAIR OR REPLACE HARNESS OR CONNECTOR

    OK
  4. CHECK HYBRID VEHICLE CONTROL ECU

    1. Disconnect the A66 hybrid vehicle control ECU connector.

    2. C304450C14

      *a

      Component without harness connected

      (Hybrid Vehicle Control ECU)

      Measure the resistance according to the value(s) in the table below.

      Standard Resistance

      Tester Connection

      Condition

      Specified Condition

      A66-24 (HTM+) - A66-25 (HTM-)

      Power switch off

      80 to 170 Ω

      A66-23 (MTH+) - A66-22 (MTH-)

      Power switch off

      80 to 170 Ω

      A66-31 (REQ+) - A66-30 (REQ-)

      Power switch off

      80 to 170 Ω

      A66-33 (CLK+) - A66-32 (CLK-)

      Power switch off

      80 to 170 Ω

    3. Reconnect the A66 hybrid vehicle control ECU connector.

    Result

    Proceed to

    OK

    NG

    OK

    INVERTER LOW-VOLTAGE CIRCUIT NORMAL (PERFORM NEXT STEP FOR REFERENCED DTC)

    NG

    REPLACE HYBRID VEHICLE CONTROL ECU

  5. CHECK HARNESS AND CONNECTOR (INVERTER WITH CONVERTER ASSEMBLY - PCU FUSE)

    CAUTION:

    Be sure to wear insulated gloves.

    1. Check that the service plug grip is not installed.

      Note:

      After removing the service plug grip, do not turn the power switch on (READY), unless instructed by the repair manual because this may cause a malfunction.

    2. Disconnect the A111 inverter with converter assembly connector.

      Click here

    3. A350653C30

      *a

      Front view of wire harness connector

      (to Inverter with Converter Assembly)

      Measure the resistance according to the value(s) in the table below.

      Standard Resistance

      Tester Connection

      Condition

      Specified Condition

      A111-30 (+B) - Body ground

      Power switch off

      10 kΩ or higher

      A111-31 (+B2) - Body ground

      Power switch off

      10 kΩ or higher

    4. Reconnect the A111 inverter with converter assembly connector.

    Result

    Proceed to

    OK

    NG

    NG

    REPAIR OR REPLACE HARNESS OR CONNECTORClick here

    OK
  6. REPLACE INVERTER WITH CONVERTER ASSEMBLY

    Click here

    Result

    Proceed to

    NEXT

    NEXT

    REPLACE FUSE (PCU)

  7. REPAIR OR REPLACE HARNESS OR CONNECTOR

    Result

    Proceed to

    NEXT

    NEXT

    REPLACE FUSE (PCU)