СИСТЕМА НАВИГАЦИИ, диагностический код DTC: B1543

Код DTC Наименование DTC
B1543 Модуль расширения 2 отсоединен

ОПИСАНИЕ

Если радиоприемник с экраном в сборе не может обнаружить ЭБУ системы навигации в течение определенного времени (90 с) после включения зажигания (ACC) и подтверждает отсутствие информации путем проверки прошлой информации о распознавании ЭБУ системы навигации (зарегистрированной), будет сохранен этот DTC.

Tip:

В системе навигации для обмена данными между устройствами используется интерфейс USB. В случае обрыва, короткого замыкания, замыкания на +B или массу в цепи USB связь прерывается, и система навигации не будет работать должным образом.

№ DTC

Неисправность

Условие обнаружения DTC

Неисправный участок

B1543

Модуль расширения 2 отсоединен

ЭБУ системы навигации отсоединен

  • ЭБУ системы навигации

  • Радиоприемник с дисплеем в сборе

  • Жгут проводов системы навигации № 1

  • Жгут проводов или разъем

Tip:

Этот код DTC может регистрироваться вследствие воздействия внешних факторов, например электрических помех или радиопомех.

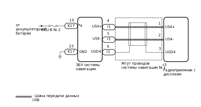
СХЕМА ЭЛЕКТРИЧЕСКИХ СОЕДИНЕНИЙ

E368008E01

ПРЕДОСТЕРЕЖЕНИЕ / ПРИМЕЧАНИЕ / УКАЗАНИЕ

Note:
  • В зависимости от замененных деталей или операций, которые были выполнены при проверке или обслуживании автомобиля, может потребоваться инициализация, регистрация или калибровка. См. меры предосторожности по системе навигации.

    Нажмите здесьЩелкните по следующей ссылкеЩелкните по следующей ссылке

  • Перед выполнением последующей процедуры проверки проверьте плавкие предохранители цепей, относящихся к данной системе.

  • Радиоприемник с дисплеем в сборе и ЭБУ системы навигации надлежит заменять только новыми узлами. Если для замены будет использован радиоприемник с дисплеем в сборе или ЭБУ системы навигации с другого автомобиля, может произойти следующее:

    • Может быть сохранен DTC нарушения обмена данными.

    • Работа радиоприемника с дисплеем в сборе или ЭБУ системы навигации может быть нарушена.

ПОРЯДОК ВЫПОЛНЕНИЯ

  1. ПРОВЕРЬТЕ ЭКРАН КАРТЫ

    1. Установите замок зажигания в положение ACC и подождите в течение 90 с.

    2. Нажмите кнопку "MAP" и убедитесь, что экран карты отображается нормально.

    Результат

    Result

    Перейти К

    Экран карты отображается нормально.

    A

    Экран карты не отображается нормально.

    B

    Tip:
    • Этот код DTC может регистрироваться вследствие воздействия внешних факторов, например электрических помех или радиопомех.

    • Если экран карты отображается нормально, удалите предыдущие DTC. (коды, сохранные в связи с действием факторов окружающей среды в прошлом).

    A

    ВЫПОЛНИТЕ ПРОВЕРКУ С ИМИТАЦИЕЙ УСЛОВИЙ ВОЗНИКНОВЕНИЯ НЕИСПРАВНОСТИ

    B
  2. ПРОВЕРЬТЕ DTC

    1. Удалите коды DTC.

      Body Electrical > Navigation System > Clear DTCs

    2. Выключите зажигание.

    3. Установите замок зажигания в положение ON (ВКЛ) и подождите в течение 90 с.

    4. Повторно проверьте коды DTC и убедитесь, что они не выводятся.

      Body Electrical > Navigation System > Trouble Codes

      OK

      Коды DTC не выводятся.

    Результат

    Перейти к

    OK

    НЕ СООТВ.

    OK

    ВЫПОЛНИТЕ ПРОВЕРКУ С ИМИТАЦИЕЙ УСЛОВИЙ ВОЗНИКНОВЕНИЯ НЕИСПРАВНОСТИ

    НЕ СООТВ.
  3. ПРОВЕРЬТЕ ЖГУТ ПРОВОДОВ И РАЗЪЕМ (ЭБУ СИСТЕМЫ НАВИГАЦИИ – АККУМУЛЯТОРНАЯ БАТАРЕЯ И МАССА)

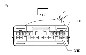
    1. E364286C04

      *a

      Вид спереди разъема со стороны жгута проводов:

      (к ЭБУ системы навигации)

      Отсоедините разъем ЭБУ системы навигации.

    2. Измерьте сопротивление в соответствии со значениями, приведенными в таблице ниже.

      Номинальное сопротивление

      Подключение диагностического прибора

      Условие

      Заданные условия

      K17-23 (GND) - масса

      Всегда

      Менее 1 Ом

    3. Измерьте напряжение в соответствии со значениями, приведенными в таблице.

      Номинальное напряжение

      Подключение диагностического прибора

      Условие

      Заданные условия

      K17-10 (+B) - масса

      Всегда

      11-14 В

    Результат

    Перейти к

    OK

    НЕ СООТВ.

    НЕ СООТВ.

    ОТРЕМОНТИРУЙТЕ ИЛИ ЗАМЕНИТЕ ЖГУТ ПРОВОДОВ ИЛИ РАЗЪЕМ

    СООТВ
  4. ПРОВЕРЬТЕ ЖГУТ ПРОВОДОВ СИСТЕМЫ НАВИГАЦИИ № 1 (РАДИОПРИЕМНИК С ДИСПЛЕЕМ В СБОРЕ – ЭБУ СИСТЕМЫ НАВИГАЦИИ)

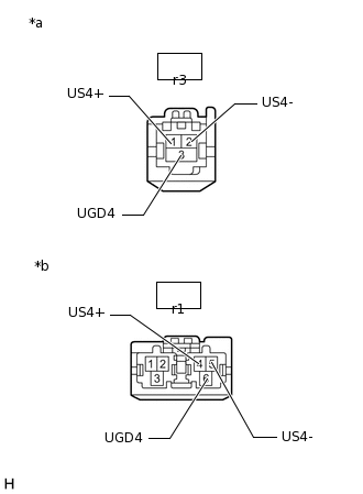
    1. E368007C02

      *a

      Вид спереди разъема со стороны жгута проводов:

      (к радиоприемнику с дисплеем в сборе)

      *b

      Вид спереди разъема со стороны жгута проводов:

      (к ЭБУ системы навигации)

      Отсоедините разъем r1 ЭБУ системы навигации.

    2. Отсоедините разъем r3 радиоприемника с дисплеем в сборе.

    3. Измерьте сопротивление в соответствии со значениями, приведенными в таблице ниже.

      Номинальное сопротивление

      Подключение диагностического прибора

      Условие

      Заданные условия

      r1-4 (US4+) - r3-1 (US4+)

      Всегда

      Менее 1 Ом

      r1-5 (US4-) - r3-2 (US4-)

      Всегда

      Менее 1 Ом

      r1-6 (UGD4) - r3-3 (UGD4)

      Всегда

      Менее 1 Ом

    Результат

    Перейти к

    OK

    НЕ СООТВ.

    НЕ СООТВ.

    ЗАМЕНИТЕ ЖГУТ ПРОВОДОВ СИСТЕМЫ НАВИГАЦИИ № 1

    OK
  5. ЗАМЕНИТЕ ЭБУ СИСТЕМЫ НАВИГАЦИИ

    1. Замените ЭБУ системы навигации новым блоком.

      Нажмите здесьЩелкните по следующей ссылке

    Результат

    Перейти к

    СЛЕДУЮЩЕЕ -

    СЛЕДУЮЩЕЕ -
  6. ПРОВЕРЬТЕ DTC

    1. Удалите коды DTC.

      Body Electrical > Navigation System > Clear DTCs

    2. Выключите зажигание.

    3. Установите замок зажигания в положение ON (ВКЛ) и подождите в течение 90 с.

    4. Повторно проверьте коды DTC и убедитесь, что они не выводятся.

      Body Electrical > Navigation System > Trouble Codes

      OK

      Коды DTC не выводятся.

    Результат

    Перейти к

    OK

    НЕ СООТВ.

    OK

    КОНЕЦ (ЭБУ СИСТЕМЫ НАВИГАЦИИ НЕИСПРАВЕН)

    NG

    ЗАМЕНИТЕ РАДИОПРИЕМНИК С ДИСПЛЕЕМ В СБОРЕ