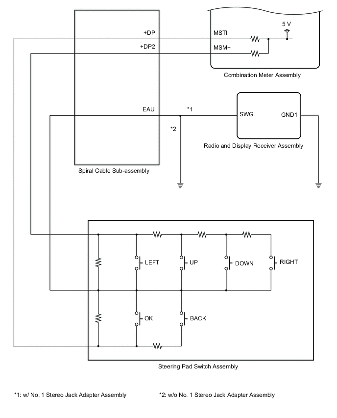
METER / GAUGE SYSTEM SYSTEM DIAGRAM

Tech Tips

Refer to System Diagram of CAN Communication System.

Click here


  1. COMBINATION METER ASSEMBLY DIAGRAM

    B0083IIE01
    B0087LDE04
    B0088GBE01
    B00855AE02
  2. TURN SIGNAL LIGHT DIAGRAM


    1. LH Side

      B0083KEE03
      B0087U0E03
      B008474E02
    2. RH Side

      B0083KEE04
      B0087U0E04
      B008474E03
  3. ILLUMINATION DIAGRAM

    B0083GEE03
    B0085B1E04
    B0086N6E04
  4. SPEED SIGNAL DIAGRAM

    B0086HGE01