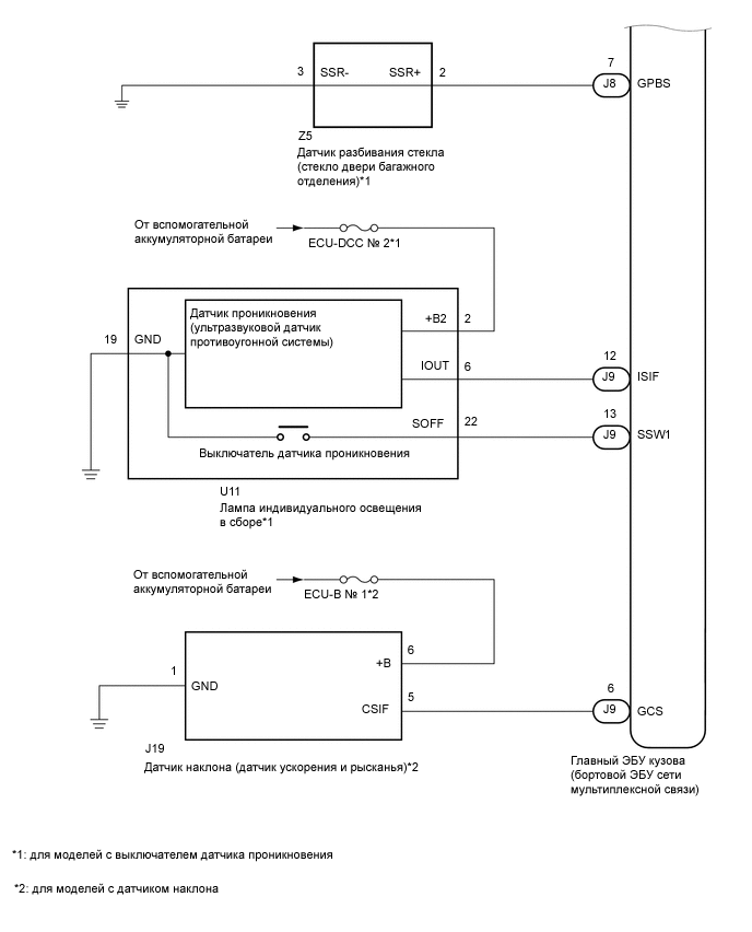
ПРОТИВОУГОННАЯ СИСТЕМА СХЕМА СИСТЕМЫ

B438346E05
B424463E05
B424464E02
B495265E02
B424466E04