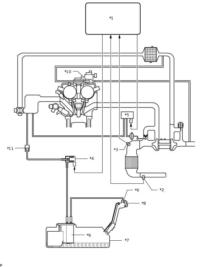
EMISSION CONTROL SYSTEM SYSTEM DIAGRAM
*1 |
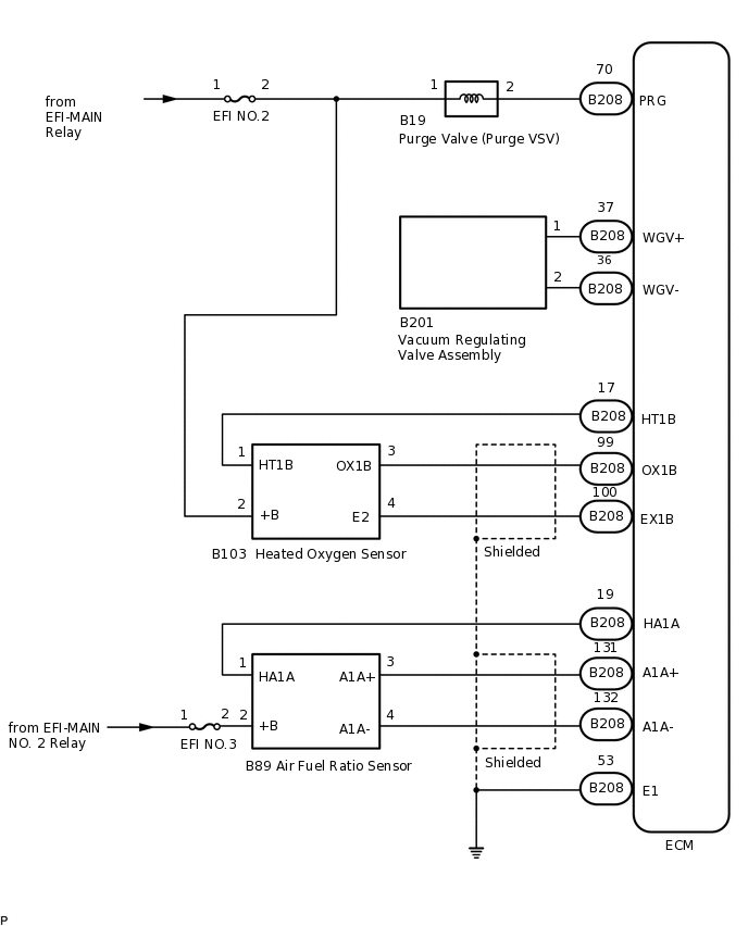
ECM |
*2 |
Heated Oxygen Sensor |
*3 |
Air Fuel Ratio Sensor |
*4 |
Purge Valve (Purge VSV) |
*5 |
Vacuum Regulating Valve Assembly |
*6 |
Canister (Fuel Suction Plate Sub-assembly) |
*7 |
Fuel Tank Assembly |
*8 |
Fuel Tank Cap Assembly |
*9 |
Canister Filter |
*10 |
Ventilation Ejector |
*11 |
No. 1 Check Valve |
- |
- |