СИСТЕМА ПРЕДУПРЕЖДЕНИЯ О НЕПРИСТЕГНУТОМ РЕМНЕ БЕЗОПАСНОСТИ (для моделей без системы классификации пассажиров) СХЕМА СИСТЕМЫ

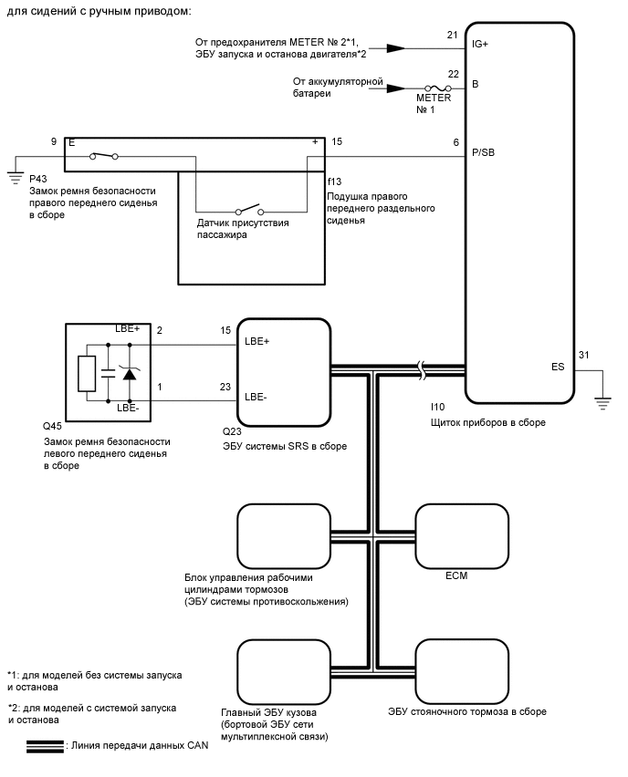
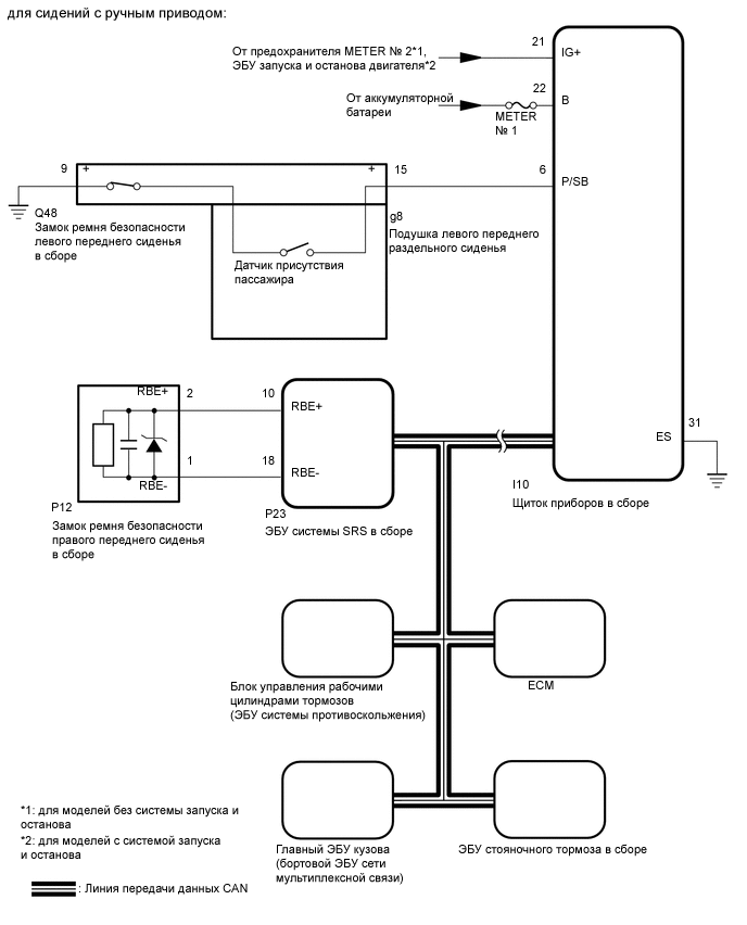
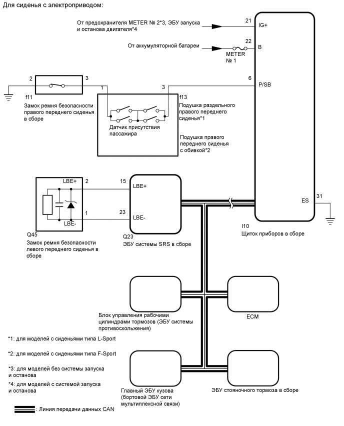
  1. ПРЕДУПРЕЖДЕНИЕ О НЕПРИСТЕГНУТОМ РЕМНЕ БЕЗОПАСНОСТИ ПЕРЕДНЕГО СИДЕНЬЯ (для моделей с левосторонним рулевым управлением)

    B373906E08
    B384941E05
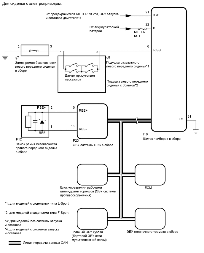
  2. ПРЕДУПРЕЖДЕНИЕ О НЕПРИСТЕГНУТОМ РЕМНЕ БЕЗОПАСНОСТИ ПЕРЕДНЕГО СИДЕНЬЯ (для моделей с правосторонним рулевым управлением)

    B373906E09
    B384941E06
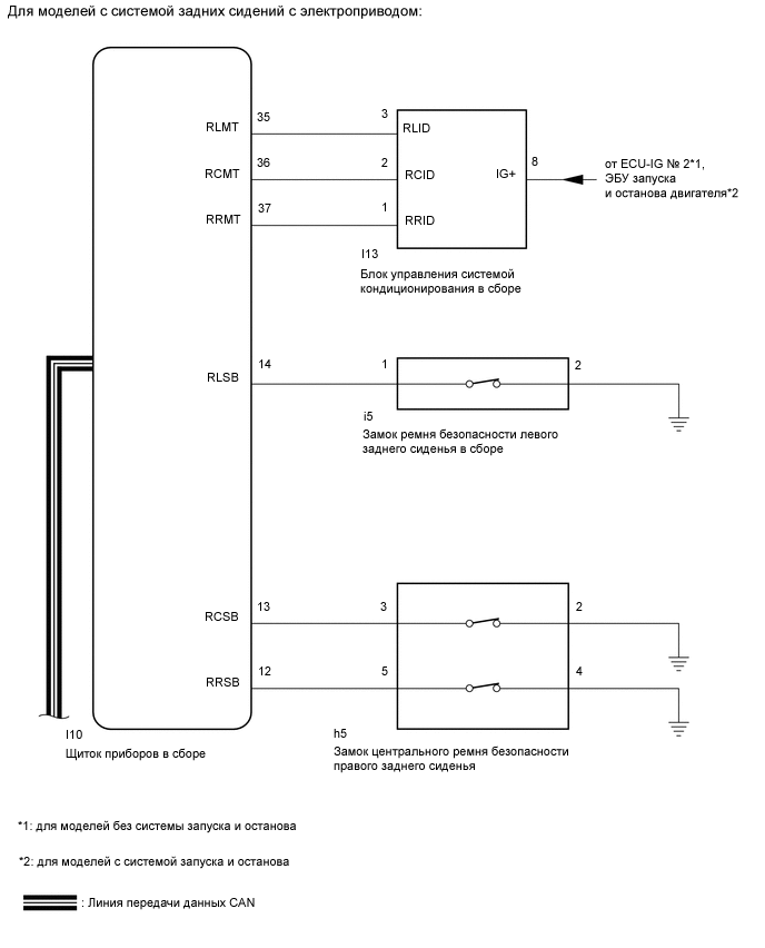
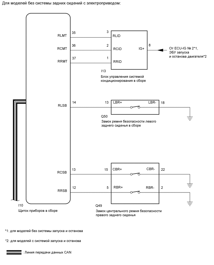
  3. ПРЕДУПРЕЖДЕНИЕ О НЕПРИСТЕГНУТЫХ РЕМНЯХ БЕЗОПАСНОСТИ ЗАДНИХ СИДЕНИЙ (для моделей с функцией предупреждения о непристегнутых ремнях безопасности задних сидений)

    B391995E01
    B391995E02
    B345485E02