TIRE PRESSURE WARNING SYSTEM DIAGNOSIS SYSTEM

  1. Note:
    • When there is a problem with the tire pressure warning system, the tire pressure warning light blinks at 0.5 second intervals, and illuminates after 1 minute.

    • When the malfunction has been corrected, the tire pressure warning light does not illuminate.

    • When the tire pressure warning light illuminates, immediately check the tire pressures of the tire and adjust it to the specified value(s).

    • After the power switch is turned on (IG), the tire pressure warning light illuminates for 3 seconds and then goes off. If the warning light does not illuminate for 3 seconds, proceed to the troubleshooting for the tire pressure warning light circuit.

      Click hereClick here

    CHECK WARNING LIGHT

    1. C213286C04

      *1

      Tire Pressure Warning Light

      Turn the power switch on (IG).

    2. Check that the tire pressure warning light illuminates for 3 seconds.

  2. WHAT TO CONSIDER WHEN TIRE PRESSURE WARNING LIGHT ILLUMINATES

    1. When the tire pressure warning light does not go off, or when it illuminates during driving, check the tire pressure. If the tire pressure warning light illuminates within several hours after adjusting the tire pressure, the tire may have a slow air leak.

    2. The system is disabled in the following conditions (when the condition becomes normal, the system will work properly).

      1. When all of the tires and wheels that have the tire pressure warning valve and transmitters registered with the tire pressure warning ECU and receiver have not been installed.

      2. When all of the transmitter ID codes are not registered with the tire pressure warning ECU and receiver.

      3. When the tire pressure is abnormally high (absolute pressure: 480 kPa (4.9 kgf/cm2, 70 psi) or more; relative pressure: 380 kPa (3.9 kgf/cm2, 55 psi) or more).

      4. When the tire pressure warning valve and transmitter battery is depleted.

    3. The system may become disabled in the following conditions (when the condition becomes normal, the system will work properly).

      1. When electric devices or facilities using similar radio frequencies are nearby.

      2. When a wireless device or other equipment operating at a similar frequency is in use in the vehicle.

      3. When a window tint that affects radio wave signals is installed.

      4. When there is a lot of snow or ice on the vehicle, in particular, around the wheels or wheel housing.

      5. When non-genuine wheels are used.

      6. When tire chains are used.

      7. When aftermarket tire repair sealant is used.

        CAUTION:

        After use of tire repair sealant, replacement of the tire pressure warning valve and transmitter is required to ensure normal system operation. (Normal system operation cannot be ensured by only repairing or replacing the tire.)

  3. TIRE PRESSURE WARNING LIGHT AND INDICATOR CHART

    Tip:

    The table below indicates the state of the tire pressure warning light after the power switch is turned on (IG).

    Immediately after turning the power switch on (IG)

    Always

    Warning light output pattern

    Illuminates for 3 sec.

    Goes off

    Illuminates

    Blinks*1

    Blinks*2

    Blinks*3

    Blinks*4

    Outputs DTC

    Normal

    -

    -

    -

    -

    -

    -

    Low tire pressure

    -

    -

    -

    -

    -

    -

    System failure

    -

    -

    -

    -

    -

    -

    Test mode (signal check mode)

    -

    -

    -

    -

    -

    -

    Initialization

    -

    -

    -

    -

    -

    -

    ECU connector poorly connected

    -

    -

    -

    -

    -

    -

    -

    TC grounded (DTC is output)

    -

    -

    -

    -

    -

    -

    TC grounded (DTC is not output)

    -

    -

    -

    -

    -

    -

    ID code being verified

    -

    -

    -

    -

    -

    -

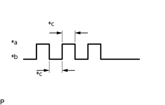
    • E133091C04

      *a

      ON

      *b

      OFF

      *c

      0.5 sec.

      *d

      1 minute

      *1: Illuminates and goes off repeatedly at 0.5 second intervals, and illuminates after 1 minute.

    • C275244C01

      *a

      ON

      *b

      OFF

      *c

      0.125 sec.

      *2: Illuminates and goes off repeatedly at 0.125 second intervals.

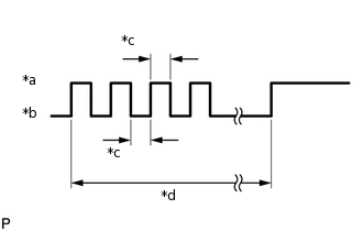
    • C110636C05

      *a

      ON

      *b

      OFF

      *c

      1 sec.

      *3: Blinks 3 times (1 second on, 1 second off).

    • C145821C04

      *a

      ON

      *b

      OFF

      *c

      0.25 sec.

      *4: Illuminates and goes off repeatedly at 0.25 second intervals.

  4. Normal mode DTCs

    1. DTCs are stored in the tire pressure warning ECU and receiver and output by the blinking of the tire pressure warning light or by using the GTS.

      Click here

  5. Test mode (signal check mode) DTCs

    1. By switching from normal mode into test mode (input signal check), you can inspect the tire pressure warning ECU and receiver, each tire pressure warning valve and transmitter and tire pressure warning reset switch.

      Click here

  6. FAIL-SAFE FUNCTION

    1. When a system malfunction occurs in the tire pressure warning system, the tire pressure warning light illuminates after blinking for 1 minute to inform the driver of the system failure.

    2. The result of this diagnosis code is stored in the tire pressure warning ECU and receiver.