СИСТЕМА УПРАВЛЕНИЯ ГИБРИДНОЙ СИСТЕМОЙ, диагностический DTC: P324E-788

Код DTC Наименование DTC
P324E-788 Прерывистый сигнал в цепи реле питания MG-ECU

ОПИСАНИЕ

ЭБУ гибридной системы сохраняет этот DTC, если из-за сбоя питания в инверторе происходит сброс ЭБУ MG, встроенного в преобразователь-инвертор в сборе.

№ DTC

Неисправность

Условие обнаружения DTC

Неисправный участок

MIL

Индикация предупреждения

P324E-788

Прерывистый сигнал в цепи реле питания MG-ECU

Ошибка сигнала сброса от ИС источника питания инвертора:

Когда напряжение внутреннего источника питания становится ниже нормального рабочего напряжения главного процессора или нарушается работа ПЗУ/ОЗУ, происходит сброс ИС источника питания, и ЭБУ MG сохраняет данный DTC.

(логика диагностирования за 1 поездки)

  • Жгут проводов или разъем

  • Преобразователь-инвертор в сборе

Не загорается

Главная контрольная лампа аварийного состояния:

Загорается

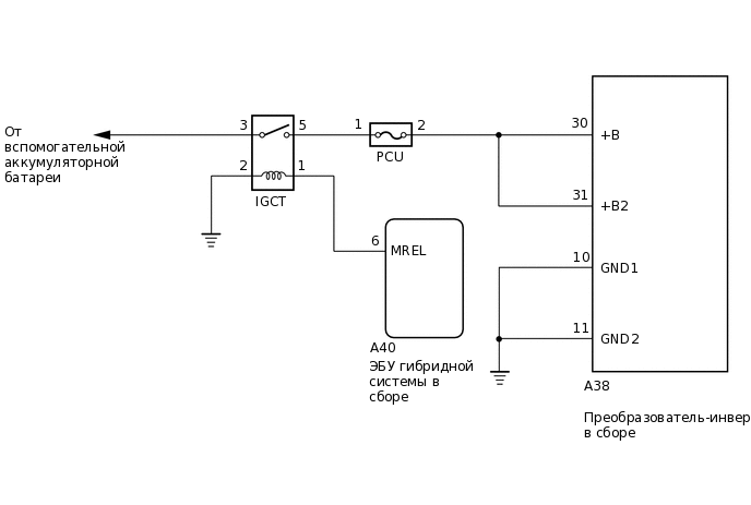
СХЕМА СОЕДИНЕНИЙ

A287787E21

ПРЕДОСТЕРЕЖЕНИЕ / ПРИМЕЧАНИЕ / УКАЗАНИЕ

CAUTION:
  • Перед проверкой системы высокого напряжения или отсоединением разъема низкого напряжения преобразователя-инвертора необходимо принять меры по предотвращению поражения электрическим током, а именно, надеть электроизолирующие перчатки и снять зажим сервисного размыкателя цепи. После снятия зажима сервисного размыкателя цепи положите его в карман, чтобы никто не смог случайно подсоединить его обратно, пока выполняются работы с системой высокого напряжения.

  • После отсоединения зажима сервисного размыкателя цепи подождите, по крайней мере, 10 мин, прежде чем прикасаться к какому-либо из высоковольтных разъемов или контактов. По истечении 10 мин проверьте напряжение на контактах в контрольной точке преобразователя-инвертора в сборе. Перед началом работ напряжение должно составлять 0 В.

    Нажмите здесьClick hereClick here

    Tip:

    Для разрядки высоковольтного конденсатора внутри преобразователя-инвертора требуется не менее 10 мин.

Note:

После выключения питания следует подождать некоторое время, прежде чем отсоединять провод от отрицательного (-) вывода вспомогательной аккумуляторной батареи. Поэтому, прежде чем приступать к этой работе, обязательно ознакомьтесь с примечанием относительно отсоединения провода от отрицательного (-) вывода вспомогательной аккумуляторной батареи.

Нажмите здесьClick hereClick hereClick here

Tip:

После ремонта удалите все коды DTC и убедитесь, что коды DTC не выводятся, выполнив следующую процедуру.

  1. Установите выключатель питания в состояние ON (ВКЛ) (IG) и подождите не менее 5 с.

ПОРЯДОК ВЫПОЛНЕНИЯ

  1. ПРОВЕРЬТЕ DTC (СИСТЕМЫ УПРАВЛЕНИЯ ГИБРИДНОЙ СИСТЕМОЙ)

    1. Подключите GTS к DLC3.

    2. Включите питание (IG).

    3. Войдите в следующие меню: Powertrain / Hybrid Control / Trouble Codes.

    4. Проверьте наличие кодов DTC.

      Powertrain > Hybrid Control > Trouble Codes

      Результат

      Result

      Перейдите к

      Выводится только P324E-788, либо также выводятся любые DTC, отличные от U0110-159, 160, 656 и 657.

      A

      Также выводятся U0110-159, 160, 656, 657

      B

    5. Выключите питание.

    B

    ОБРАТИТЕСЬ К ТАБЛИЦЕ КОДОВ DTC (СИСТЕМА УПРАВЛЕНИЯ ГИБРИДНОЙ СИСТЕМОЙ)

    Нажмите здесьClick hereClick here

    A
  2. ПРОВЕРЬТЕ ПОДКЛЮЧЕНИЕ РАЗЪЕМА (ПРЕОБРАЗОВАТЕЛЯ-ИНВЕРТОРА В СБОРЕ)

    Нажмите здесьClick here

    Result

    Result

    Перейти к

    OK

    А

    NG (разъем не подсоединен надежно)

    B

    NG (отсутствует надежный контакт между выводами, либо они деформированы, или же в разъем попала вода или посторонние вещества)

    C

    B

    ПРОВЕРЬТЕ НАДЕЖНОСТЬ ПОДКЛЮЧЕНИЯ

    C

    ОТРЕМОНТИРУЙТЕ ИЛИ ЗАМЕНИТЕ ЖГУТ ПРОВОДОВ ИЛИ РАЗЪЕМ

    A
  3. ПРОВЕРЬТЕ ЖГУТ ПРОВОДОВ И РАЗЪЕМ (ПРЕОБРАЗОВАТЕЛЬ-ИНВЕРТОР В СБОРЕ – РЕЛЕ IGCT)

    CAUTION:

    Не забывайте надевать электроизолирующие перчатки.

    1. Убедитесь, что зажим сервисного размыкателя цепи не установлен.

      Note:

      При снятом зажиме сервисного размыкателя цепи не включайте питание (READY), если нет соответствующего указания в руководстве по ремонту, так как это может стать причиной неисправности.

    2. Отсоедините разъем A38 преобразователя-инвертора в сборе.

    3. Извлеките реле IGCT из блока реле № 2 моторного отсека.

    4. Измерьте сопротивление в соответствии со значениями, приведенными в таблице ниже.

      A368668C03

      *1

      Блок реле моторного отсека № 2 в сборе

      *2

      Реле IGCT

      *a

      Вид спереди разъема со стороны жгута проводов:

      (к преобразователю-инвертору в сборе)

      -

      -

      Номинальное сопротивление

      Подключение диагностического прибора

      Условие

      Заданные условия

      A38-30 (+B) - 5 (реле IGCT)

      Питание выключено

      Менее 1 Ом

      A38-31 (+B2) - 5 (реле IGCT)

      Питание выключено

      Менее 1 Ом

      A38-10 (GND1) - масса

      Питание выключено

      Менее 1 Ом

      A38-11 (GND2) - масса

      Питание выключено

      Менее 1 Ом

    5. Установите реле IGCT.

    6. Подсоедините разъем A38 преобразователя-инвертора в сборе.

    Результат

    Перейти к

    OK

    НЕ СООТВ.

    OK

    ДЛЯ ЗАМЕНЫ ДЕТАЛЕЙ ПРЕОБРАЗОВАТЕЛЯ-ИНВЕРТОРА В СБОРЕ СМ.

    Нажмите здесьClick here

    NG

    ОТРЕМОНТИРУЙТЕ ИЛИ ЗАМЕНИТЕ ЖГУТ ПРОВОДОВ ИЛИ РАЗЪЕМ