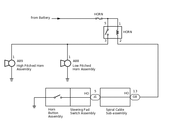
HORN SYSTEM SYSTEM DIAGRAM

B409543E03