COOLING FAN SYSTEM Cooling Fan Circuit

DESCRIPTION

The ECM calculates an appropriate cooling fan speed based on the engine coolant temperature, air conditioning switch status, refrigerant pressure, engine speed and vehicle speed, and sends a signal to the cooling fan ECU (fan with motor assembly). The cooling fan ECU (fan with motor assembly) steplessly control the speed of the cooling fan based on the duty cycle signal sent from the ECM. By sending signals to the cooling fan ECU (fan with motor assembly) in accordance with the driving conditions and by controlling the cooling fan speed optimally with the ECM, both high cooling performance and quietness are ensured.

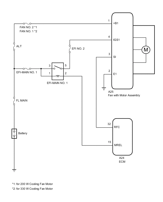
WIRING DIAGRAM

B0083USE04

CAUTION / NOTICE / HINT

Note


  • Inspect the fuses for circuits related to this system before performing the following procedure.

  • Make sure to perform the necessary procedures (adjustment, calibration, initialization, or registration) after parts related to the cooling fan system have been removed/installed or replaced.

    Click here

PROCEDURE


  1. PERFORM ACTIVE TEST USING GTS (CONTROL THE ENGINE COOLING FAN DUTY RATIO)


    1. Connect the GTS to the DLC3.

    2. Turn the ignition switch to ON.

    3. Turn the GTS on.

    4. Enter the following menus: Powertrain / Engine / Active Test / Control the Engine Cooling Fan Duty Ratio.


      Powertrain > Engine > Active Test
      Tester Display
      Control the Engine Cooling Fan Duty Ratio
    5. Check the operation of the cooling fan while operating it using the GTS.

      OK
      GTS Operation Fan Operation
      30 - 100% Cooling fan operates
      0% Cooling fan stops
      Result
      Result Proceed to
      OK A
      Cooling fan does not operate B
      Cooling fan does not stop C

    A
    C
    B
  2. CHECK HARNESS AND CONNECTOR (FAN WITH MOTOR ASSEMBLY - ECM)


    1. Disconnect the A25 fan with motor assembly connector.

    2. Disconnect the A24 ECM connector.

    3. Measure the resistance according to the value(s) in the table below.

      Standard Resistance
      Tester Connection Condition Specified Condition
      A25-3 (SI) or A24-32 (RFC) - Body ground Always 10 kΩ or higher
      Result
      Proceed to
      OK
      NG

    NG
    OK
  3. INSPECT ECM (RFC TERMINAL)


    1. Disconnect the A25 fan with motor assembly connector.

    2. Connect the GTS to the DLC3.

    3. Turn the ignition switch to ON.

    4. Turn the GTS on.

    5. Enter the following menus: Powertrain / Engine / Active Test / Control the Engine Cooling Fan Duty Ratio.


      Powertrain > Engine > Active Test
      Tester Display
      Control the Engine Cooling Fan Duty Ratio
    6. Operate the cooling fan motor (fan with motor assembly) using the Active Test function and measure the resistance according to the value(s) in the table below.

      Standard Resistance
      Tester Connection GTS Operation Specified Condition
      A25-3 (SI) - Body ground Before Active Test (0%) → During Active Test (100%) Before Active Test (0%): Resistance is stable → During Active Test (100%): Resistance fluctuates*

      Tech Tips

      *: Using the Active Test, duty control of the transistors in the ECM will be performed. Due to the duty control, resistance of the RFC terminal will be unstable during the Active Test. If the resistance is stable before the Active Test and fluctuates while performing the Active Test, it can be determined that the transistor is operating. If the transistor does not operate during the Active Test, the ECM may be malfunctioning.

      Result
      Proceed to
      OK
      NG

    NG
    OK
  4. CHECK HARNESS AND CONNECTOR (FAN WITH MOTOR ASSEMBLY POWER SOURCE)


    1. B0085EUC17
      *a

      Front view of wire harness connector

      (to Fan with Motor Assembly)

      Disconnect the A25 fan with motor assembly connector.

    2. Measure the voltage according to the value(s) in the table below.

      Standard Voltage
      Tester Connection Condition Specified Condition
      A25-1 (+B1) - A25-2 (E1) Always 11 to 14 V
      Result
      Proceed to
      OK
      NG

    NG
    OK
  5. CHECK HARNESS AND CONNECTOR (FAN WITH MOTOR ASSEMBLY POWER SOURCE)


    1. Disconnect the A25 fan with motor assembly connector.

    2. Turn the ignition switch to ON.

    3. B0085EUC18
      *a

      Front view of wire harness connector

      (to Fan with Motor Assembly)

      Measure the voltage according to the value(s) in the table below.

      Standard Voltage
      Tester Connection Condition Specified Condition
      A25-4 (IGS1) - A25-2 (E1) ignition switch ON 11 to 14 V
      Result
      Proceed to
      OK
      NG

    OK
    NG
  6. CHECK HARNESS AND CONNECTOR (FAN WITH MOTOR ASSEMBLY - EFI-MAIN NO. 1 RELAY)


    1. Disconnect the A25 fan with motor assembly connector.

    2. Remove the EFI-MAIN NO. 1 relay from the engine room relay block and junction block assembly.

    3. Measure the resistance according to the value(s) in the table below.

      Standard Resistance
      Tester Connection Condition Specified Condition
      A25-4 (IGS1) - 5 (EFI-MAIN NO. 1 relay) Always Below 1 Ω
      Result
      Result
      OK
      NG

    OK
    NG
  7. CHECK HARNESS AND CONNECTOR (FAN WITH MOTOR ASSEMBLY - BODY GROUND)


    1. Disconnect the A25 fan with motor assembly connector.

    2. Measure the resistance according to the value(s) in the table below.

      Standard Resistance
      Tester Connection Condition Specified Condition
      A25-2 (E1) - Body ground Always Below 1 Ω
      Result
      Proceed to
      OK
      NG

    OK
    NG
  8. INSPECT ECM (RFC TERMINAL)


    1. Disconnect the A25 fan with motor assembly connector.

    2. Connect the GTS to the DLC3.

    3. Turn the ignition switch to ON.

    4. Turn the GTS on.

    5. Enter the following menus: Powertrain / Engine / Active Test / Control the Engine Cooling Fan Duty Ratio.


      Powertrain > Engine > Active Test
      Tester Display
      Control the Engine Cooling Fan Duty Ratio
    6. Operate the cooling fan motor (fan with motor assembly) using the Active Test function and measure the resistance according to the value(s) in the table below.

      Standard Resistance
      Tester Connection GTS Operation Specified Condition
      A25-3 (SI) - Body ground Before Active Test (0%) → During Active Test (100%) Before Active Test (0%): Resistance is stable → During Active Test (100%): Resistance fluctuates*

      Tech Tips

      *: Using the Active Test, duty control of the transistors in the ECM will be performed. Due to the duty control, resistance of the RFC terminal will be unstable during the Active Test. If the resistance is stable before the Active Test and fluctuates while performing the Active Test, it can be determined that the transistor is operating. If the transistor does not operate during the Active Test, the ECM may be malfunctioning.

      Result
      Proceed to
      OK
      NG

    OK
    NG
  9. CHECK HARNESS AND CONNECTOR (FAN WITH MOTOR ASSEMBLY - ECM)


    1. Disconnect the A25 fan with motor assembly connector.

    2. Disconnect the A24 ECM connector.

    3. Measure the resistance according to the value(s) in the table below.

      Standard Resistance
      Tester Connection Condition Specified Condition
      A25-3 (SI) - A24-32 (RFC) Always Below 1 Ω
      Result
      Result
      OK
      NG

    OK
    NG