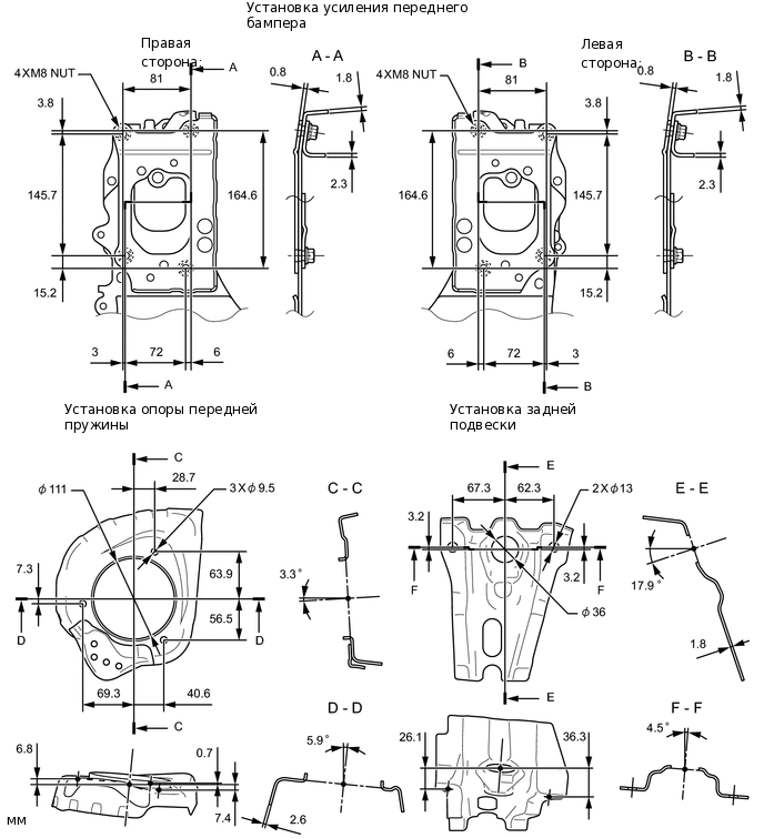
ПРОЧИЕ СПРАВОЧНЫЕ ЗНАЧЕНИЯ РАЗМЕРЫ В ДВУМЕРНОЙ СИСТЕМЕ КООРДИНАТ

K139454E01