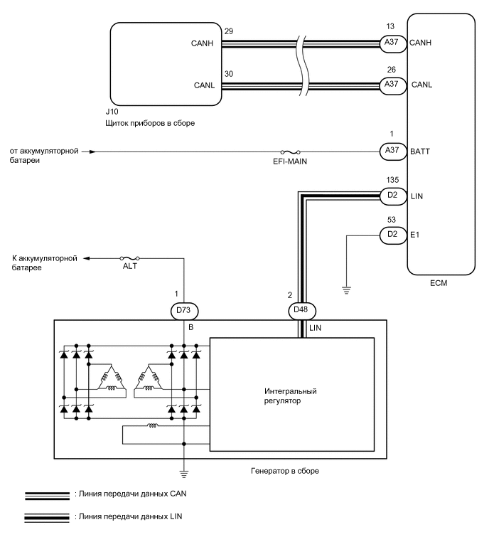
СИСТЕМА ЗАРЯДКИ ДВИГАТЕЛЯ СХЕМА СИСТЕМЫ

A360740E02