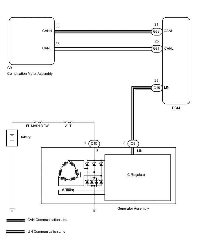
CHARGING SYSTEM SYSTEM DIAGRAM

A01SCV7E02