СИСТЕМА ПОДУШЕК БЕЗОПАСНОСТИ SRS, диагностические DTC: B1850/62, B1851/62, B1852/62 и B1853/62

Код DTC Наименование DTC
B1850/62 Короткое замыкание в цепи правого заднего бокового пиропатрона
B1851/62 Обрыв цепи правого заднего бокового пиропатрона
B1852/62 Короткое замыкание на GND в цепи правого заднего бокового пиропатрона
B1853/62 Короткое замыкание на B+ в цепи правого заднего бокового пиропатрона

ОПИСАНИЕ

Цепь правого заднего бокового пиропатрона включает блок управления системы SRS и боковую подушку безопасности правого заднего сиденья.

Центральный блок управления системы SRS использует эту цепь для развертывания подушки безопасности, когда выполняются условия развертывания.

Данные коды DTC регистрируются при обнаружении неисправности в цепи правого заднего бокового пиропатрона.

№ DTC

Неисправность

Условие обнаружения DTC

Неисправный участок

Режим диагностики / режим проверки

B1850/62

Короткое замыкание в цепи правого заднего бокового пиропатрона

  • Блок управления системы SRS обнаруживает короткое замыкание в цепи пиропатрона правой задней боковой подушки безопасности в ходе выполнения первичной проверки.

  • Неисправность правого заднего бокового пиропатрона

  • Неисправность блока управления системы SRS

  • Для моделей без заднего сиденья № 2:

  • Напольный провод

  • Правый задний боковой пиропатрон (правая подушка безопасности задних сидений в сборе)

  • Центральный блок управления системы SRS

  • Для моделей с задним сиденьем № 2:

  • Напольный провод

  • Жгут проводов правого заднего сиденья

  • Правый задний боковой пиропатрон (правая подушка безопасности задних сидений в сборе)

  • Блок управления системы SRS

Относится к режиму проверки

B1851/62

Обрыв цепи правого заднего бокового пиропатрона

  • Блок управления системы SRS обнаруживает обрыв в цепи пиропатрона правой задней боковой подушки безопасности.

  • Неисправность правого заднего бокового пиропатрона

  • Неисправность блока управления системы SRS

  • Для моделей без заднего сиденья № 2:

  • Напольный провод

  • Правый задний боковой пиропатрон (правая подушка безопасности задних сидений в сборе)

  • Центральный блок управления системы SRS

  • Для моделей с задним сиденьем № 2:

  • Напольный провод

  • Жгут проводов правого заднего сиденья

  • Правый задний боковой пиропатрон (правая подушка безопасности задних сидений в сборе)

  • Блок управления системы SRS

Относится к режиму проверки

B1852/62

Короткое замыкание на GND в цепи правого заднего бокового пиропатрона

  • Блок управления системы SRS обнаруживает короткое замыкание на массу в цепи пиропатрона правой задней боковой подушки безопасности.

  • Неисправность правого заднего бокового пиропатрона

  • Неисправность блока управления системы SRS

  • Для моделей без заднего сиденья № 2:

  • Напольный провод

  • Правый задний боковой пиропатрон (правая подушка безопасности задних сидений в сборе)

  • Центральный блок управления системы SRS

  • Для моделей с задним сиденьем № 2:

  • Напольный провод

  • Жгут проводов правого заднего сиденья

  • Правый задний боковой пиропатрон (правая подушка безопасности задних сидений в сборе)

  • Блок управления системы SRS

Относится к режиму проверки

B1853/62

Короткое замыкание на B+ в цепи правого заднего бокового пиропатрона

  • Блок управления системы SRS обнаруживает короткое замыкание на B+ в цепи пиропатрона правой задней боковой подушки безопасности.

  • Неисправность правого заднего бокового пиропатрона

  • Неисправность блока управления системы SRS

  • Для моделей без заднего сиденья № 2:

  • Напольный провод

  • Правый задний боковой пиропатрон (правая подушка безопасности задних сидений в сборе)

  • Центральный блок управления системы SRS

  • Для моделей с задним сиденьем № 2:

  • Напольный провод

  • Жгут проводов правого заднего сиденья

  • Правый задний боковой пиропатрон (правая подушка безопасности задних сидений в сборе)

  • Блок управления системы SRS

Относится к режиму проверки

СХЕМА ЭЛЕКТРИЧЕСКИХ СОЕДИНЕНИЙ

Figure 1. Для моделей без заднего сиденья № 2:
C323678E14
Figure 2. Для моделей с задним сиденьем № 2:
B485316E03

ПРЕДОСТЕРЕЖЕНИЕ / ПРИМЕЧАНИЕ / УКАЗАНИЕ

Note:

После выключения зажигания следует подождать некоторое время, прежде чем отсоединять провод от отрицательного (-) вывода вспомогательной аккумуляторной батареи. Поэтому, прежде чем приступать к этой работе, обязательно ознакомьтесь с примечанием относительно отсоединения провода от отрицательного (-) вывода вспомогательной аккумуляторной батареи.

Нажмите здесьClick here

Tip:
  • Выполните проверку с имитацией условий возникновения неисправности, выбрав на GTS режим проверки (Signal Check).

    Нажмите здесьClick here

  • Выбрав режим проверки (Signal Check), выполните проверку с имитацией условий возникновения неисправности, пошевелив каждый разъем системы подушек безопасности или совершив поездку по городским дорогам или дорогам без покрытия

    Нажмите здесьClick here

ПОРЯДОК ВЫПОЛНЕНИЯ

  1. ПРОВЕРЬТЕ СОСТОЯНИЕ АВТОМОБИЛЯ

    1. Выберите модель для проверки.

    Result

    Result

    Перейти К

    Для моделей без заднего сиденья № 2

    A

    Для моделей с задним сиденьем № 2

    B

    B

    ПРОВЕРЬТЕ РАЗЪЕМЫClick here

    A
  2. ПРОВЕРЬТЕ РАЗЪЕМЫ

    1. C238348C01

      *1

      Правая подушка безопасности задних сидений в сборе

      *2

      Центральный блок управления системы SRS

      *3

      Напольный провод

      Выключите питание.

    2. Отсоедините провод от отрицательного (-) вывода вспомогательной аккумуляторной батареи.

      CAUTION:

      После отсоединения провода от отрицательного (-) вывода вспомогательной аккумуляторной батареи подождать не менее 90 с, чтобы предотвратить срабатывание системы SRS.

    3. Проверьте правильность подключения разъемов к правой подушке безопасности заднего сиденья в сборе и блоку управления системы SRS в сборе.

      OK

      Разъемы подсоединены должным образом.

      Tip:

      Если разъемы подсоединены ненадежно, подсоедините их и перейдите к следующей проверке.

    4. Отсоедините разъемы от правой подушки безопасности заднего сиденья в сборе и блока управления системы SRS в сборе.

    5. Убедитесь, что контакты разъемов не деформированы и не повреждены.

      OK

      Контакты не деформированы и не повреждены.

    6. Убедитесь, что короткие пружины механизма предотвращения срабатывания в разъеме напольного провода не деформированы и не повреждены.

      OK

      Короткие пружины не деформированы и не повреждены.

    Result

    Перейти к

    OK

    НЕ СООТВ.

    НЕ СООТВ.

    ЗАМЕНИТЕ НАПОЛЬНЫЙ ПРОВОД

    СООТВ
  3. ПРОВЕРЬТЕ ПРАВУЮ ПОДУШКУ БЕЗОПАСНОСТИ ЗАДНИХ СИДЕНИЙ В СБОРЕ

    1. C290010C16

      *1

      Правая подушка безопасности задних сидений в сборе

      *2

      Блок управления системы SRS

      *a

      Вид спереди разъема со стороны жгута проводов:

      (к правой подушке безопасности задних сидений в сборе)

      Подсоедините разъем к блоку управления системы SRS.

    2. Подсоедините SST (сопротивление 2,1 Ом) к разъему С.

      CAUTION:

      Никогда не подключайте для измерения диагностический прибор к правой подушке безопасности задних сидений в сборе, так как это может привести к серьезной травме вследствие срабатывания подушки безопасности.

      Note:
      • При подсоединении не следует вставлять SST в контакты разъема с усилием.

      • Вставляйте SST в контакты разъема по прямой.

    3. Подсоедините провод к отрицательному (-) выводу вспомогательной аккумуляторной батареи.

    4. Удалите коды DTC, сохраненные в памяти.

      Нажмите здесьClick here

      Body Electrical > SRS Airbag > Clear DTCs

    5. Выключите питание.

    6. Включите питание (IG) и подождите не менее 60 с.

    7. Проверьте наличие кодов DTC.

      Нажмите здесьClick here

      Body Electrical > SRS Airbag > Trouble Codes

      OK

      Код DTC B1850/62, B1851/62, B1852/62 или B1853/62 не выводится.

      Tip:

      На этом этапе могут выводиться коды, отличные от кодов DTC B1850/62, B1851/62, B1852/62 и B1853/62, однако они не связаны с данной проверкой.

    8. Выключите зажигание.

    9. Отсоедините провод от отрицательного (-) вывода вспомогательной аккумуляторной батареи.

      CAUTION:

      После отсоединения провода от отрицательного (-) вывода вспомогательной аккумуляторной батареи подождите не менее 90 с, чтобы предотвратить срабатывание системы SRS.

    10. Отсоедините SST от разъема С.

    09843-18061

    Результат

    Перейти к

    OK

    НЕ СООТВ.

    OK

    ЗАМЕНИТЕ ПРАВУЮ ПОДУШКУ БЕЗОПАСНОСТИ ЗАДНИХ СИДЕНИЙ

    Нажмите здесьClick here

    NG
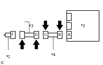
  4. ПРОВЕРЬТЕ НАПОЛЬНЫЙ ПРОВОД

    1. C238257C42

      *1

      Правая подушка безопасности задних сидений в сборе

      *2

      Центральный блок управления системы SRS

      *3

      Напольный провод

      *a

      Вид спереди разъема со стороны жгута проводов:

      (к правой подушке безопасности задних сидений в сборе)

      Отсоедините напольный провод от центрального блока управления системы SRS.

    2. Проверьте, нет ли в цепи короткого замыкания на B+.

      1. Подсоедините провод к отрицательному (-) выводу вспомогательной аккумуляторной батареи.

      2. Включите питание (IG).

      3. Измерьте напряжение в соответствии со значениями, приведенными в таблице.

        Номинальное напряжение

        Подключение диагностического прибора

        Условие

        Заданные условия

        R18-1 (SRR+) - масса

        Питание включено (IG)

        Менее 1 В

        R18-2 (SRR-) - масса

        Питание включено (IG)

        Менее 1 В

      4. Выключите питание.

      5. Отсоедините провод от отрицательного (-) вывода вспомогательной аккумуляторной батареи.

        CAUTION:

        После отсоединения провода от отрицательного (-) вывода вспомогательной аккумуляторной батареи подождите не менее 90 с, чтобы предотвратить срабатывание системы SRS.

    3. Проверьте, нет ли в цепи обрыва.

      1. Измерьте сопротивление в соответствии со значениями, приведенными в таблице ниже.

        Номинальное сопротивление

        Подключение диагностического прибора

        Условие

        Заданные условия

        R18-1 (SRR+) - R18-2 (SRR-)

        Всегда

        Менее 1 Ом

    4. Проверьте, нет ли в цепи короткого замыкания на массу.

      1. Измерьте сопротивление в соответствии со значениями, приведенными в таблице.

        Номинальное сопротивление

        Подключение диагностического прибора

        Условие

        Заданные условия

        R18-1 (SRR+) - масса

        Всегда

        1 МОм или более

        R18-2 (SRR-) - масса

        Всегда

        1 МОм или более

    5. Проверьте, нет ли в цепи короткого замыкания.

      1. Разомкните механизм предотвращения срабатывания, встроенный в разъем B.

        Нажмите здесьClick here

      2. Измерьте сопротивление в соответствии со значениями, приведенными в таблице ниже.

        Номинальное сопротивление

        Подключение диагностического прибора

        Условие

        Заданные условия

        R18-1 (SRR+) - R18-2 (SRR-)

        Всегда

        1 МОм или более

      3. Верните механизм предотвращения срабатывания разъема B в исходное состояние.

    Result

    Перейти к

    OK

    НЕ СООТВ.

    НЕ СООТВ.

    ЗАМЕНИТЕ НАПОЛЬНЫЙ ПРОВОД

    СООТВ
  5. ПРОВЕРЬТЕ DTC

    1. C238241C01

      *1

      Правая подушка безопасности задних сидений в сборе

      *2

      Центральный блок управления системы SRS

      Подсоедините разъемы к правой подушке безопасности задних сидений и центральному блоку управления системы SRS.

    2. Подсоедините провод к отрицательному (-) выводу вспомогательной аккумуляторной батареи.

    3. Удалите коды DTC, сохраненные в памяти.

      Нажмите здесьClick here

      Body Electrical > SRS Airbag > Clear DTCs

    4. Выключите питание.

    5. Включите питание (IG) и подождите не менее 60 с.

    6. Проверьте наличие кодов DTC.

      Нажмите здесьClick here

      Body Electrical > SRS Airbag > Trouble Codes

      OK

      Код DTC B1850/62, B1851/62, B1852/62 или B1853/62 не выводится.

      Tip:

      На этом этапе могут выводиться коды, отличные от кодов DTC B1850/62, B1851/62, B1852/62 и B1853/62, однако они не связаны с данной проверкой.

    Result

    Перейти к

    OK

    НЕ СООТВ.

    OK

    ВЫПОЛНИТЕ ПРОВЕРКУ С ИМИТАЦИЕЙ УСЛОВИЙ ВОЗНИКНОВЕНИЯ НЕИСПРАВНОСТИ

    Нажмите здесьClick here

    NG

    ЗАМЕНИТЕ ЦЕНТРАЛЬНЫЙ БЛОК УПРАВЛЕНИЯ СИСТЕМЫ SRS

    Нажмите здесьClick here

  6. ПРОВЕРЬТЕ РАЗЪЕМЫ

    1. C247054C03

      *1

      Правая подушка безопасности задних сидений в сборе

      *2

      Центральный блок управления системы SRS

      *3

      Жгут проводов правого заднего сиденья

      *4

      Напольный провод

      Выключите питание.

    2. Отсоедините провод от отрицательного (-) вывода вспомогательной аккумуляторной батареи.

      CAUTION:

      После отсоединения провода от отрицательного (-) вывода вспомогательной аккумуляторной батареи подождать не менее 90 с, чтобы предотвратить срабатывание системы SRS.

    3. Проверьте правильность подключения разъемов к правой подушке безопасности заднего сиденья в сборе и блоку управления системы SRS в сборе. Кроме того, убедитесь в надежности подключения разъемов, соединяющих напольный провод и жгут проводов правого заднего сиденья.

      СООТВ

      Разъемы подсоединены должным образом.

      Tip:

      Если разъемы подсоединены ненадежно, подсоедините их и перейдите к следующей проверке.

    4. Отсоедините разъемы от правой подушки безопасности заднего сиденья в сборе и блока управления системы SRS в сборе. Кроме того, отсоедините напольный провод от жгута проводов правого заднего сиденья.

    5. Убедитесь, что контакты разъемов не деформированы и не повреждены.

      OK

      Контакты не деформированы и не повреждены.

    6. Убедитесь, что короткие пружины механизмов предотвращения срабатывания в разъеме напольного провода и в разъеме провода правого заднего сиденья не деформированы и не повреждены.

      СООТВ

      Короткие пружины не деформированы и не повреждены.

    Result

    Перейти к

    OK

    НЕ СООТВ.

    НЕ СООТВ.

    ЗАМЕНИТЕ ЖГУТ ПРОВОДОВ

    СООТВ
  7. ПРОВЕРЬТЕ ПРАВУЮ ПОДУШКУ БЕЗОПАСНОСТИ ЗАДНИХ СИДЕНИЙ В СБОРЕ

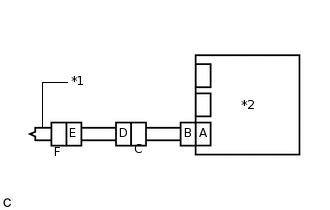
    1. B502883C01

      *1

      Правая подушка безопасности задних сидений в сборе

      *2

      Блок управления системы SRS

      *a

      Вид спереди разъема со стороны жгута проводов:

      (к правой подушке безопасности задних сидений в сборе)

      Подсоедините напольный провод к жгуту проводов правого заднего сиденья и блоку управления системы SRS.

    2. Подсоедините SST (сопротивление 2,1 Ом) к разъему Е.

      CAUTION:

      Никогда не подключайте для измерения диагностический прибор к правой подушке безопасности задних сидений в сборе, так как это может привести к серьезной травме вследствие срабатывания подушки безопасности.

      Note:
      • При подсоединении не следует вставлять SST в контакты разъема с усилием.

      • Вставляйте SST в контакты разъема по прямой.

    3. Подсоедините провод к отрицательному (-) выводу вспомогательной аккумуляторной батареи.

    4. Включите питание (IG) и подождите не менее 60 с.

    5. Удалите коды DTC, сохраненные в памяти.

      Body Electrical > SRS Airbag > Clear DTCs

    6. Выключите питание.

    7. Включите питание (IG) и подождите не менее 60 с.

    8. Проверьте наличие кодов DTC.

      Body Electrical > SRS Airbag > Trouble Codes

      OK

      Код DTC B1850/62, B1851/62, B1852/62 или B1853/62 не выводится.

      Tip:

      На этом этапе могут выводиться коды, отличные от кодов DTC B1850/62, B1851/62, B1852/62 и B1853/62, однако они не связаны с данной проверкой.

    9. Выключите зажигание.

    10. Отсоедините провод от отрицательного (-) вывода вспомогательной аккумуляторной батареи.

      CAUTION:

      После отсоединения провода от отрицательного (-) вывода вспомогательной аккумуляторной батареи подождите не менее 90 с, чтобы предотвратить срабатывание системы SRS.

    11. Отсоедините SST от разъема Е.

    09843-18061

    Результат

    Перейти к

    OK

    НЕ СООТВ.

    OK

    ЗАМЕНИТЕ ПРАВУЮ ПОДУШКУ БЕЗОПАСНОСТИ ЗАДНИХ СИДЕНИЙ

    Нажмите здесьClick here

    НЕ СООТВ.
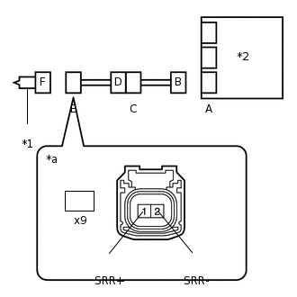
  8. ПРОВЕРЬТЕ ЖГУТ ПРОВОДОВ (БЛОК УПРАВЛЕНИЯ СИСТЕМЫ SRS - ПОДУШКА БЕЗОПАСНОСТИ ПРАВОГО ЗАДНЕГО СИДЕНЬЯ В СБОРЕ)

    1. B502445C04

      *1

      Правая подушка безопасности задних сидений в сборе

      *2

      Блок управления системы SRS

      *a

      Вид спереди разъема со стороны жгута проводов:

      (к правой подушке безопасности задних сидений в сборе)

      Отсоедините напольный провод от центрального блока управления системы SRS.

    2. Проверьте, нет ли в цепи короткого замыкания на B+.

      1. Подсоедините провод к отрицательному (-) выводу вспомогательной аккумуляторной батареи.

      2. Включите питание (IG).

      3. Измерьте напряжение в соответствии со значениями, приведенными в таблице.

        Номинальное напряжение

        Подключение диагностического прибора

        Условие

        Заданные условия

        x9-1 (SRR+) - масса

        Зажигание включено (IG)

        Менее 1 В

        x9-2 (SRR-) - масса

        Зажигание включено (IG)

        Менее 1 В

      4. Выключите питание.

      5. Отсоедините провод от отрицательного (-) вывода вспомогательной аккумуляторной батареи.

        CAUTION:

        После отсоединения провода от отрицательного (-) вывода вспомогательной аккумуляторной батареи подождите не менее 90 с, чтобы предотвратить срабатывание системы SRS.

    3. Проверьте, нет ли в цепи обрыва.

      1. Измерьте сопротивление в соответствии со значениями, приведенными в таблице ниже.

        Номинальное сопротивление

        Подключение диагностического прибора

        Условие

        Заданные условия

        x9-1 (SRR+) - x9-2 (SRR-)

        Всегда

        Менее 1 Ом

    4. Проверьте, нет ли в цепи короткого замыкания на массу.

      1. Измерьте сопротивление в соответствии со значениями, приведенными в таблице.

        Номинальное сопротивление

        Подключение диагностического прибора

        Условие

        Заданные условия

        x9-1 (SRR+) - масса

        Всегда

        1 МОм или более

        x9-2 (SRR-) - масса

        Всегда

        1 МОм или более

    5. Проверьте, нет ли в цепи короткого замыкания.

      1. Разомкните механизм предотвращения срабатывания, встроенный в разъем B.

        Нажмите здесьClick here

      2. Измерьте сопротивление в соответствии со значениями, приведенными в таблице ниже.

        Номинальное сопротивление

        Подключение диагностического прибора

        Условие

        Заданные условия

        x9-1 (SRR+) - x9-2 (SRR-)

        Всегда

        1 МОм или более

      3. Верните механизм предотвращения срабатывания разъема B в исходное состояние.

    Result

    Перейти к

    OK

    НЕ СООТВ.

    НЕ СООТВ.

    ПРОВЕРЬТЕ НАПОЛЬНЫЙ ПРОВОДClick here

    СООТВ
  9. ПРОВЕРЬТЕ DTC

    1. C245654C05

      *1

      Правая подушка безопасности задних сидений в сборе

      *2

      Центральный блок управления системы SRS

      Подсоедините разъемы к правой подушке безопасности задних сидений и центральному блоку управления системы SRS.

    2. Подсоедините провод к отрицательному (-) выводу вспомогательной аккумуляторной батареи.

    3. Включите питание (IG) и подождите не менее 60 с.

    4. Удалите коды DTC, сохраненные в памяти.

      Body Electrical > SRS Airbag > Clear DTCs

    5. Выключите питание.

    6. Включите питание (IG) и подождите не менее 60 с.

    7. Проверьте наличие кодов DTC.

      Body Electrical > SRS Airbag > Trouble Codes

      OK

      Код DTC B1850/62, B1851/62, B1852/62 или B1853/62 не выводится.

      Tip:

      На этом этапе могут выводиться коды, отличные от кодов DTC B1850/62, B1851/62, B1852/62 и B1853/62, однако они не связаны с данной проверкой.

    Result

    Перейти к

    OK

    НЕ СООТВ.

    OK

    ВЫПОЛНИТЕ ПРОВЕРКУ С ИМИТАЦИЕЙ УСЛОВИЙ ВОЗНИКНОВЕНИЯ НЕИСПРАВНОСТИ

    Нажмите здесьClick here

    NG

    ЗАМЕНИТЕ ЦЕНТРАЛЬНЫЙ БЛОК УПРАВЛЕНИЯ СИСТЕМЫ SRS

    Нажмите здесьClick here

  10. ПРОВЕРЬТЕ НАПОЛЬНЫЙ ПРОВОД

    1. B502447C02

      *1

      Правая подушка безопасности задних сидений в сборе

      *2

      Центральный блок управления системы SRS

      *3

      Жгут проводов правого заднего сиденья

      *4

      Напольный провод

      *a

      Вид спереди разъема со стороны жгута проводов:

      (к жгуту проводов правого заднего сиденья)

      Отсоедините жгут проводов правого заднего сиденья от напольного провода.

    2. Проверьте, нет ли в цепи короткого замыкания на B+.

      1. Подсоедините провод к отрицательному (-) выводу вспомогательной аккумуляторной батареи.

      2. Включите питание (IG).

      3. Измерьте напряжение в соответствии со значениями, приведенными в таблице.

        Номинальное напряжение

        Подключение диагностического прибора

        Условие

        Заданные условия

        Rx3-1 (SRR+) - масса

        Зажигание включено (IG)

        Менее 1 В

        Rx3-2 (SRR-) - масса

        Зажигание включено (IG)

        Менее 1 В

      4. Выключите питание.

      5. Отсоедините провод от отрицательного (-) вывода вспомогательной аккумуляторной батареи.

        CAUTION:

        После отсоединения провода от отрицательного (-) вывода вспомогательной аккумуляторной батареи подождите не менее 90 с, чтобы предотвратить срабатывание системы SRS.

    3. Проверьте, нет ли в цепи обрыва.

      1. Измерьте сопротивление в соответствии со значениями, приведенными в таблице ниже.

        Номинальное сопротивление

        Подключение диагностического прибора

        Условие

        Заданные условия

        Rx3-1 (SRR+) - Rx3-2 (SRR-)

        Всегда

        Менее 1 Ом

    4. Проверьте, нет ли в цепи короткого замыкания на массу.

      1. Измерьте сопротивление в соответствии со значениями, приведенными в таблице.

        Номинальное сопротивление

        Подключение диагностического прибора

        Условие

        Заданные условия

        Rx3-1 (SRR+) - масса

        Всегда

        1 МОм или более

        Rx3-2 (SRR-) - масса

        Всегда

        1 МОм или более

    5. Проверьте, нет ли в цепи короткого замыкания.

      1. Разомкните механизм предотвращения срабатывания, встроенный в разъем B.

        Нажмите здесьClick here

      2. Измерьте сопротивление в соответствии со значениями, приведенными в таблице ниже.

        Номинальное сопротивление

        Подключение диагностического прибора

        Условие

        Заданные условия

        Rx3-1 (SRR+) - Rx3-2 (SRR-)

        Всегда

        1 МОм или более

      3. Верните механизм предотвращения срабатывания разъема B в исходное состояние.

    Result

    Перейти к

    OK

    НЕ СООТВ.

    НЕ СООТВ.

    ЗАМЕНИТЕ НАПОЛЬНЫЙ ПРОВОД

    OK
  11. ПРОВЕРЬТЕ ЖГУТ ПРОВОДОВ ПРАВОГО ЗАДНЕГО СИДЕНЬЯ

    1. B502448C02

      *1

      Правая подушка безопасности задних сидений в сборе

      *2

      Центральный блок управления системы SRS

      *3

      Жгут проводов правого заднего сиденья

      *4

      Напольный провод

      *a

      Вид спереди разъема со стороны жгута проводов:

      (к правой подушке безопасности задних сидений в сборе)

      Проверьте, нет ли в цепи короткого замыкания на B+.

      1. Подсоедините провод к отрицательному (-) выводу вспомогательной аккумуляторной батареи.

      2. Включите питание (IG).

      3. Измерьте напряжение в соответствии со значениями, приведенными в таблице.

        Номинальное напряжение

        Подключение диагностического прибора

        Условие

        Заданные условия

        x9-1 (SRR+) - масса

        Зажигание включено (IG)

        Менее 1 В

        x9-2 (SRR-) - масса

        Зажигание включено (IG)

        Менее 1 В

      4. Выключите питание.

      5. Отсоедините провод от отрицательного (-) вывода вспомогательной аккумуляторной батареи.

        CAUTION:

        После отсоединения провода от отрицательного (-) вывода вспомогательной аккумуляторной батареи подождите не менее 90 с, чтобы предотвратить срабатывание системы SRS.

    2. Проверьте, нет ли в цепи обрыва.

      1. Измерьте сопротивление в соответствии со значениями, приведенными в таблице ниже.

        Номинальное сопротивление

        Подключение диагностического прибора

        Условие

        Заданные условия

        x9-1 (SRR+) - x9-2 (SRR-)

        Всегда

        Менее 1 Ом

    3. Проверьте, нет ли в цепи короткого замыкания на массу.

      1. Измерьте сопротивление в соответствии со значениями, приведенными в таблице.

        Номинальное сопротивление

        Подключение диагностического прибора

        Условие

        Заданные условия

        x9-1 (SRR+) - масса

        Всегда

        1 МОм или более

        x9-2 (SRR-) - масса

        Всегда

        1 МОм или более

    4. Проверьте, нет ли в цепи короткого замыкания.

      1. Разомкните механизм предотвращения срабатывания, встроенный в разъем D.

        Нажмите здесьClick here

      2. Измерьте сопротивление в соответствии со значениями, приведенными в таблице ниже.

        Номинальное сопротивление

        Подключение диагностического прибора

        Условие

        Заданные условия

        x9-1 (SRR+) - x9-2 (SRR-)

        Всегда

        1 МОм или более

      3. Верните механизм предотвращения срабатывания разъема D в исходное состояние.

    Result

    Перейти к

    OK

    НЕ СООТВ.

    OK

    ВЫПОЛНИТЕ ПРОВЕРКУ С ИМИТАЦИЕЙ УСЛОВИЙ ВОЗНИКНОВЕНИЯ НЕИСПРАВНОСТИ

    Нажмите здесьClick here

    НЕ СООТВ.

    ЗАМЕНИТЕ ЖГУТ ПРОВОДОВ ПРАВОГО ЗАДНЕГО СИДЕНЬЯ