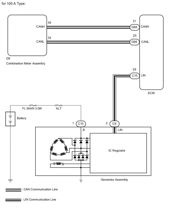
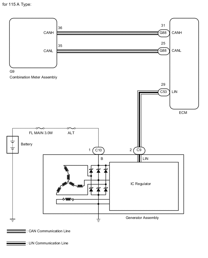
CHARGING SYSTEM SYSTEM DIAGRAM

A01SCV7E04
A01SDQBE06