CAMSHAFT COMPONENTS
ILLUSTRATION
*1 |
ENGINE COVER |
*2 |
ENGINE OIL LEVEL DIPSTICK GUIDE |
*3 |
ENGINE WIRE |
*4 |
NO. 1 VACUUM PIPE |
*5 |
NO. 2 VACUUM HOSE ASSEMBLY |
*6 |
ENGINE OIL LEVEL DIPSTICK |
*7 |
VACUUM HOSE |
*8 |
O-RING |
![]() |
N*m (kgf*cm, ft.*lbf): Specified torque |
● |
Non-reusable part |
ILLUSTRATION
*1 |
AIR CLEANER CAP SUB-ASSEMBLY WITH AIR CLEANER HOSE ASSEMBLY |
*2 |
AIR CLEANER CASE SUB-ASSEMBLY |
*3 |
AIR CLEANER FILTER ELEMENT SUB-ASSEMBLY |
*4 |
VACUUM HOSE |
*5 |
VENTILATION HOSE |
*6 |
NO. 1 FUEL HOSE |
*7 |
NO. 2 FUEL HOSE |
- |
- |
![]() |
N*m (kgf*cm, ft.*lbf): Specified torque |
- |
- |
ILLUSTRATION
*1 |
COMMON RAIL ASSEMBLY |
*2 |
NO. 1 INJECTION PIPE SUB-ASSEMBLY |
*3 |
INJECTOR ASSEMBLY |
*4 |
FUEL INLET PIPE SUB-ASSEMBLY |
*5 |
NOZZLE LEAKAGE PIPE ASSEMBLY |
*6 |
VACUUM CONTROL VALVE BRACKET |
*7 |
SEALING RING |
*8 |
COPPER SEALING RING |
*9 |
CENTERING RING |
*10 |
CLAMPING CLAW |
*11 |
COMMON RAIL ASSEMBLY BRACKET |
*12 |
NO. 2 INJECTION PIPE SUB-ASSEMBLY |
![]() |
N*m (kgf*cm, ft.*lbf): Specified torque |
● |
Non-reusable part |
*T1 |
1st: 8.0 (82, 71 in.*lbf) 2nd: 26 (265, 19) |
- |
- |
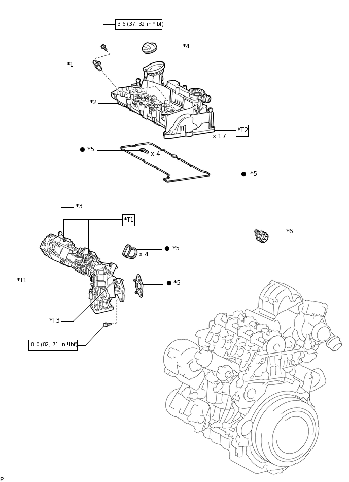
ILLUSTRATION
*1 |
CAMSHAFT POSITION SENSOR |
*2 |
CYLINDER HEAD COVER SUB-ASSEMBLY |
*3 |
INTAKE MANIFOLD |
*4 |
OIL FILLER CAP SUB-ASSEMBLY |
*5 |
GASKET |
*6 |
PLUG |
![]() |
N*m (kgf*cm, ft.*lbf): Specified torque |
● |
Non-reusable part |
*T1 |
1st: 5.0 (51, 44 in.*lbf) 2nd: 10 (102, 7) Bolt cannot be removed from the intake manifold |
*T2 |
Bolt cannot be removed from the cylinder head cover sub-assembly |
*T3 |
8.0 (82, 71 in.*lbf) Bolt cannot be removed from the intake manifold |
- |
- |
ILLUSTRATION
*1 |
NO. 1 EXHAUST MANIFOLD HEAT INSULATOR |
*2 |
NO. 1 TURBO INSULATOR |
![]() |
N*m (kgf*cm, ft.*lbf): Specified torque |
- |
- |
ILLUSTRATION
*1 |
INTAKE CAMSHAFT BEARING CAP |
*2 |
EXHAUST CAMSHAFT BEARING CAP |
*3 |
CAMSHAFT |
*4 |
NO. 2 CAMSHAFT |
*5 |
CAMSHAFT TIMING SPROCKET |
*6 |
CAMSHAFT HOUSING SUB-ASSEMBLY |
*7 |
NO. 2 TIMING CHAIN GUIDE |
*8 |
NO. 1 VALVE ROCKER ARM SUB-ASSEMBLY |
*9 |
VALVE LASH ADJUSTER ASSEMBLY |
*10 |
NO. 2 ENGINE HANGER |
*11 |
NO. 2 CHAIN TENSIONER ASSEMBLY |
*12 |
GASKET |
![]() |
N*m (kgf*cm, ft.*lbf): Specified torque |
● |
Non-reusable part |
*T1 |
1st: 10 (102, 7) 2nd: Loosen 90° 3rd: 14 (143, 10) |
- |
- |
