DYNAMIC RADAR CRUISE CONTROL SYSTEM, Diagnostic DTC:P0571

DTC Code DTC Name
P0571 Brake Switch "A" Circuit

DESCRIPTION

  • Detection condition 1:

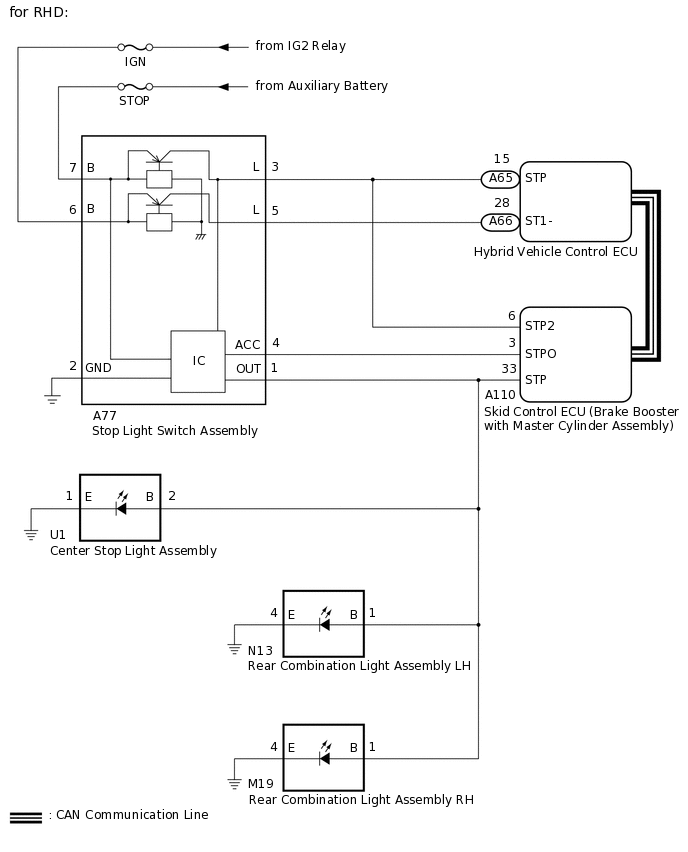
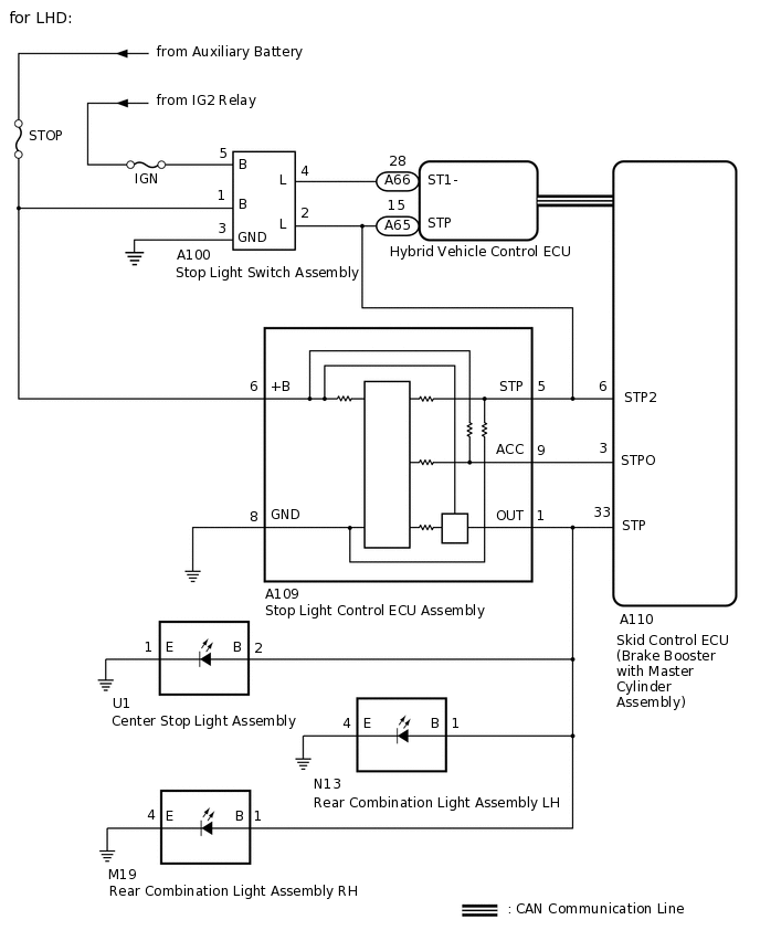
  • When the brake pedal is depressed, the stop light switch assembly outputs a signal to the hybrid vehicle control ECU. When the hybrid vehicle control ECU receives the signal, it cancels control of vehicle speed by the dynamic radar cruise control system. The fail-safe function operates to enable normal operation even if there is a malfunction in the stop light signal circuit. The cancellation condition occurs when voltage is applied to terminal STP. When the brake is pedal is depressed, voltage is applied to terminal STP of the hybrid vehicle control ECU through the STOP fuse and the stop light switch assembly, and the hybrid vehicle control ECU turns the dynamic radar cruise control system off.

  • Detection condition 2:

  • The hybrid vehicle control ECU receives the brake demand signal from the driving support ECU assembly and transmits it to the skid control ECU (brake booster with master cylinder assembly). The skid control ECU (brake booster with master cylinder assembly) receives a signal from the hybrid vehicle control ECU and operates the skid control ECU (brake booster with master cylinder assembly). The skid control ECU (brake booster with master cylinder assembly) operates the brake booster with master cylinder assembly and illuminates the stop lights by operating the stop light control ECU assembly*1 or stop light switch assembly*2.

DTC No.

Detection Item

DTC Detection Condition

Trouble Area

P0571

Brake Switch "A" Circuit

  • Condition 1:

  • While the vehicle speed is 36 km/h (22 mph) or more and the dynamic radar cruise control system is operating, voltage of STP terminal and that of ST1- terminal of hybrid vehicle control ECU are less than 1 V for approximately 0.5 seconds or more.

  • Condition 2:

  • While the vehicle speed is 36 km/h (22 mph) or more and the dynamic radar cruise control system is operating, the hybrid vehicle control ECU receives a stop light control ECU assembly*1 or stop light switch assembly*2 error signal from the skid control ECU (brake booster with master cylinder assembly) for approximately 0.5 seconds or more.

  • Detection condition 1:

  • Stop light switch assembly

  • Harness or connector

  • Hybrid vehicle control ECU

  • Detection condition 2:

  • Stop light control ECU assembly*1

  • Stop light switch assembly*2

  • Stop light control ECU assembly circuit*1

  • Stop light switch assembly circuit*2

  • Skid control ECU (brake booster with master cylinder assembly)

  • *1: for LHD

  • *2: for RHD

WIRING DIAGRAM

C350820E02
C351261E01

CAUTION / NOTICE / HINT

Note:
  • Inspect the fuses for circuits related to this system before performing the following procedure.

  • When replacing the skid control ECU (brake booster with master cylinder assembly), perform zero point calibration.

PROCEDURE

  1. READ VALUE USING TECHSTREAM (STOP LIGHT SWITCH SUB-CPU)

    1. Connect the Techstream to the DLC3.

    2. Turn the power switch on (IG).

    3. Turn the Techstream on.

    4. Enter the following menus: Powertrain / Radar Cruise1 / Data List.

    5. Read the Data List according to the display on the Techstream.

      Powertrain > Radar Cruise1 > Data List

      Tester Display

      Measurement Item

      Range

      Normal Condition

      Diagnostic Note

      Stop Light Switch Sub-CPU

      Stop light switch status

      ON or OFF

      ON: Brake pedal depressed

      OFF: Brake pedal released

      -

      Powertrain > Radar Cruise1 > Data List

      Tester Display

      Stop Light Switch Sub-CPU

      OK

      Display changes according to brake pedal operation described in above table.

    Result

    Proceed to

    OK

    NG

    NG

    CHECK HARNESS AND CONNECTOR (STOP LIGHT SWITCH ASSEMBLY - BATTERY)Click here

    OK
  2. CHECK STOP LIGHT OPERATION

    1. Check that the stop lights come on when the brake pedal is depressed and go off when the brake pedal is released.

      OK

      Condition

      Illumination Condition

      Brake pedal depressed

      On

      Brake pedal released

      Off

    Result

    Result

    Proceed to

    OK (for LHD)

    A

    OK (for RHD)

    B

    NG

    C

    B

    CHECK HARNESS AND CONNECTOR (STPO TERMINAL VOLTAGE)Click here

    C

    GO TO LIGHTING SYSTEM

    A
  3. CHECK HARNESS AND CONNECTOR (STPO TERMINAL VOLTAGE)

    1. Turn the power switch off.

    2. E298291C33

      *a

      Front view of wire harness connector

      (to Skid Control ECU [Brake Booster with Master Cylinder Assembly])

      Disconnect the skid control ECU (brake booster with master cylinder assembly) connector.

    3. Measure the voltage according to the value(s) in the table below.

      Standard Voltage

      Tester Connection

      Condition

      Specified Condition

      A110-3 (STPO) - Body ground

      Always

      11 to 14 V

    Result

    Proceed to

    OK

    NG

    NG

    CHECK HARNESS AND CONNECTOR (STOP LIGHT CONTROL ECU ASSEMBLY - SKID CONTROL ECU [BRAKE BOOSTER WITH MASTER CYLINDER ASSEMBLY])Click here

    OK
  4. PERFORM ACTIVE TEST USING GTS (STOP LIGHT RELAY)

    1. Enter the following menus: Chassis / ABS/VSC/TRC / Active Test.

    2. Perform "Active Test" according to the display on GTS.

      Chassis > ABS/VSC/TRC > Active Test

      Tester Display

      Measurement Item

      Control Range

      Diagnostic Note

      Stop Light Relay

      Stop light control ECU assembly

      ECU (Relay) ON/OFF

      Stop lights come on

      Vehicle condition: Vehicle stopped

      Chassis > ABS/VSC/TRC > Active Test

      Tester Display

      Stop Light Relay

    3. Enter the following menus: Chassis / ABS/VSC/TRC / Data List.

    4. Check the stop light switch assembly operation using the Data List and stop light operation by performing an Active Test.

      Chassis > ABS/VSC/TRC > Data List

      Tester Display

      Measurement Item

      Range

      Normal Condition

      Diagnostic Note

      Stop Light Relay Output

      Stop light control ECU assembly input

      ON or OFF

      ON: ECU (Relay) Output on

      OFF: ECU (Relay) Output off

      -

      Chassis > ABS/VSC/TRC > Data List

      Tester Display

      Stop Light Relay

    Result

    Result

    Proceed to

    When Active Test performed, Data List item not changes between ON and OFF

    A

    When Active Test performed, Data List item changes between ON and OFF and stop lights turn on and off

    B

    B

    CHECK HARNESS AND CONNECTOR (STOP LIGHT CONTROL ECU ASSEMBLY - SKID CONTROL ECU [BRAKE BOOSTER WITH MASTER CYLINDER ASSEMBLY])Click here

    A
  5. INSPECT SKID CONTROL ECU (BRAKE BOOSTER WITH MASTER CYLINDER ASSEMBLY)

    1. Enter the following menus: Chassis / ABS/VSC/TRC / Active Test.

    2. Perform "Active Test" according to the display on GTS.

      Chassis > ABS/VSC/TRC > Active Test

      Tester Display

      Measurement Item

      Control Range

      Diagnostic Note

      Stop Light Relay

      Stop light control ECU assembly

      ECU (Relay) ON/OFF

      Stop lights come on

      Vehicle condition: Vehicle stopped

      Chassis > ABS/VSC/TRC > Active Test

      Tester Display

      Stop Light Relay

    3. E173013C20

      *a

      Component with harness connected

      (Stop Light Control ECU Assembly)

      Measure the voltage according to the value(s) in the table below.

      Standard Voltage

      Tester Connection

      Condition

      Specified Condition

      A109-9 (ACC) - Body ground

      Active test is OFF

      11 to 14 V

      A109-9 (ACC) - Body ground

      Active test is ON

      Below 1.5 V

    Result

    Proceed to

    OK

    NG

    NG

    REPLACE SKID CONTROL ECU (BRAKE BOOSTER WITH MASTER CYLINDER ASSEMBLY)

    OK
  6. REPLACE STOP LIGHT CONTROL ECU ASSEMBLY

    1. Replace the stop light control ECU assembly.

      Click here

    Result

    Proceed to

    NEXT

    NEXT
  7. CHECK FOR DTC

    1. Clear the DTCs.

      Click here

      Chassis > ABS/VSC/TRC > Clear DTCs

    2. Enter the following menus: Chassis / ABS/VSC/TRC / Active Test.

      Tip:

      If the detection conditions are not met, the system cannot detect the malfunction.

      • Using the GTS, perform the Active Test "Stop Light Relay" with the power switch on (IG).

    3. Perform "Active Test" according to the display on the GTS.

      Chassis > ABS/VSC/TRC > Active Test

      Tester Display

      Measurement Item

      Control Range

      Diagnostic Note

      Stop Light Relay

      Stop lights

      ON or OFF

      Test possible at vehicle speed of 0 km/h (0 mph)

      Chassis > ABS/VSC/TRC > Active Test

      Tester Display

      Stop Light Relay

    4. Check for DTCs.

      Click here

      Chassis > ABS/VSC/TRC > Trouble Codes

      Result

      Result

      Proceed to

      DTC C1380/64 is output

      A

      DTC C1380/64 is not output

      B

    A

    GO TO DTC C1380/64

    B

    END (STOP LIGHT CONTROL ECU ASSEMBLY WAS DEFECTIVE)

  8. CHECK HARNESS AND CONNECTOR (STOP LIGHT CONTROL ECU ASSEMBLY - SKID CONTROL ECU [BRAKE BOOSTER WITH MASTER CYLINDER ASSEMBLY])

    1. Disconnect the A110 skid control ECU (brake booster with master cylinder assembly) connector.

    2. Disconnect the A109 stop light control ECU assembly connector.

    3. Measure the resistance according to the value(s) in the table below.

      Standard Resistance

      Tester Connection

      Condition

      Specified Condition

      A110-33 (STP) - A109-1 (OUT)

      Always

      Below 1 Ω

      A110-33 (STP) or A109-1 (OUT) - Body ground

      Always

      10 kΩ or higher

    Result

    Proceed to

    OK

    NG

    NG

    REPAIR OR REPLACE HARNESS OR CONNECTOR

    OK
  9. REPLACE SKID CONTROL ECU (BRAKE BOOSTER WITH MASTER CYLINDER ASSEMBLY)

    1. Replace the skid control ECU (brake booster with master cylinder assembly).

      Click here

    Result

    Proceed to

    NEXT

    NEXT

    CHECK FOR DTCClick here

  10. CHECK HARNESS AND CONNECTOR (STOP LIGHT CONTROL ECU ASSEMBLY - SKID CONTROL ECU [BRAKE BOOSTER WITH MASTER CYLINDER ASSEMBLY])

    1. Disconnect the A110 skid control ECU (brake booster with master cylinder assembly) connector.

    2. Disconnect the A109 stop light control ECU assembly connector.

    3. Measure the resistance according to the value(s) in the table below.

      Standard Resistance

      Tester Connection

      Condition

      Specified Condition

      A110-3 (STPO) - A109-9 (ACC)

      Always

      Below 1 Ω

      A110-3 (STPO) or A109-9 (ACC) - Body ground

      Always

      10 kΩ or higher

    Result

    Proceed to

    OK

    NG

    NG

    REPAIR OR REPLACE HARNESS OR CONNECTOR

    OK
  11. REPLACE SKID CONTROL ECU (BRAKE BOOSTER WITH MASTER CYLINDER ASSEMBLY)

    1. Replace the skid control ECU (brake booster with master cylinder assembly).

      Click here

    Result

    Proceed to

    NEXT

    NEXT

    CHECK FOR DTCClick here

  12. CHECK HARNESS AND CONNECTOR (STPO TERMINAL VOLTAGE)

    1. Turn the power switch off.

    2. E298291C35

      *a

      Front view of wire harness connector

      (to Skid Control ECU [Brake Booster with Master Cylinder Assembly])

      Disconnect the skid control ECU (brake booster with master cylinder assembly) connector.

    3. Measure the voltage according to the value(s) in the table below.

      Standard Voltage

      Tester Connection

      Condition

      Specified Condition

      A110-3 (STPO) - Body ground

      Always

      11 to 14 V

    Result

    Proceed to

    OK

    NG

    NG

    CHECK HARNESS AND CONNECTOR (STOP LIGHT SWITCH ASSEMBLY - SKID CONTROL ECU [BRAKE BOOSTER WITH MASTER CYLINDER ASSEMBLY])Click here

    OK
  13. PERFORM ACTIVE TEST USING GTS (STOP LIGHT RELAY)

    1. Enter the following menus: Chassis / ABS/VSC/TRC / Active Test.

    2. Perform "Active Test" according to the display on GTS.

      Chassis > ABS/VSC/TRC > Active Test

      Tester Display

      Measurement Item

      Control Range

      Diagnostic Note

      Stop Light Relay

      Stop light control relay (stop light switch assembly)

      Relay ON/OFF

      Stop lights come on

      Vehicle condition: Vehicle stopped

      Chassis > ABS/VSC/TRC > Active Test

      Tester Display

      Stop Light Relay

    3. Enter the following menus: Chassis / ABS/VSC/TRC / Data List.

    4. Check the stop light switch assembly operation using the Data List and stop light operation by performing an Active Test.

      Chassis > ABS/VSC/TRC > Data List

      Tester Display

      Measurement Item

      Range

      Normal Condition

      Diagnostic Note

      Stop Light Relay Output

      Stop light control relay (stop light switch assembly)

      ON or OFF

      ON: Output on

      OFF: Output off

      -

      Chassis > ABS/VSC/TRC > Data List

      Tester Display

      Stop Light Relay

    Result

    Result

    Proceed to

    When Active Test performed, Data List item not changes between ON and OFF

    A

    When Active Test performed, Data List item changes between ON and OFF and stop lights turn on and off

    B

    B

    CHECK HARNESS AND CONNECTOR (STOP LIGHT SWITCH ASSEMBLY - SKID CONTROL ECU [BRAKE BOOSTER WITH MASTER CYLINDER ASSEMBLY])Click here

    A
  14. INSPECT SKID CONTROL ECU (BRAKE BOOSTER WITH MASTER CYLINDER ASSEMBLY)

    1. Enter the following menus: Chassis / ABS/VSC/TRC / Active Test.

    2. Perform "Active Test" according to the display on GTS.

      Chassis > ABS/VSC/TRC > Active Test

      Tester Display

      Measurement Item

      Control Range

      Diagnostic Note

      Stop Light Relay

      Stop light control relay (stop light switch assembly)

      Relay ON/OFF

      Stop lights come on

      Vehicle condition: Vehicle stopped

      Chassis > ABS/VSC/TRC > Active Test

      Tester Display

      Stop Light Relay

    3. E337400C01

      *a

      Component with harness connected

      (Stop Light Switch Assembly)

      Measure the voltage according to the value(s) in the table below.

      Standard Voltage

      Tester Connection

      Condition

      Specified Condition

      A77-4 (ACC) - Body ground

      Active test is OFF

      11 to 14 V

      A77-4 (ACC) - Body ground

      Active test is ON

      Below 1.5 V

    Result

    Proceed to

    OK

    NG

    NG

    REPLACE SKID CONTROL ECU (BRAKE BOOSTER WITH MASTER CYLINDER ASSEMBLY)

    OK
  15. REPLACE STOP LIGHT SWITCH ASSEMBLY

    1. Replace the stop light switch assembly.

      Click here

    Result

    Proceed to

    NEXT

    NEXT
  16. CHECK FOR DTC

    1. Clear the DTCs.

      Click here

      Chassis > ABS/VSC/TRC > Clear DTCs

    2. Enter the following menus: Chassis / ABS/VSC/TRC / Active Test.

      Tip:

      If the detection conditions are not met, the system cannot detect the malfunction.

      • Using the GTS, perform the Active Test "Stop Light Relay" with the power switch on (IG).

    3. Perform "Active Test" according to the display on the GTS.

      Chassis > ABS/VSC/TRC > Active Test

      Tester Display

      Measurement Item

      Control Range

      Diagnostic Note

      Stop Light Relay

      Stop light control relay (stop light switch assembly)

      Relay ON/OFF

      Stop lights come on

      Vehicle condition: Vehicle stopped

      Chassis > ABS/VSC/TRC > Active Test

      Tester Display

      Stop Light Relay

    4. Check for DTCs.

      Click here

      Chassis > ABS/VSC/TRC > Trouble Codes

      Result

      Result

      Proceed to

      DTC C1380 is output

      A

      DTC C1380 is not output

      B

    A

    GO TO DTC C1380/64

    B

    END (STOP LIGHT SWITCH ASSEMBLY WAS DEFECTIVE)

  17. CHECK HARNESS AND CONNECTOR (STOP LIGHT SWITCH ASSEMBLY - SKID CONTROL ECU [BRAKE BOOSTER WITH MASTER CYLINDER ASSEMBLY])

    1. Disconnect the A110 skid control ECU (brake booster with master cylinder assembly) connector.

    2. Disconnect the A77 stop light switch assembly connector.

    3. Measure the resistance according to the value(s) in the table below.

      Standard Resistance

      Tester Connection

      Condition

      Specified Condition

      A110-33 (STP) - A77-1 (OUT)

      Always

      Below 1 Ω

    Result

    Proceed to

    OK

    NG

    NG

    REPAIR OR REPLACE HARNESS OR CONNECTOR

    OK
  18. REPLACE SKID CONTROL ECU (BRAKE BOOSTER WITH MASTER CYLINDER ASSEMBLY)

    1. Replace the skid control ECU (brake booster with master cylinder assembly).

      Click here

    Result

    Proceed to

    NEXT

    NEXT

    CHECK FOR DTCClick here

  19. CHECK HARNESS AND CONNECTOR (STOP LIGHT SWITCH ASSEMBLY - SKID CONTROL ECU [BRAKE BOOSTER WITH MASTER CYLINDER ASSEMBLY])

    1. Disconnect the A110 skid control ECU (brake booster with master cylinder assembly) connector.

    2. Disconnect the A77 stop light switch assembly connector.

    3. Measure the resistance according to the value(s) in the table below.

      Standard Resistance

      Tester Connection

      Condition

      Specified Condition

      A110-3 (STPO) - A77-4 (ACC)

      Always

      Below 1 Ω

      A110-3 (STPO) or A77-4 (ACC) - Body ground

      Always

      10 kΩ or higher

    Result

    Proceed to

    OK

    NG

    NG

    REPAIR OR REPLACE HARNESS OR CONNECTOR

    OK
  20. REPLACE STOP LIGHT SWITCH ASSEMBLY

    1. Replace the stop light switch assembly.

      Click here

    Result

    Proceed to

    NEXT

    NEXT

    CHECK FOR DTCClick here

  21. CHECK HARNESS AND CONNECTOR (STOP LIGHT SWITCH ASSEMBLY - BATTERY)

    1. Disconnect the stop light switch assembly connector.

    2. E270270C21

      *a

      Front view of wire harness connector

      (to Stop Light Switch Assembly) (for RHD)

      E239037C50

      *a

      Front view of wire harness connector

      (to Stop Light Switch Assembly) (for LHD)

      Measure the voltage according to the value(s) in the table below.

      Standard Voltage (for LHD)

      Tester Connection

      Condition

      Specified Condition

      A100-1 (B) - Body ground

      Always

      11 to 14 V

      A100-5 (B) - Body ground

      Power switch on (IG)

      11 to 14 V

      A100-5 (B) - Body ground

      Power switch off

      Below 1 V

      Standard Voltage (for RHD)

      Tester Connection

      Condition

      Specified Condition

      A77-7 (B) - Body ground

      Always

      11 to 14 V

      A77-6 (B) - Body ground

      Power switch on (IG)

      11 to 14 V

      A77-6 (B) - Body ground

      Power switch off

      Below 1 V

    Result

    Proceed to

    OK

    NG

    NG

    REPAIR OR REPLACE HARNESS OR CONNECTOR

    OK
  22. CHECK HARNESS AND CONNECTOR (HYBRID VEHICLE CONTROL ECU - STOP LIGHT SWITCH ASSEMBLY)

    1. C351003C02

      *a

      Front view of wire harness connector

      (to Hybrid Vehicle Control ECU)

      Disconnect the hybrid vehicle control ECU connector.

    2. Measure the voltage according to the value(s) in the table below.

      Standard Voltage

      Tester Connection

      Condition

      Specified Condition

      A66-28 (ST1-) - Body ground

      Power switch on (IG), brake pedal depressed

      0 to 1.5 V

      Power switch on (IG), brake pedal released

      11 to 14 V

      A65-15 (STP) - Body ground

      Brake pedal depressed

      11 to 14 V

      Brake pedal released

      0 to 1.5 V

    Result

    Proceed to

    OK

    NG

    NG

    REPAIR OR REPLACE HARNESS OR CONNECTOR

    OK
  23. CHECK STOP LIGHT SWITCH ASSEMBLY

    1. Temporarily replace the stop light switch assembly with a new or normally functioning one.

      Click here

    2. Clear the DTCs.

      Click here

      Powertrain > Radar Cruise1 > Clear DTCs

    3. Make sure that the DTC detection conditions are met.

      Tip:

      If the detection conditions are not met, the system cannot detect the malfunction.

      1. Turn the power switch on (IG).

      2. Turn the dynamic radar cruise control system on using the cruise control main switch (ON/OFF).

      3. Drive the vehicle at 36 km/h (22 mph) or more.

      4. Depress the brake pedal for 0.5 seconds or more.

    4. Check for DTCs.

      Click here

      Powertrain > Radar Cruise1 > Trouble Codes

    Result

    Result

    Proceed to

    DTC P0571 is not output

    A

    DTC P0571 is output

    B

    A

    END (STOP LIGHT SWITCH ASSEMBLY WAS DEFECTIVE)

    B

    REPLACE HYBRID VEHICLE CONTROL ECU