POWER DOOR LOCK CONTROL SYSTEM SYSTEM DIAGRAM


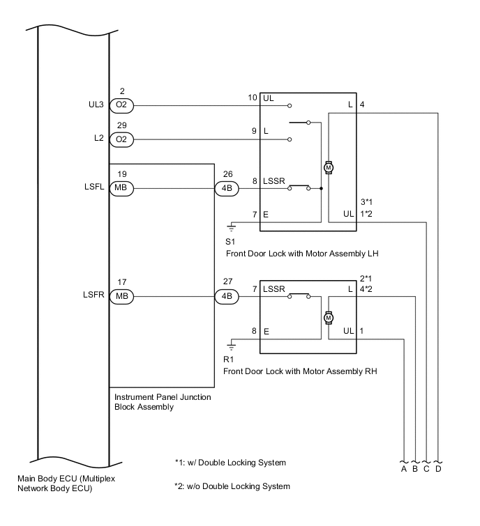
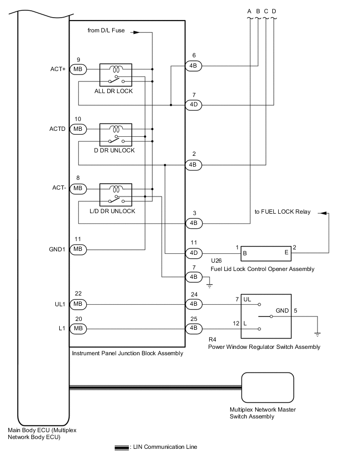
  1. Power Door Lock Control System (for LHD)

    A01OC24E01
    A01ODE1E21
    A01OAYGE11
    Communication Table
    Sender Receiver Signal Line
    Multiplex Network Master Switch Assembly Main Body ECU (Multiplex Network Body ECU) Door control switch signal LIN
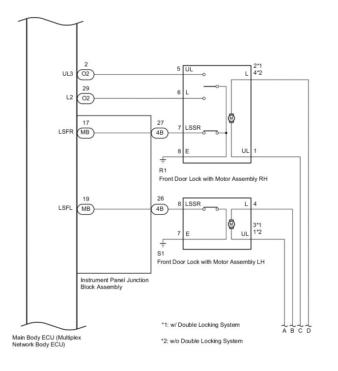
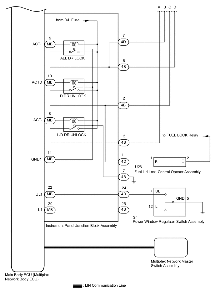
  2. Power Door Lock Control System (for RHD)

    A01OC24E02
    A01ODE1E22
    A01OAYGE12
    Communication Table
    Sender Receiver Signal Line
    Multiplex Network Master Switch Assembly Main Body ECU (Multiplex Network Body ECU) Door control switch signal LIN
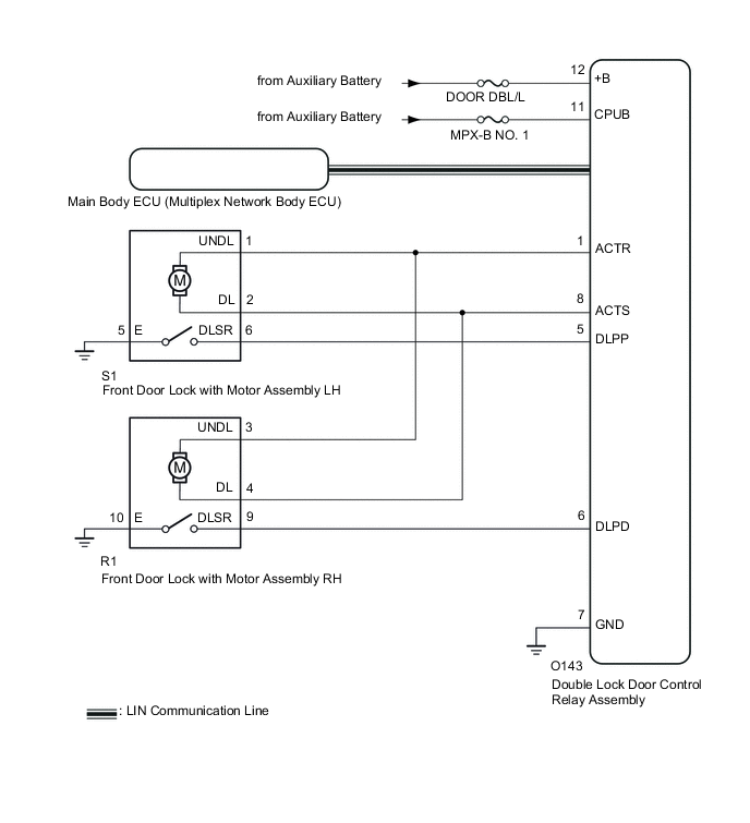
  3. Double Locking System

    A01OD98E10
    Communication Table
    Sender Receiver Signal Line
    Double Lock Door Control Relay Assembly Main Body ECU (Multiplex Network Body ECU) Double lock position switch signal LIN
    Main Body ECU (Multiplex Network Body ECU) Double Lock Door Control Relay Assembly Double lock set/unset request Signal LIN