СИСТЕМА УПРАВЛЕНИЯ ГИБРИДНОЙ СИСТЕМОЙ, диагностический DTC: P0343-747

Код DTC Наименование DTC
P0343-747 Высокий уровень сигнала на входе цепи датчика положения распредвала "A"

ОПИСАНИЕ

Если импульсный сигнал положения распредвала, передаваемый из ECM по линии прямой связи, ненормален, ЭБУ MG (встроенный в преобразователь-инвертор в сборе) сохраняет DTC P0343-747.

№ DTC

Неисправность

Условие обнаружения DTC

Неисправный участок

MIL

Индикация предупреждения

P0343-747

Высокий уровень сигнала на входе цепи датчика положения распредвала "A"

Сигнал GI не поступает на вход в течение 2 с или более при работающем двигателе. *

(логика диагностирования за 1 поездку)

  • Система SFI

  • Преобразователь-инвертор в сборе

  • ECM в сборе

  • Жгут проводов или разъем

Не загорается

Главная контрольная лампа аварийного состояния:

Загорается

Tip:

*: Когда сохраняется этот код DTC, при остановленном двигателе может наблюдаться вибрация.

Table 1. Сопутствующие параметры Data List

№ DTC

Таблица данных ЭБУ

P0343-747

  • Crank Position

  • Engine Revolution

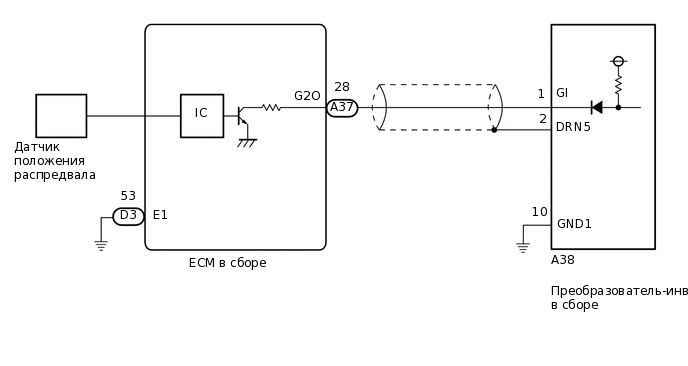
СХЕМА СОЕДИНЕНИЙ

C304336E09

ПРЕДОСТЕРЕЖЕНИЕ / ПРИМЕЧАНИЕ / УКАЗАНИЕ

CAUTION:
  • Перед проверкой системы высокого напряжения или отсоединением разъема низкого напряжения преобразователя-инвертора необходимо принять меры по предотвращению поражения электрическим током, а именно, надеть электроизолирующие перчатки и снять зажим сервисного размыкателя цепи. После снятия зажима сервисного размыкателя цепи положите его в карман, чтобы никто не смог случайно подсоединить его обратно, пока выполняются работы с системой высокого напряжения.

  • После отсоединения зажима сервисного размыкателя цепи подождите, по крайней мере, 10 мин, прежде чем прикасаться к какому-либо из высоковольтных разъемов или контактов. По истечении 10 мин проверьте напряжение на контактах в контрольной точке преобразователя-инвертора в сборе. Перед началом работ напряжение должно составлять 0 В.

    Нажмите здесьClick hereClick here

    Tip:

    Для разрядки высоковольтного конденсатора внутри преобразователя-инвертора требуется не менее 10 мин.

Note:

После выключения питания следует подождать некоторое время, прежде чем отсоединять провод от отрицательного (-) вывода вспомогательной аккумуляторной батареи. Поэтому, прежде чем приступать к этой работе, обязательно ознакомьтесь с примечанием относительно отсоединения провода от отрицательного (-) вывода вспомогательной аккумуляторной батареи.

Нажмите здесьClick hereClick hereClick here

Tip:

После ремонта удалите все коды DTC и убедитесь, что коды DTC не выводятся, выполнив следующую процедуру.

  1. Включите питание (READY).

  2. На остановленном автомобиле установите рычаг переключения передач в положение P.

  3. Нажмите педаль акселератора, чтобы запустить двигатель.

  4. Нажмите педаль акселератора и в течение 5 с или дольше поддерживайте частоту вращения коленчатого вала двигателя не менее 1000 об/мин.

ПОРЯДОК ВЫПОЛНЕНИЯ

  1. ПРОВЕРЬТЕ, ВЫВОДЯТСЯ ЛИ DTC (ДВИГАТЕЛЯ И ECT)

    1. Подключите GTS к DLC3.

    2. Включите питание (IG).

    3. Войдите в следующие меню: Powertrain / Engine and ECT / Trouble Codes.

    4. Проверьте наличие кодов DTC.

      Powertrain > Engine and ECT > Trouble Codes

      Result

      Result

      Перейдите к

      DTC системы SFI не выводятся.

      A

      Также выводится какой-либо из указанных ниже кодов DTC.

      B

      Соответствующий DTC

      P0340

      Неисправность цепи датчика положения распредвала

    5. Выключите зажигание.

    B

    ОБРАТИТЕСЬ К ТАБЛИЦЕ DTC (СИСТЕМА SFI)

    Для моделей с модулем насоса адсорбера: Нажмите здесьClick hereClick hereClick here

    Для моделей без модуля насоса адсорбера: Нажмите здесьClick hereClick hereClick here

    A
  2. ПРОВЕРЬТЕ DTC (СИСТЕМЫ УПРАВЛЕНИЯ ГИБРИДНОЙ СИСТЕМОЙ)

    1. Подключите GTS к DLC3.

    2. Включите питание (IG).

    3. Войдите в следующие меню: Powertrain / Hybrid Control / Trouble Codes.

    4. Проверьте наличие кодов DTC.

      Powertrain > Hybrid Control > Trouble Codes

      Результат

      Result

      Перейдите к

      Не выводится ни один из перечисленных ниже кодов DTC.

      А

      Также выводится какой-либо из указанных ниже кодов DTC.

      B

      Соответствующий DTC

      P06B0-163

      Цепь питания датчиков "A" / Обрыв

      P06D6-511

      Цепь опорного напряжения датчиков "F" / Обрыв

      P06E6-164

      Цепь питания датчиков "C" / Обрыв

      P0A1B-198, 786, 794

      Модуль управления тяговым электродвигателем "A"

      P1C2B-192

      Цепь АЦП тягового электродвигателя "A"

      P1C73-512

      Цепь номинального напряжения датчиков "F" / Обрыв

      P1CA7-193

      Неисправность модуля управления тяговым электродвигателем

      P1CAD-168

      Сбой сигнала угла поворота датчика положения тягового электродвигателя "A"

      P1CB0-795

      Неверный период сигнала REF датчика положения тягового электродвигателя "A"

      P1CB3-796

      Прекращение подачи сигнала REF датчика положения тягового электродвигателя "A"

      P3134-661

      Ошибка передачи данных от тягового электродвигателя "A" к генератору

      Tip:

      Код P0343-747 может регистрироваться при неисправностях, которые вызывают появление DTC, указанных в таблице выше. Поэтому в случае его регистрации сначала необходимо выполнить поиск и устранение неисправностей для тех выданных кодов DTC, которые перечислены в таблице выше. Затем выполните проверку, чтобы попытаться воспроизвести неисправности, и убедитесь, что коды DTC не выводятся.

    5. Выключите зажигание.

    B

    ОБРАТИТЕСЬ К ТАБЛИЦЕ КОДОВ DTC (СИСТЕМА УПРАВЛЕНИЯ ГИБРИДНОЙ СИСТЕМОЙ)

    Нажмите здесьClick hereClick here

    A
  3. ПРОВЕРЬТЕ ПОДКЛЮЧЕНИЕ РАЗЪЕМА (ПРЕОБРАЗОВАТЕЛЯ-ИНВЕРТОРА В СБОРЕ)

    CAUTION:

    Не забывайте надевать электроизолирующие перчатки.

    1. Убедитесь, что зажим сервисного размыкателя цепи не установлен.

      Note:

      При снятом зажиме сервисного размыкателя цепи не включайте питание (READY), если нет соответствующего указания в руководстве по ремонту, так как это может стать причиной неисправности.

    2. A371615

      Проверьте подключение разъема низкого напряжения преобразователя-инвертора в сборе и контактное давление всех контактов. Проверьте, не деформированы ли контакты, и убедитесь в отсутствии воды и посторонних веществ в разъеме.

      Нажмите здесьClick here

      Note:

      Прежде, чем отсоединить разъем, проверьте надежность его подключения, т.е. удостоверьтесь в том, что фиксирующие захваты введены в зацепление, и разъем не выдергивается.

      OK

      - Разъем подсоединен надежно.

      - Контакты не деформированы и подсоединены надежно.

      - Отсутствие воды и инородного материала в разъеме.

      Result

      Result

      Перейти к

      OK

      А

      NG (разъем не подсоединен надежно)

      B

      NG (отсутствует надежный контакт между выводами, либо они деформированы, или же в разъем попала вода или посторонние вещества)

      C

      Tip:

      Чтобы подсоединить разъем, вставьте его, удерживая блокирующий рычаг в поднятом положении. Поверните рычаг вниз и убедитесь в том, что разъем втянут в гнездо. Когда блокирующий рычаг займет положение фиксации, раздастся щелчок, свидетельствующий о введении в зацепление фиксирующих захватов. После появления щелчка потяните за разъем, чтобы подтвердить надежность его подсоединения.

    B

    ПРОВЕРЬТЕ НАДЕЖНОСТЬ ПОДКЛЮЧЕНИЯ

    C

    ОТРЕМОНТИРУЙТЕ ИЛИ ЗАМЕНИТЕ ЖГУТ ПРОВОДОВ ИЛИ РАЗЪЕМ

    A
  4. ПРОВЕРЬТЕ ПОДКЛЮЧЕНИЕ РАЗЪЕМА (РАЗЪЕМ ECM)

    1. A371614

      Проверьте надежность подключения и давление соответствующих контактов разъемов ECM.

      Нажмите здесьClick here

      Note:

      Прежде, чем отсоединить разъем, проверьте надежность его подключения, т.е. удостоверьтесь в том, что фиксирующие захваты введены в зацепление, и разъем не выдергивается.

      OK

      Разъемы подсоединены надежно, давление контактов в норме.

      Tip:

      Чтобы подсоединить разъем, вставьте его, удерживая блокирующий рычаг в поднятом положении. Поверните рычаг вниз и убедитесь в том, что разъем втянут в гнездо. Когда блокирующий рычаг займет положение фиксации, раздастся щелчок, свидетельствующий о введении в зацепление фиксирующих захватов. После появления щелчка потяните за разъем, чтобы подтвердить надежность его подсоединения.

    Result

    Перейти к

    OK

    НЕ СООТВ.

    НЕ СООТВ.

    ПРОВЕРЬТЕ НАДЕЖНОСТЬ ПОДКЛЮЧЕНИЯ

    СООТВ
  5. ПРОВЕРЬТЕ ЖГУТ ПРОВОДОВ И РАЗЪЕМ (ПРЕОБРАЗОВАТЕЛЬ-ИНВЕРТОР В СБОРЕ - ECM)

    CAUTION:

    Не забывайте надевать электроизолирующие перчатки.

    1. Убедитесь, что зажим сервисного размыкателя цепи не установлен.

      Note:

      При снятом зажиме сервисного размыкателя цепи не включайте питание (READY), если нет соответствующего указания в руководстве по ремонту, так как это может стать причиной неисправности.

    2. Отсоедините разъем A38 преобразователя-инвертора в сборе.

    3. Отсоедините разъем A37 ECM.

    4. Подсоедините провод к отрицательному (-) выводу вспомогательной аккумуляторной батареи.

    5. Включите питание (IG).

    6. A319887C05

      *a

      Вид спереди разъема со стороны жгута проводов:

      (к преобразователю-инвертору в сборе)

      *b

      Вид спереди разъема со стороны жгута проводов:

      (к ECM)

      Измерьте напряжение в соответствии со значениями, приведенными в таблице.

      Номинальное напряжение

      Подключение диагностического прибора

      Условие

      Заданные условия

      A38-1 (GI) - масса

      Питание включено (IG)

      Менее 1 В

      Note:

      Установка выключателя питания в состояние ON (ВКЛ) (IG) при отсоединенных разъеме преобразователя-инвертора в сборе и разъемах ECM приводит к сохранению других DTC. После выполнения проверки удалите коды DTC.

    7. Выключите питание.

    8. Измерьте сопротивление в соответствии со значениями, приведенными в таблице ниже.

      Номинальное сопротивление (при проверке на обрыв)

      Подключение диагностического прибора

      Условие

      Заданные условия

      A38-1 (GI) - A37-28 (G2O)

      Питание выключено

      Менее 1 Ом

      Номинальное сопротивление (при проверке на короткое замыкание)

      Подключение диагностического прибора

      Условие

      Заданные условия

      A38-1 (GI) или A37-28 (G2O) - масса и другие контакты

      Питание выключено

      10 кОм или более

    9. Отсоедините провод от отрицательного (-) вывода вспомогательной аккумуляторной батареи.

    10. Подсоедините разъем A37 ECM.

    11. Подсоедините разъем A38 преобразователя-инвертора в сборе.

    Результат

    Перейти к

    OK

    НЕ СООТВ.

    НЕ СООТВ.

    ОТРЕМОНТИРУЙТЕ ИЛИ ЗАМЕНИТЕ ЖГУТ ПРОВОДОВ ИЛИ РАЗЪЕМ

    СООТВ
  6. ПРОВЕРЬТЕ ECM

    1. Отсоедините разъемы D3 и A37 ECM.

    2. Измерьте сопротивление в соответствии со значениями, приведенными в таблице ниже.

      A373216C03

      *a

      Устройство с неподсоединенным жгутом проводов

      (ECM)

      -

      -

      Номинальное сопротивление

      Подключение диагностического прибора

      Условие

      Заданные условия

      A37-28 (G2O) - D3-53 (E1)

      Питание выключено

      10 кОм или более

    3. Подсоедините разъемы D3 и A37 ECM.

    Результат

    Перейти к

    OK

    НЕ СООТВ.

    OK

    ДЛЯ ЗАМЕНЫ ДЕТАЛЕЙ ПРЕОБРАЗОВАТЕЛЯ-ИНВЕРТОРА В СБОРЕ СМ.

    Нажмите здесьClick here

    NG

    ЗАМЕНИТЕ ECM В СБОРЕ

    Нажмите здесьClick hereClick hereClick here