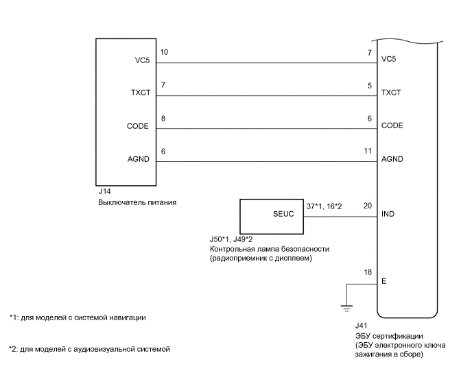
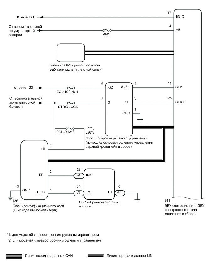
СИСТЕМА ИММОБИЛАЙЗЕРА ДВИГАТЕЛЯ СХЕМА СИСТЕМЫ

B424446E06
B384206E13